Перейти до публікації
Пошук в
  • Додатково...
Шукати результати, які містять...
Шукати результати в...

Покритикуйте схему ввода в дом

ppbn21

Рекомендовані повідомлення

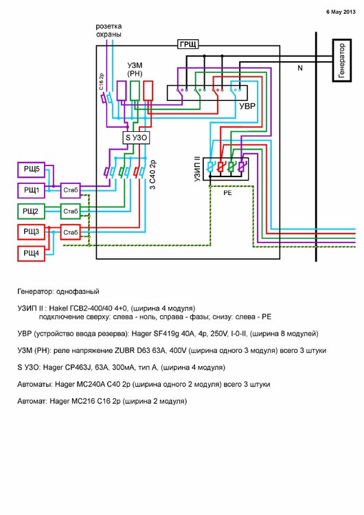
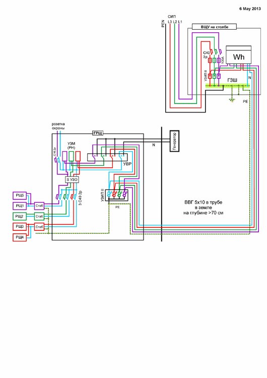
Частный дом, выделено 3 ф, 15 кВт. По улице идет ВЛ. На столбе у дома уже установлен ящик со счетчиком. Планирую под столбом сделать повторное заземление.

Водопровод, канализация, отопление - из пластиковых труб. Газа и вентканалов нет. Поэтому СУП на схеме не рисовал. Молниезащита не планируется.

 

На схемах указаны два щита: на столбе со счетчиком и в гараже. Между ними около 20м со всеми изгибами.

e1.thumb.jpg.297b581a39dcc2258b7f0d669783028a.jpg

e2.thumb.jpg.2d70ed7c0c6fa377660ccada43347f98.jpg

e3.thumb.jpg.bcc5e0cc9c38048278b3ae4288ce733f.jpg

Змінено користувачем ppbn21
Посилання на коментар
Поділитися на інших сайтах

Створіть акаунт або увійдіть у нього для коментування

Ви маєте бути користувачем, щоб залишити коментар

Створити акаунт

Зареєструйтеся для отримання акаунта. Це просто!

Зареєструвати акаунт

Увійти

Вже зареєстровані? Увійдіть тут.

Увійти зараз
×
×
  • Створити...