Перейти до публікації
Пошук в
  • Додатково...
Шукати результати, які містять...
Шукати результати в...

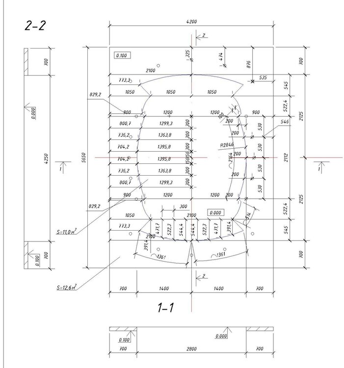
Посмотрите пожалуйста мой чертеж г/к потолка.

АннаТ

Рекомендовані повідомлення

Чего не хватает? Что лишнее? Прошу указать на ошибки? Правильный ли отступ от основного потолка. Спасибо:)

950152451_1-Model.thumb.jpg.25a9d2b7f3b5a9a7818bfc2547479d14.jpg

860180436_1-Model.thumb.jpg.8edec916dacf00172f030279d82c017e.jpg

Посилання на коментар
Поділитися на інших сайтах

Створіть акаунт або увійдіть у нього для коментування

Ви маєте бути користувачем, щоб залишити коментар

Створити акаунт

Зареєструйтеся для отримання акаунта. Це просто!

Зареєструвати акаунт

Увійти

Вже зареєстровані? Увійдіть тут.

Увійти зараз
×
×
  • Створити...