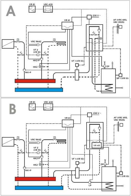
Sharkan Опубліковано: 11 листопада 2013 Поділитись Опубліковано: 11 листопада 2013 Вот ищу вопрос на ответ - в каких случаях куда подключается бойлер... Речи идет о "паре", котел Vaillant atmoTEC plus VU INT 240/3-5 с бойлером косвенного нагрева R150. В мануалах вайлянтовских есть разные варианты подключения. Как пример я привел два вариант (см. рис.): А и В. В Варианте А косвенник подключен к котлу через трехходовой клапан, в принципе стандартное решение. В Варианте В - к распределительному коллектору (гребенке) и установлен дополнительный насос LP (а что тогда с трехходовым, блокируется ?). Вопрос: в каком случае какая схема используется ? Тоесть от чего зависит куда бойлер подключать (площадь обогрева, тип котла, труб...) ? У меня дом прибл. 145 квадратов с 42-мя м.кв. ТП (четыре контура) и тремя точками отбора горячей воды. Пробую теоретически спроектировать топочную (прошу не ругать сильно, ибо я не профи ) - и вот столкнулся с таким вопросом... Проконсультируйте пожалуйста, господа теплотехники Посилання на коментар Поділитися на інших сайтах More sharing options...
bgt Опубліковано: 11 листопада 2013 Поділитись Опубліковано: 11 листопада 2013 Вот ищу вопрос на ответ - в каких случаях куда подключается бойлер... Речи идет о "паре", котел Vaillant atmoTEC plus VU INT 240/3-5 с бойлером косвенного нагрева R150. В мануалах вайлянтовских есть разные варианты подключения. Как пример я привел два вариант (см. рис.): А и В. В Варианте А косвенник подключен к котлу через трехходовой клапан, в принципе стандартное решение. В Варианте В - к распределительному коллектору (гребенке) и установлен дополнительный насос LP (а что тогда с трехходовым, блокируется ?). Вопрос: в каком случае какая схема используется ? Тоесть от чего зависит куда бойлер подключать (площадь обогрева, тип котла, труб...) ? У меня дом прибл. 145 квадратов с 42-мя м.кв. ТП (четыре контура) и тремя точками отбора горячей воды. Пробую теоретически спроектировать топочную (прошу не ругать сильно, ибо я не профи ) - и вот столкнулся с таким вопросом... Проконсультируйте пожалуйста, господа теплотехники Можно и так и так. Зависит от гидравлической схемы. По схеме 1 все работает через датчик температуры бойлера. По схеме 2 Датчик бойлера + модуль вр 61 (150 евро) . По первой схеме вы не гоняете зря теплоноситель через ГС а сразу с котла на змеевик бойлера... 1 Посилання на коментар Поділитися на інших сайтах More sharing options...
Sharkan Опубліковано: 11 листопада 2013 Автор Поділитись Опубліковано: 11 листопада 2013 Можно и так и так. Зависит от гидравлической схемы. По схеме 1 все работает через датчик температуры бойлера. По схеме 2 Датчик бойлера + модуль вр 61 (150 евро) . По первой схеме вы не гоняете зря теплоноситель через ГС а сразу с котла на змеевик бойлера... Модуль ВР 61 есть смысл ставить в любом случае, он в паре с погодозависимым регулятором управляет также теплыми полами (через клапан на гребенке). А какая гидравлическая схема предпочтительней для домика до 150 квадратов на 4-х человек с 4-мя контурами ТП и 3-мя точками водоотбора: вариант А или В ? Кстати, специалисты говорят что гидрострелку не нужно на такие площади использовать. Тоесть на рисунке прошу ею пренебречь. И еще вопрос. Если бойлер напрямую подключен к котлу, то какое максимальное расстояние от бойлера к котлу допускается (есть идея ставить бойлер не под самим котлом, а в стороне) ? Посилання на коментар Поділитися на інших сайтах More sharing options...
bgt Опубліковано: 11 листопада 2013 Поділитись Опубліковано: 11 листопада 2013 Модуль ВР 61 есть смысл ставить в любом случае, он в паре с погодозависимым регулятором управляет также теплыми полами (через клапан на гребенке). А какая гидравлическая схема предпочтительней для домика до 150 квадратов на 4-х человек с 4-мя контурами ТП и 3-мя точками водоотбора: вариант А или В ? И еще вопрос. Если бойлер напрямую подключен к котлу, то каое максимальное расстояние от бойлера к котлу допускается (есть идея ставить бойлер не под самим котлом, а в стороне) ? ВР61 нужен для управления ТП через привод смесителя и датчика подающей линии. Мне вторая схема больше нравиться, есть возможность управлять приоритетами по контурам. Но она дороже в монтаже (один доп насос). По первой схеме бойлер можно поставить в стороне до 10 м ) и магистраль не менее 3/4". 1 Посилання на коментар Поділитися на інших сайтах More sharing options...
Sharkan Опубліковано: 11 листопада 2013 Автор Поділитись Опубліковано: 11 листопада 2013 ВР61 нужен для управления ТП через привод смесителя и датчика подающей линии. Мне вторая схема больше нравиться, есть возможность управлять приоритетами по контурам. Но она дороже в монтаже (один доп насос). По первой схеме бойлер можно поставить в стороне до 10 м ) и магистраль не менее 3/4". Да, вторая схема дороже будет. Насос прибл. 500 гр. плюс работа по установке. Но не катастрофически дорого. Если бойлер можно до 10-ти метров в стороне ставить, то это очень хорошо . Под управлением приоритетами по контурам пониматеся что можно и приоритетным отопление сделать, а не только ГВС как в случае с трехходовым клапаном ? Посилання на коментар Поділитися на інших сайтах More sharing options...
bgt Опубліковано: 11 листопада 2013 Поділитись Опубліковано: 11 листопада 2013 Под управлением приоритетами по контурам пониматеся что можно и приоритетным отопление сделать, а не только ГВС как в случае с трехходовым клапаном ? По приоритету - да. Можно ГВС в приоритете оставить, можно убрать приоритет по контурам... Посилання на коментар Поділитися на інших сайтах More sharing options...
Sharkan Опубліковано: 11 листопада 2013 Автор Поділитись Опубліковано: 11 листопада 2013 По приоритету - да. Можно ГВС в приоритете оставить, можно убрать приоритет по контурам... Ну, вроде бы все понятно Теперь осталось выбрать гидравлическую схему и определится с системой отопления (двухтрубная или лучевая). Но это уже вопрос другого топика. Я так понимаю по экономичности в процессе эксплуатации разницы не будет, подключен ли бойлер к котлу напрямую или к гребенке (коллектору). Кстати, еще экономия при подключении бойлера напрямую. Модуль ВР40 тогда тоже не нужно доустанавливать (покупать). ;) Посилання на коментар Поділитися на інших сайтах More sharing options...
Рекомендовані повідомлення
Створіть акаунт або увійдіть у нього для коментування
Ви маєте бути користувачем, щоб залишити коментар
Створити акаунт
Зареєструйтеся для отримання акаунта. Це просто!
Зареєструвати акаунтУвійти
Вже зареєстровані? Увійдіть тут.
Увійти зараз