oldic Опубліковано: 31 грудня 2013 Поділитись Опубліковано: 31 грудня 2013 А вот тут пожалуйста по подробнее. . . Вот в соседней ветке: "Что для меня вменяемая цена - это 650-700грн/т, как в регионах" Я имею возможность покупать по регулярной цене 360 грн/т. (180 грн./м.куб.) В этом году вообще не покупал, сухостоя вокруг достаточно. Что именно подробнее? Расклад дрова против пеллет? Посилання на коментар Поділитися на інших сайтах More sharing options...
Crazy Опубліковано: 31 грудня 2013 Поділитись Опубліковано: 31 грудня 2013 От конструкции котла зависит. Интересно глянуть на котел, где пеллетная горелка не будет мешать бросать дрова Посилання на коментар Поділитися на інших сайтах More sharing options...
oldic Опубліковано: 31 грудня 2013 Поділитись Опубліковано: 31 грудня 2013 Интересно глянуть на котел, где пеллетная горелка не будет мешать бросать дрова наверно здесь не сильно будут мешать www.sas-kotel.com.ua/produktsiya/kotjol-sas-eco вот здесь www.defro.in.ua/UA/DUO_UNI.html она в самом низу, дровам мешать не будет, разве что пепел будет на ней и почаще придется чистить. 1 Посилання на коментар Поділитися на інших сайтах More sharing options...
glory24 Опубліковано: 31 грудня 2013 Поділитись Опубліковано: 31 грудня 2013 такое есть в природе. Ссылочку пожалуйста. . . Добавлено через 16 минут Что именно подробнее? Расклад дрова против пеллет? Так вот же в сообщении №46 "Кроме того, пеллетами топить дешевле, чем дровами." Вот я и пытаюсь узнать: где же это "Дешевле" когда дрова по регулярной цене 360 грн/т. (180 грн./м.куб.), а пеллеты 650-700грн/т? Где жы пеллеты дешевле дров? Посилання на коментар Поділитися на інших сайтах More sharing options...
Сергей 31 Опубліковано: 31 грудня 2013 Поділитись Опубліковано: 31 грудня 2013 когда дрова по регулярной цене 360 грн/т. (180 грн./м.куб.), а пеллеты 650-700грн/т? А где такие цены? Посилання на коментар Поділитися на інших сайтах More sharing options...
oldic Опубліковано: 31 грудня 2013 Поділитись Опубліковано: 31 грудня 2013 Ссылочку пожалуйста. . . Добавлено через 16 минут Так вот же в сообщении №46 "Кроме того, пеллетами топить дешевле, чем дровами." Вот я и пытаюсь узнать: где же это "Дешевле" когда дрова по регулярной цене 360 грн/т. (180 грн./м.куб.), а пеллеты 650-700грн/т? Где жы пеллеты дешевле дров? №46 не мой пост. Мой номер 47. Дрова естественно дешевле но не так чтобы уж прям сильно с учетом их заготовки и т.д. Хотя все относительно. Всех с наступающим новым годом! Посилання на коментар Поділитися на інших сайтах More sharing options...
Diver Опубліковано: 31 грудня 2013 Автор Поділитись Опубліковано: 31 грудня 2013 Ссылочку пожалуйста. . . www.stroimdom.com.ua/forum/showthread.php?t=143029 www.goandsee.ru/content/54/article/kotel-s-vta-zvukovaja-signalizacija www.goandsee.ru/content/66/article/upravlenie-otopleniem-moja-programma-dlja-nm8036 www.goandsee.ru/content/58/article/upravlenie-otopleniem-chastnogo-doma-sborka-bloka www.goandsee.ru/_files/8036.pdf Посилання на коментар Поділитися на інших сайтах More sharing options...
glory24 Опубліковано: 1 січня 2014 Поділитись Опубліковано: 1 січня 2014 №46 не мой пост. Мой номер 47. Дрова естественно дешевле но не так чтобы уж прям сильно с учетом их заготовки и т.д. Хотя все относительно. Ну в общем да, дешевле не намного - всего в два раза. Это если покупать. Посилання на коментар Поділитися на інших сайтах More sharing options...
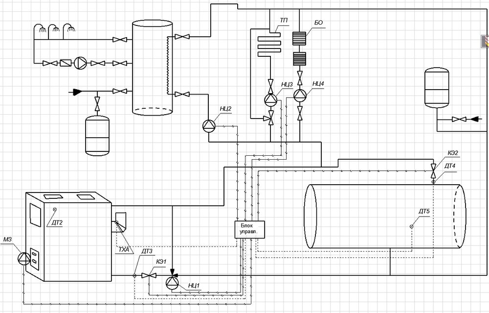
glory24 Опубліковано: 3 січня 2014 Поділитись Опубліковано: 3 січня 2014 Спасибо Diverу за ссылки! www.stroimdom.com.ua/forum/showthread.php?t=143029 + возможность удаленного контроля и управления. - контроль только одной зоны и, соответственно, управление только ею (мне, например, нужно контролировать 5 зон и соответственно 5-ю управлять). - невозможность модификации и расширения возможностей устройства (я свою систему за 3 года раз 6 модифицировал). - слабая информативность, того, что в данный момент происходит в системе отопления (по крайней мере в моем случае). Удачным, на мой взгляд, является KOMPUTERM Q3 для управления температур по комнатам. Я пользуюсь подобными. www.goandsee.ru/content/54/article/kotel-s-vta-zvukovaja-signalizacija Что касается этой ссылки то автор для контроля процесса уже использовал, на мой взгляд, более правильное устройство, а именно «NM8036», но почему то в качестве исполнительного использовал такое мощное многофункциональное устройство как человек, хотя вполне мог обойтись кранами с электроприводом (я себе такие поставил). - не реализована возможность удаленного контроля и управления. + возможность контроля нескольких зон и, соответственно, управление ими (мне, например, нужно контролировать 5 зон и соответственно 5-ю управлять). - слабая возможность модификации и расширения возможностей устройства (слабая информативность дисплея, связь с компьютером по COM-порт). - слабая информативность, того, что в данный момент происходит в системе отопления. www.goandsee.ru/content/66/article/upravlenie-otopleniem-moja-programma-dlja-nm8036 Вот тут уже есть программный интерфейс, что позволяет не бегать к котлу, а контролировать и управлять работой системы отопления удаленно, а в случае крайней необходимости также удаленно повлиять на ее работу. + возможность контроля нескольких зон и, соответственно, управление ими. + реализована возможность удаленного контроля и управления. - слабая возможность модификации и расширения возможностей устройства (слабая информативность дисплея, связь с компьютером по COM-порт). - слабая информативность, того, что в данный момент происходит в системе отопления. www.goandsee.ru/content/58/article/upravlenie-otopleniem-chastnogo-doma-sborka-bloka И в этой ссылке те же недостатки - слабая возможность модификации и расширения возможностей устройства (слабая информативность дисплея, связь с компьютером по COM-порт). - слабая информативность, того, что в данный момент происходит в системе отопления. - Мне, например, нужно контролировать 5 зон а «NM8036» может вывести на монитор только 4. - Связь с компьютером по COM-порту ограничивает расположение компьютера по отношению к «NM8036» (нет ethernet интерфейса). - Нет возможности изменить прошивку. www.goandsee.ru/_files/8036.pdf Очень сложное и малопонятное описание с массой ненужных предустановленных функций. А есть еще варианты? У меня у самого пока так как на второй картинке реализовано. Все работает. Недостатки те же: необходимость бегать к котлу для контроля его работы, невозможность удаленного управления процессом, сложная воспроизводимость и корректировка автоматики управления. Зато прекрасная информативность того, что в данный момент происходит в системе отопления. Посилання на коментар Поділитися на інших сайтах More sharing options...
Kerlod Опубліковано: 13 січня 2014 Поділитись Опубліковано: 13 січня 2014 По-моему название этой темы подходит к теме моей просьбы... Скиньте, пожалуйста, фотки лопнувшей передней секции котла Viadrus, и чем больше тем лучше. Заранее благодарен. Посилання на коментар Поділитися на інших сайтах More sharing options...
Рекомендовані повідомлення
Створіть акаунт або увійдіть у нього для коментування
Ви маєте бути користувачем, щоб залишити коментар
Створити акаунт
Зареєструйтеся для отримання акаунта. Це просто!
Зареєструвати акаунтУвійти
Вже зареєстровані? Увійдіть тут.
Увійти зараз