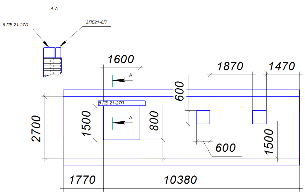
plywoods Опубліковано: 16 червня 2014 Поділитись Опубліковано: 16 червня 2014 Ситуация следующая: 2-х этажный дом 10*11 из кирпича (полуторная кладка). Между 1-м и 2-м этажом, планируется армопояс. высотой 30 см. Сверху пояса, плиты перекрытия, и еще 1-н этаж из кирпича. Стоит вопрос о покупке ЖБ перемычек для окон 1-го этажа. Понятно, что все это дело рассчитвывает конструктор — в смысле, нагрузку на перемычку от кирпичной кладки сверху, от пояса и плит перекрытий. Но как ни рассчитывай и не крути, в прайсе завода ЖБК, выбор не велик. Оконный проем - длинной 1600мм. Единственная перемычка, которая подходит из прайса это 5 ПБ 21-27П + 3ПБ21-8П , т.е. 2 штуки на один оконный проем. Длинна 2070 мм — 1600 мм = 470 мм / 2 = 235мм - опирание на кирпичную кладку. Одна может нести нагрузку 2800 кгс/мп, вторая 800. А хватит ли этого, чтобы выдержать все, что будет нагружено сверху. Т.е. армопояс, плиты и кирпич!? Выше перемычки будет 2-3 ряда кирпичной кладки, и армопояс. Кто имел дело с перемычками, подскажите пожалуйста. Посилання на коментар Поділитися на інших сайтах More sharing options...
plywoods Опубліковано: 16 червня 2014 Автор Поділитись Опубліковано: 16 червня 2014 Вот более наглядно. Посилання на коментар Поділитися на інших сайтах More sharing options...
plywoods Опубліковано: 16 червня 2014 Автор Поділитись Опубліковано: 16 червня 2014 Я так понимаю, что эти же перемычки используются в высотных многоквартирных домах...и там ведь по-идее на перемычку 1-го этажа будет давить куда более чем 2700 +800 кгс. !? Например для оконного проема шириной 600 мм подходит лишь 2 ПБ 10-1П и таких будет 3 штуки. т.е в сумме 300 ксг - максимальное давление которое они могут выдержать. Без расчетов понятно, что погонный метр стены (вертикально), который будет находиться выше окна в сумме даст большую нагрузку. Посилання на коментар Поділитися на інших сайтах More sharing options...
Игореха Опубліковано: 16 червня 2014 Поділитись Опубліковано: 16 червня 2014 Даже не задумывайтесь Берите и монтируйте. Тем более, что сверху будет армопояс. Кстати, высоту а/п по-меньше берите. Не 300, а 220мм. Меньше бетона в стене - теплее кладка. Ну и 220 - за глаза по всем расчетам для такого дома. Вся фишка в том, что стена выше перемычки, это не стопка кирпичей, сложенных друг на друга, без раствора. Масса верхних конструкций перераспределяется перевязкой кладки, перемычкой и армопоясом на стены, обрамляющие проем. 1 Посилання на коментар Поділитися на інших сайтах More sharing options...
sashkaa Опубліковано: 16 червня 2014 Поділитись Опубліковано: 16 червня 2014 перемычек хватит. Монолитный пояс из жб в доме с несущими кирп. стенами под плитами перекрытия я бы не делал совсем. В случае с кирпичем под плитами 3 ряда из полнотелого и плиты сразу на кирпич. Монолитный имеет смысл если конструктивно под перекрытием получается много балок по планировкам. Под крышей в зависимости от констр. крыши Посилання на коментар Поділитися на інших сайтах More sharing options...
plywoods Опубліковано: 16 червня 2014 Автор Поділитись Опубліковано: 16 червня 2014 Вся фишка в том, что стена выше перемычки, это не стопка кирпичей, сложенных друг на друга, без раствора. А у меня там стены получится всего 2 ряда кирпичей сверху перемычки...и сразу армпояс. Добавлено через 1 минуту Монолитный пояс из жб в доме с несущими кирп. стенами под плитами перекрытия я бы не делал совсем. Почему? В силу того, что кирпич типа М100-150 и его прочности с головой и так? У меня дело в том, что запланирован консольный балкон, который я думал прилить к армопоясу, ну или как вариант кидать какие-то балки под плиты (вылет балкона где-то 70-80 см). Ну а вообще хочу из армопояса сделать боковые выпуски арматуры, и потом залить балкон. Просто чтобы потом такого не было (ссылка на изображение устарела) ужас Посилання на коментар Поділитися на інших сайтах More sharing options...
Игореха Опубліковано: 16 червня 2014 Поділитись Опубліковано: 16 червня 2014 А у меня там стены получится всего 2 ряда кирпичей сверху перемычки...и сразу армпояс. Уговорили. ))) Добавьте 40кг/м.п. "нераспределенной" нагрузки ))) Добавлено через 2 минуты ужас Это - не ваш случай ;) Посилання на коментар Поділитися на інших сайтах More sharing options...
sashkaa Опубліковано: 16 червня 2014 Поділитись Опубліковано: 16 червня 2014 А у меня там стены получится всего 2 ряда кирпичей сверху перемычки...и сразу армпояс. Добавлено через 1 минуту Почему? В силу того, что кирпич типа М100-150 и его прочности с головой и так? У меня дело в том, что запланирован консольный балкон, который я думал прилить к армопоясу, ну или как вариант кидать какие-то балки под плиты (вылет балкона где-то 70-80 см). Ну а вообще хочу из армопояса сделать боковые выпуски арматуры, и потом залить балкон. Просто чтобы потом такого не было (ссылка на изображение устарела) ужас Да выше марка, лучше кладка работает на смятие. При маленьких пролетах не вопрос и плиты опирать сразу на газоблок, если по расчету все пройдет. Но мало кто делает пролеты, которые позволят опирать плиты сразу на газоблок. По поводу балкона. По опыту лейте одновременно с поясом. решить вопрос промерзания. Да и в опоре будет жесткий узел. Проверить хватит ли сечения пояса для восприятия усилий. Посилання на коментар Поділитися на інших сайтах More sharing options...
plywoods Опубліковано: 16 червня 2014 Автор Поділитись Опубліковано: 16 червня 2014 Это - не ваш случай Ну спасибо, успокоили Посилання на коментар Поділитися на інших сайтах More sharing options...
Рекомендовані повідомлення
Створіть акаунт або увійдіть у нього для коментування
Ви маєте бути користувачем, щоб залишити коментар
Створити акаунт
Зареєструйтеся для отримання акаунта. Це просто!
Зареєструвати акаунтУвійти
Вже зареєстровані? Увійдіть тут.
Увійти зараз