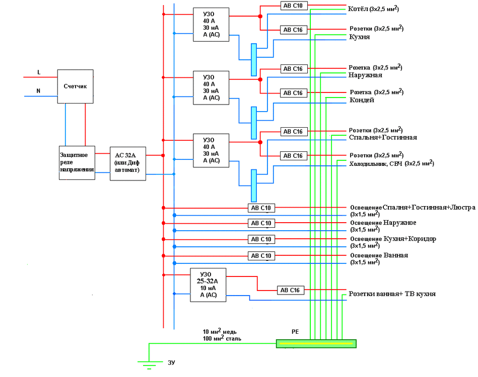
PPA Опубліковано: 15 жовтня 2009 Поділитись Опубліковано: 15 жовтня 2009 Добрый день! я буду неоригинален, но нужна Ваша консультация. Итак по схеме: я взял стандартную схему(гдето здесь на форуме) и не много её подкорректировал под себя, всё ли правильно? вопрос возник сразу после похода по магазинам, итак какое УЗО поставить мне на ванную? 0,01 нашёл токо на 16А в принципе мне его хватит, но автомата каким его защитить нет(10А мне не хавтит, так как в ванной нагрузка фен+стиралка) брать тогда на 0,03?? Второй вопрос: поставить ли после реле пернапряжения просто 2-полюсный автомат или всё таки диф автомат? Щит я взял Хагер Вольта на 36 модулей. Может ктото поможет взять в Киеве по хорошей цене и хорошего качества всю автоматику? заране благодарен ПС. если важно, то электрику я веду с первого этажа, от другого счётчика а себе ставлю только ради контроля потребления Посилання на коментар Поділитися на інших сайтах More sharing options...
Danshow Опубліковано: 15 жовтня 2009 Поділитись Опубліковано: 15 жовтня 2009 итак какое УЗО поставить мне на ванную? 0,01 нашёл токо на 16А в принципе мне его хватит, но автомата каким его защитить нет(10А мне не хавтит, так как в ванной нагрузка фен+стиралка) брать тогда на 0,03?? Я брал на 0.03. В качестве дорогого варианта можно кинуть на ванну две ветки по 10А/0.01. 2 Посилання на коментар Поділитися на інших сайтах More sharing options...
Konstruktor Опубліковано: 17 жовтня 2009 Поділитись Опубліковано: 17 жовтня 2009 Можно поискать диф автомат, вместо узо и автомата. Вообще то применяя УЗО и автомат вы заведомо увеличиваете размер щитка. По-моему лучше брать диф. автомат, но не АСКО или ИЭК, а какието более надежные изделия. Насчет диф или просто двухполюсник, как говорят маслом кашу не испортишь, но если ставить то на 100мА. Можно организовать скидку до 15%. напишите что нужно или можно ориентироваться на приведенную выше схему. Посилання на коментар Поділитися на інших сайтах More sharing options...
Fly Wind Опубліковано: 17 жовтня 2009 Поділитись Опубліковано: 17 жовтня 2009 а чего нет автомата защитить узо 16а? сори не понял пс-под заказ купил 25а дифавтомат 0,01 мюллер Посилання на коментар Поділитися на інших сайтах More sharing options...
PPA Опубліковано: 19 жовтня 2009 Автор Поділитись Опубліковано: 19 жовтня 2009 Можно организовать скидку до 15%. напишите что нужно или можно ориентироваться на приведенную выше схему. да можно ориентироваться по схеме Посилання на коментар Поділитися на інших сайтах More sharing options...
PPA Опубліковано: 19 жовтня 2009 Автор Поділитись Опубліковано: 19 жовтня 2009 а чего нет автомата защитить узо 16а? сори не понял пс-под заказ купил 25а дифавтомат 0,01 мюллер я имел в виду, если ставить раздельно автомат и узо если на 16А то автомат на 10А, а 10А мне не хвататет дифавтомат-это вариант,возможно действительно так и поступлю. спс! Посилання на коментар Поділитися на інших сайтах More sharing options...
Konstruktor Опубліковано: 20 жовтня 2009 Поділитись Опубліковано: 20 жовтня 2009 (змінено) посчитал, цена в личке, посчитано на шнайдере, если что можно прикинуть на мёлере, будет немного дешевле. Если заказ подтвердите окончательную цену на комплектующие дам на текущий день,так как у них прайсовые цены в евро и при подаче заказа цена может меняться. А если заказ(бронь) есть, то цена остается 3 дня неизменная Змінено 20 жовтня 2009 користувачем Konstruktor Посилання на коментар Поділитися на інших сайтах More sharing options...
Рекомендовані повідомлення
Створіть акаунт або увійдіть у нього для коментування
Ви маєте бути користувачем, щоб залишити коментар
Створити акаунт
Зареєструйтеся для отримання акаунта. Це просто!
Зареєструвати акаунтУвійти
Вже зареєстровані? Увійдіть тут.
Увійти зараз