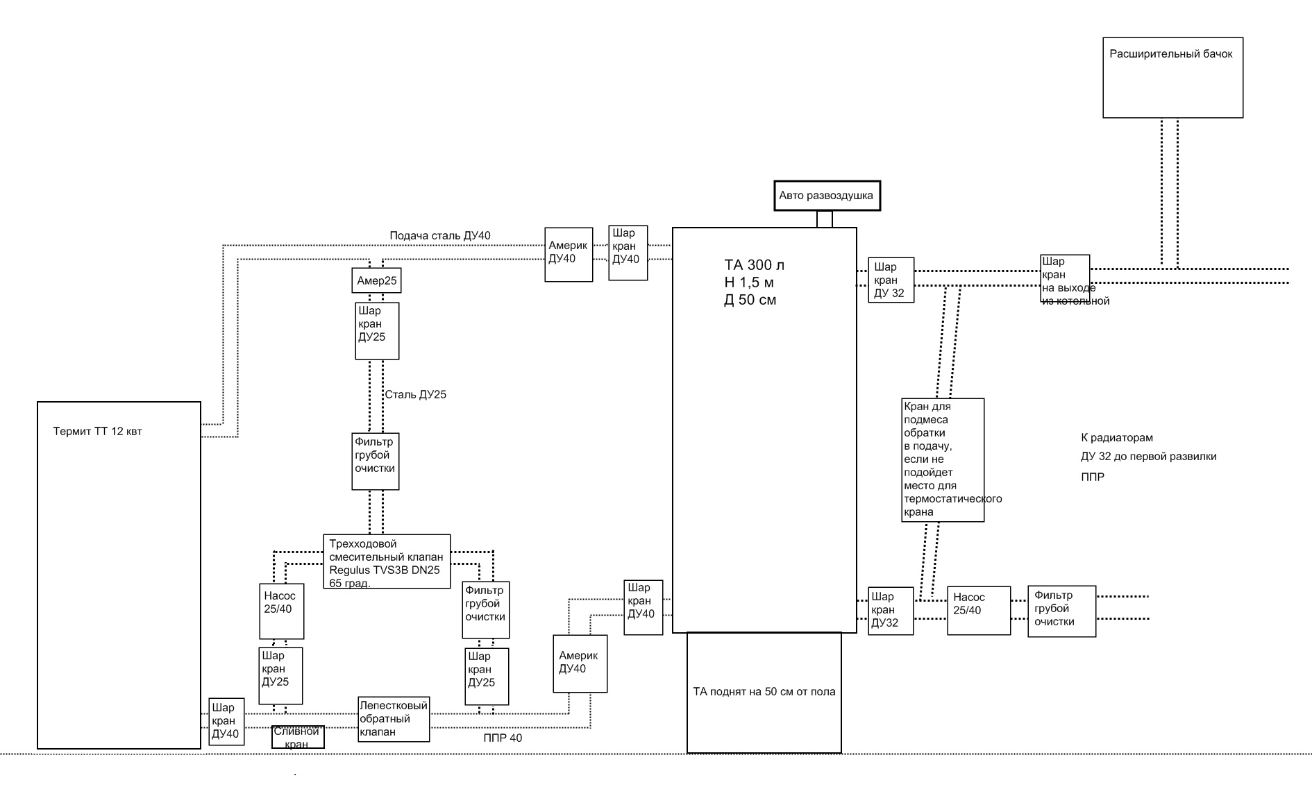
b0risfen Опубліковано: 12 червня 2019 Автор Поділитись Опубліковано: 12 червня 2019 Перерисовал схему под себя. Что еще можно улучшить - что лишнее Посилання на коментар Поділитися на інших сайтах More sharing options...
Сергей 31 Опубліковано: 12 червня 2019 Поділитись Опубліковано: 12 червня 2019 Перерисовал схему под себя. Что еще можно улучшить - что лишнее Не, ну первая схема была намного красивее нарисована. А эта прям, как не сантехник рисовал. В техническом плане все правильно. (после бака насос перенесите на подачу) 1 Посилання на коментар Поділитися на інших сайтах More sharing options...
b0risfen Опубліковано: 12 червня 2019 Автор Поділитись Опубліковано: 12 червня 2019 Не, ну первая схема была намного красивее нарисована. А эта прям, как не сантехник рисовал. В техническом плане все правильно. (после бака насос перенесите на подачу) Эту уже я в пейнте рисовал По насосу спасибо По диаметрам труб нестыковки нет? Достаточно будет? Посилання на коментар Поділитися на інших сайтах More sharing options...
Сергей 31 Опубліковано: 12 червня 2019 Поділитись Опубліковано: 12 червня 2019 По диаметрам труб нестыковки нет? Достаточно будет? Нормально. 1 Посилання на коментар Поділитися на інших сайтах More sharing options...
Рекомендовані повідомлення
Створіть акаунт або увійдіть у нього для коментування
Ви маєте бути користувачем, щоб залишити коментар
Створити акаунт
Зареєструйтеся для отримання акаунта. Це просто!
Зареєструвати акаунтУвійти
Вже зареєстровані? Увійдіть тут.
Увійти зараз