Crazy Опубліковано: 31 липня 2024 Поділитись Опубліковано: 31 липня 2024 (змінено) В 30.07.2024 в 15:18, Crazy сказал: У Must знайшов нові цікаві інвертори MUST PH1100 pro - вага 22 кг - тут. Побачив там ціна за 10 штук 😦 Шкода, де взяти бажаючих на 10 штук? Must вже зараз можна купити в Україні, трохи дорожче : Спойлер Такі на алібаба можно і поштучно купити: Спойлер І два за 750. Змінено 31 липня 2024 користувачем Crazy Добавка Посилання на коментар Поділитися на інших сайтах More sharing options...
Allegro Опубліковано: 2 серпня 2024 Автор Поділитись Опубліковано: 2 серпня 2024 31.07.2024 в 12:49, Crazy сказав: Побачив там ціна за 10 штук 😦 Шкода, де взяти бажаючих на 10 штук? Must вже зараз можна купити в Україні, трохи дорожче : Показати вміст Такі на алібаба можно і поштучно купити: Показати вміст І два за 750. Трохи не так. ціна 600 за кожен при замовленні від 10 штук Посилання на коментар Поділитися на інших сайтах More sharing options...
lafaet Опубліковано: 6 серпня 2024 Поділитись Опубліковано: 6 серпня 2024 В 22.07.2024 в 13:31, rommisch сказал: Growatt SPH6000 - працює 2 рокі. Є глюкі заряду від мережі коли вночі зникає а тоді з'являється світло. дякую вам за відповідь в іншій темі а підкажіть, будь ласка, що то за специфічні умови коли виникають глюки з зарядкою пробували його підключати до розумного будинку? що можна налаштовувати через віфі? Посилання на коментар Поділитися на інших сайтах More sharing options...
rommisch Опубліковано: 7 серпня 2024 Поділитись Опубліковано: 7 серпня 2024 23 часа назад, lafaet сказал: дякую вам за відповідь в іншій темі а підкажіть, будь ласка, що то за специфічні умови коли виникають глюки з зарядкою пробували його підключати до розумного будинку? що можна налаштовувати через віфі? До розумного будинку - ні бо не маю такого да і не бачу сенсу. Віфі - майже все те саме шо і через стандартне меню (хіба шо додаткові години/інтервали заряду/розряду). Ну і плюс доступ з сайту/приложухі подивитися статистику різну. Стосовно глюка: якщо мережа є постійно то інвертер переходить на зарядку від мережі в залежності від розкладу - все працює супер. Але якщо мережа пропала і з'явилася коли вже нема генерації від сонця то починаються дива: якщо current SOC > discharge level SOC то все гуд. Інвертор і далі буде розряджати батарею до discharge SOC або то того моменту коли повинна початися зарядка від мережі. Але якщо зявилася мережа і current SOC < discharge level SOC то тоді вже все - зарядка від мережі працювати не буде покі не зявится генерація від сонця. Або якшо примусово не виставити discharge level SOC <= current SOC -1% (мінімум 1). Дати інвертору розрядити батарею до цього рівня і тоді пійде зарядка від мережі. Супорт дивився на інвертор/батарею. Намагалися там шось міняти в прошивці. Після цього визнали шо то такі баг прошивкі. Я їм розписав всі алгоритми як то працює і як повинно працювати. Навіть розумію чого воно так відбувається... але ж ісходнікі прошивкі ніхто не дає. А так би поправив Я не знаю чи є така бага в інших серіях іх інверторів, але на форумах коли то все дивився знаходив паро людей ці схожими симпотомами. 1 Посилання на коментар Поділитися на інших сайтах More sharing options...
ho4u_pizzu Опубліковано: 12 жовтня 2024 Поділитись Опубліковано: 12 жовтня 2024 22.07.2024 в 19:52, Allegro сказав: Звісно я шукав, але про гібриди гроватт немає майже інформації, крім витоку менюалу з сайту powrmr. SPF 6000 наче ж оффгрід, а не гібрид 1 1 Посилання на коментар Поділитися на інших сайтах More sharing options...
Allegro Опубліковано: 16 жовтня 2024 Автор Поділитись Опубліковано: 16 жовтня 2024 Так, я вже пізніше розібрався 1 Посилання на коментар Поділитися на інших сайтах More sharing options...
Bereka Опубліковано: 1 січня 2025 Поділитись Опубліковано: 1 січня 2025 В 24.07.2024 в 23:32, vitaliy17 сказал: Так ви інфу на українській шукаєте, а потрібно на англійській. Йдете на diysolarforum і читаєте. 😉 ИНСТРУКЦИЯ ПОЛЬЗОВАТЕЛЯ Growatt 6000.pdf Посилання на коментар Поділитися на інших сайтах More sharing options...
Bereka Опубліковано: 1 січня 2025 Поділитись Опубліковано: 1 січня 2025 В 29.07.2024 в 14:17, Crazy сказал: SPF 6000 та SPH6000 ИНСТРУКЦИЯ ПОЛЬЗОВАТЕЛЯ Growatt 6000.pdf Посилання на коментар Поділитися на інших сайтах More sharing options...
Asot Опубліковано: 5 січня 2025 Поділитись Опубліковано: 5 січня 2025 Вечір добрий !Підскажіть ,чи знае хтось щось про таку марку ,чи нормальний ,чи почті vmer ) Посилання на коментар Поділитися на інших сайтах More sharing options...
dneprstab Опубліковано: 21 квітня 2025 Поділитись Опубліковано: 21 квітня 2025 Рjзбирав ремонтував на днях Growatt 3000-кому цікаво що стоїть всередені апарату 3 Посилання на коментар Поділитися на інших сайтах More sharing options...
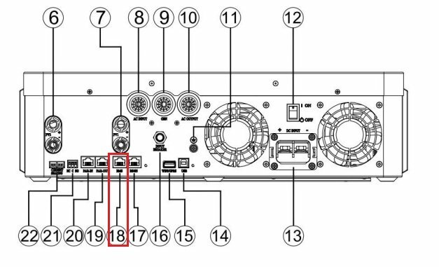
avleutskiy Опубліковано: 31 жовтня 2025 Поділитись Опубліковано: 31 жовтня 2025 Вітаю, шановні форумчани! Мабуть для багатьох просте запитання, стосовно мережевої комунікації інвертору Growatt 6 кВт SPF6000 ES + та BMS JK-B1A20S15P (яка керує 16 од. LiFEPO EVE 105Ah). Я вже 2 дні як не "розплутаюсь" у трьох соснах.)) Підкажіть, але строго, будь ласка, не судіть: 1. Який перехідник або схема кабелю потрібна для з'єднання комунікаційного порту 18 на інверторі (фізично на базі RJ45) та до якого порту під`єднуватись до bms (can/RS-485 або GPS, читав десь що в останній). В мене є перехідник як на 2 фото..... Посилання на коментар Поділитися на інших сайтах More sharing options...
Рекомендовані повідомлення
Створіть акаунт або увійдіть у нього для коментування
Ви маєте бути користувачем, щоб залишити коментар
Створити акаунт
Зареєструйтеся для отримання акаунта. Це просто!
Зареєструвати акаунтУвійти
Вже зареєстровані? Увійдіть тут.
Увійти зараз