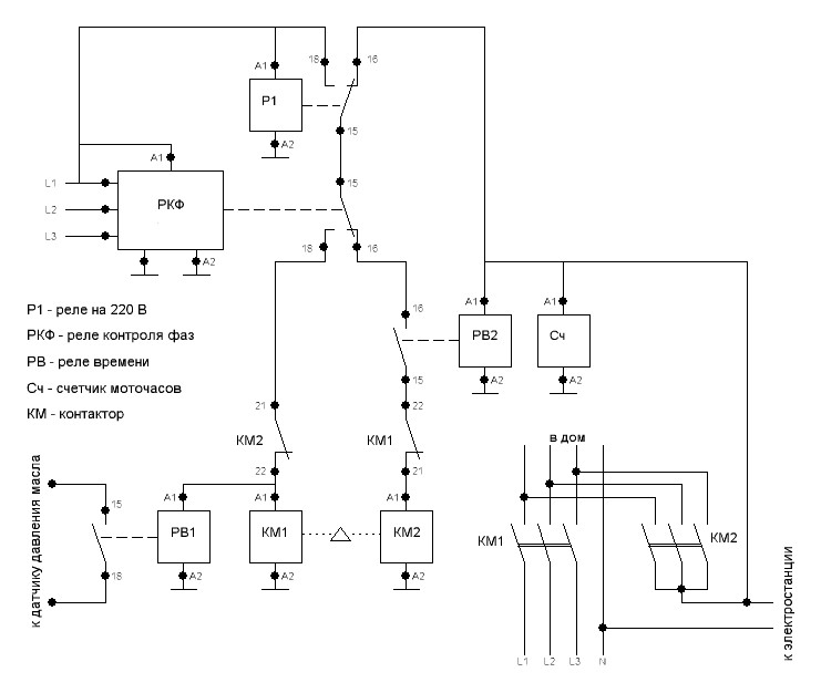
kamioy Опубліковано: 7 січня 2010 Поділитись Опубліковано: 7 січня 2010 (змінено) Выношу на ваш суд или в качестве дележа опытом (кому как ) вариант подключения электростанции. Преамбула. В доме установлен источник бесперебойного питания (ИБП) на 3 кВА (2100 Вт) с аккумуляторами на сутки автономной работы. Он поддерживает работу некоторых розеток и освещения. До недавнего времени успешно справлялся. Но перед Новым годом у нас начались длительные пропадания электроэнергии и пришлось приобретать генератор. Мой выбор пал в сторону дизель-генератора Kipor (Китай) с электрическим запуском. Генератор выбрал однофазный мощностью 4,5 кВт. Однофазный - неспроста. Дело в том, что в доме нет ни одного трехфазного оборудования (три фазы к дому подведены и распределены примерно поровну), а трехфазные генераторы не терпят так называемого "перекоса фаз" или попросту неравномерной загрузки. Вернее, терпят до 20%, но не более. Поэтому и купил однофазный. В будущем я планирую его полностью автоматизировать, а сейчас задача стояла максимально быстро интегрировать его в существующую электросхему дома. Теперь амбула. Во-первых, генератор требует прогрева без нагрузки в течение 3-минут, как написано в документации. Во-вторых, по окончании работы необходимо дать плавно остыть генератору - перед выключением дать поработать без нагрузки 5 минут. Все это реализовано в схеме, которая приведена ниже: Схема работает следующим образом. Контакторы КМ1 и КМ2 имеют взаимную механическую и электрическую блокировки, исключающие одновременное срабатывание.Когда присутствует напряжение в сети, срабатывают контакты реле контроля фаз (РКФ на схеме). Также срабатывают контакты реле Р1 и через нормально замкнутые контакты КМ2 напряжение подается на контактор КМ1. Таким образом сетевое напряжение от счетчика электроэнергии (на схеме не указан) поступает в дом (в распредщиток, например). Когда сетевое напряжение пропадает или слишком занижено, РКФ срабатывает, его контакты переключаются. Также переключаются контакты реле Р1. После ручного запуска генератора начинает отсчет времени реле времени РВ2. Через 3 минуты его контакты срабатывают и срабатывает контактор КМ2. Дом получает питание от генератора. При возобновлении сетевого напряжения срабатывают контакты РКФ, катушка контактора КМ2 обестачивается, а катушка контактора КМ1 запитывается. КМ1 срабатывает и дом получает питание от сети. Одновременно с этим запускается реле времени РВ1. Через пять минут его контакты замыкаются и шунтируют датчик давления масла в моторе генератора. Его автоматика срабатывает и останавливает мотор. Все время работы генератора счетчик моточасов (Сч) питается от напряжения генератора и отображает время общей работы - это надо для регламентных работ (замена масла и прочее). На схеме все контакты показаны для случая, когда напряжение везде отсутствует. В моем случае я не использовал реле Р1. Вместо него на контакты 15 и А1 реле контроля фаз подается напряжение от ИБП. Внешний вид пока такой: Планирую потом спрятать в щиток, предусмотрев место для будущей автоматики. Змінено 8 січня 2010 користувачем BlackAlex 2 Посилання на коментар Поділитися на інших сайтах More sharing options...
Konstruktor Опубліковано: 8 січня 2010 Поділитись Опубліковано: 8 січня 2010 Что то я не понял сначала Вы пишите "дизель-генератора Kipor (Китай) с электрическим запуском", а потом "После ручного запуска генератора" Подскажите назначение реле Р1 Посилання на коментар Поділитися на інших сайтах More sharing options...
-КУЛИБИН- Опубліковано: 8 січня 2010 Поділитись Опубліковано: 8 січня 2010 Схема работает следующим образом. Контакторы КМ1 и КМ2 имеют взаимную механическую и электрическую блокировки, А как осуществляется взаимная механическая блокировка? Посилання на коментар Поділитися на інших сайтах More sharing options...
Konstruktor Опубліковано: 8 січня 2010 Поділитись Опубліковано: 8 січня 2010 Устройство механической блокировки предотвращает включения одного контактора до отключения другого и наоборот. При быстром переключении реверсивного контактора существует риск межфазного короткого замыкания. Такое возможно в случае, если дуга между размыкающимися контактами одного контактора не успевает погаснуть до включения второго контактора. Для предотвращения подобной ситуации катушки обоих контакторов должны быть обесточены как минимум на 50 мс, а сами контакторы связаны устройством электрической блокировки. Функция механической защиты включается в случае, если к катушке одного из контакторов прикладывается напряжение, в то время как с катушки второго контактора напряжение еще не снято. При включённой функции механической защиты контактор, находящийся в выключенном положении, механически заблокирован и не будет реагировать на преждевременно поступающие сигналы включения до тех пор, пока защита не отключится. Для отключения функции защиты нужно снять напряжение с обоих катушек, а затем подать его на включаемую катушку. Катушки контакторов рассчитаны на продолжительную работу под напряжением в заблокированном состоянии, что исключает повреждение катушки. вот как он выглядит для ИЭК (ссылка устарела) 2 Посилання на коментар Поділитися на інших сайтах More sharing options...
kamioy Опубліковано: 8 січня 2010 Автор Поділитись Опубліковано: 8 січня 2010 Что то я не понял сначала Вы пишите "дизель-генератора Kipor (Китай) с электрическим запуском", а потом "После ручного запуска генератора" Подскажите назначение реле Р1 Я имел в виду, что генератор без автоматики (АВР). Поэтому, когда пропадает сетевое напряжение необходимо самому идти и запускать генератор электростартером. Идея же схемы заключается в том, что после запуска генератора все остальное делает автоматика: прогрев, подключение к дому, переключение на сетевое напряжение (когда оно появится), охлаждение генератора, останов. Реле Р1 подает питание на контакторы КМ1 и КМ2 или от сети, или от генератора. Посилання на коментар Поділитися на інших сайтах More sharing options...
-КУЛИБИН- Опубліковано: 8 січня 2010 Поділитись Опубліковано: 8 січня 2010 Я имел в виду, что генератор без автоматики (АВР). Поэтому, когда пропадает сетевое напряжение необходимо самому идти и запускать генератор электростартером. Идея же схемы заключается в том, что после запуска генератора все остальное делает автоматика: прогрев, подключение к дому, переключение на сетевое напряжение (когда оно появится), охлаждение генератора, останов. Реле Р1 подает питание на контакторы КМ1 и КМ2 или от сети, или от генератора. Непонятно а почему при такой автоматизации если есть стартер нельзя через реле соединить аккумулятор с стартером а при пуске ,цепь размыкается. Посилання на коментар Поділитися на інших сайтах More sharing options...
kamioy Опубліковано: 8 січня 2010 Автор Поділитись Опубліковано: 8 січня 2010 Непонятно а почему при такой автоматизации если есть стартер нельзя через реле соединить аккумулятор с стартером а при пуске ,цепь размыкается. Так просто вряд ли получится. Во-первых, в дизельном двигателе надо выполнить ряд подготовительных процедур: подать топливо в ТНВД (специальный рычажок, автоматически отключаемый при останове), нажать рычаг декомпрессора и только после этого включить стартер. Во-вторых, надо как-то понимать, что двигатель запустился. Проще это судить по появившемуся напряжению. В-третих, надо организовать отказ запуска при неудаче и какое-то количество попыток. Короче, просто так, увы, не получится. На этот случай существуют панели упраления (например, Datakom), но это уже совсем другая история. Я же исполнял, как побыстрее. Посилання на коментар Поділитися на інших сайтах More sharing options...
-КУЛИБИН- Опубліковано: 9 січня 2010 Поділитись Опубліковано: 9 січня 2010 Так просто вряд ли получится. Во-первых, в дизельном двигателе надо выполнить ряд подготовительных процедур: подать топливо в ТНВД (специальный рычажок, автоматически отключаемый при останове), нажать рычаг декомпрессора и только после этого включить стартер. Во-вторых, надо как-то понимать, что двигатель запустился. Проще это судить по появившемуся напряжению. В-третих, надо организовать отказ запуска при неудаче и какое-то количество попыток. Короче, просто так, увы, не получится. На этот случай существуют панели упраления (например, Datakom), но это уже совсем другая история. Я же исполнял, как побыстрее. Я думал Вы себе делали. Если бы себе то я бы конечно добавил. На рычажок подвесил бы катушечку с сердечником (например втягивающее от стартера) а понять что аппарат запустился лучше по по датчику давления масла. Посилання на коментар Поділитися на інших сайтах More sharing options...
kamioy Опубліковано: 9 січня 2010 Автор Поділитись Опубліковано: 9 січня 2010 Я думал Вы себе делали. Если бы себе то я бы конечно добавил. На рычажок подвесил бы катушечку с сердечником (например втягивающее от стартера) а понять что аппарат запустился лучше по по датчику давления масла. В первом посту я написал, что необходимо было срочно подключить генератор у себя дома. Поэтому по быстрому сваял эту схему. Можно было еще проще: использовать переключатель, но тогда возникал вопрос: а как узнать, что свет появился? В будущем я планирую автоматизацию. Только использовать не втягивающее реле, а привод замка багжника (электромагнит с тросиком на выходе) и привод центрального замка. Также продумываю идеологию. Дело в том, что мне не нужен автоматический запуск, когда дома никого нет. И в тоже время, если разрядились аккумуляторы в бесперебойнике, запускать генератор. Посилання на коментар Поділитися на інших сайтах More sharing options...
Konstruktor Опубліковано: 9 січня 2010 Поділитись Опубліковано: 9 січня 2010 Реле Р1 подает питание на контакторы КМ1 и КМ2 или от сети, или от генератора. У Вас реле Р1 и РКФ дублирую друг друга. Питающее напряжение можно было подавать не на т.16 и 18 реле Р1, а сразу на 15. Но Вам виднее Посилання на коментар Поділитися на інших сайтах More sharing options...
kamioy Опубліковано: 9 січня 2010 Автор Поділитись Опубліковано: 9 січня 2010 У Вас реле Р1 и РКФ дублирую друг друга. Питающее напряжение можно было подавать не на т.16 и 18 реле Р1, а сразу на 15. Но Вам виднее Смотрите, когда присутствует сетевое напряжение, реле Р1 активно и его контакты 15 и 18 замкнуты. Кроме этого замкнуты контакты 15 и 18 РКФ. Таким образом катушка контактора КМ1 получает питание. Что произойдет, если реле Р1 нет и пропадет сетевое напряжение? РКФ отключится, замнутся контакты 15 и 16, но катушка контактора КМ2 будет обесточена. В моей оригинальной схеме в качестве напряжения, которое есть всегда использовано напряжение с выхода ИБП. Для общего случая я предложил использовать реле Р1: в обесточенном виде замкнуты контакты 15 и 16, подавая таким образом напряжение с генератора на контактор КМ2. Есть слабое звено в моей схеме. Это то самое реле Р1. Если сетевое напряжение будет прыгать, то реле будет также периодически срабатывать, кратковременно отключая при этом контактор КМ2. Посилання на коментар Поділитися на інших сайтах More sharing options...
Konstruktor Опубліковано: 9 січня 2010 Поділитись Опубліковано: 9 січня 2010 Да она будет обесточена, пока не заведется генератор, не отсчитает время реле выдержки. Потом по цепочке генератор- 15 16 РКФ - 15 16 РВ2 - 21 22 КМ1 получит питание катушка КМ2. Скажите а РКФ имеет перекидной контакт или 2 контакта? Посилання на коментар Поділитися на інших сайтах More sharing options...
kamioy Опубліковано: 9 січня 2010 Автор Поділитись Опубліковано: 9 січня 2010 Да она будет обесточена, пока не заведется генератор, не отсчитает время реле выдержки. Потом по цепочке генератор- 15 16 РКФ - 15 16 РВ2 - 21 22 КМ1 получит питание катушка КМ2. Скажите а РКФ имеет перекидной контакт или 2 контакта? Хм, по схеме же видно, что реле контроля фаз имеет переключающую группу. Посилання на коментар Поділитися на інших сайтах More sharing options...
Рекомендовані повідомлення
Створіть акаунт або увійдіть у нього для коментування
Ви маєте бути користувачем, щоб залишити коментар
Створити акаунт
Зареєструйтеся для отримання акаунта. Це просто!
Зареєструвати акаунтУвійти
Вже зареєстровані? Увійдіть тут.
Увійти зараз