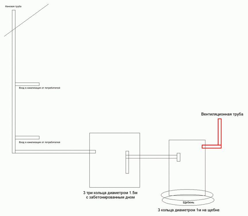
Владимир_V Опубліковано: 5 липня 2010 Поділитись Опубліковано: 5 липня 2010 Сделал вот такой простой септик (на рисунке), подскажите нада ли делать вентиляцию внизу возле колодцев, как показано на рисунке красным. Спасибо. Посилання на коментар Поділитися на інших сайтах More sharing options...
nowhereMAN Опубліковано: 6 липня 2010 Поділитись Опубліковано: 6 липня 2010 Сделал вот такой простой септик (на рисунке), подскажите нада ли делать вентиляцию внизу возле колодцев, как показано на рисунке красным. Спасибо. Мы сделали точно такой же простой септик и вентиляцию на всякий случай делали. Это на самом деле втяжная труба, и в нее будет входить воздух необходимый для ускорения процессов. Вот правда диаметры труб для септика и фильтрующего колодца у нас были наоборот. т.е. септик поменьше, а фильтрующий колодец побольше, и в нижнем кольце были насверлены дыры, и полностью одно кольцо засыпано крупным щебнем. П.С.: вот нашел практически ваш (наш) вариант: sam-stroy.info/vodopr/17.htm. В нашем случае, я думаю что септику вентиляционная труба не нужна. и так будет затягивать, так как он находится рядом. 2 Посилання на коментар Поділитися на інших сайтах More sharing options...
Danshow Опубліковано: 6 липня 2010 Поділитись Опубліковано: 6 липня 2010 Сделал вот такой простой септик (на рисунке), подскажите нада ли делать вентиляцию внизу возле колодцев, как показано на рисунке красным. Спасибо. Я встречал подобные схемы с вентиляционной трубой уходящей в щебень. Таким образом воздух походящий по пути вентиляция-щебень-...-фановая труба способствует доочистке стоков аэробными бактериями в фильтрующем колодце. Дополнение. Откопал одну из упомянутых схем. Кроме притока воздуха в фильтрущий колодец для аэробных процессов нужно еще обеспечить выход воздуха из канализации при лавинном сбросе стоков (когда сливная труба полностью заполнена водой). Для этого вытяжная труба имеет выход не только в щебень, но и в сам фильтрующий колодец. Смотрите правый верхний рисунок. Посилання на коментар Поділитися на інших сайтах More sharing options...
Banker13 Опубліковано: 7 липня 2010 Поділитись Опубліковано: 7 липня 2010 Имхо, красная труба лишняя. Септик из колец - негерметичный. Воздух будет подсасываться через щели и вытягиваться через фановую. Посилання на коментар Поділитися на інших сайтах More sharing options...
Владимир_V Опубліковано: 9 липня 2010 Автор Поділитись Опубліковано: 9 липня 2010 Имхо, красная труба лишняя. Септик из колец - негерметичный. Воздух будет подсасываться через щели и вытягиваться через фановую. Щели все замазали раствором Посилання на коментар Поділитися на інших сайтах More sharing options...
Белый Клык Опубліковано: 25 липня 2010 Поділитись Опубліковано: 25 липня 2010 Щели все замазали раствором Подскажите, пожалуйста. Каким раствором нужно герметизировать септик??? Посилання на коментар Поділитися на інших сайтах More sharing options...
Владимир_V Опубліковано: 26 липня 2010 Автор Поділитись Опубліковано: 26 липня 2010 Подскажите, пожалуйста. Каким раствором нужно герметизировать септик??? Мы замазывали обычным пещано-цементным, так как задача гидроизоляции не ставилась. Посилання на коментар Поділитися на інших сайтах More sharing options...
Banker13 Опубліковано: 26 липня 2010 Поділитись Опубліковано: 26 липня 2010 Щели все замазали раствором так что, воздух не проходит??? Посилання на коментар Поділитися на інших сайтах More sharing options...
Рекомендовані повідомлення
Створіть акаунт або увійдіть у нього для коментування
Ви маєте бути користувачем, щоб залишити коментар
Створити акаунт
Зареєструйтеся для отримання акаунта. Це просто!
Зареєструвати акаунтУвійти
Вже зареєстровані? Увійдіть тут.
Увійти зараз