руки_из_попы Опубліковано: 7 грудня 2010 Поділитись Опубліковано: 7 грудня 2010 Предлагаю для Вас свои расчеты после строительства Построено : 236 м.кв. коробка, окна, крыша. Цоколь 36 м.кв. высота 2.6 . комбинированный.. бетонные блоки и армированный пояс 1 этаж 10.5 на 11 высота 3.2 ..полтора кирпича Лубны 2 этаж 10.5 на 11 высота 2.8 ..полтора кирпича Лубны окна:бельгийский 5 кам профиль "декенек" с двойным пакетом 32 см. крыша : испанская натуральная черепица "Исканделла" пока все. Потрачено на все ; 66000 у.е. работа 18000 у.е. и материалы 48000 2 Посилання на коментар Поділитися на інших сайтах More sharing options...
bischof Опубліковано: 7 грудня 2010 Поділитись Опубліковано: 7 грудня 2010 а когда начало стройки? и за какое время сделали? что за перекрития? и реальные фото если можно. Посилання на коментар Поділитися на інших сайтах More sharing options...
Voffka1624737141 Опубліковано: 7 грудня 2010 Поділитись Опубліковано: 7 грудня 2010 Как это цоколь 36 м^2 ??? Можно поподробнее расписать ? Бетон - ХХ кубов - ХХХХХ грн. Кирпич - ХХ тыс. - ХХХХХ грн. Черепица - ... Дерево ... и т.д. Пока скажу как Станиславский: "Не верю !!!" (по материалам так точно ...) Посилання на коментар Поділитися на інших сайтах More sharing options...
руки_из_попы Опубліковано: 7 грудня 2010 Автор Поділитись Опубліковано: 7 грудня 2010 июнь - ноябрь.. 6 Посилання на коментар Поділитися на інших сайтах More sharing options...
руки_из_попы Опубліковано: 7 грудня 2010 Автор Поділитись Опубліковано: 7 грудня 2010 подвал не под всем домом..... все остальное засыпано песком. а что у тебя вызывает сомнения?? если захочешь вышлю на мыло все закупки будешь сам себе все выбирать.. просто тяжело все посчитать.. кирпич еще остался.. Посилання на коментар Поділитися на інших сайтах More sharing options...
Стас777 Опубліковано: 6 січня 2011 Поділитись Опубліковано: 6 січня 2011 июнь - ноябрь.. скажите, а почему Вы уменьшили левое окно второго этажа на переднем фасаде (по сравнению с дизайн-проектом)? Посилання на коментар Поділитися на інших сайтах More sharing options...
Дядя Женя Опубліковано: 7 січня 2011 Поділитись Опубліковано: 7 січня 2011 крыша : испанская натуральная черепица "Исканделла" Немного странный выбор кровли, как по мне. Испания - южная страна и циклы морозостойкости черепицы там другие. Кто то помог с выбором? Посилання на коментар Поділитися на інших сайтах More sharing options...
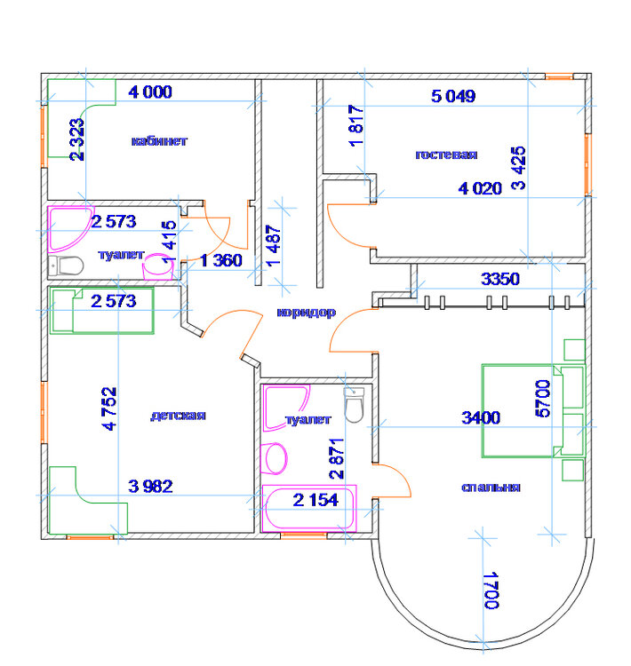
Nikalya Опубліковано: 7 січня 2011 Поділитись Опубліковано: 7 січня 2011 на первый взгляд совсем не дорого получилось.. покажите, пожалуйста, этажные планировки Посилання на коментар Поділитися на інших сайтах More sharing options...
руки_из_попы Опубліковано: 10 січня 2011 Автор Поділитись Опубліковано: 10 січня 2011 я хотел чтобы была симметрия.. а комната уже имеет большое окно с другой стороны.. так что вопрос по свету не стоял Посилання на коментар Поділитися на інших сайтах More sharing options...
руки_из_попы Опубліковано: 10 січня 2011 Автор Поділитись Опубліковано: 10 січня 2011 вы считаете, что раз испания жаркая страна, то она не может производить лыжи ???? этот завод продает свою черепицу в канаду.. а там далеко не тот климат.. для каждого региона своя черепица... Посилання на коментар Поділитися на інших сайтах More sharing options...
руки_из_попы Опубліковано: 10 січня 2011 Автор Поділитись Опубліковано: 10 січня 2011 пожалуйста вот моя планировка Посилання на коментар Поділитися на інших сайтах More sharing options...
Дядя Женя Опубліковано: 10 січня 2011 Поділитись Опубліковано: 10 січня 2011 вы считаете, что раз испания жаркая страна, то она не может производить лыжи ???? этот завод продает свою черепицу в канаду.. а там далеко не тот климат.. для каждого региона своя черепица... Я действительно так считал. Это как арабская машина, которая принципиально отличается от такой же но европейской или американской версий. Не подумайте что цепляюсь, ради Бога, просто очень интересно про Канаду. Дело в том что за океаном совсем другой рынок кровельных материалов нежели в Европе, и черепице там предпочитают сланцевую кровлю, насколько я знал. Вы мне интересное поведали. Информация от наших продавцов данной черепицы? Посилання на коментар Поділитися на інших сайтах More sharing options...
руки_из_попы Опубліковано: 13 січня 2011 Автор Поділитись Опубліковано: 13 січня 2011 Я действительно так считал. Это как арабская машина, которая принципиально отличается от такой же но европейской или американской версий. Не подумайте что цепляюсь, ради Бога, просто очень интересно про Канаду. Дело в том что за океаном совсем другой рынок кровельных материалов нежели в Европе, и черепице там предпочитают сланцевую кровлю, насколько я знал. Вы мне интересное поведали. Информация от наших продавцов данной черепицы? я не понял вопрос.... вам нужна информация или вы мне можете предоставить.. ?? Посилання на коментар Поділитися на інших сайтах More sharing options...
Дядя Женя Опубліковано: 13 січня 2011 Поділитись Опубліковано: 13 січня 2011 я не понял вопрос.... вам нужна информация или вы мне можете предоставить.. ?? Мне нужна информация если у Вас есть. Если можно... я не настаиваю ни в коем случае. Посилання на коментар Поділитися на інших сайтах More sharing options...
руки_из_попы Опубліковано: 17 січня 2011 Автор Поділитись Опубліковано: 17 січня 2011 (ссылка устарела) вот сайт торговца... если реально станет интересно пишите ...расскажу дополнительно 1 Посилання на коментар Поділитися на інших сайтах More sharing options...
Andy_325 Опубліковано: 17 січня 2011 Поділитись Опубліковано: 17 січня 2011 А такой мостик холода в качестве выноса балкона и того что снизу Вас не смущает ? Посилання на коментар Поділитися на інших сайтах More sharing options...
wironna Опубліковано: 18 січня 2011 Поділитись Опубліковано: 18 січня 2011 Красивый дом Вы строите! Уже хорошо выглядит! И коробка получилась, по-моему, не очень и дорого. А стены еще нужно будет утеплять? Если - да, то чем планируете? Посилання на коментар Поділитися на інших сайтах More sharing options...
ТРУДОГОЛИК-КАРЬЕРИСТ Опубліковано: 18 січня 2011 Поділитись Опубліковано: 18 січня 2011 еще не поздно,заложите-замажте,заместь пены под окнами, кирпичами или раствором.пена во всех случаях не надежней цементного расствора.со временнем просядет,соответвственные проблемы. 1 Посилання на коментар Поділитися на інших сайтах More sharing options...
руки_из_попы Опубліковано: 24 січня 2011 Автор Поділитись Опубліковано: 24 січня 2011 я не понял..... это балконом назвать нельзя.. и я там не вижу мостика холода.... я не понял наверно... Посилання на коментар Поділитися на інших сайтах More sharing options...
руки_из_попы Опубліковано: 24 січня 2011 Автор Поділитись Опубліковано: 24 січня 2011 все стены будут утепляться 100 мм. мин вата.. потом камень и частично плитка под кирпич.... все рассчитывал под климат киева.. Посилання на коментар Поділитися на інших сайтах More sharing options...
Andy_325 Опубліковано: 25 січня 2011 Поділитись Опубліковано: 25 січня 2011 я не понял..... это балконом назвать нельзя.. и я там не вижу мостика холода.... я не понял наверно... Вынос на эркере - то не балкон ? Посилання на коментар Поділитися на інших сайтах More sharing options...
Рекомендовані повідомлення
Створіть акаунт або увійдіть у нього для коментування
Ви маєте бути користувачем, щоб залишити коментар
Створити акаунт
Зареєструйтеся для отримання акаунта. Це просто!
Зареєструвати акаунтУвійти
Вже зареєстровані? Увійдіть тут.
Увійти зараз