Перейти до публікації
Пошук в
  • Додатково...
Шукати результати, які містять...
Шукати результати в...

Небольшой бюджетый дом

AlexD31

Рекомендовані повідомлення

Здраствуйте уважаемые форумчане.

Вот и я решился показать свою стройку.

Вот уж у кого, а у нас поистине самая экономная стройка!

Я не строитель, со стройкой столкнулся впервые, мног информации читал на этом форуме, но всё равно надеюсь на опыт строителей.

Большинство материалов – б/у. Строили несколько бригад строителей, цоколь 1 бригада, но на кладку у них были высокие расценки, взяли других строителей, они же монтировали крышу. Облицовка 3 бригада.

Ждем ваших коментов, предложений если возможно что исправить, замечаний по ошибкам и т.д.

Хочется вселить надежду в простых людей с простыми доходами – всё возможно. Итак, поехали.

Живем мы в маленьком провинциальном городке. В наличии был учаток 6 сотых, использовали как дача + гараж.

Отдельно надо сказать про документацию. Начали делать в октябре 2009. Приватизация участка, контрольные органы, пожарники, санстанция, культура, архитектура, археология. Всё это тянулось 6 месяцев.

 

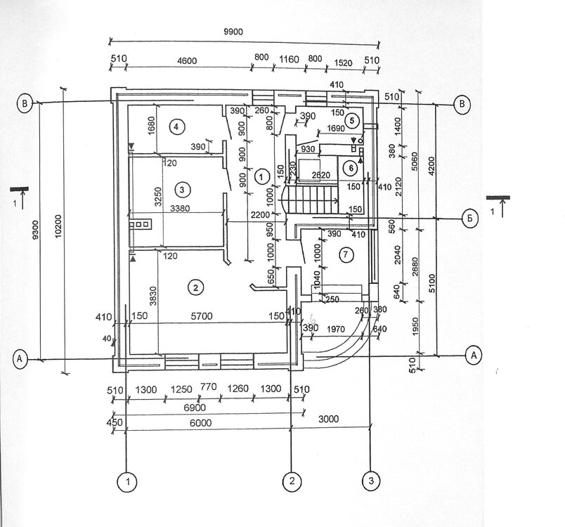
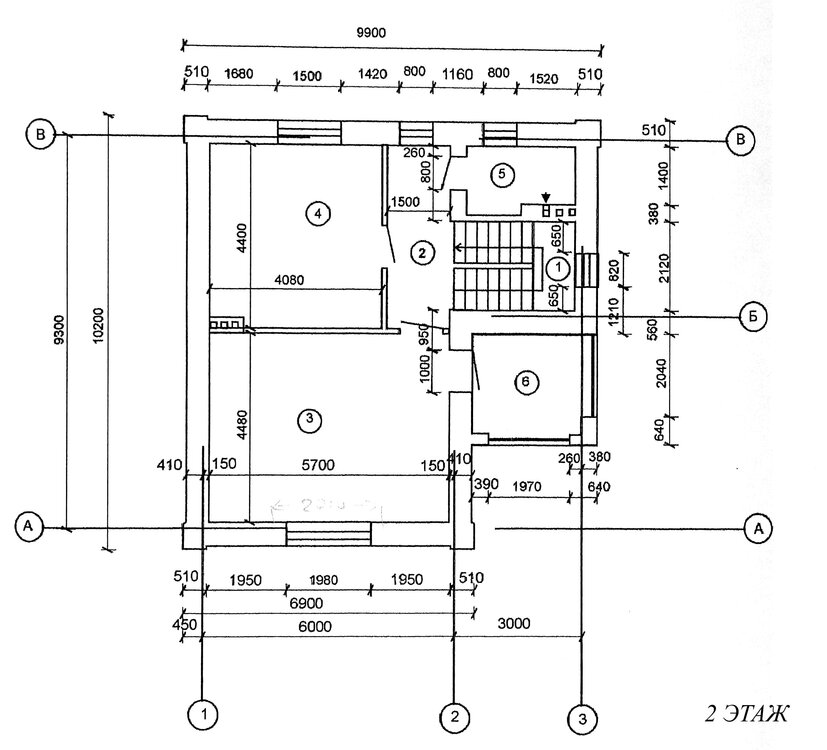
Проект нарисовал сам в Арконе. Но по закону проект должен быть сделан лицензированной организацией. Мой проект перерисовали с небольшой коррекцией и взяли 3000 грн.

Proekt_01.thumb.JPG.d0efcb98060a2eb24be08e257e39910d.JPG

Proekt_02.thumb.JPG.2ebf20de770e02d186712192cb2f67aa.JPG

Proekt_03.thumb.jpg.83f21545a09d6eddcf48b76d428f23df.jpg

Proekt_04.thumb.JPG.f06e29fc77e08bbafaf80277e16f7139.JPG

Змінено користувачем AlexD31
Посилання на коментар
Поділитися на інших сайтах

а если не секрет, то чем ваш дом

Небольшой бюджетый
?:) По чертежам я бы так не сказала;)

 

А вообще.. с открытием ветки вас! И с интересом жду продолжения вашей темы!:beer:

Посилання на коментар
Поділитися на інших сайтах

а если не секрет, то чем ваш дом ?:) По чертежам я бы так не сказала;)

 

А вообще.. с открытием ветки вас! И с интересом жду продолжения вашей темы!:beer:

 

Спасибо за 1 комент,

Как мне показалось размеры небольшые, 9х9, и по финансам не оч дорого. Если сравнивать с большинством строек на этом форуме.

Посилання на коментар
Поділитися на інших сайтах

Продолжу.

Начали в апреле 2010.

Демонтаж старого дома. Хата 50-х годов. Стены - шлак, углы и фундамент – кирпич. Сначала хотели сделать армопояс и добавить второй этаж, но после проверки стен (дрель без ударника, как в песок), решили всё с нуля.

Разборка облицовочного кирпича: 600 грн.

Полный демонтаж дома: 6 000 грн.

Вывоз мусора: 800 грн.

demontag0001.thumb.jpg.e8e976da5dba8d76c5c8aa6e226925b1.jpg

demontag0002.thumb.jpg.0398692a9665a841fc8e4bea4aa3c2a5.jpg

demontag0003.thumb.jpg.7f37f67512c69a9adabade259a003ee7.jpg

demontag0004.thumb.jpg.4afa14bdb17b07d6d28d036933b4109d.jpg

demontag0005.thumb.jpg.488dbc73706886b431b9d8e7b119ac0b.jpg

demontag0006.thumb.jpg.8b8df59e2b72021d6da07064bc85512f.jpg

demontag0007.thumb.jpg.0d47921189593093ff19a5d9ed9df51b.jpg

Посилання на коментар
Поділитися на інших сайтах

Цоколь: Так как на участке мало места то копали траншеи и укладывали блоки в 2 подхода. Глубина 1,5 метра, весной на этой глубин была вода, немного подсыпали песок, уложили подушки, далее армопояс (3 ряда арматуры в раствор), и 3 ряда ФБ. По блокам выровняли кипричём, и опять арматура.

 

Смета: работа экскаватора, вывоз земли - 4000 грн, песок 2 ГАЗона по 450 грн. Арматура – 1700 грн. Работа крана 17 часов (блоки ложили частями на протяжении 3 дней) – 2600 грн. Подсобники 480 грн. Фундаментные блоки 53 шт х 300 грн = 15900 грн. Подушка 16 шт х 400 грн = 6400 грн. Работа по укладке блоков 5750 грн. Плюс аренда перфоратора (разбивали старый погреб, пробывали экскаватором (видавшим виды) так прорвались трубы, пришлось вручную (150 грн), рубероид (530 грн), плиты на погреб (750 грн). Итого цоколь затянул 41700 грн.

Cokol0001.thumb.jpg.42d58584176888a89c637fba893011df.jpg

Cokol0002.thumb.jpg.6a11efd6088062e1f6f8cb68e4a3bfee.jpg

Cokol0003.thumb.jpg.e4c6be752037f08abda69bca1e5794c5.jpg

Cokol0004.thumb.jpg.87ade7909567328bf73054c57472697b.jpg

Cokol0005.thumb.jpg.bc348e70aea8a07f7ebd4182d65a49af.jpg

Cokol0006.thumb.jpg.28c282ffb1c52b026a25719808eab072.jpg

Cokol0007.thumb.jpg.eb94ccc4cf47fcdf3aa5447eaff1d0ab.jpg

Cokol0008.thumb.jpg.33ad308a6d81f0f88ad40094fafdaf6a.jpg

  • Лайк 1
Посилання на коментар
Поділитися на інших сайтах

Уже не актуально, писал до появления 2 предыдущих постов

 

Что не актуально? Шото я в танке:)

Посилання на коментар
Поділитися на інших сайтах

Спасибо за 1 комент,

Как мне показалось размеры небольшые, 9х9, и по финансам не оч дорого. Если сравнивать с большинством строек на этом форуме.

ну здесь я могу с вами поспорить - не столько важно, сколько квадратных метров ваш дом, а какой он конфигурации. К примеру дом 10*10, но правильно четырехугольной формы, без дополнительных углов и прочего, с 2-х или 4-х скатной крышей будет стоить дешевле. ;)

А где вы строитесь?

Посилання на коментар
Поділитися на інших сайтах

ПРосил описать из чего строите, и примерные затраты. Потом увидел предыдущие посты и изменил своё сообщение.

По существу - писать ничего не буду - главное что Вам нравится. Я думаю Вам счас роскажут об ошибках. Помните что правильно никто не строит, и не растраевайтесь.

Удачи.

Посилання на коментар
Поділитися на інших сайтах

Всем спасибо. Строим в Нежине, Черниговская обл.

Я сам чуствую что есть недочёт и в планировке и в работах. Но уже мало что изменишь.

Посилання на коментар
Поділитися на інших сайтах

1 этаж: стены кирпичные, кирпич б/у. Кирпич из здания 90 годов, видимо тогда в раствор ложили мало цемента или цемент такой, поэтому кирпич чистый без сильных остатков раствора. Пермычки над окнами тоже б/у снятые из того-же здания.

 

Лестница на меж этажами из метала основа, далее обшивать деревом.

 

Залили часть пола над погребом, между плитами.

 

Внутренние перегородки оставили на потом, так же и заливку полов.

 

Смета:

Кирпич 12000 шт*0,74=8800 грн, укладка 0,6 грн х 11000 шт= 6600 грн

Перемычки 16шт – 960 грн

Метал на лестницу (швелер, уголок) 3739 грн+работа 1200 грн

Прочие расходы (доставка выгрузка кран цемент песок) 4000 грн

Итого по 1 этажу 39300 грн

1etag0001.thumb.jpg.6c9c0fd76665066378e6b30d453972c2.jpg

1etag0002.thumb.jpg.4f38bd09417b43a1659292e55a71a925.jpg

1etag0003.thumb.jpg.ff65f75e0eaadd05f2f37d15bae3b754.jpg

1etag0004.thumb.jpg.e250b01393cae401a112bac49a25a65b.jpg

1etag0005.thumb.jpg.513c57e253c1b5ef95ec8f2450543242.jpg

1etag0006.thumb.jpg.251444c58b8c8d007238adc032821fee.jpg

1etag0007.thumb.jpg.e6c75aa4380dc4f79cf95f36d8b9150f.jpg

1etag0008.thumb.jpg.ef530692047305db8f97e212a75ecf6f.jpg

1etag0009.thumb.jpg.a3a99720bfee5ecf76083dfaffdfc9b8.jpg

1etag0010.thumb.jpg.1e9ab3915b92458f6dbc4ba6089209ee.jpg

1etag0011.thumb.jpg.f9e912902db99006830a99f6b55dea12.jpg

1etag0012.thumb.jpg.08ab14b3e7b904a9d23220842d2a8546.jpg

Посилання на коментар
Поділитися на інших сайтах

2 этаж:

Перекрытие из ЖБ плит, плиты тоже б/у.

Опора для балкона из свареных швелеров, на них ложили плиты 2,4х3, что за плиты не знаю, не пустотки, толщиной 12 см, внутри арматура.

Решили стены делать из газобетона (Сумской газобетон), по цене получается также как из кирпича но работа идет быстрее. Над блоками кирпичем выровняли снены для укладки балок.

Перекрытие из балок 22х12 длина 6,3м -11 шт. Над залом уложили 2 швелера, на них будут опираться балки, что бы не было вибрации от хождения по мансарде.

Также сделали 2 пролет леснтницы на мансардный этаж.

 

Смета: плиты перекрития 8 шт х 750 грн =6000 грн,

Плиты на балкон 2 шт х 300 грн = 600 грн

Газоблок 30м3 х 490 грн = 14700 грн + 3 м3 х 530 = 1590 грн (внутр перегородки)

Лестница на мансарду 1200 грн (работа)

Работа по газоблоку (240 грн/куб) 7900 грн

Прочие расходы (доставка выгрузка кран цемент песок) 4000 грн

Итого по 2 этажу 38600 грн

2etag0001.thumb.jpg.2be1213a6824e55c29f6e4921b025e92.jpg

2etag0002.thumb.jpg.bd190f577e8c0ac78197f9dd71c04c6f.jpg

2etag0003.thumb.jpg.b0332949dc1ebba7e47f664709fc4cb6.jpg

2etag0004.thumb.jpg.8b07081a24894e958f060774a1be6cc4.jpg

2etag0005.thumb.jpg.abe47d62e789e2e888e3556d1a3bd193.jpg

2etag0006.thumb.jpg.e9fe4a9de2efb72bf4d7910bf6bf1e35.jpg

2etag0007.thumb.jpg.b576d38260597bd872393a9489700ef5.jpg

2etag0008.thumb.jpg.5b16b8896672784018edf08b3557c3b6.jpg

2etag0009.thumb.jpg.6b45b22a43706fa957c3edfa6a327b32.jpg

2etag0010.thumb.jpg.53c612777b1ae99cfb287e454112432d.jpg

2etag0011.thumb.jpg.d0c61bca13f39db3de2e6718e3b24c02.jpg

2etag0012.thumb.jpg.3f22b3557051c847b5e71a16794b9984.jpg

2etag0013.thumb.jpg.b3382db74958dde561c00647ef4bf183.jpg

2etag0014.thumb.jpg.6129fa02bec51a7d7102e03257587938.jpg

2etag0015.thumb.jpg.743f8baf50d1f9bbaf3809bb026da281.jpg

Посилання на коментар
Поділитися на інших сайтах

Крыша: Балки уже уложены. Стропила 150х50*600. Высота мансардного этажа 2,4 м. Уложили гибробарьер. Изначально хотели металочерепицу, но решили использовать профнастил, так как меньше будет отходов.

 

Смета: Дерево 9300 грн, гидробарьер 630 грн

Профнастил 230 м2 – 12500 грн снегобарьеры и коньки 1600 грн

Газоблок на фронтоны 70 шт – 1240 + работа 1500 грн

Работы по железу 18300 грн.

Итого по крыше 47100 грн

krisha0001.thumb.jpg.c758975591af2c60e55309b380b1fe36.jpg

krisha0002.thumb.jpg.71f7ba62793b07449d075431bf82461a.jpg

krisha0003.thumb.jpg.2095434cee6e3448eb2381cb3d03aa3a.jpg

krisha0004.thumb.jpg.c332266bef404a7f722a5eba8b012654.jpg

krisha0005.thumb.jpg.cb71861d008d7ca9e9493a0727dba896.jpg

krisha0006.thumb.jpg.20953ae036d234e8ce70ff6f02549497.jpg

krisha0007.thumb.jpg.74c966508f5a846d1332d956af21ec15.jpg

krisha0008.thumb.jpg.b914a298e900f049986daf2bc190f5b5.jpg

krisha0009.thumb.jpg.3a8b84dba0d4b2b11c4cbe2d45076fb3.jpg

krisha0010.thumb.jpg.dbab79d44e5993373ce039162882e966.jpg

krisha0011.thumb.jpg.6d83e9c9b5c0d96870a43f4d3e58f6c8.jpg

krisha0012.thumb.jpg.a4b6b0b7d0685fa2ed52f6c2d978cdcb.jpg

krisha0013.thumb.jpg.f3a76ff1952fa677e90a7bdc66e1d389.jpg

krisha0014.thumb.jpg.dc139774787a65251d42b37fd2c72dae.jpg

krisha0015.thumb.jpg.6738ca1c5528c6d3c2abc5e6aede7b0e.jpg

Посилання на коментар
Поділитися на інших сайтах

Облицовка: Обицовка силикатным кирпичём, так как много осталось от старого дома. Углы выделены коричневым, кирпич «Керамея». Между стенами и облицовкой ложили пенопласт 5 см.

 

Смета: силикатный кирпич 4400шт х 3 грн =13200 грн

Кирпич Керамея 1180 шт х 3,1 грн = 3663 грн

Пенопласт 2300 грн

Уголок (90мм) на окна 1560 грн

Работа по облицовке 11360 шт х 1,8 грн = 20448 грн

Прочие расходы (доставка выгрузка цемент песок) 856 грн

Итого по облицовке 35100 грн

oblic0001.thumb.jpg.fd839f90b65418ac5ead82b4c3e5f76b.jpg

oblic0002.thumb.jpg.79bae5f0ffe9f3114dc62b24ea4fe376.jpg

oblic0003.thumb.jpg.f4fe21323e95d60396ece5e5c76c138a.jpg

oblic0004.thumb.jpg.56304efd413e0500ce50d51829d62ec2.jpg

oblic0005.thumb.jpg.199bb60bc0cc2bc93b657d2029e4e010.jpg

oblic0006.thumb.jpg.42d8b3b2b4d6605d66db01bc274204e6.jpg

oblic0007.thumb.jpg.d50c2ac840574c65dc17694251c5a674.jpg

oblic0008.thumb.jpg.c6d13b641bb17b9fab9ad8d0e370627e.jpg

oblic0009.thumb.jpg.6ceec6e25fba26b14e896f7e444f1a85.jpg

oblic0010.thumb.jpg.e8926ab6fd3ada6eaf438c56b13137a3.jpg

Посилання на коментар
Поділитися на інших сайтах

Окна двери: Окна профиль JBS, 2 камерные пакеты, фурнитура Зигения. Окон 13 шт. обошлись нам в 15200 грн. Дверь Китай 3000 грн, внутри мин вата, возможно будет заменена на что-то лучшее.

 

Всего по дому примерно 228 000 грн.

okna_01.thumb.jpg.30c81dc6c5d1572330ced5220194ee44.jpg

okna_02.thumb.jpg.ae343c64fe697db97566772e2e3d49c6.jpg

okna_03.thumb.jpg.a184c59bda0372e2bd22d33ed18ebc8a.jpg

okna_04.thumb.jpg.1561554f44bac6ba6a91065a6032a0f4.jpg

Посилання на коментар
Поділитися на інших сайтах

Из остатков кирпича сделали крыльцо. внутри засыпали всяким боем, выровняли песком, из арматуры связали сетку, и залили раствором.

Пока на этом стройка остановилась. Осталось еще оч много, но я надеюсь что все осилю и доведу дом до "жилого" состояния.

krilco_01.thumb.JPG.b38def8aa2171b9a09318797afdb7e10.JPG

krilco_02.thumb.JPG.937577dda5e9f29e4acafbd5519ea059.JPG

  • Лайк 7
Посилання на коментар
Поділитися на інших сайтах

У меня есть куча вопросов, буду признателен за советы.

1. есть ли смысл делать звукоизоляция (минвата) между 2 этажем и жилой мансардой

2. Вычитал что електрощит в котельней нельзя ставить, это так?

3. при заливке пола 1 этажа хотел по периметру забить отрезки арматуры в стены, потом их связать с сеткой на полу под заливку, стоит так делать или пустяя трата времени.

Посилання на коментар
Поділитися на інших сайтах

Работа по газоблоку (240 грн/куб) 7900 грнЭто и многовато как то делали березанский на клей по 120:(
Посилання на коментар
Поділитися на інших сайтах

Пока на этом стройка остановилась. Осталось еще оч много, но я надеюсь что все осилю и доведу дом до "жилого" состояния.Обезательно осилите.Дом получился 28500уе на данном этапе.Красиво и незадорого-поздравляю:Bravo:
  • Лайк 1
Посилання на коментар
Поділитися на інших сайтах

Большое спасибо за то, что открыли ветку, расписали все затраты и даете людям шанс на исполнение своей мечты! С таким подходом - все у Вас получится! Удачи!!!
  • Лайк 1
Посилання на коментар
Поділитися на інших сайтах

У меня есть куча вопросов, буду признателен за советы.

1. есть ли смысл делать звукоизоляция (минвата) между 2 этажем и жилой мансардой

2. Вычитал что електрощит в котельней нельзя ставить, это так?

3. при заливке пола 1 этажа хотел по периметру забить отрезки арматуры в стены, потом их связать с сеткой на полу под заливку, стоит так делать или пустяя трата времени.

 

1.Между лагами минвату уложить необходимо.

2.Может быть есть такие требования, не знаю, но у меня установлен.

3.Как по мне , лишняя работа, многие наоборот изолируют стяжку от стен, особенно там где есть теплые полы.

Удачи.

  • Лайк 1
Посилання на коментар
Поділитися на інших сайтах

Створіть акаунт або увійдіть у нього для коментування

Ви маєте бути користувачем, щоб залишити коментар

Створити акаунт

Зареєструйтеся для отримання акаунта. Це просто!

Зареєструвати акаунт

Увійти

Вже зареєстровані? Увійдіть тут.

Увійти зараз
×
×
  • Створити...