иван 55555 Опубліковано: 28 серпня 2011 Поділитись Опубліковано: 28 серпня 2011 доброго дня!допоможіть порадою.маєм тт котел,буфер,і конденсаційний котел.хочу все розв"язати через буфер,чи правильно так буде,адже тт котел буде нагрівати буфер до 80 - 85С,чи нічого не станеться конденсаційному,він то буде працювати в режимі 45-50С.чи його якось можна вирубити по якомусь датчику?чи хай собі ганяє підвищену температуру по контуру?хоча і підключати його буду в низу буфера де макс буде 60С?що порадите? Посилання на коментар Поділитися на інших сайтах More sharing options...
Korni Опубліковано: 28 серпня 2011 Поділитись Опубліковано: 28 серпня 2011 Тема Где поставить гидрострелку? Посилання на коментар Поділитися на інших сайтах More sharing options...
иван 55555 Опубліковано: 28 серпня 2011 Автор Поділитись Опубліковано: 28 серпня 2011 Тема Где поставить гидрострелку? майже нічого не зрозумів з тої теми.в мене конкретне питання?можна чи ні підключити два даних котла до буфера?і чи не пошкодить це К,К котлу(а саме висока температура при протопці ТТ котла. Посилання на коментар Поділитися на інших сайтах More sharing options...
Korni Опубліковано: 28 серпня 2011 Поділитись Опубліковано: 28 серпня 2011 .....може .... А может вы потрудитесь схемки рисовать?.... Так гораздо больше шансов, что кто-то будет тратить время на консультации. К.к., скорее всего, сможете развязать только через гидрострелку. Хотя, при определённых условиях, гидрострелкой может служить ТА - но не в случае с КК. Посилання на коментар Поділитися на інших сайтах More sharing options...
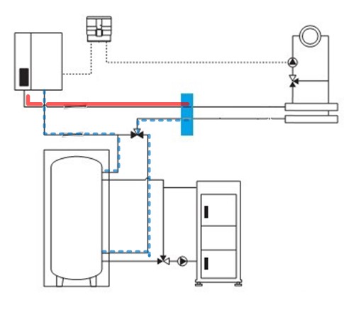
иван 55555 Опубліковано: 28 серпня 2011 Автор Поділитись Опубліковано: 28 серпня 2011 А может вы потрудитесь схемки рисовать?.... Так гораздо больше шансов, что кто-то будет тратить время на консультации. К.к., скорее всего, сможете развязать только через гидрострелку. Хотя, при определённых условиях, гидрострелкой может служить ТА - но не в случае с КК. да,художник з мене ніякий.власне це схема.буфер гріють ТТ,та КК,звідки тепло через групи змішування направляється в батареї,теплу підлогу,та бойлер.мене цікавить,як не дорого можна заставити КК не прокачувати через свій контур воду з буфера більше 50С,тобто якщо це йому буде шкодити?якщо ні,то хай прокачує,будинок утеплений дуже добре.КК VITODENS 100W?посовітуйте!може в нього в мозгах є щось,що можна підключити скажімо до погружного термостата (в буфері)? Посилання на коментар Поділитися на інших сайтах More sharing options...
Korni Опубліковано: 28 серпня 2011 Поділитись Опубліковано: 28 серпня 2011 .....як не дорого можна заставити КК не прокачувати через свій контур воду з буфера.... Недорого - это трёхходовик: Собственно, почитайте указанную выше тему - там довольно подробно. Посилання на коментар Поділитися на інших сайтах More sharing options...
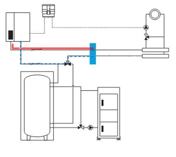
иван 55555 Опубліковано: 28 серпня 2011 Автор Поділитись Опубліковано: 28 серпня 2011 Недорого - это трёхходовик: Собственно, почитайте указанную выше тему - там довольно подробно. в тій темі є гідрострілка,тут її нема.заказчики і так чухаються,що сума не мала пішла. Посилання на коментар Поділитися на інших сайтах More sharing options...
Korni Опубліковано: 28 серпня 2011 Поділитись Опубліковано: 28 серпня 2011 в тій темі є гідрострілка,тут її нема..... Но будет ;) Посилання на коментар Поділитися на інших сайтах More sharing options...
иван 55555 Опубліковано: 28 серпня 2011 Автор Поділитись Опубліковано: 28 серпня 2011 Но будет ;) добре!зайдем з другої сторони!що буде конденсац.якщо по його контуру час від часу буде іти вода 80-85С?хоча я сумніваюсь,що низ буфера коли небудь досягне такої температури Посилання на коментар Поділитися на інших сайтах More sharing options...
Korni Опубліковано: 28 серпня 2011 Поділитись Опубліковано: 28 серпня 2011 .....що буде конденсац.якщо по його контуру час від часу буде іти вода 80-85С?...... Котлу, естественно, ничего не будет. Просто он не включиться, если на вход котла будет поступать теплоноситель такой температуры. 1 Посилання на коментар Поділитися на інших сайтах More sharing options...
иван 55555 Опубліковано: 28 серпня 2011 Автор Поділитись Опубліковано: 28 серпня 2011 Котлу, естественно, ничего не будет. Просто он не включиться, если на вход котла будет поступать теплоноситель такой температуры. так така логіка й задумувалась!тт при протопці нагрівє буфер,коли тт не топимо температура в буфері падає,КК реагує і включається.ТТ котел відсіче від системи триходовий для підвищення темп.обратки.просто я не знав чи добре для кк така темп.води.?дякую за відповідь.ще питання?яка температура подачі,обратки для працюючого КК є найоптимальнішою? Посилання на коментар Поділитися на інших сайтах More sharing options...
Korni Опубліковано: 28 серпня 2011 Поділитись Опубліковано: 28 серпня 2011 .....коли тт не топимо температура в буфері падає,КК реагує і включається...... С "включается" - эт понятно.... самое сложное для мозгов КК понять, когда "выключиться" ;).... Другими словами, с ТА он получает информацию (температуру) не соответствующую "реальности" - т.е., информации о температуре в помещении..... И маслает, непонятно зачем, дополнительных 500-1000 литров.... Мозги у него "закипят" :D В принципе, система с КК должна иметь как можно меньший объём теплоносителя - чтобы реализовать преимущества процесса "конденсации"... Для этого КК надо отключить от ТА. Только 3-хходовик+ГС... И никуда не деваться. 1 Посилання на коментар Поділитися на інших сайтах More sharing options...
иван 55555 Опубліковано: 29 серпня 2011 Автор Поділитись Опубліковано: 29 серпня 2011 все ж таки хочеться попробувати без гідрострілки,а якщо КК котел під"еднати через кімнатний термостат?на мою думку не буде різниці,що буде гріти,ТТ,чи КК,температура в кімнаті досягне зазначеного рівня і відключить КК,які будуть думки? ЩО ЗНАЧИТЬ "ЗАКИПЛЯТЬ МОЗГИ"? Посилання на коментар Поділитися на інших сайтах More sharing options...
Korni Опубліковано: 29 серпня 2011 Поділитись Опубліковано: 29 серпня 2011 .....попробувати без гідрострілки..... Тогда я вам не советчик. _____________ Посилання на коментар Поділитися на інших сайтах More sharing options...
иван 55555 Опубліковано: 29 серпня 2011 Автор Поділитись Опубліковано: 29 серпня 2011 я ціню ваші поради,і час який ви потратили на мою тему,Що значить "ЗАКИПЛЯТЬ МОЗГИ? Посилання на коментар Поділитися на інших сайтах More sharing options...
Виталий_Ж Опубліковано: 30 серпня 2011 Поділитись Опубліковано: 30 серпня 2011 Що значить "ЗАКИПЛЯТЬ МОЗГИ?Не переймайтесь. Образний вираз, означаючий можливий збій програмного забеспечення КК. Саша хотів сказати, що КК буде працювати в незвичному режимі, і в нього нема алгоритму цього режиму. А для КК чим холодніша обратка, тим краще. 1 Посилання на коментар Поділитися на інших сайтах More sharing options...
Рекомендовані повідомлення
Створіть акаунт або увійдіть у нього для коментування
Ви маєте бути користувачем, щоб залишити коментар
Створити акаунт
Зареєструйтеся для отримання акаунта. Це просто!
Зареєструвати акаунтУвійти
Вже зареєстровані? Увійдіть тут.
Увійти зараз