Перейти до публікації
Пошук в
  • Додатково...
Шукати результати, які містять...
Шукати результати в...

Нормальный ли фундамент получился?

SNiP_er

Рекомендовані повідомлення

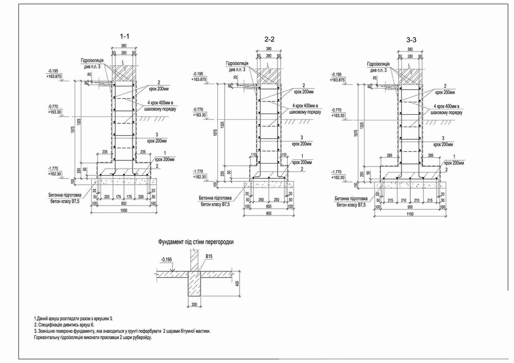
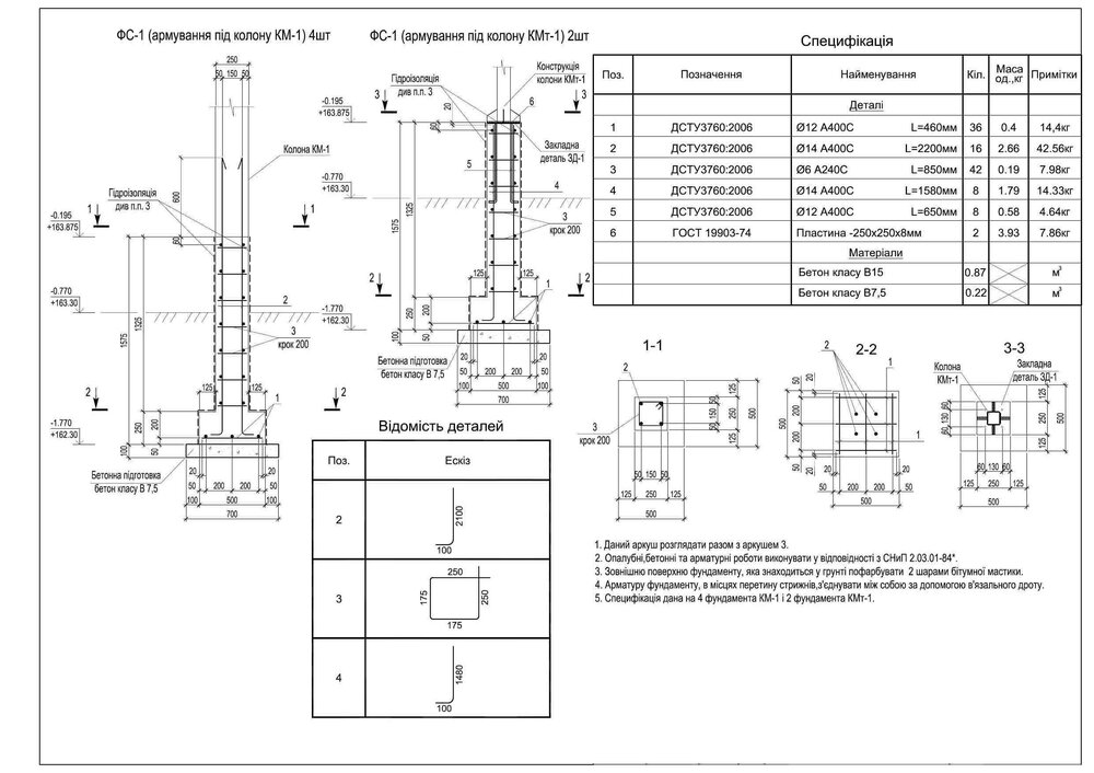
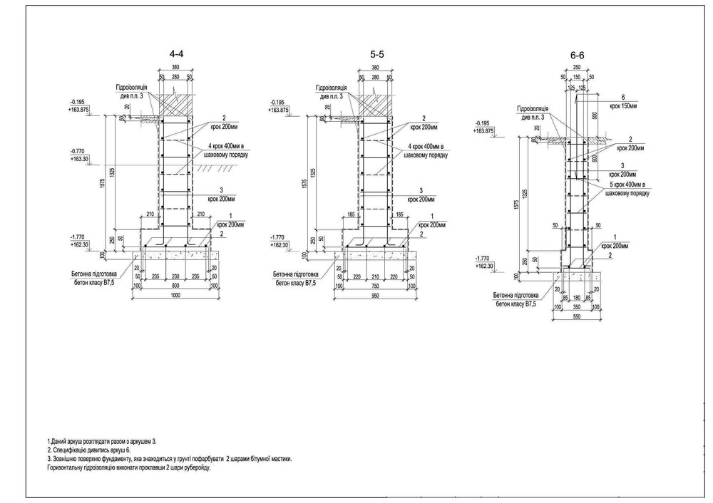
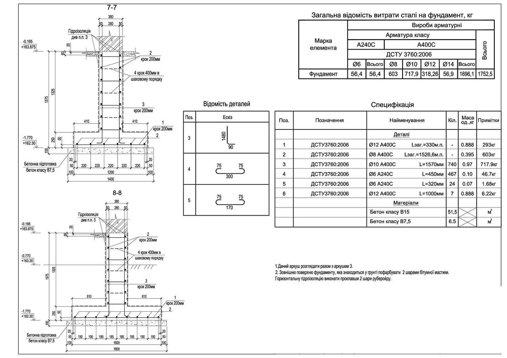
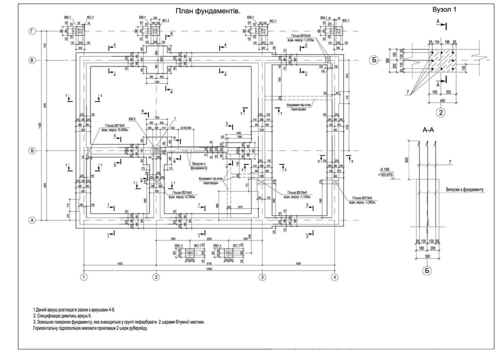
Заказал проект дома в архитектурном бюро. Там молодые хлопцы стараются, но опыта нет и "в поле" не бывали. Запроектировали ленточный монолитный фундамент при помощи своей программы.

 

Хочу попросить тех, у кого есть практический опыт, глянуть на планы фундамента и оценить нет ли там "ляпов".

 

Геология: слоями песок мелкий средней плотности и супесок пылеватый. Грунтовые воды до 8 м не обнаружены.

Наружные стены: в полтора полнотелых кирпича. Два этажа по 3 м. Пол по грунту. Перекрытия первого и второго этажей - типовые круглопустотные плиты. Крыша из натуральной черепицы.

fundament1.thumb.jpg.f2c258e4ab0efc66dd8eb37215c5f0c2.jpg

fundament2.thumb.jpg.ade67ba450dba1a1d43991c1f58cace4.jpg

fundament3.thumb.jpg.7a783f1b4f62e38a308730bac46db537.jpg

fundament4.thumb.jpg.882925ab3181edc60fcd400c152ae6e9.jpg

fundament5.thumb.jpg.e2a31243f332d82d8df1b3bb90e4301c.jpg

Посилання на коментар
Поділитися на інших сайтах

Хочу попросить тех, у кого есть практический опыт, глянуть на планы фундамента и оценить нет ли там "ляпов".

Да вроде норм, но более дитальней с ним будет ознакамливатся подрядчик....

  • Лайк 1
Посилання на коментар
Поділитися на інших сайтах

Створіть акаунт або увійдіть у нього для коментування

Ви маєте бути користувачем, щоб залишити коментар

Створити акаунт

Зареєструйтеся для отримання акаунта. Це просто!

Зареєструвати акаунт

Увійти

Вже зареєстровані? Увійдіть тут.

Увійти зараз
×
×
  • Створити...