Yeboa Опубліковано: 22 вересня 2008 Поділитись Опубліковано: 22 вересня 2008 (змінено) Почитав данный форум 2 недели, решил и сам поведать о своем строительстве. Сразу оговорюсь, что некоторые фото были сделаны с мобильного, так что не обессудьте за качество. Конечно же минус в том, что попал на форум, когда уже велись черновые отделочные работы (гипсокартон), но все же интересно будет послушать Ваши советы/комментарии... В феврале 2007г был приобретен участок в дачном кооперативе, сразу за Леточками. Участок первый от дороги, что позволило сразу сделать индивидуальный подъезд, да еще и угловой (про плюсы и минусы угл. участков на форуме было сказано много, в моём случаи считаю это плюсом). А уже в середине мая 2007г началось строительство. Так как у меня опыта в строительстве, а соответственно и практики, небыло ни какой, старался "влазить" и непосредственно принимать участие во всех работах, особенно черновых (как то рытьё, уборка, иногда даже разгрузка материалов, ну вообщем на стройке я был незаменим:D). Проект рисовали от руки и практически у меня на глазах (и такое бывает), после недолгого изменения последовало утверждение и началось... Змінено 22 вересня 2008 користувачем Yeboa Посилання на коментар Поділитися на інших сайтах More sharing options...
Yeboa Опубліковано: 22 вересня 2008 Автор Поділитись Опубліковано: 22 вересня 2008 Заливать решили фундамент монолитом по всей плоскости дома и гаража. А также сварганили сразу же хоз блок, так просто из пеноблока зато буквально на второй-треттий день стройки уже появилось первое сооружение (на фото не я) Посилання на коментар Поділитися на інших сайтах More sharing options...
Yeboa Опубліковано: 22 вересня 2008 Автор Поділитись Опубліковано: 22 вересня 2008 После того, как залили фундамент и переждали (тоже утаю количество дней/недель усадки фундамента, так, что бы не засмеяли) по-тихоньку стали рости стены (опять же на фото не я, так как не очень удобно было таскать блоки, а я таскал, и фотографировать себя ) Посилання на коментар Поділитися на інших сайтах More sharing options...
Yeboa Опубліковано: 22 вересня 2008 Автор Поділитись Опубліковано: 22 вересня 2008 После того, как стены доросли до уровня гаражных ворот, сосед по гаражу в Киеве подогнал старые гаражные ворота, чем я и воспользовался и были установлены старенькие, но крепкие ворота и дверь сбоку гаража, что в последствии будет заменено на более новое, хотя я к ним уже и привык В новый, закрывающий гараж было завезено дерево для стропил, так что где то на горизонте стала виднеться и крыша Посилання на коментар Поділитися на інших сайтах More sharing options...
Yeboa Опубліковано: 22 вересня 2008 Автор Поділитись Опубліковано: 22 вересня 2008 После того, как была закончена коробка первого этажа, было решено заливать перекрытие монолитом... Посилання на коментар Поділитися на інших сайтах More sharing options...
Yeboa Опубліковано: 22 вересня 2008 Автор Поділитись Опубліковано: 22 вересня 2008 К сожалению последующий этап не удалось запечатлить, а если и удалось, то просто не нашёл в архивах, но стройка продолжалась и был выгнан второй этаж, а за ним и крыша, и вот что из этого вышло... Посилання на коментар Поділитися на інших сайтах More sharing options...
Yeboa Опубліковано: 22 вересня 2008 Автор Поділитись Опубліковано: 22 вересня 2008 Но вместе с моим строительством шло и время и уже во всю подобралась осень, так что пришло время закрывать наш дом, особо долго не думая, заказал пластик и китайскую, но как мне показалось красивую дверь, которую будет не жалко поменять в конце строительства (т.е. к воротам и гаражной двери прибавилась еще на смену в конце строительства и входная дверь ) Посилання на коментар Поділитися на інших сайтах More sharing options...
Yeboa Опубліковано: 22 вересня 2008 Автор Поділитись Опубліковано: 22 вересня 2008 Осенью 2007г успели залить фундамент под будущий забор, а также собрать весь урожай :D (на фото отец, уже близко) Посилання на коментар Поділитися на інших сайтах More sharing options...
Yeboa Опубліковано: 22 вересня 2008 Автор Поділитись Опубліковано: 22 вересня 2008 За зиму старался пороздатвать долги, как оказалось не все так дешево , и закупить немного материалов на будущее, а именно сайдинг и комплектующее, да и еще решетки установил, а ранней весной перила на балкон... Посилання на коментар Поділитися на інших сайтах More sharing options...
Yeboa Опубліковано: 22 вересня 2008 Автор Поділитись Опубліковано: 22 вересня 2008 А с ранней весной сразу же принялись за садоводство и огороднечество, как ни как садовое общество, ну и конечно же рыбалку (во всех проявлениях этого мероприятия :D)... Посилання на коментар Поділитися на інших сайтах More sharing options...
Yeboa Опубліковано: 22 вересня 2008 Автор Поділитись Опубліковано: 22 вересня 2008 За зиму поняли, что без сауны никак и решили сделать небольшую пристроечку (с непокрашенными решетками и без окон) , где поместилась сауна, душевая при ней, там же решили разместить котельную, а сверху над всем этим небольшую комнату отдыха, что б было где задушевную беседу после распарки провести Посилання на коментар Поділитися на інших сайтах More sharing options...
Yeboa Опубліковано: 22 вересня 2008 Автор Поділитись Опубліковано: 22 вересня 2008 Ну а весна 2008 г ознаменовалась началом внутренних работ, а именно было проведено отопление, установлен котёл на твердом топливе (обещают в ближайшее время газ, а пока только так) и проведено водоснабжение, плюс положена половая доска и начали гипсокартонить... Посилання на коментар Поділитися на інших сайтах More sharing options...
Yeboa Опубліковано: 22 вересня 2008 Автор Поділитись Опубліковано: 22 вересня 2008 После чего пришло время для вагонки в бильярдную и плитки в ванную (в ванной видно качество воды, а именно некачество, в связи с тем, что в воде очень много железа, вода, после определенного времени оставляет ржавчину, конечно после мистера мускула, я не себя имею ввиду :D, все проходит, но это не выход, если кто сталкивался с таким, буду очень рад выслушать советы по устранению) и сан узлы. Посилання на коментар Поділитися на інших сайтах More sharing options...
Yeboa Опубліковано: 22 вересня 2008 Автор Поділитись Опубліковано: 22 вересня 2008 Последним, что успели сделать до дождей стали столбики для будущего забора... Продолжение следует... Хотелось бы услышать мнение форумчан обо всем выше изложенном, мож где что то неправильно или не по технологии, но мы старались... Посилання на коментар Поділитися на інших сайтах More sharing options...
AНДРЮША Опубліковано: 22 вересня 2008 Поділитись Опубліковано: 22 вересня 2008 Хотелось бы уточнить толщину стен и будет ли утепление. Посилання на коментар Поділитися на інших сайтах More sharing options...
Yeboa Опубліковано: 22 вересня 2008 Автор Поділитись Опубліковано: 22 вересня 2008 Хотелось бы уточнить толщину стен и будет ли утепление. Толщина блока 30 см (200*300*600 пеноблок) , утепляться будет изокамом (если не ошибаюсь, закупал еще прошлой осенью) облицовываться сайдингом. Плюс внутри гипсокартон (комнаты, кухня) или вагонка (бильярдная, сайна, столовая). Посилання на коментар Поділитися на інших сайтах More sharing options...
Павлухан Опубліковано: 28 вересня 2008 Поділитись Опубліковано: 28 вересня 2008 а какая толщина перекрытия ? уж очень тонкой смотриться на фото Посилання на коментар Поділитися на інших сайтах More sharing options...
Yeboa Опубліковано: 29 вересня 2008 Автор Поділитись Опубліковано: 29 вересня 2008 Перекрытие 20 см. Второй год пошел, пока без прогибов и вроде как надежно. Посилання на коментар Поділитися на інших сайтах More sharing options...
apis1 Опубліковано: 2 жовтня 2008 Поділитись Опубліковано: 2 жовтня 2008 Перекрытие 20 см. Второй год пошел, пока без прогибов и вроде как надежно. Есть ли проект в эл. виде? спасибо Посилання на коментар Поділитися на інших сайтах More sharing options...
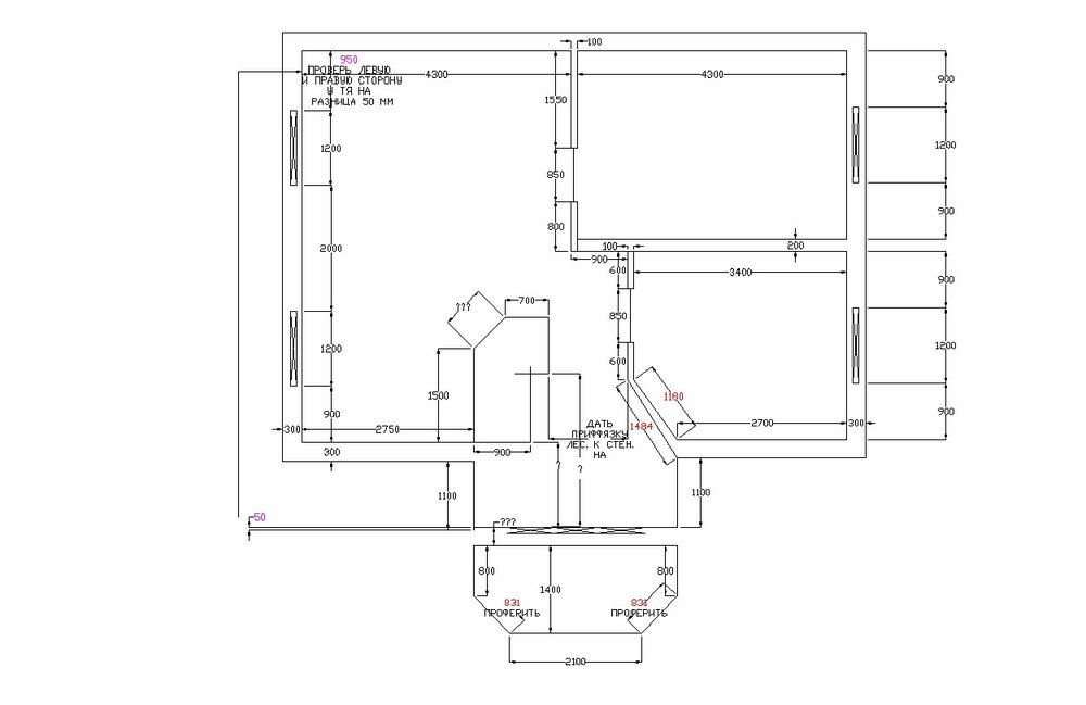
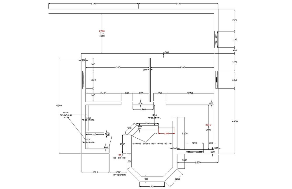
Yeboa Опубліковано: 6 жовтня 2008 Автор Поділитись Опубліковано: 6 жовтня 2008 Есть ли проект в эл. виде? спасибо Проект есть в неоконченном виде, так как человек, который переводил все в эл. вид слился , поэтому выложу неоконченную версию (правда с комментариями/вопросами по некоторым размерам). ДОМ 2 - первый этаж. Не до конца дорисован гараж и нет стен между сауной, душевой и кательней. дом - второй этаж. Отсутствует вообще комната отдыха над сауной (а она в реале есть ). Будут вопросы - с удовольствием отвечу. Посилання на коментар Поділитися на інших сайтах More sharing options...
ШАН Опубліковано: 19 липня 2010 Поділитись Опубліковано: 19 липня 2010 Очень понравилась Ваша Фазенда, хотелось бы увидеть её уже в сайдинге. Посилання на коментар Поділитися на інших сайтах More sharing options...
syrik_81 Опубліковано: 19 липня 2010 Поділитись Опубліковано: 19 липня 2010 Очень понравилась Ваша Фазенда, хотелось бы увидеть её уже в сайдинге. Молодца быстро растет. Посилання на коментар Поділитися на інших сайтах More sharing options...
Stolica999 Опубліковано: 20 липня 2010 Поділитись Опубліковано: 20 липня 2010 Если возможно выложить проект хотябы от руки но в окончательном виде был бы очень признателен,а то в этом не особо могу разобраться) Посилання на коментар Поділитися на інших сайтах More sharing options...
AsMa Опубліковано: 20 липня 2010 Поділитись Опубліковано: 20 липня 2010 Здравствуйте! Скажите, пожалуйста, а почему вы строились из пенобетона, а не из газобетона? И еще, тут на форуме очень недовольны этими блоками (газобетоном). Мы только собираемся строиться, фундамент почти готов. Причем, строим мы сами. Я муж, немного помогают дети-подростки и свекр пенсионер (у него дом уже построен). Это будет дача. Только для летнего проживания. Решили строить из газобетона, но... я тут такого начиталась, что уже не знаю, чтои делать... А пенобетон и газобетон похожи. Расскажите, как Вам живется? Появились ли какие-то проблемы? Не пожалели ли Вы, что строились не из кирпича? Большое спасибо за ответ! Посилання на коментар Поділитися на інших сайтах More sharing options...
AНДРЮША Опубліковано: 20 липня 2010 Поділитись Опубліковано: 20 липня 2010 Советую обращать на даты постов. Автор ужу 2 года ничего не пишет. Посилання на коментар Поділитися на інших сайтах More sharing options...
Рекомендовані повідомлення
Створіть акаунт або увійдіть у нього для коментування
Ви маєте бути користувачем, щоб залишити коментар
Створити акаунт
Зареєструйтеся для отримання акаунта. Це просто!
Зареєструвати акаунтУвійти
Вже зареєстровані? Увійдіть тут.
Увійти зараз