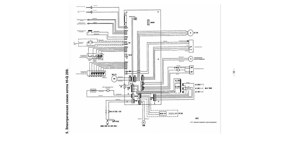
jack-zp Опубліковано: 23 січня 2013 Поділитись Опубліковано: 23 січня 2013 Выход который под символом "A" он закорочен или разомкнут. Где это смотреть "А"? Посилання на коментар Поділитися на інших сайтах More sharing options...
Interso Опубліковано: 23 січня 2013 Поділитись Опубліковано: 23 січня 2013 Где это смотреть "А"? В схеме на ваш котелок. Посилання на коментар Поділитися на інших сайтах More sharing options...
jack-zp Опубліковано: 23 січня 2013 Поділитись Опубліковано: 23 січня 2013 с ним схема не шла, в инструкции не было описано...я и не искал схем... Посилання на коментар Поділитися на інших сайтах More sharing options...
Interso Опубліковано: 23 січня 2013 Поділитись Опубліковано: 23 січня 2013 с ним схема не шла, в инструкции не было описано...я и не искал схем... Вот она схема.Lotte.pdf Посилання на коментар Поділитися на інших сайтах More sharing options...
jack-zp Опубліковано: 23 січня 2013 Поділитись Опубліковано: 23 січня 2013 Спасибо...по возможности разберу гляну, может перемычку найду, попробую убрать) Хотя в таком режиме 4 года работает... Посилання на коментар Поділитися на інших сайтах More sharing options...
Interso Опубліковано: 23 січня 2013 Поділитись Опубліковано: 23 січня 2013 Спасибо...по возможности разберу гляну, может перемычку найду, попробую убрать) Хотя в таком режиме 4 года работает... Ну вы сами должны понимать что такой режим работы для котла несовсем харашо,особенно когда котёл наберёт температуру и резко отключить. Если на этой клеме стоит перемычка значит можно будет подключить термостат,если перемычки нет значит там идёт совсем другой сигнал на управление. Если неполучится то можно попробовать управлять путём разрыва красного провода на трёхходовом клапане. Посилання на коментар Поділитися на інших сайтах More sharing options...
jack-zp Опубліковано: 23 січня 2013 Поділитись Опубліковано: 23 січня 2013 Полностью согласен...могут плохо удаляться продукты сгорания , перегреть я его не смогу так ка работает только на теплый пол , подача с котла 50 и обратка с малой температурой. Я по природе ленив и скорее буду насиловать котел так, пока жизнь не заставит снять верхнюю крышку. Посилання на коментар Поділитися на інших сайтах More sharing options...
Diver Опубліковано: 23 січня 2013 Автор Поділитись Опубліковано: 23 січня 2013 Ну вы сами должны понимать что такой режим работы для котла несовсем харашо,особенно когда котёл наберёт температуру и резко отключить. интересно же сначала "убить" котел а потом иметь проблемы.. кстати по моему неплохие проблемы могут быть с теплым полом если туда сильно уж горячую водичку включить. Посилання на коментар Поділитися на інших сайтах More sharing options...
Interso Опубліковано: 23 січня 2013 Поділитись Опубліковано: 23 січня 2013 интересно же сначала "убить" котел а потом иметь проблемы.. кстати по моему неплохие проблемы могут быть с теплым полом если туда сильно уж горячую водичку включить. С ТП ничего небудет а вот с котлом может быть. Посилання на коментар Поділитися на інших сайтах More sharing options...
Рекомендовані повідомлення
Створіть акаунт або увійдіть у нього для коментування
Ви маєте бути користувачем, щоб залишити коментар
Створити акаунт
Зареєструйтеся для отримання акаунта. Це просто!
Зареєструвати акаунтУвійти
Вже зареєстровані? Увійдіть тут.
Увійти зараз