Перейти до публікації
Пошук в
  • Додатково...
Шукати результати, які містять...
Шукати результати в...

Junkers Ceramini ZSR8 11 KE нет реакции на регулятор температуры

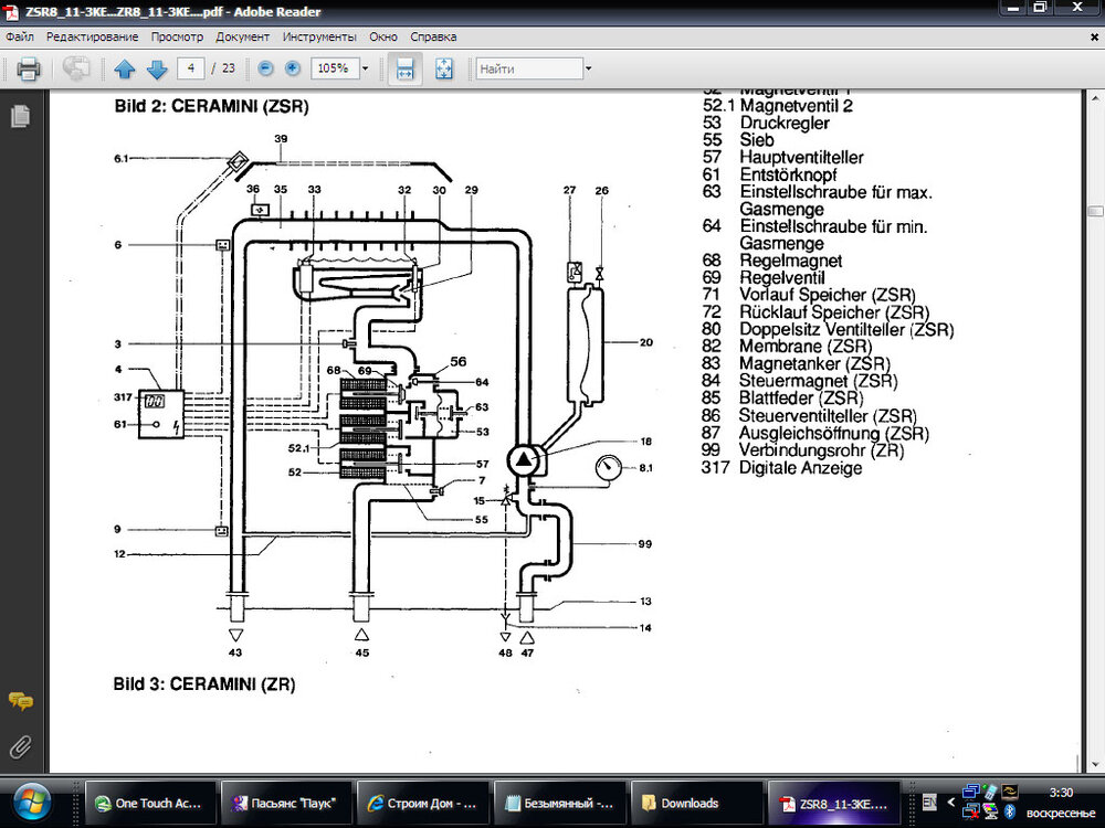
comprex

Рекомендовані повідомлення

Запускаю старичка ,б.у из Германии .

Заклинен был 3х-ходовик , снял его - ГВС не нужен, в этом варианте (здесь смешивается санитарная и отопительная вода штатно ) .Соленоид оставил подключенным , чтобы не было ошибок .

Старт без разницы , что в положение I , что II (зима-лето) проходит штатно Р1,Р2,Р3,Р4,Р5 дальше показание температуры на теплообменнике .

Пожиг нагрев . Регулятор на минимуме ,что ГВС , что Отопления , а температура растёт .

Модуляции не наблюдается .

На 86градусах срабатывает первый датчик перегрева (биметеллический похоже).

Газ тухнет остываем до 80-82 , дальше поджиг и так по-кругу.

 

Перключатель "Трубочист"(3х позиционный) в положение мин. -высота пламени уменьшается заметно , положение макс -увеличивается .

На экране температура показывается адекватно .

Если снять клеммы с NTC -загорается ошибка .

Судя по схеме NTC - один и тот же , на показометр и на измерение температуры .

 

В чём проблема ? Куда копать ?

1837937341_.thumb.jpg.86d40a6b4d146484ac336b32bc1bf33d.jpg

Посилання на коментар
Поділитися на інших сайтах

Створіть акаунт або увійдіть у нього для коментування

Ви маєте бути користувачем, щоб залишити коментар

Створити акаунт

Зареєструйтеся для отримання акаунта. Це просто!

Зареєструвати акаунт

Увійти

Вже зареєстровані? Увійдіть тут.

Увійти зараз
×
×
  • Створити...