miv-174 Опубліковано: 21 червня 2013 Автор Поділитись Опубліковано: 21 червня 2013 Пока я бурил главный помошник проявлял недовольства к нитке))), у него постоянно слетал головной убор 1 Посилання на коментар Поділитися на інших сайтах More sharing options...
miv-174 Опубліковано: 21 червня 2013 Автор Поділитись Опубліковано: 21 червня 2013 здесь ему намного лучше)) 1 Посилання на коментар Поділитися на інших сайтах More sharing options...
miv-174 Опубліковано: 21 червня 2013 Автор Поділитись Опубліковано: 21 червня 2013 Доску сложил сушиться, сырая сосна, хорошо накрыл и сделал большые продухи, надеюсь не почернеет, хотя неважно это ведь на опалубку, главное чтоб не повило винтом Посилання на коментар Поділитися на інших сайтах More sharing options...
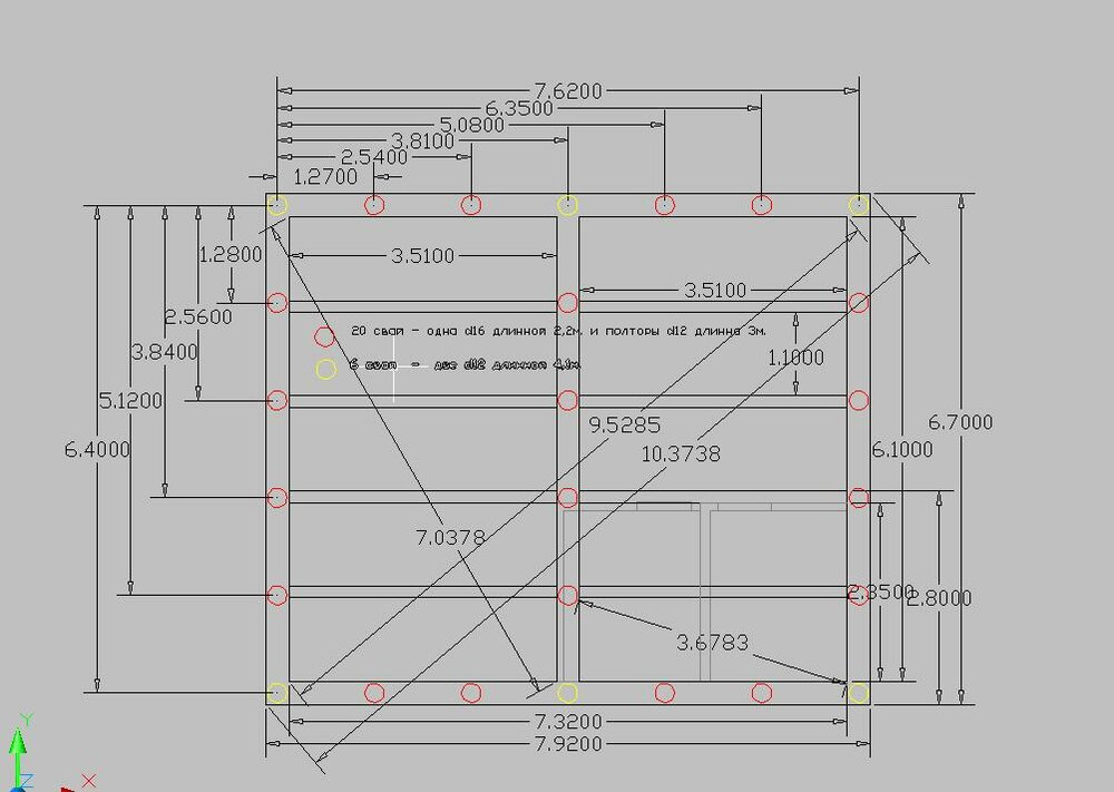
miv-174 Опубліковано: 21 червня 2013 Автор Поділитись Опубліковано: 21 червня 2013 последние варианты проэкта 1 Посилання на коментар Поділитися на інших сайтах More sharing options...
nickvas Опубліковано: 26 червня 2013 Поділитись Опубліковано: 26 червня 2013 последние варианты проэкта Я бы в котельной и санузле сделал бы окна. Не большие, в уровень верхнего края левого окна. И эти помещения бы можно было бы хорохо проветривать и стена бы не казалась "слепой на один глаз" 1 Посилання на коментар Поділитися на інших сайтах More sharing options...
miv-174 Опубліковано: 26 червня 2013 Автор Поділитись Опубліковано: 26 червня 2013 Я бы в котельной и санузле сделал бы окна. Не большие, в уровень верхнего края левого окна. И эти помещения бы можно было бы хорохо проветривать и стена бы не казалась "слепой на один глаз" Спасибо за критику, я думал об окошках, с точки зрения аварийного освещения вдруг свет например отключат, про проветривание предусмотрел вентиляцию отдельными трубами кухня, сан узел, котельная, единственное не определился с диаметром труб, чтоб не получилось так что она оказалась черезчур излишняя и в не улетало тепло и деньги))), может 100 или 70 в диаметре. Вот в котельной вы меня точно убедили поставить окошечько))), стена и правда примет другой эстетический вид 1 Посилання на коментар Поділитися на інших сайтах More sharing options...
miv-174 Опубліковано: 1 липня 2013 Автор Поділитись Опубліковано: 1 липня 2013 Процесс движется медленно и тяжело. Ножем вырезал верхний слой грунта 5-10 см, как резка торта, кусочками. вырезал для того чтоб бур точно знал центр бурения. Суставы рук от таких работ чувствуют себя не очень хорошо. Далее игрался буром.... кочаются все мышцы, особонно пресс и крылья;), в первый день осилил на жаре 7 лунок, бурил пока только на 1 метр, оставшие 19 лунок бурили в двоем, конечно в двоем легче но вымотались не хуже чем я один, лунки получаютя идеально ровные, бур замечательно срезает корни мелкой растительности и заглатывает камни до 5 см, более крупные выковыривал в ручную Посилання на коментар Поділитися на інших сайтах More sharing options...
miv-174 Опубліковано: 2 липня 2013 Автор Поділитись Опубліковано: 2 липня 2013 Учтена критика, проработано расположение окон, единственное мне не совсем устраивает расположение окна в котельной-нет соосности с верхним окном в детской, время есть еще подумаем Посилання на коментар Поділитися на інших сайтах More sharing options...
miv-174 Опубліковано: 2 липня 2013 Автор Поділитись Опубліковано: 2 липня 2013 Да и покоровать доски нужно обязательно. От чего она чернеет? конечно ясно что от влаги, но .... её надо в сушильных камерах сушить-это тож понятно, а как в домашних условиях избежать этого, я не переживаю за данную доску(опалубке какая разница) я переживаю за будущие купленные балки и лаги, я так понял, что обработка-эт тоже понятно, а разве просушка в естественных условиях под навесом не катит? И что плохого от этой черноты?Вид? или это своеобразная гниль древесины Добавлено через 3 минуты в котельне 800*1200 чем обоснован выбор такого большого окна в котельной? освещенность или нормы строительные Добавлено через 3 минуты Народ практикует бурение мотобуром, взятым в аренду, а расширение - буром ТИСЭ-Ф. Выиграли бы время и здоровье не уграли бы. Я больше переживаю за свое здоровье когда будем замешивать 5 кубов бетона в бетономешалке. Вы же тоже мешали большой обьем, вот по вашему опыту присматриваю бетономешалку обьемом бака 200 литров, думаю литров по 90 можно будет замешивать 1 Посилання на коментар Поділитися на інших сайтах More sharing options...
miv-174 Опубліковано: 12 липня 2013 Автор Поділитись Опубліковано: 12 липня 2013 Медленно, но уверенно стройка идет, пролевные дожди пришли и к нам, за пару часов соорудили навес, доски под пленкой даже не прибивал, дождь к нам не проникнет. одновременно собирал бетономешалку, ну естественно с помошником(сыном), мешалка на 200л, 750 ВТ даже не знаю сколько она сможет замешивать , знаю что 80-90 литров бетона точьно замешает, а на большее не уверен в ее мощьности, может кто то уверен??? Так же в будни после работы прихожу добуриваю дырочки под буронабивные сваи, из опыта заметил, что на уровне 110 см грунт очень плотный, из чего сделал выводы, что данная глубина это глубина промерзания, а по СНИПу она у нас 180 см, не стал бурить лишнее по СНИПу , бурить решил на 110 + 50 см , 50 см -необходимое растояние для расширения на 60 см, чтоб вся часть расширения находилась на глубине промерзания и подошва опоры также в плотном грунте, по расчетам и испытаниям где то 3,5 кг на квадратный см(несущая способность грунта), несущая способность одной сваи около 10 тонн * 26шт. =260 тонн критический вес дома, расчет веса дома показал 150 тонн с мебелью и максимальной загрузкой пола (500кг/м*2), значит все идет по плану. Количество арматуры в сваи принял 350мм*2 один прут D16 и три D8, обоснования данного выбора это преобретенная двух метровая арматура по очень дешовой цене у товарища, вот решил эти коротыши(не 6м и не 11,7 м) использовать, по сечению в сумме достаточно. Посилання на коментар Поділитися на інших сайтах More sharing options...
Игореха Опубліковано: 12 липня 2013 Поділитись Опубліковано: 12 липня 2013 (змінено) мешалка на 200л, 750 ВТ даже не знаю сколько она сможет замешивать , знаю что 80-90 литров бетона точьно замешает, а на большее не уверен в ее мощьности, может кто то уверен??? Вы про ту мешалку, что на фотографиях? А попробуйте 10-литровыми ведрами в нее воды налить,пока не начнет выливаться ;) 80-90 литров, это как раз полный объем, по моему. А эффективный 5-6 ведер. Хотя может и визуальный обман - глазу зацепиться не за что. Но 200 литров - это бочка. Змінено 12 липня 2013 користувачем Игореха Посилання на коментар Поділитися на інших сайтах More sharing options...
miv-174 Опубліковано: 12 липня 2013 Автор Поділитись Опубліковано: 12 липня 2013 вот меня тоже терзают сомнения по поводу обьема в заявленные 200л, седня измерю, отпишусь)) Посилання на коментар Поділитися на інших сайтах More sharing options...
miv-174 Опубліковано: 12 липня 2013 Автор Поділитись Опубліковано: 12 липня 2013 Вот на этом фото размерность лучше просматривается, кстате литров 150 там точьно есть! на фото урна в центре выдачи в интернет магазина, Россия богатеет:D 1 Посилання на коментар Поділитися на інших сайтах More sharing options...
Игореха Опубліковано: 12 липня 2013 Поділитись Опубліковано: 12 липня 2013 Вот на этом фото размерность лучше просматривается, кстате литров 150 там точьно есть! на фото урна в центре выдачи в интернет магазина, Россия богатеет:D О, теперь виднее Таки похожа Правда, не понимаю я эти бетономешалки, с объемом больше 130 литров - хлипковатые механизмы для таких нагрузок. Посилання на коментар Поділитися на інших сайтах More sharing options...
miv-174 Опубліковано: 12 липня 2013 Автор Поділитись Опубліковано: 12 липня 2013 Правда, не понимаю я эти бетономешалки, с объемом больше 130 литров - хлипковатые механизмы для таких нагрузок. Вот и я хотел понять))), хорошо это 200 л. или .... . Я предпологаю процесс замеса будет эфективней и быстрее по времени! Посилання на коментар Поділитися на інших сайтах More sharing options...
Игореха Опубліковано: 12 липня 2013 Поділитись Опубліковано: 12 липня 2013 Вот и я хотел понять))), хорошо это 200 л. или .... . Я предпологаю процесс замеса будет эфективней и быстрее по времени! Где-то в моей теме проскакивает фото старой, доброй совковой бетономешалки. Эффективный объем до 240 литров. Нормальный - 200. Она пережила уже минимум 5 строек. И до сих пор в строю Но там - совок:D Рама из швелеров, и т.д. ПС вот, нашел. Пластиковая бочка - 1,5 куба для сравнения. Посилання на коментар Поділитися на інших сайтах More sharing options...
miv-174 Опубліковано: 12 липня 2013 Автор Поділитись Опубліковано: 12 липня 2013 Где-то в моей теме проскакивает фото старой, доброй совковой бетономешалки. Эффективный объем до 240 литров. Нормальный - 200. Она пережила уже минимум 5 строек. И до сих пор в строю Но там - совок Рама из швелеров, и т.д. ПС вот, нашел. Пластиковая бочка - 1,5 куба для сравнения. Вот это ВЕЩИЦА, согласен, 60 т.р. у нас подобная стоит, на работе преобрели себе в наличие с движком на 1,5 кВт Посилання на коментар Поділитися на інших сайтах More sharing options...
Игореха Опубліковано: 12 липня 2013 Поділитись Опубліковано: 12 липня 2013 Вот это ВЕЩИЦА, согласен, 60 т.р. у нас подобная стоит, на работе преобрели себе в наличие с движком на 1,5 кВт Мне вообще повезло. Эту бетономешалку я выкупил у человека лет 18 назад за 100уе, после того как он закончил строить свой 4-х этажный дом из бута. Перед этим она прошла еще как минимум одну серъезную стройку. Потом сотруднику давал в пользование - монолитил порядка 80 кубов бетона. Боевая Двиг правда не помню точно какой, но двушка там есть. 1 Посилання на коментар Поділитися на інших сайтах More sharing options...
miv-174 Опубліковано: 16 липня 2013 Автор Поділитись Опубліковано: 16 липня 2013 Вот и я хотел понять))), хорошо это 200 л. или .... . Я предпологаю процесс замеса будет эфективней и быстрее по времени! все выясненно физически))) максимальный вес раствора мешалка замешивала обьемом 60 литров, это с учетом того что эл. питание у нас в садовом товариществе проседает и до 110 В, Вот и вывод при нормальном 220В замесит она 80-90 литров как я и говорил это для мощьности 750 Вт. А то что обьем 200 литров это хорошо, замешивается гораздо быстрее! Замешивал 1:2:4:0,8 (Ц:П:Щ:В) - это все по обьему; (19,33:40,7:83,2:10,8) - это по весу, получится точьне не меньше планируемого М200, но скорей всего М250, кстате сделал кубик 10:10 см, по истечению 28 суток отправлю в лабораторию. Соотношение щебня к песку подбирал по пустотности щебня, она составила ровно 50%, а в песке пустотность составила 37% - это значит цемента необходимо на обволакивания песка не менее 40% от пустотности песка, я сыпал 50% (с запасом))), воды уходило не более 0,6 (по В/Ц в кг) отношению. Посилання на коментар Поділитися на інших сайтах More sharing options...
miv-174 Опубліковано: 16 липня 2013 Автор Поділитись Опубліковано: 16 липня 2013 (змінено) Изготовил на работе минут за 30 вязальный крючек, который в дальнейшем оч понравился моему сыну и он смотря на меня начал вязать:D. Арматура длинной 2,2 метра три D8 и один прут D16(как говорилось ранее), D16 прут устанавливал ориентировочно от улицы, т.е. направленым во внутрь дома, т.к. морозное пучение восновном будет действовать с улицы и давить на столб в сторону дома. В углах дома и по краям средней балки фундамента делаю 4 прута D12, длинной три метра (потом подрежу), вязальная проволока у меня 1 мм, приходилось в 4 нитки вязать, так что лучше использовать 1,4 или 1,6 мм Змінено 16 липня 2013 користувачем miv-174 1 Посилання на коментар Поділитися на інших сайтах More sharing options...
miv-174 Опубліковано: 16 липня 2013 Автор Поділитись Опубліковано: 16 липня 2013 В процессе заливки скважин были и недорозумения, рубероид Г...О(оч тонкий и пропитан так себе, эх где советские нормы и госты) при заливки первой скважины, начал поправлять столб залитый, внизу произошел разрыв, беда молочко потекло, глиной замазывал скоротечьно, на последующих использовал два слоя рубероида, обвязывал столб сваи(верхушку рубероида) на первом сделал кольцо 250 мм в диаметре и до низу окутывал, получилось ужас(скважина получилась чуть больше в диаметре и обвязка сдавливала цилиндр рубе...а), на второй делал иначе по мере заливки верхушки столба обматывал постепенно с низу видимой части до верху и получилось супер ровный столб, я был рад, технология выработана! Так же на момент первого замеса отключали свет, перешли на замес в ручную, мульда у меня замечательная, больше чем на пол куба наверно, вот там замешивалось по 0,15 м3 бетона(она на втором, третьем и пятом фото), тяжелее, но ничего страшного размялся зато! Через каждые ведра три вибрировал самим арматурным каркасом(потрясыванием туда суда)))) и отдельным арматурным прутом. Грунт что был извлечем из скважин опорожнялся вокруг скважин и утрамбовывался ногами, для последующей заливки ротстверка все равно понадобится подсыпка. 2 Посилання на коментар Поділитися на інших сайтах More sharing options...
miv-174 Опубліковано: 16 липня 2013 Автор Поділитись Опубліковано: 16 липня 2013 разумеется, РКК-350 использовать нельзя, я пользуюсь еврорубероидом на основе стекловолокна Дак у него и цена поди на порядок выше, на мои нужды проце рубероит! а вот на гидроизоляцию он уже поди не подет и надо брать евро рубероид!? Посилання на коментар Поділитися на інших сайтах More sharing options...
miv-174 Опубліковано: 22 липня 2013 Автор Поділитись Опубліковано: 22 липня 2013 В ходе добурения свай были доработки процесса бурения, для бурения необходимо прилогать большие усилия чтобы проворачивать его, но и одновременно необходимо бур так же давить с верху, чтоб он четко нарезал пласты глины в грунтоприемник( все это вызванно тем, что заработал я на начальном этапе строительства грыжу диафрагмальную, та что лечится без операционно), для облегчения увеличили плече трубой, а для тяжести накидывали тиски килограм 30, процесс пошел иначе, быстрее и без передышек(что б мышцы отдыхали), один ходит по кругу, а втротой держит центр. три круга и вытаскиваем опорожняем, за одно опорожнение проходит 7-10 см грунта. Затармаживает так же еще и опорожнение бура, глина налипает на все что можно и чистка происходит с помощью ножа и прута. Весь извлеченный грунт утрамбовываем тут же вокруг колонн заранее, позже все равно необходимо будет подсыпать под ротстверк 4 Посилання на коментар Поділитися на інших сайтах More sharing options...
etalonukr Опубліковано: 22 липня 2013 Поділитись Опубліковано: 22 липня 2013 Поздравляю вас, процес сдвинулся с мертвой точки А почему высота свай разная?? Посилання на коментар Поділитися на інших сайтах More sharing options...
miv-174 Опубліковано: 23 липня 2013 Автор Поділитись Опубліковано: 23 липня 2013 А почему высота свай разная?? Она одинаковая, заливаю на 3-5 см выше будущего ротстверка, а рубероид где больше торчит где меньше, я его еще не подрезал, оставляю чтоб воду подливать. кстате а как долго бетону необходим полив, я первые два-три дня увлажняю и се! Этого достаточно? Во второй по счету сваи арматуры совсем не видать, хотел чуть подлить бетон , отвибрировать и вытащить, и потом уже не смог вытащить , так и осталась одна свая без заводки арматуры в ротстверк, думаю это совсем не страшно. Посилання на коментар Поділитися на інших сайтах More sharing options...
Рекомендовані повідомлення
Створіть акаунт або увійдіть у нього для коментування
Ви маєте бути користувачем, щоб залишити коментар
Створити акаунт
Зареєструйтеся для отримання акаунта. Це просто!
Зареєструвати акаунтУвійти
Вже зареєстровані? Увійдіть тут.
Увійти зараз