Перейти до публікації
Пошук в
  • Додатково...
Шукати результати, які містять...
Шукати результати в...

Гараж. Нужен конструктор.

Leon

Рекомендовані повідомлення

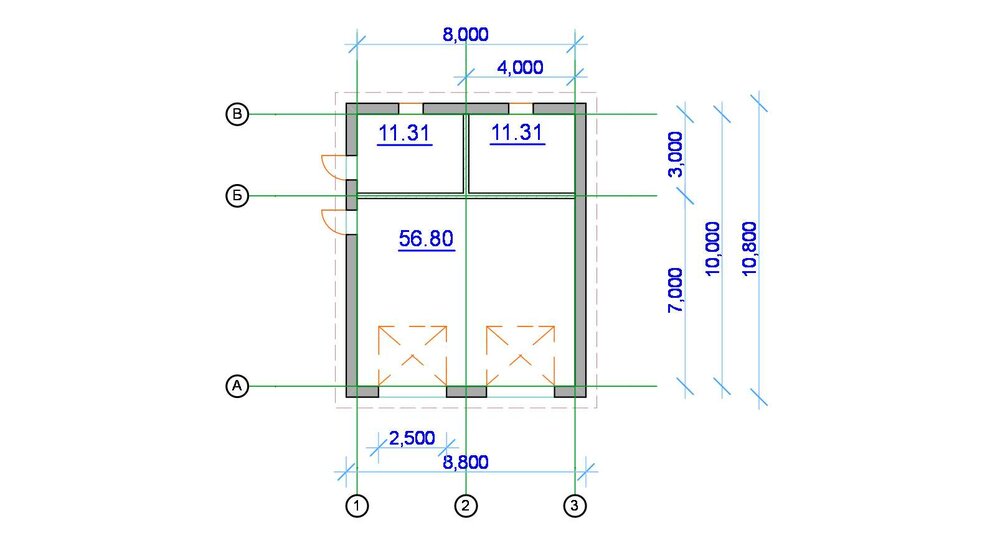
Хочу построить гараж.

Фундамент - блоки 260х60х40, т.к. они уже есть на участке в большом кол-ве.

Стены - газоблок.

Перекрытие - вопрос.

Есть результаты геологических изысканий - делались под дом. Гараж планируется в 8-ми метрах от дома.

Как я себе вижу гараж + хоз. помещеня, изобразил на картинках.

Пол чердака - ну такой, чтоб по нему можно было спокойно ходить.

 

Какая информация еще нужна? Спрашивайте.

Garage1-2.thumb.jpg.41a4109f28d1ee961f026ef5c6c164e3.jpg

Garage1-2v.thumb.jpg.a1b040967d09894cbed04a14237f41d5.jpg

Garage1-2vo.thumb.jpg.70337820b978d7661b742049c57d0e01.jpg

Посилання на коментар
Поділитися на інших сайтах

Здравствуйте. Уточните пожалуйста высоту проемов ворот, а также: размер перемычки, размеры простенков, конфигурация крыши внутри гаража. Есть ли отдельный вход? На картинке изображены ворота с оформлением "филенка" . Вы склоняетесь именно к этому варианту? Какой предполагается цвет? Спасибо.
Посилання на коментар
Поділитися на інших сайтах

Створіть акаунт або увійдіть у нього для коментування

Ви маєте бути користувачем, щоб залишити коментар

Створити акаунт

Зареєструйтеся для отримання акаунта. Це просто!

Зареєструвати акаунт

Увійти

Вже зареєстровані? Увійдіть тут.

Увійти зараз
×
×
  • Створити...