ig127 Опубліковано: 19 вересня 2014 Поділитись Опубліковано: 19 вересня 2014 Два года назад поступил как правильный застройщик-заказал проект отопления, в котором источником тепла должен был быть конденс котел висман 222f c с бойлером для гвс на 100 л. Подвели газ и успели заложить трубу под конденсационный котел. Отопление теплыми полами, плюс батареи в пики холодов. Сейчас хочу переделать схему отопления, что бы появилась возможность поэтапного подключения различных источников тепла, и очень заинтересовал вот такая схема с баком-аккумулятором литров на 800 и двумя змеевиками внутри, для ГВС и гелиосистемы. Картинку стянул с сайта "Теплобак". Такие баки есть у теплобака, Austria e-mail, Vissman (цена дурная). Что нравится в этой схеме, можно подключить все газ, тен, тт котел, солнце,плюс забирать тепло коллекторами, для отопления, тк мы пока там не живем и мыться каждый день пока не будем и топить зимой будем по минимуму. Что волнует - как поведет себя система, когда натупит ПМЖ, и когда помыться минимум трем надо будет каждый день (змеевик 6кв м, 30л)? Специалисты, кто что думает? Кто монтировал такое? И есть кто, кто с такими баками сейчас мучается? Посилання на коментар Поділитися на інших сайтах More sharing options...
murava Опубліковано: 19 вересня 2014 Поділитись Опубліковано: 19 вересня 2014 Тут вся загвоздка не в баке, а в автоматике, которая сможет этим всем управлять. Не то чтобы ее нету, она очень даже есть. Но ее цена точно не меньше цены Вашего 222Ф. 1 Посилання на коментар Поділитися на інших сайтах More sharing options...
ig127 Опубліковано: 19 вересня 2014 Автор Поділитись Опубліковано: 19 вересня 2014 (змінено) Тут вся загвоздка не в баке, а в автоматике, которая сможет этим всем управлять. Не то чтобы ее нету, она очень даже есть. Но ее цена точно не меньше цены Вашего 222Ф. Вот пока не знаю, потому что отказавшись от этого дорогого котла, он в новой схеме не нужен, пойдет,наверное, конденсационный котел попроще и подешевле, можно было бы эти деньги инвенстировать в поэтапность и наращиваемость. Если на начальном этапе я подключу к баку только котел и получу тот же эффект что и с 222 за те же деньги, то уже буду в выигрыше на перспективу расширения. Хочу для себя решение, с учетом перспектив или их отсутствия пока на уровне перепроектирования котельной Змінено 19 вересня 2014 користувачем ig127 Посилання на коментар Поділитися на інших сайтах More sharing options...
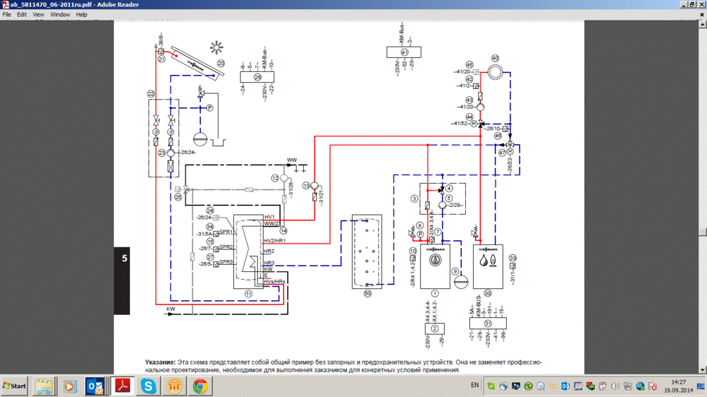
ig127 Опубліковано: 19 вересня 2014 Автор Поділитись Опубліковано: 19 вересня 2014 Вот одно из решений, которое предлагает висман на базе своего контроллера витотроник 200 с модулями расширения. Наверное, есть решения, не такие брендовые но нормально работающие. Знающие,дайте, плз, направление в поисках. Готов получить предложение на проектирование котельной, если, знаем, делали, работает, такие-то +\-. ПС Был бы газ всегда дешевый... или будет он вообще... ППС. А будет оно работать без бака 50 на схеме? Посилання на коментар Поділитися на інших сайтах More sharing options...
Рекомендовані повідомлення
Створіть акаунт або увійдіть у нього для коментування
Ви маєте бути користувачем, щоб залишити коментар
Створити акаунт
Зареєструйтеся для отримання акаунта. Це просто!
Зареєструвати акаунтУвійти
Вже зареєстровані? Увійдіть тут.
Увійти зараз