Перейти до публікації
Пошук в
  • Додатково...
Шукати результати, які містять...
Шукати результати в...

Помогите с переключением котлов

kottol

Рекомендовані повідомлення

Переключение котлов.

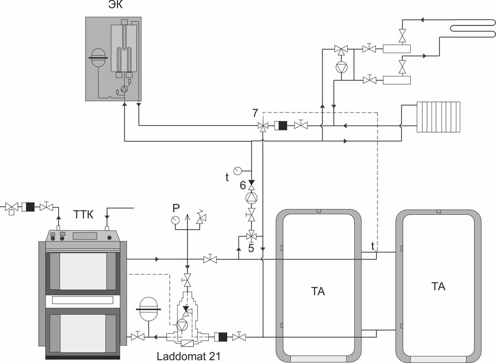
Собрана и работает СО согласно схеме.

ТТК работает в качестве основного, ЭК поддерживает температуру в перерывах между топками.

Температура ТТК выставляется трехходовым клапаном 5. ЭК имеет свою регулировку.

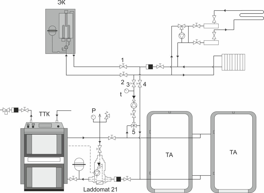
Котлы переключаются вручную – закрываем краны 1 и 2 и открываем 3 и 4, и наоборот.

Вопрос:

Как автоматизировать переключение котлов .

kot.thumb.jpg.c7b55ee603c42f5a136a2407dd87682b.jpg

Посилання на коментар
Поділитися на інших сайтах

Смотря какое условие переключения. Если с котла на котел просто переключить потоки- то трехходовку по температуре ... Ну например буфера- разгрузился буфер- переключили
  • Лайк 1
Посилання на коментар
Поділитися на інших сайтах

Если я правильно понял по обратке - так как на рисунке.

Нужны ли обратные клапаны на подачу (клапан 6)

Какой тип трехходового посоветуете, чтобы переключал (не подмешивал)

kot1.thumb.jpg.b34d624eca6f55395d984a9a8a151b7e.jpg

Посилання на коментар
Поділитися на інших сайтах

Створіть акаунт або увійдіть у нього для коментування

Ви маєте бути користувачем, щоб залишити коментар

Створити акаунт

Зареєструйтеся для отримання акаунта. Це просто!

Зареєструвати акаунт

Увійти

Вже зареєстровані? Увійдіть тут.

Увійти зараз
×
×
  • Створити...