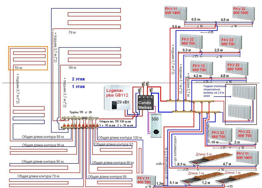
Vadoss1979 Опубліковано: 2 квітня 2015 Поділитись Опубліковано: 2 квітня 2015 Всем доброго времени суток. В ходе планирования системы отепления для своего строящегося дома было проведено много времени в прочтении данного форума, а также всяких иных ресурсов и мнений. В результате родилась схема, которую выношу на ваш суд, уважаемые форумчане. Характеристики объекта: Дом три уровня Подвал – 37 м2 (на начальном этапе отопление подвала не планируется); 1этаж - 118 м2; второй этаж - 102 м2. Материал стен дома ГБ 400 толщиной 500 мм., монолитные перекрытия (утепление торцов 100 мм. мин ваты). Кровля плоская утеплена 200 мм. ЭППС. Площадь остекления 50 м2. (в т.ч. три окна до пола общей площадью 14 м2). Три санузла. Отопление планируется от газового конденсационного котла – предположительно Logamax plus GB 112 (29 кВт). Отопление комбинированное – радиаторное + ТП + конвектора (под окнами до пола). Вопросы, на которые я пока не имею ответа: 1) Достаточно ли буден котлового насоса для покачивания радиаторной части системы отопления, при том, что согласно паспорта насос в котле Logamax plus GB 112 (29 кВт) - «Grundfos» UPER 25-50; 2) Достаточно ли будет насоса в блоке Condix для покачивания системы Теплых полов, при том, что насос в блоке Condix - Grundfos ALPHA2 15-60; 3) Правильно ли подобраны диаметры трубопроводов (указаны на схеме). Посилання на коментар Поділитися на інших сайтах More sharing options...
murava Опубліковано: 2 квітня 2015 Поділитись Опубліковано: 2 квітня 2015 Бессмысленность кондикса для будерусовской автоматики и в частности именно для 112ки мы уже обсуждали Посилання на коментар Поділитися на інших сайтах More sharing options...
Vadoss1979 Опубліковано: 2 квітня 2015 Автор Поділитись Опубліковано: 2 квітня 2015 Бессмысленность кондикса для будерусовской автоматики и в частности именно для 112ки мы уже обсуждали Рад Вас видеть в этой теме, Андрей. Спасибо, что зашли. Действительно этот вопрос мы уже начали обсуждать, но тогда мнения у Вас и Korni разошлись. Поэтому считаю что "тема не раскрыта". Т.е. Ваше предложение либо котел, с менее мудреной автоматикой, либо вместо condix другой вариант обвязки (например группы быстрого монтажа meibes)? При этом комплект из трех блоков (радиаторный, ТП, бойлер + коллектор) будут дороже. Предположим другой котел. Какой можете порекомендовать? А как насчет системы в остальном? И если гипотетически предложенная мной схема, то хвати ли насосов? А также, в чем бессмысленность - не будет нормаль работать или переизбыток (конфликт) автоматики? Посилання на коментар Поділитися на інших сайтах More sharing options...
murava Опубліковано: 2 квітня 2015 Поділитись Опубліковано: 2 квітня 2015 Коротко о кондиксе : работать будет, плюсов не привнесет. О гидравлике и насосах- не знаю, считать надо. Снаскоку - вроде должно работать. Посилання на коментар Поділитися на інших сайтах More sharing options...
Vadoss1979 Опубліковано: 2 квітня 2015 Автор Поділитись Опубліковано: 2 квітня 2015 О гидравлике и насосах- не знаю, считать надо. Снаскоку - вроде должно работать. Может поможете с расчетом, что то я пытался, но уверенности в правильности моих расчетов нет. И насчет смысла использования condix. По Вашему смысл будет если выбрать конденсационный котел с менее навороченной автоматикой? Не хочу показаться настырным, но какой котел для данной системы Вы могли бы порекомендовать. Посилання на коментар Поділитися на інших сайтах More sharing options...
Рекомендовані повідомлення
Створіть акаунт або увійдіть у нього для коментування
Ви маєте бути користувачем, щоб залишити коментар
Створити акаунт
Зареєструйтеся для отримання акаунта. Це просто!
Зареєструвати акаунтУвійти
Вже зареєстровані? Увійдіть тут.
Увійти зараз