Перейти до публікації
Пошук в
  • Додатково...
Шукати результати, які містять...
Шукати результати в...

Монтаж котельной. Подскажите найденые ошибки.

Vlad 123

Рекомендовані повідомлення

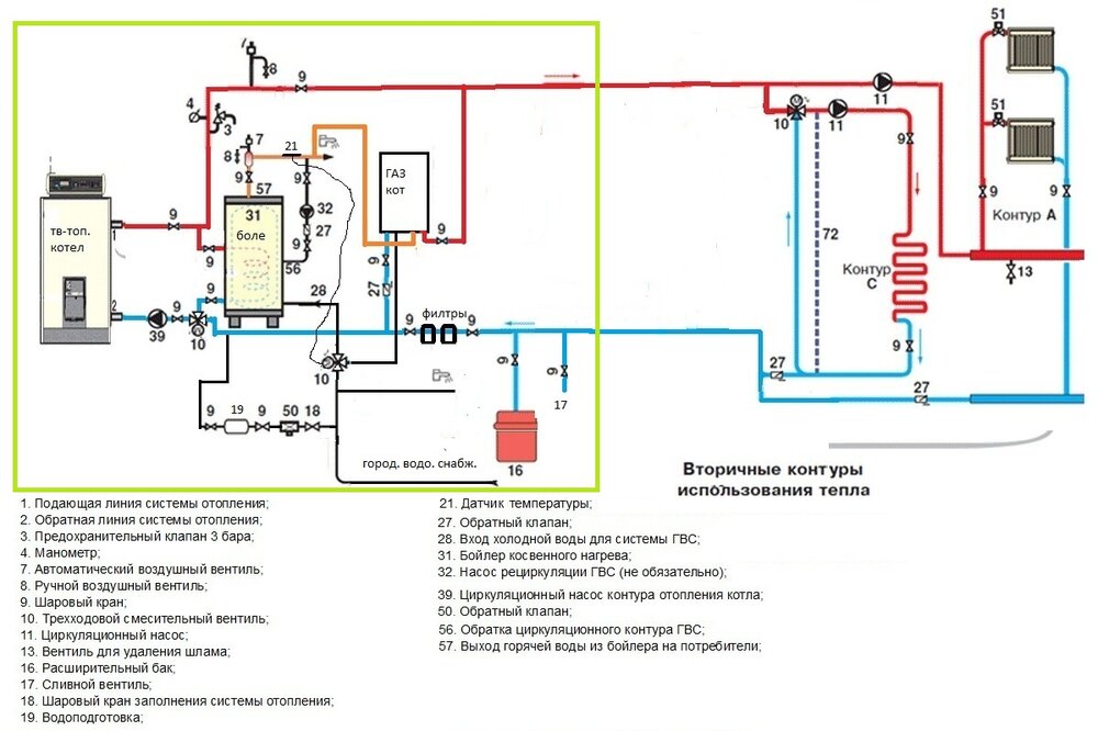
Монтирую котельную. Вижу все это так как на картинке рисовал сам.

знаю про гидрострелку но хотел бы без нее.

Боулер косвенного нагрева ставлю в приоритет и использую как байпас. ГВС хочу вытянуть горячую воду с бойлера а если станет холодной то трех ходовик переключит на газовый котел.

Если кто-то видит ошибки подскажите. Интересует разводка только в салатовом квадрате.

ЗА РАННЕЕ ВСЕМ БЛАГОДАРЕН.

851240004_.thumb.jpg.a77a68f231d0bb36248ada9a5cc52a14.jpg

Посилання на коментар
Поділитися на інших сайтах

По ходу у вас 2-х контурный котел.? Если 3-х ходовик переключит из котла в бойлер, значит отсечет хол воду в бойлер, нет протока воды в котле, котел не зажжется. Вы вообще представляете себе во сколько обойдется греть бойлер 2-х контурным котлом? Почему бы подачу из ТТ пустить в обратку ГК, подачу ГК в систему. Обратку из СО в ТТ.ТТ погас, включился ГК. Только нужно предусмотреть байпас, что бы ГК не грел холодный ТТ. Выводы воды из ГК врезать в магистраль потребителей. Вы же летом ТТ топить не будете ради бочки.:). А греть бочку летом, да еще хотеть горячую воду большая роскошь.
Посилання на коментар
Поділитися на інших сайтах

Возможно мы неправильно друг друга поняли.

По ходу у вас 2-х контурный котел.? Если 3-х ходовик переключит из котла в бойлер, значит отсечет хол воду в бойлер, нет протока воды в котле, котел не зажжется.

ГК котел 2-х контурный.

Согласен с тем что схематически 3-х ходовик на ХВС нарисован неправильно, обозначу стрелками движение воды (подачу хол. воды он открывает или на бойлер или переключает на ГК с помощью термо датчика 21

Вы вообще представляете себе во сколько обойдется греть бойлер 2-х контурным котлом?

Не вижу в этой схеме такой возможности.

Почему бы подачу из ТТ пустить в обратку ГК, подачу ГК в систему. Обратку из СО в ТТ.ТТ погас, включился ГК. Только нужно предусмотреть байпас, что бы ГК не грел холодный ТТ.

Если ТТ котел погаснет и в обратке СО упадет температура ниже допустимой то 3-х ходовик возле боулера закроет проток с СО, и получится непроточное замкнутое кольцо (подача бойлер ТТ подача). ГК в связи с холодной температурой обратки зажотся. ТТ котел и бойлер будут холодные и в летнее время тоже. Байпасом служит змеевик в бойлере.

Выводы воды из ГК врезать в магистраль потребителей. Вы же летом ТТ топить не будете ради бочки.. А греть бочку летом, да еще хотеть горячую воду большая роскошь.

ГВС с ГК врезано к потребителям возле смесителя с оранжевой линеей.

1338168709_.thumb.jpg.c3a055f40c000eb479122bc51932e9ec.jpg

Посилання на коментар
Поділитися на інших сайтах

Створіть акаунт або увійдіть у нього для коментування

Ви маєте бути користувачем, щоб залишити коментар

Створити акаунт

Зареєструйтеся для отримання акаунта. Це просто!

Зареєструвати акаунт

Увійти

Вже зареєстровані? Увійдіть тут.

Увійти зараз
×
×
  • Створити...