Wasabi Опубліковано: 5 жовтня 2015 Поділитись Опубліковано: 5 жовтня 2015 Я, вероятно, туплю капитальнейше, но я не могу понять, зачем нужно включать три фазы, и еще одну? Почему нельзя запитать из любой фазы L1, L2, L3. Это трехфазный нагреватель с симисторной схемой управления мощностью. Кто встречался? Посилання на коментар Поділитися на інших сайтах More sharing options...
ProTV Опубліковано: 5 жовтня 2015 Поділитись Опубліковано: 5 жовтня 2015 На схеме контактор, катушка контактора запитана от одной из фаз (странно, что питание на катушку разрывают по нулю, а не фазе). Нужно видеть всю схему! 1 Посилання на коментар Поділитися на інших сайтах More sharing options...
jenkins Опубліковано: 5 жовтня 2015 Поділитись Опубліковано: 5 жовтня 2015 Возможно для того, чтобы иметь возможность запитать автоматику от внешнего резервного источника, безперебойника, или другой независимой линии? Или с другой стороны, что должен делать нагреватель при наличии например только двух фаз? (к примеру одна пропала, а на ней было питание автоматики, два другие тены что должны делать?) 1 Посилання на коментар Поділитися на інших сайтах More sharing options...
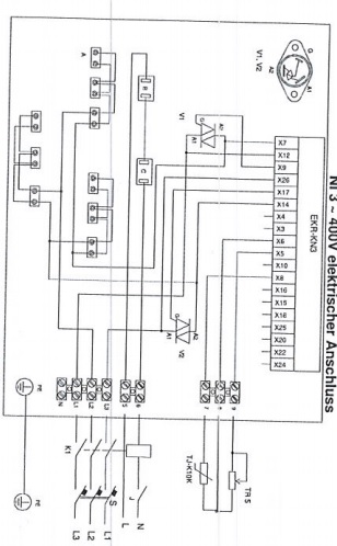
Wasabi Опубліковано: 5 жовтня 2015 Автор Поділитись Опубліковано: 5 жовтня 2015 Нужно видеть всю схему! Вся схема: Посилання на коментар Поділитися на інших сайтах More sharing options...
ProTV Опубліковано: 5 жовтня 2015 Поділитись Опубліковано: 5 жовтня 2015 Вся схема: Как и говорил питание катушки контактора (правда не совсем понятны прямоугольники B и С на схеме). Что за девайс, напишите. Скачал инструкцию, тама всё написано (ссылка устарела), где какой элемент. В и С - это термостаты защиты от перегрева. Питание катушки осущетвляется от любой из фаз, с отдельного автоматического выключателя. 1 Посилання на коментар Поділитися на інших сайтах More sharing options...
Wasabi Опубліковано: 5 жовтня 2015 Автор Поділитись Опубліковано: 5 жовтня 2015 с отдельного автоматического выключателя До меня только дошло. Питание надо заводить через контактор на вентиляторе, что-бы без работающего вентилятора не запитывался магнитный контактор нагрвателя. Защита от перегрева. Без протока воздуха. Посилання на коментар Поділитися на інших сайтах More sharing options...
Рекомендовані повідомлення
Створіть акаунт або увійдіть у нього для коментування
Ви маєте бути користувачем, щоб залишити коментар
Створити акаунт
Зареєструйтеся для отримання акаунта. Це просто!
Зареєструвати акаунтУвійти
Вже зареєстровані? Увійдіть тут.
Увійти зараз