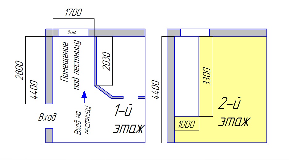
АБИ Опубліковано: 14 вересня 2016 Поділитись Опубліковано: 14 вересня 2016 Подскажите, какую лестницу можно сделать в проеме с шириной 1700мм, чтобы было удобно и красиво (высота 3000мм +/- 100мм ). Заранее большое СПАСИБО!!! Посилання на коментар Поділитися на інших сайтах More sharing options...
viksel Опубліковано: 14 вересня 2016 Поділитись Опубліковано: 14 вересня 2016 какую лестницу можно сделать в проеме с шириной 1700мм, чтобы было удобно и красиво Можно сделать любую,хоть со стекла хоть с мрамора,никто не знает что Вам нравится.Удобство зависит от параметров,в Вашем случае лестница более менее нормальная. Посилання на коментар Поділитися на інших сайтах More sharing options...
АБИ Опубліковано: 14 вересня 2016 Автор Поділитись Опубліковано: 14 вересня 2016 Можно сделать любую,хоть со стекла хоть с мрамора,никто не знает что Вам нравится.Удобство зависит от параметров,в Вашем случае лестница более менее нормальная. Я не о материалах, а о виде. не хотелось бы винтовую... если есть наглядный пример по этим параметрам, был бы весьма благодарен! Мне говорили что ширина минимум 1,9м, а у меня 1,7м... Посилання на коментар Поділитися на інших сайтах More sharing options...
viksel Опубліковано: 14 вересня 2016 Поділитись Опубліковано: 14 вересня 2016 Я не о материалах, а о виде. не хотелось бы винтовую... если есть наглядный пример по этим параметрам, был бы весьма благодарен! Мне говорили что ширина минимум 1,9м, а у меня 1,7м... Недавно такую сделал,параметры 2800\1800\3000 приблезительно как у Вас,достаточно удобная. 1 Посилання на коментар Поділитися на інших сайтах More sharing options...
АБИ Опубліковано: 14 вересня 2016 Автор Поділитись Опубліковано: 14 вересня 2016 Недавно такую сделал,параметры 2800\1800\3000 приблезительно как у Вас,достаточно удобная. Нравится, а -100мм не сильно повлияет на удобство? И какая приблизительно цена под ключ? Посилання на коментар Поділитися на інших сайтах More sharing options...
viksel Опубліковано: 14 вересня 2016 Поділитись Опубліковано: 14 вересня 2016 а -100мм не сильно повлияет на удобство? Думаю что не сильно. какая приблизительно цена под ключ? если под новый год устроит по срокам то можна сделать.По ценам лутше звонить. Посилання на коментар Поділитися на інших сайтах More sharing options...
АБИ Опубліковано: 14 вересня 2016 Автор Поділитись Опубліковано: 14 вересня 2016 мне бы понимать цену на лестницу под мои размеры с дерева от и до (либо средняя) спасибо! Посилання на коментар Поділитися на інших сайтах More sharing options...
Дарья 496 Опубліковано: 19 вересня 2016 Поділитись Опубліковано: 19 вересня 2016 Подскажите, какую лестницу можно сделать в проеме с шириной 1700мм, чтобы было удобно и красиво (высота 3000мм +/- 100мм ). Заранее большое СПАСИБО!!! Мы с мужем столкнулись с такой же ситуацией как у вас. Долго думали над расчетом а также над удобством, в то же время, чтоб смотрелось красиво и уютно. Для решения этой проблемы нам помогла данная статья [email=www.stroimdom.com.ua/forum/forumdisplay.php?f=37]www.stroimdom.com.ua/forum/forumdisplay.php?f=37[/email] много чего интересного подчеркнули. Сейчас у нас дома красуется красивая конструкция. Добавлено через 1 минуту Подскажите, какую лестницу можно сделать в проеме с шириной 1700мм, чтобы было удобно и красиво (высота 3000мм +/- 100мм ). Заранее большое СПАСИБО!!! Мы с мужем столкнулись с такой же ситуацией как у вас. Долго думали над расчетом а также над удобством, в то же время, чтоб смотрелось красиво и уютно. Для решения этой проблемы нам помогла данная статья www.stroimdom.com.ua/forum/forumdisplay.php?f=37,много чего интересного подчеркнули. Сейчас у нас дома красуется красивая конструкция. Добавлено через 1 минуту Подскажите, какую лестницу можно сделать в проеме с шириной 1700мм, чтобы было удобно и красиво (высота 3000мм +/- 100мм ). Заранее большое СПАСИБО!!! Мы с мужем столкнулись с такой же ситуацией как у вас. Долго думали над расчетом а также над удобством, в то же время, чтоб смотрелось красиво и уютно. Для решения этой проблемы нам помогла данная статья remoo.ru/lestnica/kak-rasschitat-lestnicu-na-vtoroj-ehtazh/ много чего интересного подчеркнули. Сейчас у нас дома красуется красивая конструкция. Посилання на коментар Поділитися на інших сайтах More sharing options...
rul.32 Опубліковано: 19 вересня 2016 Поділитись Опубліковано: 19 вересня 2016 Мы с мужем столкнулись с такой же ситуацией как у вас. Долго думали над расчетом а также над удобством, в то же время, чтоб смотрелось красиво и уютно. Для решения этой проблемы нам помогла данная статья remoo.ru/lestnica/kak-rasschi...vtoroj-ehtazh/ много чего интересного подчеркнули. Сейчас у нас дома красуется красивая конструкция Как все просто Прочитал статью и Баццц, красивенная лестница нарисовалась. Посилання на коментар Поділитися на інших сайтах More sharing options...
Zharik Опубліковано: 19 вересня 2016 Поділитись Опубліковано: 19 вересня 2016 Два марші і площадка без всяких поворотних сходинок, якщо поміститься. Висоту сходинки беріть не більше 17 см а глибину район 30 см. і буде вам щастя. Посилання на коментар Поділитися на інших сайтах More sharing options...
shodyveletyk Опубліковано: 19 вересня 2016 Поділитись Опубліковано: 19 вересня 2016 Подскажите, какую лестницу можно сделать в проеме с шириной 1700мм, чтобы было удобно и красиво (высота 3000мм +/- 100мм ). Заранее большое СПАСИБО!!!Учитывая то как у вас идет перекрытие на втором этаже , вам нужно делать лестницу г-образной. Сама конструкция лестницы может бить разной (открытой,закрытой или комбинированой). Некоторые фото лестниц в нашем исполнение прикрепил. Только в вашем случаи нужно будет делать сразу поворотный ступени и йти на разворот . По срокам можем взяться за вашу лестницу приблизительно на декабрь месяц. 2 Посилання на коментар Поділитися на інших сайтах More sharing options...
АБИ Опубліковано: 21 вересня 2016 Автор Поділитись Опубліковано: 21 вересня 2016 Учитывая то как у вас идет перекрытие на втором этаже , вам нужно делать лестницу г-образной. Сама конструкция лестницы может бить разной (открытой,закрытой или комбинированой). Некоторые фото лестниц в нашем исполнение прикрепил. Только в вашем случаи нужно будет делать сразу поворотный ступени и йти на разворот . По срокам можем взяться за вашу лестницу приблизительно на декабрь месяц. Спасибо за наглядный пример! с поворотом все понятно. Все таки хотелось бы понимать ценовую политику... Посилання на коментар Поділитися на інших сайтах More sharing options...
Рекомендовані повідомлення
Створіть акаунт або увійдіть у нього для коментування
Ви маєте бути користувачем, щоб залишити коментар
Створити акаунт
Зареєструйтеся для отримання акаунта. Це просто!
Зареєструвати акаунтУвійти
Вже зареєстровані? Увійдіть тут.
Увійти зараз