Oleg8510 Опубліковано: 27 лютого 2017 Поділитись Опубліковано: 27 лютого 2017 (змінено) Всем привет,подскажите будет ли работать моя схема обвязки автоматического котла Альтеп- КТ-2ЕSHN 15кв. Вводные данные: Хозблок -первый этаж теплые полы 5 контуров общей площадью 34 м2.+гараж-2 батареи для поддержания плюсовой температуры+полотенцесушитель в С/У. Второй этаж жилой-отапливаться будет 50м2 -3 батареи+полотенцесушитель в С/У +бойлер косвенник планирую на 300л(планируется баня). Ну и хочу предусмотреть возможность подключения теплообменника бассейна(на всякий случай). Котел планирую топить агропелетой а вообще в нем можно топить и углем и дровами. Змінено 27 лютого 2017 користувачем Oleg8510 Посилання на коментар Поділитися на інших сайтах More sharing options...
naupv Опубліковано: 27 лютого 2017 Поділитись Опубліковано: 27 лютого 2017 Вы бойлер и бассейн посадили на один насос. Бассейн, что все время будет кипятиться? Обычно ставят загрузочные насосы с запросом на тепло. Посилання на коментар Поділитися на інших сайтах More sharing options...
Oleg8510 Опубліковано: 27 лютого 2017 Автор Поділитись Опубліковано: 27 лютого 2017 Вы бойлер и бассейн посадили на один насос. Бассейн, что все время будет кипятиться? Обычно ставят загрузочные насосы с запросом на тепло. Я исходил из того,что котел в режиме лето работает только на бойлер, ну и перед теплообменником поставил запорный кран...а лишний насос не охота ставить итак ИБП прийдется брать под киловат. Посилання на коментар Поділитися на інших сайтах More sharing options...
Сергей_84 Опубліковано: 28 лютого 2017 Поділитись Опубліковано: 28 лютого 2017 Схема не очень корректна. Теплые плы, радиаторы, бассейн нужно садить на насос, который будет работать после антиконденсационого трехходового клапана. На бойлер можете подавать теплоноситель напрямую из подачи котла и возвращать в обратку. Можно отдельным насосом, а можно задействовать тот же насос, что и на весь дом. Управлять подачей теплоносителя в бойлер и на теплообменинк можно двухходовыми электроклапанами. 1 Посилання на коментар Поділитися на інших сайтах More sharing options...
Oleg8510 Опубліковано: 28 лютого 2017 Автор Поділитись Опубліковано: 28 лютого 2017 (змінено) Схема не очень корректна. Теплые плы, радиаторы, бассейн нужно садить на насос, который будет работать после антиконденсационого трехходового клапана. На бойлер можете подавать теплоноситель напрямую из подачи котла и возвращать в обратку. Можно отдельным насосом, а можно задействовать тот же насос, что и на весь дом. Управлять подачей теплоносителя в бойлер и на теплообменинк можно двухходовыми электроклапанами. Если я понял правильно насосы батарей и ТП надо подключать так..? А что до электроклапанов я вообще не представляю как их подключить... Змінено 28 лютого 2017 користувачем Oleg8510 Посилання на коментар Поділитися на інших сайтах More sharing options...
Сергей_84 Опубліковано: 28 лютого 2017 Поділитись Опубліковано: 28 лютого 2017 Если я понял правильно насосы батарей и ТП надо подключать так..? А что до электроклапанов я вообще не представляю как их подключить... ну...почти...левый насос не нужен совсем. бойлер лучше подключите напрямую к котлу минуя трехходовой клапан. Если двухходовые не исполльзовать, то бойлер будет нагреваться всегда когда работает ТТ , выполняя роль такого себе буфера, защищающего систему от высоких температур, а теплообменник будете включать вручную по надобности. 1 Посилання на коментар Поділитися на інших сайтах More sharing options...
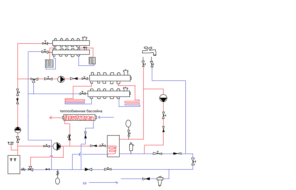
Oleg8510 Опубліковано: 1 березня 2017 Автор Поділитись Опубліковано: 1 березня 2017 ну...почти...левый насос не нужен совсем. бойлер лучше подключите напрямую к котлу минуя трехходовой клапан. Если двухходовые не исполльзовать, то бойлер будет нагреваться всегда когда работает ТТ , выполняя роль такого себе буфера, защищающего систему от высоких температур, а теплообменник будете включать вручную по надобности. Сергей спасибо за подсказки, схему переделал,но я не понял почему не нужен левый насос-который подает теплоноситель в том числе и на второй этаж. Этим котлом будет управлять блок управления-АЛЬТЕП IRYD RTZ в котором есть возможность управления как раз этими четырьмя насосами,в схеме я немножко изменил подключение насосов СО и ТП наверно так будет более корректно..? А по поводу бойлера я так и хотел чтобы он еще и выполнял роль небольшого буфера. Посилання на коментар Поділитися на інших сайтах More sharing options...
Сергей_84 Опубліковано: 1 березня 2017 Поділитись Опубліковано: 1 березня 2017 Сергей спасибо за подсказки, схему переделал,но я не понял почему не нужен левый насос-который подает теплоноситель в том числе и на второй этаж. Этим котлом будет управлять блок управления-АЛЬТЕП IRYD RTZ в котором есть возможность управления как раз этими четырьмя насосами,в схеме я немножко изменил подключение насосов СО и ТП наверно так будет более корректно..? А по поводу бойлера я так и хотел чтобы он еще и выполнял роль небольшого буфера. котловой насос будет полностью выполнять роль "левого насоса". Такая схема имела бы место быть при наличии гидрострелки, в вашем же случае это не нужно. Этот насос был бы необходим если бы вы поставили трехходовой клапан не только для подачи в теплый пол, но и на радиаторы. Тогда бы у вас и на радиаторах и на ТП было бы по насосу и по смесителному узлу. ЗЫ На бойлер в любом случае лучше предусмотреть балансировочный кран, чтобы можно было прижать бойлера чтобы он не был шунтом. 1 Посилання на коментар Поділитися на інших сайтах More sharing options...
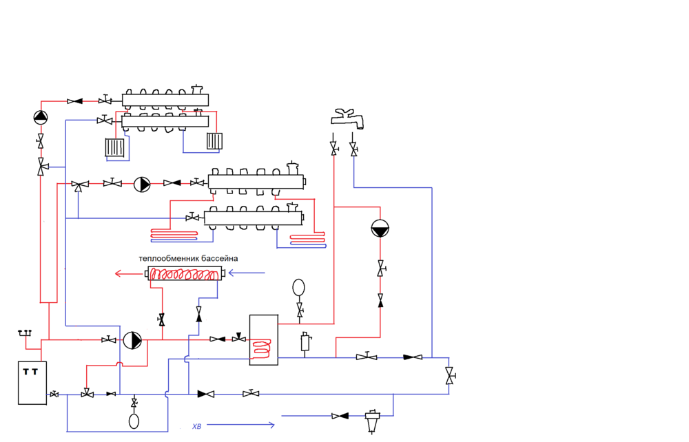
Oleg8510 Опубліковано: 2 березня 2017 Автор Поділитись Опубліковано: 2 березня 2017 котловой насос будет полностью выполнять роль "левого насоса". Такая схема имела бы место быть при наличии гидрострелки, в вашем же случае это не нужно. Этот насос был бы необходим если бы вы поставили трехходовой клапан не только для подачи в теплый пол, но и на радиаторы. Тогда бы у вас и на радиаторах и на ТП было бы по насосу и по смесителному узлу. ЗЫ На бойлер в любом случае лучше предусмотреть балансировочный кран, чтобы можно было прижать бойлера чтобы он не был шунтом. А если так его подключить-будет ли система сбалансирована и работоспособна... Посилання на коментар Поділитися на інших сайтах More sharing options...
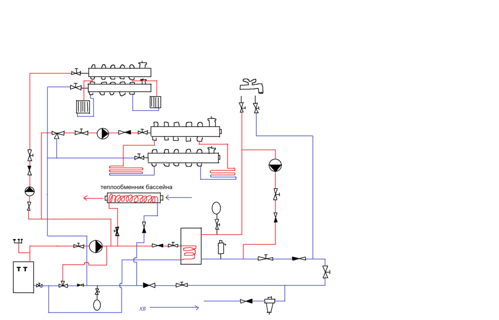
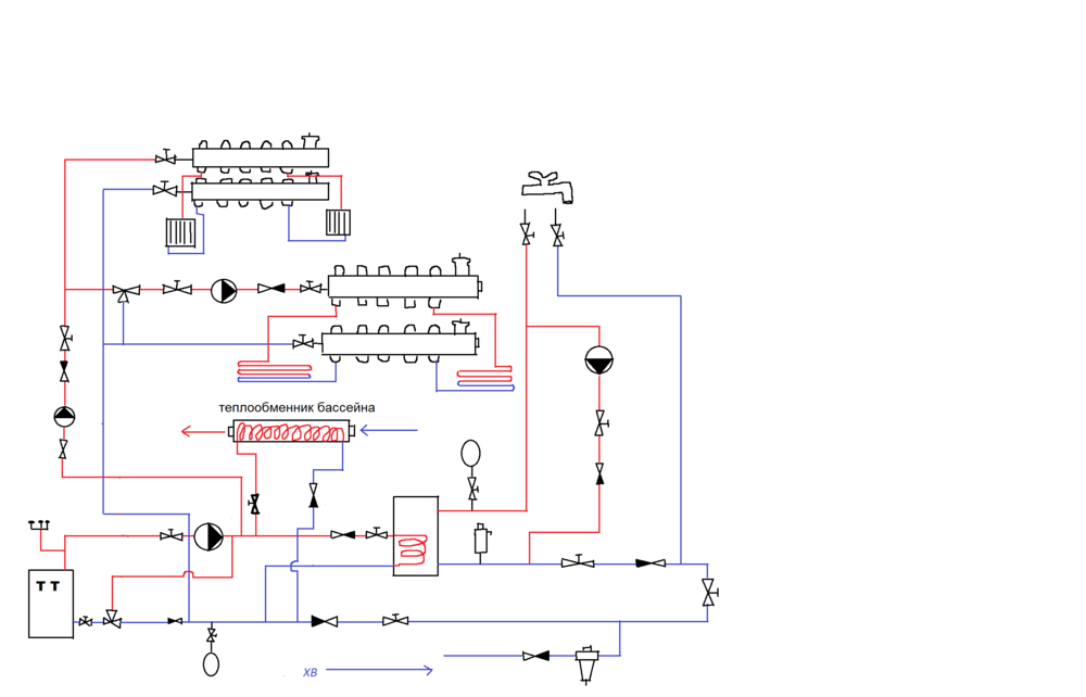
Сергей_84 Опубліковано: 2 березня 2017 Поділитись Опубліковано: 2 березня 2017 А если так его подключить-будет ли система сбалансирована и работоспособна... не... обратите внимание на эту схему.... или эту В первой бойлер будет выполнять роль разгрузки при тепловой инерции котла и схема будет более безопасной, а во второй более точно будет регулироваться температура в бойлере. Полы и бассейн просто параллельно подключите с радиаторами 1 Посилання на коментар Поділитися на інших сайтах More sharing options...
Рекомендовані повідомлення
Створіть акаунт або увійдіть у нього для коментування
Ви маєте бути користувачем, щоб залишити коментар
Створити акаунт
Зареєструйтеся для отримання акаунта. Це просто!
Зареєструвати акаунтУвійти
Вже зареєстровані? Увійдіть тут.
Увійти зараз