Перейти до публікації
Пошук в
  • Додатково...
Шукати результати, які містять...
Шукати результати в...

Заливка ленточного фундамента + плита в Боярке

Taras-ko

Рекомендовані повідомлення

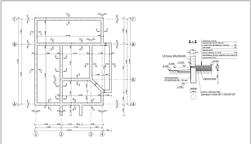
Нужно залить фундамент для одноэтажного жилого дома размером 11х14 м. Додаю проект фундамента.

 

1. Вынос и закрепления осей здания в натуру

1. Вырыть траншеи глубиной 1м. Ширина 0,4м. Возможно экскаватором, но доработать в ручную.

2. Постелить пленку.

3. Сделать монтаж арматурных каркасов.

4. Монтаж деревяной опалубки

5. Прием и заливка бетона

6. Демонтаж опалубки.

7. Обратная засыпка и утрамбовка песком и щебнем плиты.

8. Монтирование арматуры под плиту.

9. Прием и заливка бетона под плиту.

 

Жду ваших предложений.

Желательно со сметой на материалы и работу.

Лучше писать на вайбер или почту.

1917112916_.thumb.jpg.76e8a4d03dd55d73b427766b904157cf.jpg

Посилання на коментар
Поділитися на інших сайтах

Створіть акаунт або увійдіть у нього для коментування

Ви маєте бути користувачем, щоб залишити коментар

Створити акаунт

Зареєструйтеся для отримання акаунта. Це просто!

Зареєструвати акаунт

Увійти

Вже зареєстровані? Увійдіть тут.

Увійти зараз
×
×
  • Створити...