bodidron Опубліковано: 20 вересня 2018 Поділитись Опубліковано: 20 вересня 2018 (змінено) Одесская область, стены газобетон 375 D400, 1 этаж, холодный чердак Змінено 20 вересня 2018 користувачем Хохол Посилання на коментар Поділитися на інших сайтах More sharing options...
Хохол Опубліковано: 20 вересня 2018 Поділитись Опубліковано: 20 вересня 2018 добавляйте фото как надо 1 Посилання на коментар Поділитися на інших сайтах More sharing options...
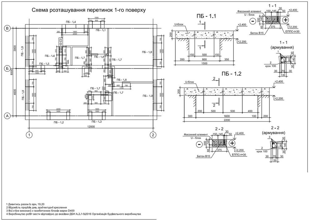
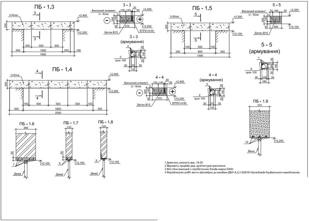
bodidron Опубліковано: 20 вересня 2018 Автор Поділитись Опубліковано: 20 вересня 2018 фото, вопрос в армировании, не слишком много? Посилання на коментар Поділитися на інших сайтах More sharing options...
АлексейЛ. Опубліковано: 22 вересня 2018 Поділитись Опубліковано: 22 вересня 2018 Нормально. Посилання на коментар Поділитися на інших сайтах More sharing options...
bodidron Опубліковано: 22 вересня 2018 Автор Поділитись Опубліковано: 22 вересня 2018 Нормально. а меньше можно?:D Посилання на коментар Поділитися на інших сайтах More sharing options...
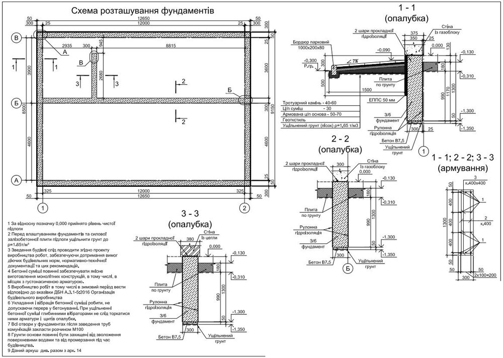
tansss Опубліковано: 22 вересня 2018 Поділитись Опубліковано: 22 вересня 2018 (змінено) Извините за прямоту, но тот кто начертил сие к строительству из ГБ имеет такое же отношение как я к микробиологии. по порядку... -Армирование и тд - норм! Лёс, сейсмика.... -Запроектирован пол по грунту! но не запроектированы фундаменты под перегородки. (Типичное колхоз решение:D) Анкерить пол к ленте и считать, что он не подвижен - бред! А вы ещё меньше хотите... добавлять надо! -Перемычки из У-блоков вычерчены так что доп утепление 30мм ЭППС со стороны дома :lol:, кроме того теплосопротивление в этом узле ниже нормы даже для вашего региона:D, тоже касается пояса - кладка стен из ГБ начинается на высоте 9см от отмостки - противоречит рекомендациям и руководству по устройству стен из ГБ - утепление цоколя - ниже нормы почти в два раза Змінено 22 вересня 2018 користувачем tansss Посилання на коментар Поділитися на інших сайтах More sharing options...
Рекомендовані повідомлення
Створіть акаунт або увійдіть у нього для коментування
Ви маєте бути користувачем, щоб залишити коментар
Створити акаунт
Зареєструйтеся для отримання акаунта. Це просто!
Зареєструвати акаунтУвійти
Вже зареєстровані? Увійдіть тут.
Увійти зараз