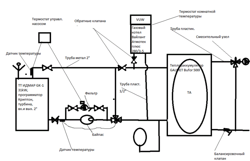
Oleg Опубліковано: 14 листопада 2018 Поділитись Опубліковано: 14 листопада 2018 Добрый день, прошу консультации. Наступило время установить ТТ котел. В доме 220кв.м. система отопления на газу. Монтировали люди Муравы, за что я им безгранично благодарен уже 8 лет. Полет отличный, ни одного сбоя. Котел Vaillant AtmoTEC plus VUW INT 280|3-5 размещен рядом с гребенкой ТП . Водяной ТП 70м.кв. + радиаторы Керми. Для установки ТТ ИДМАР GK-1 31кВт и ТА GALMET Bufor 500л. пристроена котельня к дому. ТТ и ТА буду на утановлены на расстоянии 4,5 метров от газового котла. Тоесть трубы (можно ли от газового до врезки в металлическую устанавливать полипропиленовую трубу?) от газового котла должны проложены 4,5 м до твердотопливника, не очень ли большая длина? Местный сантехник нарисовал мне вот такую схему (Он самоучка с ТА никогда не устанавливал). Прошу посмотреть имеет ли она право на жизнь? (Там по моему забыл он указать стрелочку от термостата управления насосом на газовый котел). Кто может посоветовать фирму изготовителя (средний уровень) и где мне приобрести все это по вменяемой цене ( желательно безнал)? Есть только ТТ котел и ТА. Посилання на коментар Поділитися на інших сайтах More sharing options...
murava Опубліковано: 14 листопада 2018 Поділитись Опубліковано: 14 листопада 2018 А какой алгоритм работы этой связки? Газовому котлу там не место, нет сенса греть газом полтонны лишней воды. Посилання на коментар Поділитися на інших сайтах More sharing options...
Oleg Опубліковано: 14 листопада 2018 Автор Поділитись Опубліковано: 14 листопада 2018 А какой алгоритм работы этой связки? Газовому котлу там не место, нет сенса греть газом полтонны лишней воды. Андрей, после минуты позора, я УЖЕ так подумал, что алгоритма никакого. Я просто сбросил схему и не удосужился в нее даже вникнуть. Я так понимаю, что газовый так и остается, завязывать его сюда нет никакого смысла, а ТТ с ТА увязать отдельным подключением к системе отопления. То есть: топим дровами от газового котла переключили подачу и обратку на ТТ и наоборот: топим газом - переключаем подачу и обратку на газовый котел. Так? Андрей, где купить можно нормально трехход. краны, насосы, байпас, и др? Посилання на коментар Поділитися на інших сайтах More sharing options...
murava Опубліковано: 14 листопада 2018 Поділитись Опубліковано: 14 листопада 2018 Без алгоритма никак низя. Ну, приходите, мы вас отоварим. Даже по безналу Посилання на коментар Поділитися на інших сайтах More sharing options...
Oleg Опубліковано: 14 листопада 2018 Автор Поділитись Опубліковано: 14 листопада 2018 Без алгоритма никак низя. Ну, приходите, мы вас отоварим. Даже по безналу Да, алгоритм нужен всегда. Посилання на коментар Поділитися на інших сайтах More sharing options...
Oleg Опубліковано: 27 квітня 2020 Автор Поділитись Опубліковано: 27 квітня 2020 Удалите пожалуйста мою тему Посилання на коментар Поділитися на інших сайтах More sharing options...
Рекомендовані повідомлення
Створіть акаунт або увійдіть у нього для коментування
Ви маєте бути користувачем, щоб залишити коментар
Створити акаунт
Зареєструйтеся для отримання акаунта. Це просто!
Зареєструвати акаунтУвійти
Вже зареєстровані? Увійдіть тут.
Увійти зараз