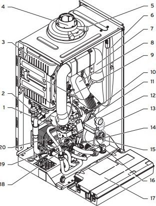
Miracle Опубліковано: 13 серпня 2019 Поділитись Опубліковано: 13 серпня 2019 (змінено) vaillant ecoTec plus VU oe, кто то обслуживал сам? Газовая арматура Датчик давления воды Теплообменник Подключение для системы подведения воздуха и газоотвода Измерительный патрубок отработанных газов Расширительный бак Воздухозаборная труба Компактный термомодуль Электрод розжига Вентилятор Быстродействующее устройство удаления воздуха Манометр Внутренний насос Приоритетный клапан Предохранительный клапан Наполнительное устройство Блок электроники Датчик крыльчатки (горячая вода) Перепускной клапан Змінено 13 серпня 2019 користувачем Miracle Посилання на коментар Поділитися на інших сайтах More sharing options...
Diver Опубліковано: 15 серпня 2019 Поділитись Опубліковано: 15 серпня 2019 И? ........................ Посилання на коментар Поділитися на інших сайтах More sharing options...
Miracle Опубліковано: 15 серпня 2019 Автор Поділитись Опубліковано: 15 серпня 2019 И? ........................ vaillant ecoTec plus VU oe, кто то обслуживал сам? поделитесь с чего начать и чем закончить )) спасибо Посилання на коментар Поділитися на інших сайтах More sharing options...
Николай_serv Опубліковано: 16 серпня 2019 Поділитись Опубліковано: 16 серпня 2019 поделитесь с чего начать Позвонить в сервис и чем закончить )) Убедиться в работоспособности котла. Рассчитаться за проделанную работу. Посилання на коментар Поділитися на інших сайтах More sharing options...
Miracle Опубліковано: 16 серпня 2019 Автор Поділитись Опубліковано: 16 серпня 2019 Убедиться в работоспособности котла. Рассчитаться за проделанную работу. вы точно тему топика читали? или у нас конкурс на самый остроумный ответ? специально для вас даже выделю жирным шрифтом- vaillant ecoTec plus VU oe, кто то обслуживал сам? Добавлено через 10 минут пойду на опережение )) и разьясню ситуацию. кому-то нравится сидеть дома пере телевизором, кто то любит отдыхать с секатором, а кто то любит делать что-то из дерева. я с детства люблю все разбирать и чинить (как хобби). вот я имея руки из правильного места, я надеюсь, имея желание хочу обслужить свой котел сам. но что бы не наделать ошибки спрашиваю опыт других. стоит заметить что я не прошу одолжить денег, не прошу показать кнопку бабло, даже не прошу приехать и сделать эту работу за меня, все что я прошу это поделиться своим опытом тем у кого он есть по данному вопросу. 1 Посилання на коментар Поділитися на інших сайтах More sharing options...
siscom Опубліковано: 16 серпня 2019 Поділитись Опубліковано: 16 серпня 2019 вы точно тему топика читали? или у нас конкурс на самый остроумный ответ? специально для вас даже выделю жирным шрифтом- vaillant ecoTec plus VU oe, кто то обслуживал сам? Добавлено через 10 минут пойду на опережение )) и разьясню ситуацию. кому-то нравится сидеть дома пере телевизором, кто то любит отдыхать с секатором, а кто то любит делать что-то из дерева. я с детства люблю все разбирать и чинить (как хобби). вот я имея руки из правильного места, я надеюсь, имея желание хочу обслужить свой котел сам. но что бы не наделать ошибки спрашиваю опыт других. стоит заметить что я не прошу одолжить денег, не прошу показать кнопку бабло, даже не прошу приехать и сделать эту работу за меня, все что я прошу это поделиться своим опытом тем у кого он есть по данному вопросу. Даже имея руки с правильного места, не советую самому лезть в котел. Но если все таки Вы так хотите, возьмите почитайте бамажки для специалиста, по монтажу, сервису, обслуживанию и настройке данного агрегата. Там все просто написанно и понятно, что за, что отвечает. Если не поймете что написанно в бамажках то лучше сервис как Вам написали. Посилання на коментар Поділитися на інших сайтах More sharing options...
Miracle Опубліковано: 16 серпня 2019 Автор Поділитись Опубліковано: 16 серпня 2019 (змінено) спасибо за совет. уже ближе. все же проще начать с опыта того кто уже обслуживал котел сам. тем более бумажек , которые можно почитать, собсвенно у меня и нет! может посоветуете? надеюсь вы не просто так от фонаря мне их советовали??? А по поводу специалистов, простите, ко мне уже приезжал парень хороший, наверняка умный, но Х минут решал в телефонном режиме с сервисным центром как разобрать колорматик от котла. По поводу обслуживания, простите, скорее всего там нужно отккрутить несколько болтов, 10-20 максимум, и почистить щеткой теплообменник. Я не думаю что это работа будет мне не по силам, но хотелось бы все же кое какие советы от тех кто имеет опыт. Змінено 16 серпня 2019 користувачем Miracle Посилання на коментар Поділитися на інших сайтах More sharing options...
siscom Опубліковано: 17 серпня 2019 Поділитись Опубліковано: 17 серпня 2019 спасибо за совет. уже ближе. все же проще начать с опыта того кто уже обслуживал котел сам. тем более бумажек , которые можно почитать, собсвенно у меня и нет! может посоветуете? надеюсь вы не просто так от фонаря мне их советовали??? А по поводу специалистов, простите, ко мне уже приезжал парень хороший, наверняка умный, но Х минут решал в телефонном режиме с сервисным центром как разобрать колорматик от котла. По поводу обслуживания, простите, скорее всего там нужно отккрутить несколько болтов, 10-20 максимум, и почистить щеткой теплообменник. Я не думаю что это работа будет мне не по силам, но хотелось бы все же кое какие советы от тех кто имеет опыт. Да не вопрос, бамажки есть на официальном сайте Вайллант, при установке данного агрегата они идут в комплекте, но иногда монтажная организация их изымает, для того что б потребитель не лез в данный аппарат сам. Ищите руководство для специалиста. Там много чего написанно. Для Вашего аппарата и для колорматика. Техника эта хорошая, не мешайте ей работать.)))) P.S. прежде чем делать манипуляции с аппаратом, входить в сервис аппарата, менять настройки- обязательно все внимательно прочтите. С Уважением всегда Ваш Вайллант. Посилання на коментар Поділитися на інших сайтах More sharing options...
Miracle Опубліковано: 17 серпня 2019 Автор Поділитись Опубліковано: 17 серпня 2019 С Уважением всегда Ваш Вайллант. теперь понятен ваш предыдущий ответ )) а не могли бы вы ссылочку дать конкретно на эти документы, я ничего не нашел по этому котлу. спс Посилання на коментар Поділитися на інших сайтах More sharing options...
Рекомендовані повідомлення
Створіть акаунт або увійдіть у нього для коментування
Ви маєте бути користувачем, щоб залишити коментар
Створити акаунт
Зареєструйтеся для отримання акаунта. Це просто!
Зареєструвати акаунтУвійти
Вже зареєстровані? Увійдіть тут.
Увійти зараз