Aleksandr Vorontsov Опубліковано: 1 листопада 2024 Поділитись Опубліковано: 1 листопада 2024 Доброго дня Маю питання стосовно MUST PV1800 ( PV18*3224VPM II). Перекомутував щиток таким чином, що всі необхідні автомати знаходяться на одній групі. Виділив цим автоматам власну нульову шину, але поки не розривав шини, тобто стоїть перемичка. При комутації нулів щитка вибило ПЗВ (щиток без напруги). З'ясувалося, що ПЗВ спрацовуэ через нуль на виході інвертора, він закорочений на масу ( дзвонится). Отже, ПЗВ відпрацьовує так як замикаються земля та нейтраль, це цілком нормально. На віході інверотора стоїть 3х позиційний перемикач І 0 ІІ. Питання полягає в тому, чи у всіх нуловий вихід з інвертора закорочено на землю? ( Маю 5 дротів на вводі , тобто корпус інвертора підєднано до PE) Що я роблю не так? Може не заморачуватись и віхід з інвертора комутувати без ПЗВ ? Але таким чином я об'єдную N та PE . Ще трохи додам, інвертор підключений до батарей, вхід до інвертора L та N підключений на вводі , потім іде ПЗВ. Посилання на коментар Поділитися на інших сайтах More sharing options...
Mr. D Опубліковано: 1 листопада 2024 Поділитись Опубліковано: 1 листопада 2024 3 хвилини тому, Aleksandr Vorontsov сказав: Отже, ПЗВ відпрацьовує так як замикаються земля та нейтраль, це цілком нормально У Вас ПЗВ або диференційний запобіжник? ПЗВ спрацьовує тільки тоді, коли струм на одному полюсі не дорівнює струмові на іншому полюсі, тобто з цієї лінії відбувся виток струму повз ПЗВ. 1 Посилання на коментар Поділитися на інших сайтах More sharing options...
Aleksandr Vorontsov Опубліковано: 1 листопада 2024 Поділитись Опубліковано: 1 листопада 2024 (змінено) Ніби ПЗВ, на скілкі я розумію, якщо інвертор має спільні нуль та землю, під час підключення починає бігти струм з нуля на землю, або с зели на нуль, от його і вимикає, бо по фазі нічого не біжить. Хоча я не зовсім розумію звідки йому взятись. Змінено 1 листопада 2024 користувачем Aleksandr Vorontsov Посилання на коментар Поділитися на інших сайтах More sharing options...
Mr. D Опубліковано: 1 листопада 2024 Поділитись Опубліковано: 1 листопада 2024 19 хвилин тому, Aleksandr Vorontsov сказав: Ніби ПЗВ, на скілкі я розумію, якщо інвертор має спільні нуль та землю, під час підключення починає бігти струм з нуля на землю, або с зели на нуль, от його і вимикає, бо по фазі нічого не біжить. Хоча я не зовсім розумію звідки йому взятись. У вас ПЗВ на 4 полюси? Або на два полюси? 1 Посилання на коментар Поділитися на інших сайтах More sharing options...
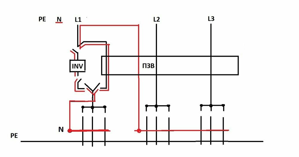
Aleksandr Vorontsov Опубліковано: 1 листопада 2024 Поділитись Опубліковано: 1 листопада 2024 Самє як на фото , 4 Посилання на коментар Поділитися на інших сайтах More sharing options...
Leader9 Опубліковано: 1 листопада 2024 Поділитись Опубліковано: 1 листопада 2024 Після інвертора не має бути поєднання N та PE. Має бути виключена можливість обходу струму в обхід ПЗВ . Посилання на коментар Поділитися на інших сайтах More sharing options...
Aleksandr Vorontsov Опубліковано: 1 листопада 2024 Поділитись Опубліковано: 1 листопада 2024 (змінено) 9 минут назад, Leader9 сказал: Після інвертора не має бути поєднання N та PE. Має бути виключена можливість обходу струму в обхід ПЗВ . От і я так вважаю, але навіть коли інвертор не підключений, тестер показує що виходи N та PE повʼязані напряму, на вході такого нема. Тому і запитую, може хтось перевірить у себе Змінено 1 листопада 2024 користувачем Aleksandr Vorontsov Посилання на коментар Поділитися на інших сайтах More sharing options...
Mr. D Опубліковано: 1 листопада 2024 Поділитись Опубліковано: 1 листопада 2024 (змінено) 19 хвилин тому, Aleksandr Vorontsov сказав: От і я так вважаю, але навіть коли інвертор не підключений, тестер показує що виходи N та PE повʼязані напряму, на вході такого нема. Тому і запитую, може хтось перевірить у себе А якщо корпус інвертора та всі розетки споживачів окремо під'єднати до заземлювача, а інвертор під'єднати тільки до двох проводів та відповідно споживачам з інвертора надати два проводи? Тоді як до інвертора, так й після інвертора можливо встановити ПЗВ, який за відсутності витоку струму не буде спрацьовувати. Та всі пристрої відповідно будуть все ще захищені заземлювачем. Змінено 1 листопада 2024 користувачем Mr. D 1 Посилання на коментар Поділитися на інших сайтах More sharing options...
Aleksandr Vorontsov Опубліковано: 1 листопада 2024 Поділитись Опубліковано: 1 листопада 2024 (змінено) 28 минут назад, Mr. D сказал: А якщо корпус інвертора та всі розетки споживачів окремо під'єднати до заземлювача, а інвертор під'єднати тільки до двох проводів та відповідно споживачам з інвертора надати два проводи? Тоді як до інвертора, так й після інвертора можливо встановити ПЗВ, який за відсутності витоку струму не буде спрацьовувати. Та всі пристрої відповідно будуть все ще захищені заземлювачем. Тобто ви маєте на увазі, що окрім шини по нулю, потрібно мати окрему шину для заземлення споживачив інвертора ? Змінено 1 листопада 2024 користувачем Aleksandr Vorontsov Посилання на коментар Поділитися на інших сайтах More sharing options...
Aleksandr Vorontsov Опубліковано: 1 листопада 2024 Поділитись Опубліковано: 1 листопада 2024 (змінено) Наразі схематично підключено так , там де розрив по N стоїть перемичка, пзв спрацювало коли інвертор взагалі був відключений від мережі, я просто почав підключати N провідник з виходу інвертора і спрацювало ПЗВ. Я поміряв тестером спротив на виході и зземленні і він показав шо спротив дорівнює нулю )). Це мене засмутило. Так, якщо прибрати перемичку і залишити окремо нульову шину при перемиканні на інвертор ПЗВ не спрацює, але я таким чином обїедную на інверторі нуль і землю, це трохи засмучує Змінено 1 листопада 2024 користувачем Aleksandr Vorontsov Посилання на коментар Поділитися на інших сайтах More sharing options...
Mr. D Опубліковано: 1 листопада 2024 Поділитись Опубліковано: 1 листопада 2024 (змінено) 11 хвилин тому, Aleksandr Vorontsov сказав: Тобто ви маєте на увазі, що окрім шини по нулю, потрібно мати окрему шину для заземлення споживачив інвертора ? Я уявляю собі це так, що заземлювач є тільки в одному екземплярі й тоді шина одна на всіх. В провідниках заземлення струм з'являється тільки тоді, коли щось невірно працює й цей факт фіксує ПЗВ (якщо, звісно, струм з лінії, яку контролює ПЗВ). Наявність струму в проводах заземлення захищає тим, що цей струм не йде іншим шляхом (наприклад, через людину). Змінено 1 листопада 2024 користувачем Mr. D 1 Посилання на коментар Поділитися на інших сайтах More sharing options...
Aleksandr Vorontsov Опубліковано: 1 листопада 2024 Поділитись Опубліковано: 1 листопада 2024 (змінено) Так але можна уявити ситуацію, коли на N присутній потенціал, маємо 3 фази , 1 навантажена більше, тобто N задіяно, коли ми об'єднуемо його з PE ток починає бігти на PE і ПЗВ спрацовує. Але я не можу уявити при яких умовах на N може бути потенціал, акщо вся єлектрика в квартирі відключена по L. Тобто я вимикаю основний автомат, він роз'єднує 3 фази на вході, так він не роз'єднує N, але звідки береться напруга на L та PE , яку бачить ПЗВ? Тому перше що хочу зрозуміти , це як воно у інших, чи дійсно нуль і земля на виході дзвоняться, може в мене інвертор бракований)) Змінено 1 листопада 2024 користувачем Aleksandr Vorontsov Посилання на коментар Поділитися на інших сайтах More sharing options...
Mr. D Опубліковано: 1 листопада 2024 Поділитись Опубліковано: 1 листопада 2024 34 хвилини тому, Aleksandr Vorontsov сказав: Так але можна уявити ситуацію, коли на N присутній потенціал, маємо 3 фази , 1 навантажена більше, тобто N задіяно, коли ми об'єднуемо його з PE ток починає бігти на PE і ПЗВ спрацовує. Але я не можу уявити при яких умовах на N може бути потенціал, акщо вся єлектрика в квартирі відключена по L. Тобто я вимикаю основний автомат, він роз'єднує 3 фази на вході, так він не роз'єднує N, але звідки береться напруга на L та PE , яку бачить ПЗВ? Тому перше що хочу зрозуміти , це як воно у інших, чи дійсно нуль і земля на виході дзвоняться, може в мене інвертор бракований)) ПЗВ працює зі струмом. Коли різниця струму стає більшою, ніж деяке значення, тоді ПЗВ й вимикає лінію. Яка напруга у вас між N та PE? 1 Посилання на коментар Поділитися на інших сайтах More sharing options...
Aleksandr Vorontsov Опубліковано: 1 листопада 2024 Поділитись Опубліковано: 1 листопада 2024 34 минуты назад, Mr. D сказал: ПЗВ працює зі струмом. Коли різниця струму стає більшою, ніж деяке значення, тоді ПЗВ й вимикає лінію. Яка напруга у вас між N та PE? Скажу пізніше, зараз на роботі) може в загалі землю поки не підключати, або додати опір між інвертором и колодкою PE Посилання на коментар Поділитися на інших сайтах More sharing options...
Leader9 Опубліковано: 1 листопада 2024 Поділитись Опубліковано: 1 листопада 2024 3 часа назад, Aleksandr Vorontsov сказал: Так але можна уявити ситуацію, коли на N присутній потенціал, маємо 3 фази , 1 навантажена більше, тобто N задіяно, коли ми об'єднуемо його з PE ток починає бігти на PE і ПЗВ спрацовує. Але я не можу уявити при яких умовах на N може бути потенціал, акщо вся єлектрика в квартирі відключена по L. Тобто я вимикаю основний автомат, він роз'єднує 3 фази на вході, так він не роз'єднує N, але звідки береться напруга на L та PE , яку бачить ПЗВ? Тому перше що хочу зрозуміти , це як воно у інших, чи дійсно нуль і земля на виході дзвоняться, може в мене інвертор бракований)) Та легко. Потенціал вимірюється відносно чогось.... - відсутнє або неправильне заземлення. - N та PE не мають поєднання до вводу. ПЗВ міряє дисбаланс між L та N . Куди дівається струм він не фіксує. тут і заземлення непотрібне для його роботи. Посилання на коментар Поділитися на інших сайтах More sharing options...
Aleksandr Vorontsov Опубліковано: 1 листопада 2024 Поділитись Опубліковано: 1 листопада 2024 2 часа назад, Mr. D сказал: ПЗВ працює зі струмом. Коли різниця струму стає більшою, ніж деяке значення, тоді ПЗВ й вимикає лінію. Яка напруга у вас між N та PE? При відключенних фазах, напруга між N та PE 0,12В Посилання на коментар Поділитися на інших сайтах More sharing options...
Aleksandr Vorontsov Опубліковано: 1 листопада 2024 Поділитись Опубліковано: 1 листопада 2024 Злочин розкрито). BMS на аккумуляторах була відключена, після включення BMS і подачі живлення на інвертор, N і PE почали поводитися як треба. Вибачаюсь за кипиш ) 1 Посилання на коментар Поділитися на інших сайтах More sharing options...
Mr. D Опубліковано: 1 листопада 2024 Поділитись Опубліковано: 1 листопада 2024 (змінено) 14 хвилин тому, Aleksandr Vorontsov сказав: Злочин розкрито). BMS на аккумуляторах була відключена, після включення BMS і подачі живлення на інвертор, N і PE почали поводитися як треба. Вибачаюсь за кипиш ) Яка у всьому цьому логіка? Конденсатор інвертора розряджався в N провідник? Не зрозуміло, як саме під'єднання та від'єднання батареї впливає на деяку нерівномірність струму. Змінено 1 листопада 2024 користувачем Mr. D Посилання на коментар Поділитися на інших сайтах More sharing options...
Aleksandr Vorontsov Опубліковано: 1 листопада 2024 Поділитись Опубліковано: 1 листопада 2024 Я бачу це так: Маємо ПЗВ , який спрацьовує при замкнутих PE1 та N1. ( 1 - це загальний в квартирі ) Маємо інвертор та замкнуті N2 та PE2 на виході ( до того часу поки не заживлений від батарей ) В той момент коли я комутую N2 від інвертора на N1 загальний , я автоматично закорочую PE1 та N1, так як: PE1<->PE2<->N2<->N1 Саме тому ПЗВ вимикається. А от коли інвертор підключено до АКБ в нього N на вході та виході комутуються, та з'являеться спротив між Nвих та PE Мені складно пояснити чому ПЗВ спрацьовує під час комутації нуля та землі, можливо на PE є потеніал тож під час комутації ПЗВ бачить різницю на вході та виході 1 Посилання на коментар Поділитися на інших сайтах More sharing options...
Mr. D Опубліковано: 1 листопада 2024 Поділитись Опубліковано: 1 листопада 2024 27 хвилин тому, Aleksandr Vorontsov сказав: Я бачу це так: Маємо ПЗВ , який спрацьовує при замкнутих PE1 та N1. ( 1 - це загальний в квартирі ) Маємо інвертор та замкнуті N2 та PE2 на виході ( до того часу поки не заживлений від батарей ) В той момент коли я комутую N2 від інвертора на N1 загальний , я автоматично закорочую PE1 та N1, так як: PE1<->PE2<->N2<->N1 Саме тому ПЗВ вимикається. А от коли інвертор підключено до АКБ в нього N на вході та виході комутуються, та з'являеться спротив між Nвих та PE Мені складно пояснити чому ПЗВ спрацьовує під час комутації нуля та землі, можливо на PE є потеніал тож під час комутації ПЗВ бачить різницю на вході та виході Тобто виходить, що Ви без батареї вмикали інвертор Must? Й інвертор запускається? Думаю, такий варіант роботи не передбачено виробником. 1 Посилання на коментар Поділитися на інших сайтах More sharing options...
Aleksandr Vorontsov Опубліковано: 1 листопада 2024 Поділитись Опубліковано: 1 листопада 2024 3 часа назад, Mr. D сказал: Тобто виходить, що Ви без батареї вмикали інвертор Must? Й інвертор запускається? Думаю, такий варіант роботи не передбачено виробником. Звісно ні, я його не вмикав, на вході він був ізольваний від мережі автоматом. Почав з комутації на виході і спрацював ПЗВ, а далі я почав з'ясововувати чому так. Як виявилось, на виходи інвертор, який не має живлення, трохи дивно комутує нуль и землю, тобто наскрізь, а от при підключенні АКБ все змінюється, наскрізним стає нуль, а між землею та нулем з'являється опір. 1 Посилання на коментар Поділитися на інших сайтах More sharing options...
Mr. D Опубліковано: 1 листопада 2024 Поділитись Опубліковано: 1 листопада 2024 50 хвилин тому, Aleksandr Vorontsov сказав: Звісно ні, я його не вмикав, на вході він був ізольваний від мережі автоматом. Почав з комутації на виході і спрацював ПЗВ, а далі я почав з'ясововувати чому так. Як виявилось, на виходи інвертор, який не має живлення, трохи дивно комутує нуль и землю, тобто наскрізь, а от при підключенні АКБ все змінюється, наскрізним стає нуль, а між землею та нулем з'являється опір. У вашого інвертора Must PV18-3224 VPM II колодка на 5 або 6 проводів (можливо, на 4)? Схоже, що саме 5, тобто AC-IN L, AC-IN N, Earth, AC-OUT N, AC-OUT L. Але PRO версії чомусь розраховані на 6 проводів. Хоча є якісь фотографії й з колодкою на 4 проводи, які теж підписані як Must PV18-3224 VPM II. Цікаво, ось той контакт Earth - це точно заземлення інвертора? Можливо, у цього контакту інше призначення? 1 Посилання на коментар Поділитися на інших сайтах More sharing options...
Aleksandr Vorontsov Опубліковано: 2 листопада 2024 Поділитись Опубліковано: 2 листопада 2024 В мене на 4 проводи, земля підключається до окремого терміналу на боковій стороні інвертора. Посилання на коментар Поділитися на інших сайтах More sharing options...
Dmitry Melnitchenko Опубліковано: 12 листопада 2024 Поділитись Опубліковано: 12 листопада 2024 (змінено) ДОброго дня всім. Декілька днів тому з'явилось обладнання і тепер розбираюсь.. Вибачаюсь, якщо не в ту тему написав. Маю таку проблему. Інвертор PV1800-3224 VPM II + АКБ LP18-24100 PRO. Наприклад, інвертор не бачить вхідного живлення, то він відключає напругу на клемах АКБ. Відповідно, через 10 хвилин вимикається батарея, я так розумію, переходить в режим сну. Для відновлення роботи (після того, як дали живлення на інвертор), треба зробити вкл-викл кнопкою на АКБ. Чи можна це якось змінити? Щоб інвертор і АКБ вмикались коли з'являється живлення. Дякую. Змінено 12 листопада 2024 користувачем Dmitry Melnitchenko Посилання на коментар Поділитися на інших сайтах More sharing options...
Aleksandr Vorontsov Опубліковано: 12 листопада 2024 Поділитись Опубліковано: 12 листопада 2024 Доброго дня, яки налаштування змінювали в меню? Посилання на коментар Поділитися на інших сайтах More sharing options...
Рекомендовані повідомлення
Створіть акаунт або увійдіть у нього для коментування
Ви маєте бути користувачем, щоб залишити коментар
Створити акаунт
Зареєструйтеся для отримання акаунта. Це просто!
Зареєструвати акаунтУвійти
Вже зареєстровані? Увійдіть тут.
Увійти зараз