LiVi Опубліковано: 29 березня 2010 Автор Поділитись Опубліковано: 29 березня 2010 это не так принципиально, т.к. они будут меньшего номинала. но вообще то конечно лучше уже за Б ставить везде Б Вот и мне кажеться, что за В лучше В и ставить. А то 10-кратное повыение 20А (в щитке в доме) будет равно 200. А 5-ти кратное 32А (на заборе) будет 160. И какой автомат выбьет интересно, конечно на заборе! А проводка и кабель до забора спасибо тоже не скажет от такого тока! А если зима как эта и снега по шею у забора? как же туда идти... Посилання на коментар Поділитися на інших сайтах More sharing options...
Konstruktor Опубліковано: 29 березня 2010 Поділитись Опубліковано: 29 березня 2010 При КЗ ток такого значения достигает моментально и автомат должен сработать тоже моментально. При перегрузке, какое-то время он держит пока не нагреется биметаллическая пластина. Насчет кондиционера, обычно в паспорте на данное устройство указываю мощность, ток и пусковой ток. Характеристики • Рабочее напряжение: 220-240V~,50Hz • Охлаждение: - Мощность: 24 000 Вт - Входная мощность: 2670 Вт - Сила тока: 12.1 А • Нагрев: - Мощность: 27 000 Вт - Входная мощность: 2820 Вт - Сила тока: 12.8 А • Максимальная потребляемая мощность: 3200 Вт • Максимальная сила тока: 16.0 А • Сила тока при включении: 66.0 А bt.rozetka.ua/ru/products/details/BT41737/index.html Посилання на коментар Поділитися на інших сайтах More sharing options...
Прохожий Опубліковано: 29 березня 2010 Поділитись Опубліковано: 29 березня 2010 А кто помнит о чём тема? Посилання на коментар Поділитися на інших сайтах More sharing options...
Konstruktor Опубліковано: 29 березня 2010 Поділитись Опубліковано: 29 березня 2010 Человек по ходу задает возникающие вопросы. И ему хорошо и для себя что-то вспоминаю. Посилання на коментар Поділитися на інших сайтах More sharing options...
LiVi Опубліковано: 29 березня 2010 Автор Поділитись Опубліковано: 29 березня 2010 А кто помнит о чём тема? Ну да, извиняюсь, плавно уехали, но все вокруг того же. Да и не хотелось бы плодить темы, тут уже все в контексте. В крайнем случае, попросил бы внести коррективы в название темы: "Выбор сечения вводного кабеля, его прокладка и защита" Посилання на коментар Поділитися на інших сайтах More sharing options...
snickers Опубліковано: 29 березня 2010 Поділитись Опубліковано: 29 березня 2010 Плюс если учесть падение напряжения на длине кабеля, то при одной и той же мощности на автоматах будет разный ток. Чем дальше автомат от вводного, тем больше на нем ток. Вам тоже закон Ома напомнить??? Ток в ЛЮБОМ месте последовательной цепи ОДИНАКОВЫЙ! Посилання на коментар Поділитися на інших сайтах More sharing options...
LiVi Опубліковано: 29 березня 2010 Автор Поділитись Опубліковано: 29 березня 2010 Вам тоже закон Ома напомнить??? Ток в ЛЮБОМ месте последовательной цепи ОДИНАКОВЫЙ! Плюс к тому сопротивление медного проводника 6 кв.мм. длиной в километр всего 3 Ом. На моих 30 метрах это примерно 0,1 Ом. Не думаю что будет большое затухание... не стоит нагнетать страсти! Посилання на коментар Поділитися на інших сайтах More sharing options...
Advisor Опубліковано: 29 березня 2010 Поділитись Опубліковано: 29 березня 2010 Плюс к тому сопротивление медного проводника 6 кв.мм. длиной в километр всего 3 Ом. На моих 30 метрах это примерно 0,1 Ом. Не думаю что будет большое затухание... не стоит нагнетать страсти! а Вам там 4х4 не хватит ? Посилання на коментар Поділитися на інших сайтах More sharing options...
LiVi Опубліковано: 29 березня 2010 Автор Поділитись Опубліковано: 29 березня 2010 а Вам там 4х4 не хватит ? Вот тебе и раз... Снова задаю вопрос: Вводной автомат 3х32А, длина кабеля 30 метров от вводного щита до будущего дома. Какое сечения кабеля (медного) выбрать, т.к. нужно его закопать (будет копаться водопровод)??? Подробности в первом посте темы! Прошу толковый совет! Посилання на коментар Поділитися на інших сайтах More sharing options...
Прохожий Опубліковано: 30 березня 2010 Поділитись Опубліковано: 30 березня 2010 Вот тебе и раз... Снова задаю вопрос: Вводной автомат 3х32А, длина кабеля 30 метров от вводного щита до будущего дома. Какое сечения кабеля (медного) выбрать, т.к. нужно его закопать (будет копаться водопровод)??? Подробности в первом посте темы! Прошу толковый совет! Сечение медного кабеля необходимо 4Х10 и не стоит брать три с плюсом. Для самостоятельного понимания желательно посетить elektrik-soft.ru/ и попробовать "поиграться" и посчитать. Посилання на коментар Поділитися на інших сайтах More sharing options...
LiVi Опубліковано: 30 березня 2010 Автор Поділитись Опубліковано: 30 березня 2010 Сечение медного кабеля необходимо 4Х10 и не стоит брать три с плюсом. Для самостоятельного понимания желательно посетить elektrik-soft.ru/ и попробовать "поиграться" и посчитать. Сколько бы я ни считал этой программой у меня 10 никак не получается, максимум 4. Можно ли по подробнее, откуда 10 кв. мм? И почему 6 кв. это на 3 с плюсом? Может еще у кого-то будут мнения? P.S.: Как программист заявляю со всей ответственностью, программа кривая до ужаса. Интерфейс запутаный и не дружественный, как раньше говорили Посилання на коментар Поділитися на інших сайтах More sharing options...
Konstruktor Опубліковано: 30 березня 2010 Поділитись Опубліковано: 30 березня 2010 Если кабель в трубе, это уже прокладка не в земле. Заложен запас 30% Если взять 10, то это 50% запаса. Посилання на коментар Поділитися на інших сайтах More sharing options...
LiVi Опубліковано: 30 березня 2010 Автор Поділитись Опубліковано: 30 березня 2010 Если кабель в трубе, это уже прокладка не в земле. Заложен запас 30% Если взять 10, то это 50% запаса. Я чего-то не понимаю... А что сейчас уже 30% запаса это мало, надо брать 50%. А как это нормируется? Посилання на коментар Поділитися на інших сайтах More sharing options...
Прохожий Опубліковано: 30 березня 2010 Поділитись Опубліковано: 30 березня 2010 Сколько бы я ни считал этой программой у меня 10 никак не получается, максимум 4. Можно ли по подробнее, откуда 10 кв. мм? И почему 6 кв. это на 3 с плюсом? Может еще у кого-то будут мнения? P.S.: Как программист заявляю со всей ответственностью, программа кривая до ужаса. Интерфейс запутаный и не дружественный, как раньше говорили ОК. Постараюсь объяснить... При просадках напряжения, а это бывает очень часто, растёт ток потребления при той же мощности... Ну и желательно "смотреть в завтрашний день" когда прийдётся брать дополнительную мощность. Заложить кабель с некоторым запасом полезней чем потом перекапывать и перекладывать (а к тому времени вверху могут быть и дорожки и клумбы, а протянуть через 30 метров трубы жесткий кабель ой как проблематично). У самого подвод к столбу 15 киловат и тоже ввожу в дом медным кабелем. Для себя выбрал именно 4х10. Разница в цене - не существенна... Ну а про 3 с плюсом - это имеется ввиду 3х10+6. В конечном итоге именно этот ноль в 6 квадратов и будет ограничителем. 1 Посилання на коментар Поділитися на інших сайтах More sharing options...
Konstruktor Опубліковано: 30 березня 2010 Поділитись Опубліковано: 30 березня 2010 Нормируется только финансовым положением и взглядом в будущее. При желании можно рядом заложить 1-2 пустых трубы, для последующей затяжки кабелей. Да попариться при затяжке придется. Посилання на коментар Поділитися на інших сайтах More sharing options...
LiVi Опубліковано: 30 березня 2010 Автор Поділитись Опубліковано: 30 березня 2010 ОК. Постараюсь объяснить... При просадках напряжения, а это бывает очень часто, растёт ток потребления при той же мощности... Ну и желательно "смотреть в завтрашний день" когда прийдётся брать дополнительную мощность. Заложить кабель с некоторым запасом полезней чем потом перекапывать и перекладывать (а к тому времени вверху могут быть и дорожки и клумбы, а протянуть через 30 метров трубы жесткий кабель ой как проблематично). У самого подвод к столбу 15 киловат и тоже ввожу в дом медным кабелем. Для себя выбрал именно 4х10. Разница в цене - не существенна... Ну а про 3 с плюсом - это имеется ввиду 3х10+6. В конечном итоге именно этот ноль в 6 квадратов и будет ограничителем. Спасибо! Т.е. на сколько я понял, если не брать в учет будущее увеличение мощности, то 4х6 хватит? Это же уже с запасом по нагреву около 30%. Про вопрос цены согласен, здесь главное функциональность, но при этом никто не отменял принцип разумной достаточности. У меня дача не ПМЖ. Думается мне, что 12 кВатт (3х32А) мне хватит для всего, даже для электроотопления, площадь то домика всего 60 кв.м. + 8 кв.м. холодной веранды. А больше в моем селе мне никто и не даст - это и так уже дали только с учетом того, что я у самого РУ 0,4 нахожусь в ~35 метрах. И от РУ ко мне будет СИП4 4х16 - ~50 метров. Или все же 4х10? Есть еще мнения? Посилання на коментар Поділитися на інших сайтах More sharing options...
Konstruktor Опубліковано: 30 березня 2010 Поділитись Опубліковано: 30 березня 2010 Если развитие не планируется 4*6. Если теряетесь, заложите доп. трубу с протяжкой из металлической проволоки, нормального сечения 1 Посилання на коментар Поділитися на інших сайтах More sharing options...
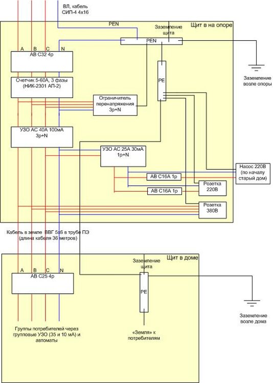
LiVi Опубліковано: 5 квітня 2010 Автор Поділитись Опубліковано: 5 квітня 2010 Вобщем решил вести 5-ти жильный медный кабель ВВГ 5х6 кв.мм. В связи с изменением схемы. Схема в миниатюрах. Просьба высказаться причастных к обсуждению по выбранному сечению в соответствии с новой схемой ! Спасибо! Посилання на коментар Поділитися на інших сайтах More sharing options...
Прохожий Опубліковано: 5 квітня 2010 Поділитись Опубліковано: 5 квітня 2010 Трехполюсные автоматы... Не размыкайте "0". И ещё... Я не совсем понял смысл ограничения по вводному автомату в щитке дома 25 амперами. Посилання на коментар Поділитися на інших сайтах More sharing options...
LiVi Опубліковано: 5 квітня 2010 Автор Поділитись Опубліковано: 5 квітня 2010 Трехполюсные автоматы... Не размыкайте "0". И ещё... Я не совсем понял смысл ограничения по вводному автомату в щитке дома 25 амперами. Где-то вычитал, что если РЕ идет отдельно и неразрывно до потребителей, то по нормам N нужно размыкать, если РЕN то не размыкать! Если возможно, аргументируйте Вашу версию с неразмыканием нейтрали, потому что по евронормам рабочий ноль N приравнивается к фазному силовому проводнику (в системах TN-S и TN-C-S)? По ограничению, будет либо В32А либо С32А, еще мыслю... но не хочу 10 квадрат закапывать... хочу 6 кв.мм. Посилання на коментар Поділитися на інших сайтах More sharing options...
snickers Опубліковано: 5 квітня 2010 Поділитись Опубліковано: 5 квітня 2010 По ограничению, будет либо В32А либо С32А, еще мыслю... но не хочу 10 квадрат закапывать... хочу 6 кв.мм. Напрасно не хотите. Вспомните себя десять лет назад. Кто-то мог всерьез предположить, что на дачах (даже не в котеджах постоянного проживания) люди будут пользоваться электрочайниками, микроволновками, утюгами, автомат.стиралками, подогревы полов, крыш, бойлеры, насосы, электроплиты??? Через десять лет может и 10 мало будет... Посилання на коментар Поділитися на інших сайтах More sharing options...
LiVi Опубліковано: 5 квітня 2010 Автор Поділитись Опубліковано: 5 квітня 2010 Напрасно не хотите. Вспомните себя десять лет назад. Кто-то мог всерьез предположить, что на дачах (даже не в котеджах постоянного проживания) люди будут пользоваться электрочайниками, микроволновками, утюгами, автомат.стиралками, подогревы полов, крыш, бойлеры, насосы, электроплиты??? Через десять лет может и 10 мало будет... Где-то Вы очень правы! А как насчет размыкания нуля? ;) Посилання на коментар Поділитися на інших сайтах More sharing options...
snickers Опубліковано: 5 квітня 2010 Поділитись Опубліковано: 5 квітня 2010 А как насчет размыкания нуля? ;) Правила рвать нуль в таких системах как бы не рекомендуют, но с точки зрения здравого смысла - без разницы. У Вас же все равно стоит общее входное УЗО, размыкающее нуль. Посилання на коментар Поділитися на інших сайтах More sharing options...
Прохожий Опубліковано: 6 квітня 2010 Поділитись Опубліковано: 6 квітня 2010 Кстати... У Вас на столбе будет стоять общее УЗО? Ну например его выбило... Пропал весь свет в доме... Куда Вы кидаетесь в первую очередь? К домашнему щитку (а он обычно не на самом видном месте и выбивает не в самое светлое время суток)? Правильно??? Убеждаетесь что в домашнем щитке "всё в норме" и бегом к столбу... Втыкаете УЗО и... Его опять выбивает. Вы опять в дом и давай отключать автоматы... Потом опять к столбу втыкать УЗО... Потом опять в дом искать какая же группа выбивает, потом опять к столбу... Не забегаетесь ли? Может стоит не мудрствуя оставить на столбе вводной автомат с счётчиком а УЗО поставить в домашнем щитке? Ну и про розетки на улице... Это Вы для упрощения соседям подключения через Ваш счётчик сварки устанавливаете? Посилання на коментар Поділитися на інших сайтах More sharing options...
LiVi Опубліковано: 6 квітня 2010 Автор Поділитись Опубліковано: 6 квітня 2010 Правила рвать нуль в таких системах как бы не рекомендуют, но с точки зрения здравого смысла - без разницы. У Вас же все равно стоит общее входное УЗО, размыкающее нуль. Ну, насколько я понял из всего прочитанного, рабочий ноль нельзя рвать вводным автоматом, если он разделен на N и PE после этого автомата. А если разделение выполнено до вводного автомата и проводник РЕ идет дальше неразрывно, то РЕ и выполняет защитную функцию, а рабочий ноль нужно рвать. Кто-то еще имеет какие-то мысли на эту тему, может я что-то не так понял? Посилання на коментар Поділитися на інших сайтах More sharing options...
Рекомендовані повідомлення
Створіть акаунт або увійдіть у нього для коментування
Ви маєте бути користувачем, щоб залишити коментар
Створити акаунт
Зареєструйтеся для отримання акаунта. Це просто!
Зареєструвати акаунтУвійти
Вже зареєстровані? Увійдіть тут.
Увійти зараз