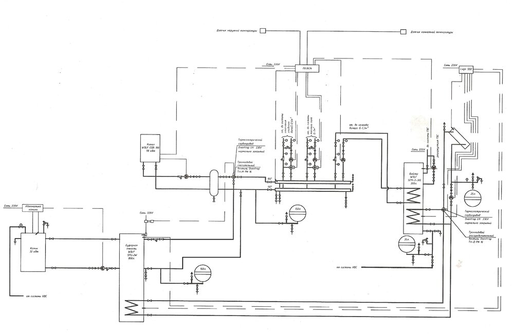
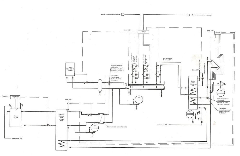
Interso Опубліковано: 26 вересня 2010 Поділитись Опубліковано: 26 вересня 2010 Вопрос состоит в следующем. Есть ли смысл применять пластинчатый теплообменник и насос в контуре ТА. Первый рисунок с теплообменником и наосом. Второй рисунок без теплообменника и насоса. Посилання на коментар Поділитися на інших сайтах More sharing options...
Сергей 31 Опубліковано: 26 вересня 2010 Поділитись Опубліковано: 26 вересня 2010 Если контур камина и буфера открыт, то теплообменник нужен. Посилання на коментар Поділитися на інших сайтах More sharing options...
Interso Опубліковано: 26 вересня 2010 Автор Поділитись Опубліковано: 26 вересня 2010 Если контур камина и буфера открыт, то теплообменник нужен. Я так понимаю во избежании попадания высокой температуры на коллектор? Посилання на коментар Поділитися на інших сайтах More sharing options...
Сергей 31 Опубліковано: 26 вересня 2010 Поділитись Опубліковано: 26 вересня 2010 Я так понимаю во избежании попадания высокой температуры на коллектор? Не так. Высокую температуру уберут смесительные узлы на коллекторах. Теплообменник разделит контуры. До него давления нет, после него давление есть. При таком раскладе добавьте ТМ 200 на подаче ГВС из бойлера. 1 Посилання на коментар Поділитися на інших сайтах More sharing options...
Interso Опубліковано: 26 вересня 2010 Автор Поділитись Опубліковано: 26 вересня 2010 Если контур камина и буфера открыт, то теплообменник нужен. Не так. Высокую температуру уберут смесительные узлы на коллекторах. Теплообменник разделит контуры. До него давления нет, после него давление есть. При таком раскладе добавьте ТМ 200 на подаче ГВС из бойлера. Всё понял вся проблема в розделении давления. Спасибо!!! Посилання на коментар Поділитися на інших сайтах More sharing options...
Interso Опубліковано: 26 вересня 2010 Автор Поділитись Опубліковано: 26 вересня 2010 (змінено) Не так. Высокую температуру уберут смесительные узлы на коллекторах. Теплообменник разделит контуры. До него давления нет, после него давление есть. При таком раскладе добавьте ТМ 200 на подаче ГВС из бойлера. Тогда следующий вопрос если камин для закрытой СО и держит давление 2,5бар тогда можно и нерозделять ? Змінено 26 вересня 2010 користувачем Interso Посилання на коментар Поділитися на інших сайтах More sharing options...
bgt Опубліковано: 26 вересня 2010 Поділитись Опубліковано: 26 вересня 2010 Тогда следующий вопрос если камин для закрытой СО и держит давление 2,5бар тогда можно и нерозделять ? нельзя ... Посилання на коментар Поділитися на інших сайтах More sharing options...
Interso Опубліковано: 26 вересня 2010 Автор Поділитись Опубліковано: 26 вересня 2010 нельзя ... Почему нельзя объясните если нетрудно. Посилання на коментар Поділитися на інших сайтах More sharing options...
Сергей 31 Опубліковано: 26 вересня 2010 Поділитись Опубліковано: 26 вересня 2010 Тогда следующий вопрос если камин для закрытой СО и держит давление 2,5бар тогда можно и нерозделять ? Можно, но ненужно. Как минимум придется дополнить системами безопасности и расширительным баком. Посилання на коментар Поділитися на інших сайтах More sharing options...
Interso Опубліковано: 26 вересня 2010 Автор Поділитись Опубліковано: 26 вересня 2010 Можно, но ненужно. Как минимум придется дополнить системами безопасности и расширительным баком. Дело втом что система безопасности на камин и так есть с предохранительным клапаном и охлаждающим контуром и розширительным баком. Посилання на коментар Поділитися на інших сайтах More sharing options...
Котельщик Опубліковано: 27 вересня 2010 Поділитись Опубліковано: 27 вересня 2010 не удержался и все таки напишу вчерашнюю мысль :D Если по давлению ТТ и остальная система между собой пляшут то я бы не ставил теплообменник и насос. Чисто сплошные растраты. Циркуляция будет за счет насосов контуров, температуру срежет подмес, бойлеру наоборот хорошо. Вот только добавить второй предохранительный клапан да расширитель как Сергей сказал. Ну и я бы еще дал указания по времени выбега ТТ котлового насоса да бы не закипело. зы. кстати сча Боши с гелиоколлекторами вылезли, уже по 3 тыка евро комплекты предлагают. Кто меньше?? ))))))))))))) 1 Посилання на коментар Поділитися на інших сайтах More sharing options...
vitw Опубліковано: 27 вересня 2010 Поділитись Опубліковано: 27 вересня 2010 зы. кстати сча Боши с гелиоколлекторами вылезли, уже по 3 тыка евро комплекты предлагают. Кто меньше?? ))))))))))))) Я по 3 зелеными встречал за комплект. Посилання на коментар Поділитися на інших сайтах More sharing options...
Рекомендовані повідомлення
Створіть акаунт або увійдіть у нього для коментування
Ви маєте бути користувачем, щоб залишити коментар
Створити акаунт
Зареєструйтеся для отримання акаунта. Це просто!
Зареєструвати акаунтУвійти
Вже зареєстровані? Увійдіть тут.
Увійти зараз