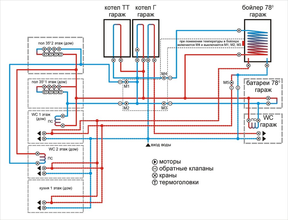
Vifa Опубліковано: 23 грудня 2010 Поділитись Опубліковано: 23 грудня 2010 Нужен совет специалистов. Мне в систему теплого пола сантехники "случайно" включили полотенцесушители. 30-35 градусов на полотенцесушителе - это мало. В каждой комнате для регулировки температуры в нишах стоят краны и клапаны для термоголовок. Может мне добавить температуру на котле до 70 градусов и поставить термоголовки с капилляром, на конце которого прикреплена емкость с жидкостью, которая реагирует на температуру в комнате и поддавливает клапан(я краем уха слышал, что такие бывают) Если я правильно рассуждаю, то подскажите где почитать про такие головки и приобрести 12 шт. На всякий случай высылаю схему отопления моего дома. Заранее спасибо Посилання на коментар Поділитися на інших сайтах More sharing options...
murava Опубліковано: 23 грудня 2010 Поділитись Опубліковано: 23 грудня 2010 Полы подключены от смесительного узла или поконтурно с термокраном на каждом контуре? Фото покажите. Посилання на коментар Поділитися на інших сайтах More sharing options...
Vifa Опубліковано: 23 грудня 2010 Автор Поділитись Опубліковано: 23 грудня 2010 поконтурно Посилання на коментар Поділитися на інших сайтах More sharing options...
murava Опубліковано: 23 грудня 2010 Поділитись Опубліковано: 23 грудня 2010 Для теплых полов можно выбрать вариант управления по температуре обратки, либо поставить головку с выносным датчиком в массив пола или закрепить на пол, либо просто термоголовку, которая закроет контур при достижении температуры в комнате, либо сервопривод, который будет управляться терморегулятором из требуемой комнаты (самый сложный вариант). Для сушки можно просто оставить два простых крана и все. Будет сушка той температуры, какую выдает котел. Посилання на коментар Поділитися на інших сайтах More sharing options...
Vifa Опубліковано: 23 грудня 2010 Автор Поділитись Опубліковано: 23 грудня 2010 Сложность в том, что в доме осталось поклеить только обои. Еще есть возможность проштробить небольшие шахты. Через 2 недели уже будет поздно. Мне нужно принимать решение. "...просто термоголовку, которая закроет контур при достижении температуры в комнате.." где можно купить или прочитать про нее. Я так понимаю датчик нужно устанавливать на высоте 1,5 метра от пола? Кроме того я планирую не выключать котел и летом, т.к. он греет косвенный бойлер и полотенцесушители. Пригрело солнышко, головка поддавила контур - полы не греют. Я правильно рассуждаю? Посилання на коментар Поділитися на інших сайтах More sharing options...
murava Опубліковано: 23 грудня 2010 Поділитись Опубліковано: 23 грудня 2010 Возможно и правильно. В Вашем случае можно выбрать кран и головку с выносным капилляром, меряющим температуру в комнате. Но это некрасиво в решении( капилляр есть по сути похожим на проволочку- не феншуй это все по стенкам болтаться) и не шибко правильно ибо температуру пола мы не контролируем... Правильным и одновременно сложным вариантом управления есть установка терморегулятора с выносным датчиком в пол (если есть возможность поставить оный либо обойтись регулятором на радиоуправлении), который перекрывает головку привода на кране, закрывая проток по полу. Одновременно регулятор умеет и мерять воздух в комнате, тоесть можно учитывать одновременно и температуру пола и воздуха.... Посилання на коментар Поділитися на інших сайтах More sharing options...
Vifa Опубліковано: 23 грудня 2010 Автор Поділитись Опубліковано: 23 грудня 2010 К сожалению, уже нет возможности "залезть" в пол и нет возможности подвести питающее напряжение 220 Вт к кранам (все коммуникации в боевой готовности, и напольное покрытие тоже есть). Может быть поставить обычные термоголовки, которые ставят на радиаторы и методом проб и ошибок добиться нужного результата? Правда краны в нишах закрыты крышками, так, что там будет свой микроклимат. Посилання на коментар Поділитися на інших сайтах More sharing options...
murava Опубліковано: 23 грудня 2010 Поділитись Опубліковано: 23 грудня 2010 ....Правда краны в нишах закрыты крышками, так, что там будет свой микроклимат. Именно так.... Посилання на коментар Поділитися на інших сайтах More sharing options...
Vifa Опубліковано: 23 грудня 2010 Автор Поділитись Опубліковано: 23 грудня 2010 Большое вам спасибо, за то что вы вникаете в мою проблему. Мне нравятся ваши некоторые ответы на форуме типа: "...я бы сделал так-то..." или "...я бы купил бы то-то... " Хочется услышать что-то подобное. Спасибо. Посилання на коментар Поділитися на інших сайтах More sharing options...
murava Опубліковано: 23 грудня 2010 Поділитись Опубліковано: 23 грудня 2010 Как вариант либо таки поставить головки по воздуху и просто методом научного тыка вымучить какие-то усредненные данные, либо поставить краны со встроенным контролем температуры на обратку .... Всяко лучше чем простая крутилка на контурах. Посилання на коментар Поділитися на інших сайтах More sharing options...
Vifa Опубліковано: 24 грудня 2010 Автор Поділитись Опубліковано: 24 грудня 2010 Спасибо, добрый человек. Возможно, если еще появятся идеи - пишите. А где купить краны поближе к Киеву? Посилання на коментар Поділитися на інших сайтах More sharing options...
mirddin Опубліковано: 24 грудня 2010 Поділитись Опубліковано: 24 грудня 2010 Правда краны в нишах закрыты крышками, так, что там будет свой микроклимат. Есть термоголовки с выносным воздушным датчиком. Посилання на коментар Поділитися на інших сайтах More sharing options...
murava Опубліковано: 24 грудня 2010 Поділитись Опубліковано: 24 грудня 2010 .... А где купить краны поближе к Киеву? Позвоните на представительство и спросите. Если не захотят возиться - я помогу. Посилання на коментар Поділитися на інших сайтах More sharing options...
Vifa Опубліковано: 27 грудня 2010 Автор Поділитись Опубліковано: 27 грудня 2010 Оказывается термокраны у меня уже стоят. Это видно на фото. Как сказали сантехники - это Caleffi М30. Я нашел термоголовки с выносным датчиком Caleffi, но совершенно по "больной" цене - 51 евро шт. Есть чем заменить, но попроще? Таких головок мне нужно 12 шт. Посилання на коментар Поділитися на інших сайтах More sharing options...
Vifa Опубліковано: 27 грудня 2010 Автор Поділитись Опубліковано: 27 грудня 2010 "...Как вариант либо таки поставить головки по воздуху и просто методом научного тыка вымучить какие-то усредненные данные, либо поставить краны со встроенным контролем температуры на обратку ...." Какая разница между датчиком ограничителем температуры и термоголовкой. Я не понял. Посилання на коментар Поділитися на інших сайтах More sharing options...
murava Опубліковано: 27 грудня 2010 Поділитись Опубліковано: 27 грудня 2010 ".... Какая разница между датчиком ограничителем температуры и термоголовкой. Я не понял. Первое меряет температуру носителя, второе - температуру воздуха. Если датчик выносной - то темп воздуха в месте, куда он вынесен. Посилання на коментар Поділитися на інших сайтах More sharing options...
Vifa Опубліковано: 30 грудня 2010 Автор Поділитись Опубліковано: 30 грудня 2010 Как вариант либо таки поставить головки по воздуху и просто методом научного тыка вымучить какие-то усредненные данные, либо поставить краны со встроенным контролем температуры на обратку .... Всяко лучше чем простая крутилка на контурах. Краны купил по 285 грн шт. Но у меня возникло опасение. Ведь в подаче 70-80 градусов, а в обратке 25 максимум. Будет ли автоматически выключаться котел? Не сгорят ли моторы на подачу (2 шт - 1 и 2 этаж)? Хватит ли обратки двух полотенцесушителей, чтобы котел когда-нибудь выключался? Правда в системе еще и косвенный бойлер на 200 литров. Также 5 батарей в гараже, которыми я не пользуюсь, т.к. гараж отапливает булер. Мои действия? Посилання на коментар Поділитися на інших сайтах More sharing options...
Jeny Опубліковано: 1 січня 2011 Поділитись Опубліковано: 1 січня 2011 Посоветуйте , у меня пока газа нет, дровяной котёл собственной конструкции греет воду и теплоаккумулятор 1куб. В полу датчики от электрического тёплогого пола включают и выключают насосы . Посоветуйте как правильно один мощный насос и коллекторный шкаф или несколько маломощных насосов . Второй вариант обойдётся дешевле , и экономичнее по электричеству. В моём варианте надо 4-5 насосов. Посилання на коментар Поділитися на інших сайтах More sharing options...
иван 55555 Опубліковано: 2 січня 2011 Поділитись Опубліковано: 2 січня 2011 на мою думку і досвід,краще поставити декілька не потужніх насосів кожен з яких би відповідав за обігрів певної площі(1-т.п,2-перший поверх,3-другий поверх,4-бойлер непрямого нагріву),в даному випадку вони будуть взаємозамінні у випадку згорання якогось з них.якщо поставити один потужній,то потрібно мати другий на підміну,інакше можна залишитись без тепла на тривалий час. Посилання на коментар Поділитися на інших сайтах More sharing options...
murava Опубліковано: 2 січня 2011 Поділитись Опубліковано: 2 січня 2011 на мою думку і досвід,краще поставити декілька не потужніх насосів кожен з яких би відповідав за обігрів певної площі(1-т.п,2-перший поверх,3-другий поверх,4-бойлер непрямого нагріву).... Какой скрытый смысл в идее получить в системе 4-8 насосов? Эксплуатационные затраты уже никого не интересуют? Или мы живем вдали от цивилизации или используем узкопрофильные насосы, замена которых растянется на квартал? Посилання на коментар Поділитися на інших сайтах More sharing options...
Сергей_84 Опубліковано: 2 січня 2011 Поділитись Опубліковано: 2 січня 2011 Какой скрытый смысл в идее получить в системе 4-8 насосов? Эксплуатационные затраты уже никого не интересуют? Или мы живем вдали от цивилизации или используем узкопрофильные насосы, замена которых растянется на квартал? при таком раскалде если деег не жалко....лучше ужь поставить на отопление оди основной насос и паралельно ему резервный на случай поломки....и себя предостережете и плюс ко всему очень сильно уменьшите мощность насосов и упростите выбор бесперебойника если такой понадобится Посилання на коментар Поділитися на інших сайтах More sharing options...
Jeny Опубліковано: 2 січня 2011 Поділитись Опубліковано: 2 січня 2011 Какой скрытый смысл в идее получить в системе 4-8 насосов? Эксплуатационные затраты уже никого не интересуют? Или мы живем вдали от цивилизации или используем узкопрофильные насосы, замена которых растянется на квартал? Не понял на счёт узкопрофильных насосов, у меня обычный насос 32-45-65 Вт, цена 330-350гр мне хватает режима 32 вт.при температуре до -5 примерно половину времени он отдыхает. Посилання на коментар Поділитися на інших сайтах More sharing options...
Vifa Опубліковано: 4 січня 2011 Автор Поділитись Опубліковано: 4 січня 2011 Как вариант либо таки поставить головки по воздуху и просто методом научного тыка вымучить какие-то усредненные данные, либо поставить краны со встроенным контролем температуры на обратку .... Всяко лучше чем простая крутилка на контурах. Аргументируйте, пожалуйста, почему термокраны нужно ставить на обратку. Сантехник кричит, что в пол пойдет кипяток. Посилання на коментар Поділитися на інших сайтах More sharing options...
murava Опубліковано: 4 січня 2011 Поділитись Опубліковано: 4 січня 2011 Аргументируйте, пожалуйста, почему термокраны нужно ставить на обратку. Сантехник кричит, что в пол пойдет кипяток. Пусть кричит, это нормально. У нас все, что отличается от болта М34 - это нанотехнологии и ересь... Дайте ему возможность накричаться и суньте под нос почитать техдокументацию на эти клапана... Если не поймет - то кто ему виноват в слабой теоретической подготовке? Посилання на коментар Поділитися на інших сайтах More sharing options...
Сергей_84 Опубліковано: 4 січня 2011 Поділитись Опубліковано: 4 січня 2011 Аргументируйте, пожалуйста, почему термокраны нужно ставить на обратку. Сантехник кричит, что в пол пойдет кипяток. ваш сантехник имеет слабую подготовку...пусть учит матчасть... Посилання на коментар Поділитися на інших сайтах More sharing options...
Рекомендовані повідомлення
Створіть акаунт або увійдіть у нього для коментування
Ви маєте бути користувачем, щоб залишити коментар
Створити акаунт
Зареєструйтеся для отримання акаунта. Це просто!
Зареєструвати акаунтУвійти
Вже зареєстровані? Увійдіть тут.
Увійти зараз