san2301 Опубліковано: 16 січня 2011 Автор Поділитись Опубліковано: 16 січня 2011 УЗО сравнивает токи по фазе и нейтрали, при несовпадении - отключает цепь. Если по фазе одного УЗО идёт 10А, по фазе другого - 6А, то ток по нейтрали каждого (при объединении) будет по 8 А. Сработает одно из них или оба. Если я правильно понял, то каждая группа потребителей должна получать свою фазу и ноль разведённые через УЗО. Таким образом в щиток, в котором три группы потребителей должно заходить три фазных провода, три нулевых и один РЕ, правильно? Посилання на коментар Поділитися на інших сайтах More sharing options...
sanykrimea Опубліковано: 16 січня 2011 Поділитись Опубліковано: 16 січня 2011 Да. Ноль общий только до УЗО. Посилання на коментар Поділитися на інших сайтах More sharing options...
ink_stroi Опубліковано: 16 січня 2011 Поділитись Опубліковано: 16 січня 2011 У меня по схеме реле фаз комутирует только фазы, т.е. при пропадании фазы 3L, реле автоматически кпереключается на фазу 2L если она отсутствует, то на фазу 1L. Таким образом нагрузка висящая на 3L параллелится с "живой" фазой 2L или 1L. При этом ноль у них общий. Не совсем понимаю в чём ошибка. Пожалуйста объясните, почему такая схема не работоспособна. По реле тоже указано "+ контакторы". Посилання на коментар Поділитися на інших сайтах More sharing options...
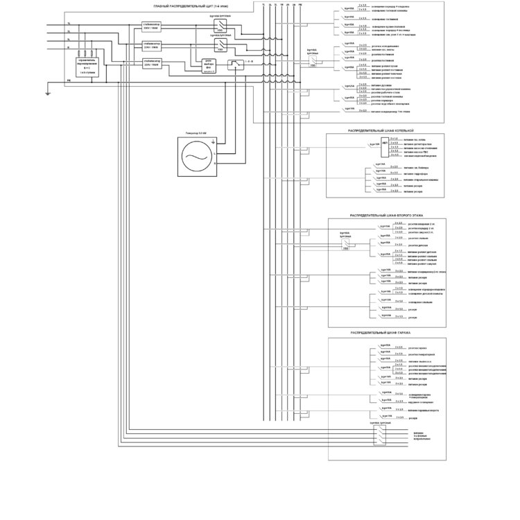
san2301 Опубліковано: 16 січня 2011 Автор Поділитись Опубліковано: 16 січня 2011 Выкладываю доработанную схему с учётом замечаний. Развёл после УЗО нули для каждой фазы. Изменил подключение трёх фазной розетки в гараже. Запитал её от трёх фаз и нуля ещё до стабилизаторов. Думаю так правильно. Реле выбора фаз предпологается с контакторами с комутируемым током 40А. Посилання на коментар Поділитися на інших сайтах More sharing options...
ink_stroi Опубліковано: 17 січня 2011 Поділитись Опубліковано: 17 січня 2011 (змінено) Выкладываю доработанную схему с учётом замечаний. Теперь получается с кабелями до распределительных щитов нужно разбираться. Какой, сечения, сколько штук кабелей до каждого щита, где и чем они у вас будут защищены? Реле выбора фаз предпологается с контакторами с комутируемым током 40А.Контакторов 3 шт. С финансовыми возможностями схема согласована, если нет, то не мешало бы прицениться. Змінено 17 січня 2011 користувачем ink_stroi Посилання на коментар Поділитися на інших сайтах More sharing options...
nach Опубліковано: 17 січня 2011 Поділитись Опубліковано: 17 січня 2011 Скажите плиз, а какой смысл на свет пускать трехжильный провод? Лампочуи надо заземлять? Посилання на коментар Поділитися на інших сайтах More sharing options...
ink_stroi Опубліковано: 17 січня 2011 Поділитись Опубліковано: 17 січня 2011 Скажите плиз, а какой смысл на свет пускать трехжильный провод? Лампочуи надо заземлять?Обязанность. Светильники, при наличии контакта или провода заземлять. Посилання на коментар Поділитися на інших сайтах More sharing options...
san2301 Опубліковано: 17 січня 2011 Автор Поділитись Опубліковано: 17 січня 2011 Теперь получается с кабелями до распределительных щитов нужно разбираться. Какой, сечения, сколько штук кабелей до каждого щита, где и чем они у вас будут защищены? Кабель буду использовать - медь сечением 4мм2, думаю должно хватить. Учитывая, что планирую в главном распределительном шкафу выполнить соединения через кламмники, то количество жил роли не играет это может быть 3х4 или 2х4 с отдельным проводом для РЕ. В любом случае между щитками кабель обязательно будет проложен в защитной гофротрубе. Разводка по потребителям кабелем под штукатуркой. Контакторов 3 шт. С финансовыми возможностями схема согласована, если нет, то не мешало бы прицениться. Дело в том, что деньги в данном случае второстепенны, т.к. я считаю что на проводке и автоматике нельзя экономить, в последствии выйдет дороже. Посилання на коментар Поділитися на інших сайтах More sharing options...
ink_stroi Опубліковано: 18 січня 2011 Поділитись Опубліковано: 18 січня 2011 Кабель буду использовать - медь сечением 4мм2...Я бы на каждый щит делал 5 проводным кабелем, под защитой АВ, и уже в распред щитах фазы распределял. P.S.Ваша схема итак уже становиться тяжелочитаема, сейчас с кабелями разбиретесь как/где все подключать, где/чем защищать, я думаю совсем запутаетесь. Ведь нужно 7 жил тянуть к каждому щиту. Посилання на коментар Поділитися на інших сайтах More sharing options...
Рекомендовані повідомлення
Створіть акаунт або увійдіть у нього для коментування
Ви маєте бути користувачем, щоб залишити коментар
Створити акаунт
Зареєструйтеся для отримання акаунта. Це просто!
Зареєструвати акаунтУвійти
Вже зареєстровані? Увійдіть тут.
Увійти зараз