nach Опубліковано: 4 березня 2011 Поділитись Опубліковано: 4 березня 2011 Нужно собрать приблизительно такое реле: есть 10 контактов на которых может подаваться напряжение 24 В. Если хотя бы на одном из контактов есть напряжение, то надо замкнуть цепь 220В. Если напряжения нет - цепь разомкнуть. Как соорудить такое добро? Спасибо! Посилання на коментар Поділитися на інших сайтах More sharing options...
Hans Опубліковано: 4 березня 2011 Поділитись Опубліковано: 4 березня 2011 схема называется "проводное или". собирается из одного реле и, возможно, резистора. реле можно купить на радиорынке. обрисуйте, откуда берутся сигналы 24V и что там DC или AC, нарисую схему подробно. 1 Посилання на коментар Поділитися на інших сайтах More sharing options...
neue bauer Опубліковано: 4 березня 2011 Поділитись Опубліковано: 4 березня 2011 Ух ты! ... собирается из одного реле и, возможно, резистора. ... И мне интересно. Я в случае DC развязал бы контакты диодами... И про что-либо меньшее не догадываюсь Посилання на коментар Поділитися на інших сайтах More sharing options...
nach Опубліковано: 4 березня 2011 Автор Поділитись Опубліковано: 4 березня 2011 Откуда - терморегуляторы теплого пола. все на 24 в. Терморегулятор замыкает контакт термопривода и тот открывает ветку подавая теплоноситель. Если все регуляторы в положении разомкнуто, то соответственно теплый пол полностью закрыт и надо вырубить насос. Схема в пдф Большое спасибо!RTR (7790)регулятор.pdf Посилання на коментар Поділитися на інших сайтах More sharing options...
Hans Опубліковано: 4 березня 2011 Поділитись Опубліковано: 4 березня 2011 понятно. значит все контакты терморегуляторов - сухие контакты. щас нарисую схемко. Посилання на коментар Поділитися на інших сайтах More sharing options...
Hans Опубліковано: 4 березня 2011 Поділитись Опубліковано: 4 березня 2011 а вот и схемка Посилання на коментар Поділитися на інших сайтах More sharing options...
nach Опубліковано: 4 березня 2011 Автор Поділитись Опубліковано: 4 березня 2011 Такс, а ежели один термостат перекинет контакт - получится что ток пойдет автоматом на все серво, т.к. у нас все линии запаралелены? Посилання на коментар Поділитися на інших сайтах More sharing options...
Diver Опубліковано: 4 березня 2011 Поділитись Опубліковано: 4 березня 2011 Такс, а ежели один термостат перекинет контакт - получится что ток пойдет автоматом на все серво, т.к. у нас все линии запаралелены? на схеме нарис. честно сухие контакты.. У Вас они получатся не "сухие". тогда и берите вариант с диодами. Посилання на коментар Поділитися на інших сайтах More sharing options...
neue bauer Опубліковано: 10 березня 2011 Поділитись Опубліковано: 10 березня 2011 Такс, а ежели один термостат перекинет контакт - получится что ток пойдет автоматом на все серво, т.к. у нас все линии запаралелены? Так сервопривод, как я понял, один, и работает, если хотя бы один термостат этого требует. Контакты термостата по паспорту вроде как развязаны. Напряжения на них нет. Так что схема должна работать. Посилання на коментар Поділитися на інших сайтах More sharing options...
nach Опубліковано: 10 березня 2011 Автор Поділитись Опубліковано: 10 березня 2011 Сорри, что молчал, лазил в карпатских снегах Если поставить на каждое из термореле по диоду, то запаралеливанье не произойдет, верно? Сервоприводов 10 штук, а регуляторов 5 штук, так как в одной комнате есть до 3 контуров теплого пола. Когда регулятор замыкает сухой контакт, на 1 или несколько серво подается ток и тот открывает клапан. когда температура помещения поднялась, контакт размыкается, серво закрывает клапан. В случае когда все серво обесточены, вся гребенка ТП закрыта и насосу работать не надо. Потому если я сведу в паралель все выходы с сухих контактов, то получу неадекватную систему, которая станет подавать теплоноситель туда, куда этого в действительности делать не надо. Посилання на коментар Поділитися на інших сайтах More sharing options...
neue bauer Опубліковано: 10 березня 2011 Поділитись Опубліковано: 10 березня 2011 Сорри, что молчал, лазил в карпатских снегах Если поставить на каждое из термореле по диоду, то запаралеливанье не произойдет, верно? Сервоприводов 10 штук, а регуляторов 5 штук, так как в одной комнате есть до 3 контуров теплого пола. Когда регулятор замыкает сухой контакт, на 1 или несколько серво подается ток и тот открывает клапан. когда температура помещения поднялась, контакт размыкается, серво закрывает клапан. В случае когда все серво обесточены, вся гребенка ТП закрыта и насосу работать не надо. Потому если я сведу в паралель все выходы с сухих контактов, то получу неадекватную систему, которая станет подавать теплоноситель туда, куда этого в действительности делать не надо. Придется Вам дать полное подробное описание, какой регулятор к какому сервоприводу и контуру отопления приписан. Иначе никакие диоды не помогут. У Вас, если есть несколько сервоприводов и регуляторов, фактически несколько объектов регулирования. И запараллеливать их низзя. Посилання на коментар Поділитися на інших сайтах More sharing options...
Diver Опубліковано: 10 березня 2011 Поділитись Опубліковано: 10 березня 2011 сделать группы серво и контур. схема просто уменьшится, но будет несколько. Посилання на коментар Поділитися на інших сайтах More sharing options...
2309 Опубліковано: 14 березня 2011 Поділитись Опубліковано: 14 березня 2011 Не стоит заниматься "самодеятельностью" ,эта фигня Вам вылезет боком,через несколько лет. Со временем Вы сами забудете эту схему,и потом придется решать ребус из серии "А что я тут нагородил". Ну это конечно ,если вы заботитесь о своей репутации. А если делать ,лишь бы спихнуть,то можно и Синхрофазатрон туда вколбасить. Посилання на коментар Поділитися на інших сайтах More sharing options...
Diver Опубліковано: 14 березня 2011 Поділитись Опубліковано: 14 березня 2011 Записывать и зарисовывать все нужно, каждый обьект все равно индивидуален. Схемы оставлять на обьекте, вплоть до поклейки их на внутренней стороне крышки бокса и т.д.. у себя, дать клиенту. Посилання на коментар Поділитися на інших сайтах More sharing options...
2309 Опубліковано: 15 березня 2011 Поділитись Опубліковано: 15 березня 2011 Это все правильно, но с 1995 г. я еще ни разу не получил схем от хозяев, На Кулибинские проделки тех кто,нагородил самодельный девайс. Посилання на коментар Поділитися на інших сайтах More sharing options...
nach Опубліковано: 15 березня 2011 Автор Поділитись Опубліковано: 15 березня 2011 Вобще-то я не исполнитель, а конечный потребитель. Как правило схемы надо рисовать две - сначала проект, а потом то что вышло - для памяти что где и как. Прежде чем дать электрикам/тепловикам/вентиляционщикам/гипсокартонщикам дать что-то нагородить я сам вникаю в суть схемы/вопроса, потому как пользоваться мне. И на все подобные сборки имею схемы. Собсно потому и ищу совета. Диспозиция немного поменялась - сервопреводы не 12 вольт, т.к. их ждать надо х.з сколько,а 220 вольт. Схему щас накидываю по приводам Посилання на коментар Поділитися на інших сайтах More sharing options...
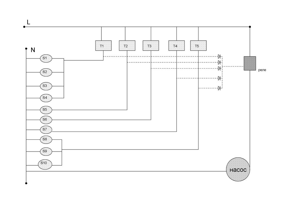
nach Опубліковано: 15 березня 2011 Автор Поділитись Опубліковано: 15 березня 2011 Букавы Т - это термодатчики, S - Сервопривода. что скажете? Посилання на коментар Поділитися на інших сайтах More sharing options...
sanykrimea Опубліковано: 15 березня 2011 Поділитись Опубліковано: 15 березня 2011 (змінено) Букавы Т - это термодатчики, S - Сервопривода. что скажете? Нормально открытые контакты датчиков (3,2) включите в цепь питания сервоприводов. Все свободные нормально закрытые контакты термодатчиков (3,1) соедините последовательно. В эту цепь последовательно включите катушку реле с нормально закрытыми контактами для питания насоса. Логика: при срабатывании любого термодатчика контакты 3,2 включают соответствующий сервопривод, контакты 3,1 разрывают цепь питания реле насоса, его контакты отпускаются и замыкают цепь питания насоса. В цепь питания насоса - ещё один выключатель для полного отключения системы. Недостаток - постоянно включенное реле цепи насоса. Надёжность можно повысить включив два реле последовательно (катушки - параллельно). Змінено 15 березня 2011 користувачем sanykrimea 1 Посилання на коментар Поділитися на інших сайтах More sharing options...
neue bauer Опубліковано: 15 березня 2011 Поділитись Опубліковано: 15 березня 2011 Букавы Т - это термодатчики, S - Сервопривода. что скажете? Диоды (те, что пунктиром) при переменном напряжении в точках их подключения неприемлемы. Я бы включил пять понижающих трансформаторов (каждый первичной обмоткой между нейтралью и точками соединения регуляторов и соответствующих им групп приводов). На выходе трансформаторов будет переменный сигнал о том, что группа сервоприводов включена (причем независимо от того, потребляет ли сервопривод в промежуточных состояниях ток, главное, что он подключен терморегулятором к фазе). Далее я бы выпрямил напряжения вторичных обмоток двухполупериодными выпрямителями, поставил емкостные фильтры, а вот потом уже выходы всех фильтров с помощью развязывающих диодов подключил к обмотке реле постоянного тока, управляющего двигателем. Трансформаторы могут быть небольшие, например, от старых зарядок для мобильных. Главное, чтоб они были по мощности способны включить реле. Ну, и напряжения на выходе фильтров хватало для этого. Посилання на коментар Поділитися на інших сайтах More sharing options...
neue bauer Опубліковано: 15 березня 2011 Поділитись Опубліковано: 15 березня 2011 Нормально открытые контакты датчиков (3,2) включите в цепь питания сервоприводов. Все свободные нормально закрытые контакты термодатчиков (3,1) соедините последовательно. В эту цепь последовательно включите катушку реле с нормально закрытыми контактами для питания насоса. Не совсем понял. На контактах 2 каждого терморегулятора фаза. На контактах 3 - группа сервоприводов. Контакты 1 - свободны. Группировать можно только контакты 1, любое подключение контактов 3 к другим контурам нарушит логику работы сервоприводов. Посилання на коментар Поділитися на інших сайтах More sharing options...
nach Опубліковано: 15 березня 2011 Автор Поділитись Опубліковано: 15 березня 2011 Нормально открытые контакты датчиков (3,2) включите в цепь питания сервоприводов. Все свободные нормально закрытые контакты термодатчиков (3,1) соедините последовательно. В эту цепь последовательно включите катушку реле с нормально закрытыми контактами для питания насоса. Логика: при срабатывании любого термодатчика контакты 3,2 включают соответствующий сервопривод, контакты 3,1 разрывают цепь питания реле насоса, его контакты отпускаются и замыкают цепь питания насоса. В цепь питания насоса - ещё один выключатель для полного отключения системы. Недостаток - постоянно включенное реле цепи насоса. Надёжность можно повысить включив два реле последовательно (катушки - параллельно). О, а это идея. только лишние 2 жилы на датчик надо будет кинуть. Еще у кого-то будут соображения? Посилання на коментар Поділитися на інших сайтах More sharing options...
sanykrimea Опубліковано: 15 березня 2011 Поділитись Опубліковано: 15 березня 2011 Не совсем понял. На контактах 2 каждого терморегулятора фаза. На контактах 3 - группа сервоприводов. Контакты 1 - свободны. Группировать можно только контакты 1, любое подключение контактов 3 к другим контурам нарушит логику работы сервоприводов. Через контакты 1 подаётся фаза на питание катушки реле. Если контакт 1 отключается (включается контакт 3) - реле насоса отпускает нормально замкнутые контакты. Посилання на коментар Поділитися на інших сайтах More sharing options...
neue bauer Опубліковано: 15 березня 2011 Поділитись Опубліковано: 15 березня 2011 Через контакты 1 подаётся фаза на питание катушки реле. Если контакт 1 отключается (включается контакт 3) - реле насоса отпускает нормально замкнутые контакты. Для одного терморегулятора сработает. А вот теперь подробнее - для пяти. Посилання на коментар Поділитися на інших сайтах More sharing options...
sanykrimea Опубліковано: 15 березня 2011 Поділитись Опубліковано: 15 березня 2011 Для одного терморегулятора сработает. А вот теперь подробнее - для пяти. Мда. Вы правы, не получится последовательно соединить - общая фаза. Тогда вариант через резисторы. К контакту 1 подключён резистор. Сопротивление 5 параллельно включеных резисторов даёт ток, достаточный для отпирания транзистора. В цепи коллектора - реле управляющее реле насоса. Сопротивление 4 и менее паралельно включенных резисторов велико для открытия ключа. Посилання на коментар Поділитися на інших сайтах More sharing options...
neue bauer Опубліковано: 15 березня 2011 Поділитись Опубліковано: 15 березня 2011 Мда. Вы правы, не получится последовательно соединить - общая фаза. Тогда вариант через резисторы. К контакту 1 подключён резистор. Сопротивление 5 параллельно включеных резисторов даёт ток, достаточный для отпирания транзистора. В цепи коллектора - реле управляющее реле насоса. Сопротивление 4 и менее паралельно включенных резисторов велико для открытия ключа. По условию топикстартера, там переменное напряжение, фаза, как себя поведет там транзистор, я прям щас и не предположу Скорее всего, он попытается при четырех и менее резисторах работать в активном режиме капец ему будет Тогда уже сразу вместо транзистора - реле. Но тогда ж трахаться с подбором резисторов - ууууууу! Да и у реле есть ток срабатывания, а есть ток отпускания... они существенно различаются. Посилання на коментар Поділитися на інших сайтах More sharing options...
Рекомендовані повідомлення
Створіть акаунт або увійдіть у нього для коментування
Ви маєте бути користувачем, щоб залишити коментар
Створити акаунт
Зареєструйтеся для отримання акаунта. Це просто!
Зареєструвати акаунтУвійти
Вже зареєстровані? Увійдіть тут.
Увійти зараз