Перейти до публікації
Пошук в
  • Додатково...
Шукати результати, які містять...
Шукати результати в...

вопрос по водостокам

superlenka2007

Рекомендовані повідомлення

если просто перенести спуск ближе к ендове и обогнуть юбку?

 

Не знаю по какой причине, но крышники всегда стараются не монтировать воронки возле ендовых. У нас дренаж кондиционера выведен в том месте, где изначально был нарисован водосток (вы его стерли).

 

И еще мне кажется что на нижнюю крышу терасы одного водостока будет не достаточно.

Посилання на коментар
Поділитися на інших сайтах

Не знаю по какой причине, но крышники всегда стараются не монтировать воронки возле ендовых. У нас дренаж кондиционера выведен в том месте, где изначально был нарисован водосток (вы его стерли).

 

И еще мне кажется что на нижнюю крышу терасы одного водостока будет не достаточно.

 

Если нормальный водосток - почему нельзя рядом с ендовой? тем более в Вашем случае ендова не такая и страшная (S с которой будет поступать вода не большая).

 

Какая площадь крыши террасы?

untitled.bmp

Посилання на коментар
Поділитися на інших сайтах

Для начала неплохо бы увидеть план кровли с площадями скатов. В моем понимании вариантов решения проблемы несколько, но возможность их реализации напрямую зависит от площадей водосбора каждой воронки.

Также, если можно, обратную сторону дома.

 

Не видя плана посоветовал бы следующее:

- желоб на юбке нужен, и эстетически и технически.

- в воронку, собирающую воду с узкой части юбки, трубу с верхнего яруса можно завести напрямую просто поставив еще один отвод - своего сбора практически не будет;

- с широкой части юбки воду с помощью разуклонки вывести на отдельную воронку;

В целом бы я делал как на рисунке Дмитрулина, главное правильно разуклонку сделать.

Посилання на коментар
Поділитися на інших сайтах

Для начала неплохо бы увидеть план кровли с площадями скатов.

 

площадь верхней крыши 200 м2

1_01.thumb.jpg.dcf46446e519be72e1f8dd14d91ae146.jpg

2_01.thumb.jpg.5a174507b3c90df1863b007c03550175.jpg

3_01.thumb.jpg.4b04d0de1491952ea42df003d2874b01.jpg

4_01.thumb.jpg.92283cb7ca7271881b1da97ac9e212b9.jpg

1290127392_.thumb.JPG.e8e34627b89ccf1a35ed7ce5b49599fd.JPG

5_01.thumb.jpg.69b9b53f0c9ec89f415c2022d341aae2.jpg

6_01.thumb.jpg.01e4746692e4edcdd2300dd966ffd4be.jpg

7_01.thumb.jpg.09b5fcf20abaff52224d3650235d2532.jpg

Посилання на коментар
Поділитися на інших сайтах

Здравствуйте,

 

Можно ли водостоки с верхней крыши опустить на крышу нижнего яруса, чтобы вода сверху стекала на нижнюю крышу (например крыша над терасой, гаражом...)? Боюсь, что зимой на этих участках нижней крыши будет намерзать лед.

 

Второй вопрос: Можно ли водосток с верхней крыши опустить на желоб нижнего яруса таким образом, чтобы между выходом водостока и желобом был небольшой зазор? Боюсь, что в этом месте нарастет сосулька и закупорит выход водостока

Посилання на коментар
Поділитися на інших сайтах

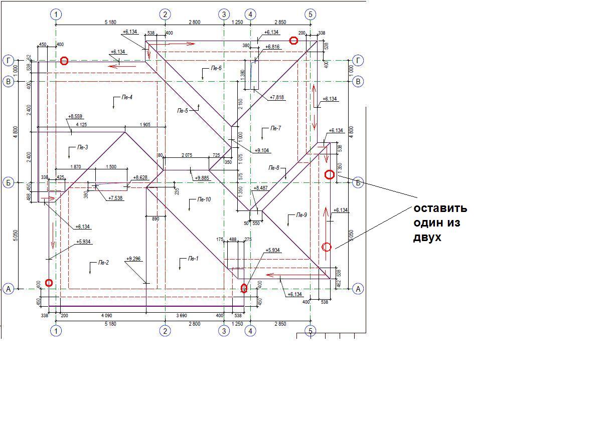
Покритикуйте пожалуйста следующую схемму расположения водостоков.

Какие минусы такой схеммы?

Untitled-4.thumb.jpg.5a9456074e9a7146d5e083178cc45956.jpg

1_01.thumb.jpg.93ea25e1caecaacde982207138b0e877.jpg

Untitled-3.thumb.jpg.690a8234eab85cb85e05ee66ae8731ff.jpg

4_01.thumb.jpg.bddd0b9de130ae95918f244c97993d74.jpg

3_01.thumb.jpg.4e1fd53bec1dff0d8dac63c059d53d6d.jpg

Untitled-2.jpg.ed614f7baec6cda9d5fc0fcfe52339e2.jpg

Посилання на коментар
Поділитися на інших сайтах

Створіть акаунт або увійдіть у нього для коментування

Ви маєте бути користувачем, щоб залишити коментар

Створити акаунт

Зареєструйтеся для отримання акаунта. Це просто!

Зареєструвати акаунт

Увійти

Вже зареєстровані? Увійдіть тут.

Увійти зараз
×
×
  • Створити...