Зигзаг Удачи Опубліковано: 5 квітня 2011 Поділитись Опубліковано: 5 квітня 2011 Собственно вопрос в названии темы. Делаем вентиляцию в овощехранилище и там по технологии требуется уменьшение потока воздуха. Изначальный вариант - двухскоростной двигатель вентилятора, но как оказалось для производителя при мощности 15 кВт двухскоростной двигатель поставить проблемно. Спасет ли ситуацию частотный регулятор? И кстати - почем можно, если что, купить 8 шт Moeller SLX015A1-4A1B0? Посилання на коментар Поділитися на інших сайтах More sharing options...
neue bauer Опубліковано: 5 квітня 2011 Поділитись Опубліковано: 5 квітня 2011 Собственно вопрос в названии темы. Делаем вентиляцию в овощехранилище и там по технологии требуется уменьшение потока воздуха. Изначальный вариант - двухскоростной двигатель вентилятора, но как оказалось для производителя при мощности 15 кВт двухскоростной двигатель поставить проблемно. Спасет ли ситуацию частотный регулятор? И кстати - почем можно, если что, купить 8 шт Moeller SLX015A1-4A1B0? Не проще ли уменьшения потока добиться периодическим выключением двигателя? Посилання на коментар Поділитися на інших сайтах More sharing options...
Зигзаг Удачи Опубліковано: 5 квітня 2011 Автор Поділитись Опубліковано: 5 квітня 2011 Не проще ли уменьшения потока добиться периодическим выключением двигателя? Нет, там еще вопрос в скорости продувки. На первоначальном этапе для просушки нужен большой поток, а потом для снижения уноса влаги с овощей поток должен быть меньше. Посилання на коментар Поділитися на інших сайтах More sharing options...
Dalet Опубліковано: 5 квітня 2011 Поділитись Опубліковано: 5 квітня 2011 Нет, там еще вопрос в скорости продувки. На первоначальном этапе для просушки нужен большой поток, а потом для снижения уноса влаги с овощей поток должен быть меньше. Ставьте частотник, и все будет работать, и регулировать автоматически можно будет. 1 Посилання на коментар Поділитися на інших сайтах More sharing options...
neue bauer Опубліковано: 5 квітня 2011 Поділитись Опубліковано: 5 квітня 2011 Нет, там еще вопрос в скорости продувки. На первоначальном этапе для просушки нужен большой поток, а потом для снижения уноса влаги с овощей поток должен быть меньше. Так все дело в периоде. Можно сделать один час, а можно - 5 сек. Частотник на 15 кВт - все овощи могут столько не стоить Посилання на коментар Поділитися на інших сайтах More sharing options...
Прохожий Опубліковано: 5 квітня 2011 Поділитись Опубліковано: 5 квітня 2011 Так все дело в периоде. Можно сделать один час, а можно - 5 сек. Частотник на 15 кВт - все овощи могут столько не стоить Не болтайте ерундой.... Инвертор на 15 кВт не так дорого стоит... Посилання на коментар Поділитися на інших сайтах More sharing options...
melynik Опубліковано: 5 квітня 2011 Поділитись Опубліковано: 5 квітня 2011 А если параллельные каналы с обратным клапаном и вторым двигателем меньшей мощности и реле времени на переключение? Может оказаться дешевле чем частотник. qtl { position: absolute; border: 1px solid #cccccc; -moz-border-radius: 5px; opacity: 0.2; line-height: 100%; z-index: 999; direction: ltr; } qtl:hover,qtl.open { opacity: 1; } qtl,qtlbar { height: 22px; } qtlbar { display: block; width: 100%; background-color: #cccccc; cursor: move; } qtlbar img { border: 0; padding: 3px; height: 16px; width: 16px; cursor: pointer; } qtlbar img:hover { background-color: #aaaaff; } qtl>iframe { border: 0; height: 0; width: 0; } qtl.open { height: auto; } qtl.open>iframe { height: 200px; width: 300px; } (ссылка устарела) Посилання на коментар Поділитися на інших сайтах More sharing options...
neue bauer Опубліковано: 5 квітня 2011 Поділитись Опубліковано: 5 квітня 2011 Не болтайте ерундой.... Инвертор на 15 кВт не так дорого стоит... Есть абсолютное измерение, а есть относительное. Все зависит от того, какова цель - если "освоить капиталовложения", тогда да... Посилання на коментар Поділитися на інших сайтах More sharing options...
Зигзаг Удачи Опубліковано: 5 квітня 2011 Автор Поділитись Опубліковано: 5 квітня 2011 Так все дело в периоде. Можно сделать один час, а можно - 5 сек. Частотник на 15 кВт - все овощи могут столько не стоить Ведущий специалист по хранению сказал, что ему нужно две скорости продувки... поэтому и ищем пути решения Не болтайте ерундой.... Инвертор на 15 кВт не так дорого стоит... Вы имеете в виду инверторный двигатель или частотный регулятор? А если параллельные каналы с обратным клапаном и вторым двигателем меньшей мощности и реле времени на переключение? Может оказаться дешевле чем частотник. Не совсем понимаю схемы... Есть абсолютное измерение, а есть относительное. Все зависит от того, какова цель - если "освоить капиталовложения", тогда да... Для меня цель - получить нужный результат минимальной стоимостью Посилання на коментар Поділитися на інших сайтах More sharing options...
neue bauer Опубліковано: 5 квітня 2011 Поділитись Опубліковано: 5 квітня 2011 Ведущий специалист по хранению сказал, что ему нужно две скорости продувки... поэтому и ищем пути решения Если нужны только две скорости, частотный регулятор есть инструмент избыточный, имхо. Посилання на коментар Поділитися на інших сайтах More sharing options...
Nikalya Опубліковано: 5 квітня 2011 Поділитись Опубліковано: 5 квітня 2011 частотник даст ему возможность иметь несколько больше, чем 2 скорости. это гут для вашего спеца, но бэд для вас, ибо цена. хотя, в любом случае платит заказчик.. Посилання на коментар Поділитися на інших сайтах More sharing options...
Прохожий Опубліковано: 5 квітня 2011 Поділитись Опубліковано: 5 квітня 2011 Вы имеете в виду инверторный двигатель или частотный регулятор? Я имею ввиду инвертор - преобразователь частоты. 15 кВт будет стоить порядка полторушки зелени если из недорогих (LENZE например) что сравнимо по стоимости с двухскоростным двигателем. Но при этом есть возможность плавного пуска, регулировки производительности в широких пределах, больший срок службы двигателя, возможность управления процессами системой автоматики..... Посилання на коментар Поділитися на інших сайтах More sharing options...
neue bauer Опубліковано: 5 квітня 2011 Поділитись Опубліковано: 5 квітня 2011 Я имею ввиду инвертор - преобразователь частоты. 15 кВт будет стоить порядка полторушки зелени если из недорогих .... Ну вот, грузовик бульбы... Посилання на коментар Поділитися на інших сайтах More sharing options...
Прохожий Опубліковано: 5 квітня 2011 Поділитись Опубліковано: 5 квітня 2011 Ну вот, грузовик бульбы... Промышленные решения считаются несколько в ином подходе.... В сроках окупаемости. я бы рассмотрел вариант - два движка разной мощи... первый 10-15 и второй 5 кВт например... комбинация их включения даст результат. и надежнее получится. А обвязка? А отсечные клапана для предотвращения перетока.... 1 Посилання на коментар Поділитися на інших сайтах More sharing options...
ELPRO Опубліковано: 5 квітня 2011 Поділитись Опубліковано: 5 квітня 2011 .... И кстати - почем можно, если что, купить 8 шт Moeller SLX015A1-4A1B0? SLX015A1-4A1B0 / Частотный преобразователь 3ф, 380-500В, 11 кВт/ IP21 EATON- 1064.70 ? (инф. из российских сайтов) Посилання на коментар Поділитися на інших сайтах More sharing options...
Зигзаг Удачи Опубліковано: 5 квітня 2011 Автор Поділитись Опубліковано: 5 квітня 2011 я бы рассмотрел вариант - два движка разной мощи... первый 10-15 и второй 5 кВт например... комбинация их включения даст результат. и надежнее получится. Там не совсем получается - на камеру два вентилятора и ставить еще два - совсем некуда частотник даст ему возможность иметь несколько больше, чем 2 скорости. это гут для вашего спеца, но бэд для вас, ибо цена. хотя, в любом случае платит заказчик.. А как мне получить экономный вариант двух скоростей? Посилання на коментар Поділитися на інших сайтах More sharing options...
Diver Опубліковано: 5 квітня 2011 Поділитись Опубліковано: 5 квітня 2011 да.... и подумав, я понимаю, что паралельно два движка разной мощи наверное не смогут нагненать в одну сторону воздух Посилання на коментар Поділитися на інших сайтах More sharing options...
Зигзаг Удачи Опубліковано: 5 квітня 2011 Автор Поділитись Опубліковано: 5 квітня 2011 Я имею ввиду инвертор - преобразователь частоты. 15 кВт будет стоить порядка полторушки зелени если из недорогих (LENZE например) что сравнимо по стоимости с двухскоростным двигателем. Но при этом есть возможность плавного пуска, регулировки производительности в широких пределах, больший срок службы двигателя, возможность управления процессами системой автоматики..... Да, согласен, возможности широкие... Ну вот, грузовик бульбы... Неизвестно, что будет в этом году - грузовик или два SLX015A1-4A1B0 / Частотный преобразователь 3ф, 380-500В, 11 кВт/ IP21 EATON- 1064.70 ? (инф. из российских сайтов) Ого Посилання на коментар Поділитися на інших сайтах More sharing options...
neue bauer Опубліковано: 5 квітня 2011 Поділитись Опубліковано: 5 квітня 2011 да.... и подумав, я понимаю, что паралельно два движка разной мощи наверное не смогут нагненать в одну сторону воздух Ну почему, если их не включать навстречу... Кстати, никто не мешает поставить их в одном и том же канале, последовательно. Посилання на коментар Поділитися на інших сайтах More sharing options...
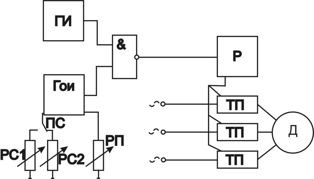
neue bauer Опубліковано: 5 квітня 2011 Поділитись Опубліковано: 5 квітня 2011 Да, согласен, возможности широкие... Да, с перспективой это бы и нужно было бы. Но не Вам... Неизвестно, что будет в этом году - грузовик или два Да Вы оптимист... Ну вот навскидку вариант простейшего регулятора (пришиваю). ГИ - Генератор Импульсов, открывающих тиристорные встречно-параллельные пары ТП в каждой фазе, Р - гальваническая развязка генератора и тиристоров, оптронная или еще какая. Открывающие импульсы поступают на тиристоры не все время, а только часть какого-то периода, например, 3 секунды из пяти, вследствие чего вентилятор работает 60% от всего времени, соответственно, прогоняет 60% потока воздуха. Соотношение задается Гои - генератором огибающего импульса, период подачи которого (те 5 секунд, например) регулируется регулятором РП, а время открытого состояния тиристоров (длительность импульса, коэффициент заполнения на периоде, те самые 3 секунды) - регуляторами РС1 и РС2, один из которых выставляется на один объем воздухообмена, другой - на другой. Регуляторы переключаются переключателем ПС с помощью правой руки оператора. Неравномерность потока воздуха через вентилятор, думаю, весьма сгладится вследствие немалого объема помещения. Посилання на коментар Поділитися на інших сайтах More sharing options...
Dalet Опубліковано: 5 квітня 2011 Поділитись Опубліковано: 5 квітня 2011 Ну и отлично, теперь осталость подарить Зигзагу Удачи паяльник, обучить радиотехнике, и деталек комплектов надцать, так на всякий случай, вдруг с первого раза не закрутится моторчик. Уважаемые, зачем изобретать велосипед, нанять спеца который соберет эту схему и еще комплектующих комплект - это все обойдется в копейку и причем в немалую, я бы баксов с 500-800 за такое содрал бы. Есть стандартные решения, вот их и нужно применять, иначе потом клиенту долго будете обьяснять что это оно само так криво работает и дохнет при каждом старте. Это движок и там есть стартовые токи, и что Ваш обератор будет каждый раз с нуля обороты в ручную увеличевать до нормы, а если нет то тиристорам капец, или оч мощные ставить нужно а им цена выйдет... 15кВт *3-5раз=45-75кВт старт Посилання на коментар Поділитися на інших сайтах More sharing options...
neue bauer Опубліковано: 5 квітня 2011 Поділитись Опубліковано: 5 квітня 2011 Есть стандартные решения, вот их и нужно применять, иначе потом клиенту долго будете обьяснять что это оно само так криво работает и дохнет при каждом старте. Это движок и там есть стартовые токи, и что Ваш обератор будет каждый раз с нуля обороты в ручную увеличевать до нормы, а если нет то тиристорам капец, или оч мощные ставить нужно а им цена выйдет... Да я не против, только вот ТС на единственное предложенное стандартное решение говорит "Ого". Кстати, не рассматривалось еще решение изменения угла наклона лопастей вентилятора либо переключения с одного вентилятора на другой, с меньшей производительностью, скажем, электромагнитной муфтой Посилання на коментар Поділитися на інших сайтах More sharing options...
Dalet Опубліковано: 5 квітня 2011 Поділитись Опубліковано: 5 квітня 2011 Да я не против, только вот ТС на единственное предложенное стандартное решение говорит "Ого". Кстати, не рассматривалось еще решение изменения угла наклона лопастей вентилятора либо переключения с одного вентилятора на другой, с меньшей производительностью, скажем, электромагнитной муфтой Вот не помню, а обмотками типа треугольник - звезда никак нельзя? А еще можно просто понижающий трансформатор трехфазный, но это тоже денег много. А то что "Ого", дак куда денешся, решение правильное и надежное денег стоит полюбому. Раз овощи сгниют, сразу найдутся и денежки и понимание. Посилання на коментар Поділитися на інших сайтах More sharing options...
neue bauer Опубліковано: 5 квітня 2011 Поділитись Опубліковано: 5 квітня 2011 Вот не помню, а обмотками типа треугольник - звезда никак нельзя? А еще можно просто понижающий трансформатор трехфазный, но это тоже денег много. А то что "Ого", дак куда денешся, решение правильное и надежное денег стоит полюбому. Раз овощи сгниют, сразу найдутся и денежки и понимание. Не, двигатель асинхронный на 50 Гц, он и вращаться будет с пропорциональной частотой, хоть звезда, хоть треугольник, хоть трансформатор. А насчет "правильного решения" - это Вы с позиции поставщика, а не стороннего форумчанина, правда? Какая там ссылочка у Вас в подвальчике? И овощи не сгниют, разве пересохнут, если выключать вентилятор на время обломятся. То есть то же самое, что я предлагаю, только вручную и по приказу Кстати, непонятно - вентилятор один на все хранилище? Оно монокультурное, что ли? Одна картошка или одна капуста? Да и загружаться они будут не в один день... Что-то мне сдается, что тема разговора как-то кривовата, и не по вине ТС. Одним вентилятором обработать все хранилище, когда для разных овощей наверняка режимы вентиляции должны быть разные... А если сейчас выяснится, что на скорости 1 вентилятор должен работать с сентября по ноябрь, а на скорости 2 - с декабря по апрель... Посилання на коментар Поділитися на інших сайтах More sharing options...
Nikalya Опубліковано: 5 квітня 2011 Поділитись Опубліковано: 5 квітня 2011 там 8 двигателей Посилання на коментар Поділитися на інших сайтах More sharing options...
Рекомендовані повідомлення
Створіть акаунт або увійдіть у нього для коментування
Ви маєте бути користувачем, щоб залишити коментар
Створити акаунт
Зареєструйтеся для отримання акаунта. Це просто!
Зареєструвати акаунтУвійти
Вже зареєстровані? Увійдіть тут.
Увійти зараз