Перейти до публікації
Пошук в
  • Додатково...
Шукати результати, які містять...
Шукати результати в...

Расчет фундамента (грубый)

Mirotvorec

Рекомендовані повідомлення

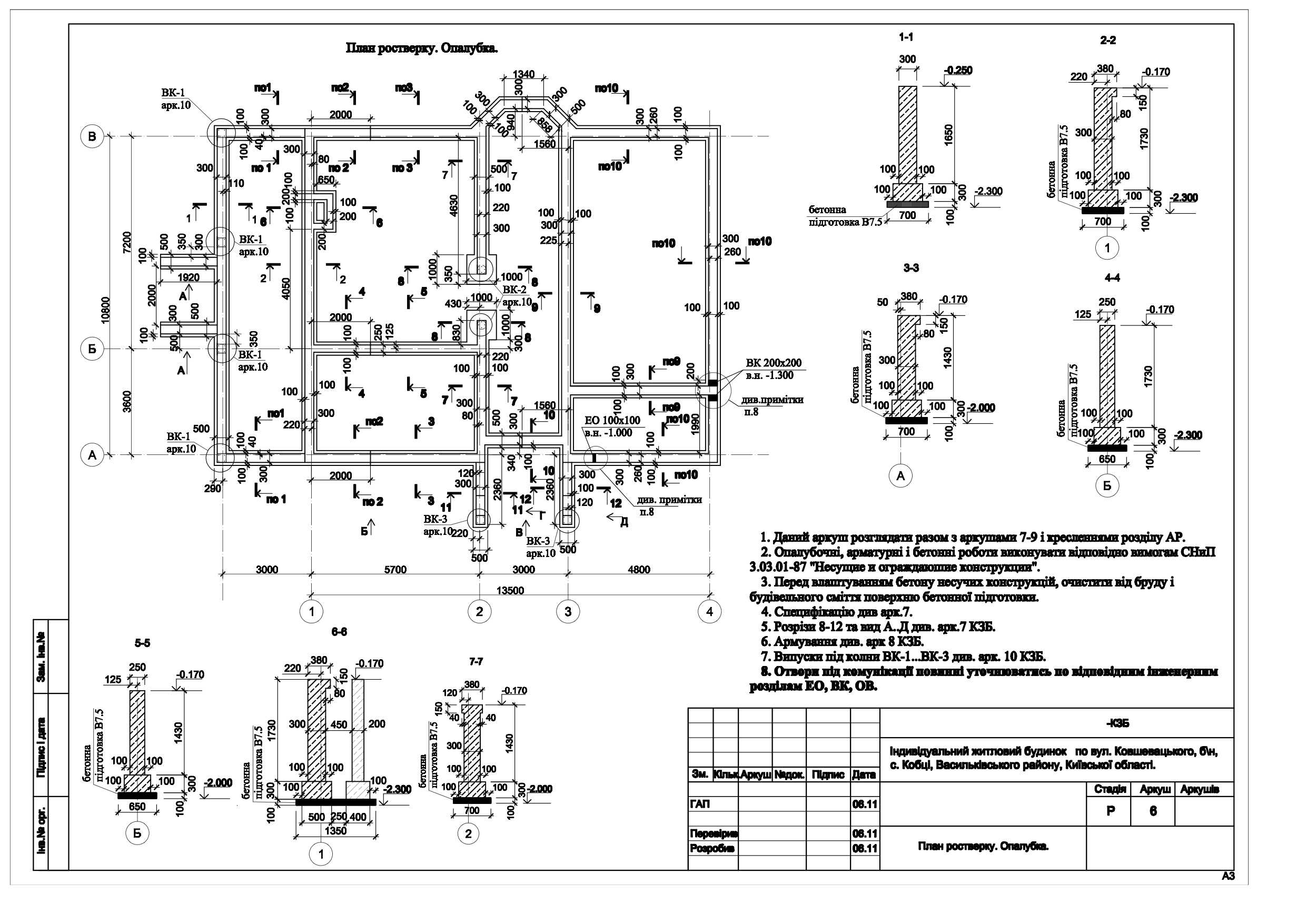
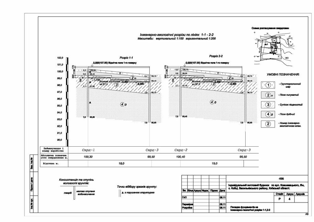
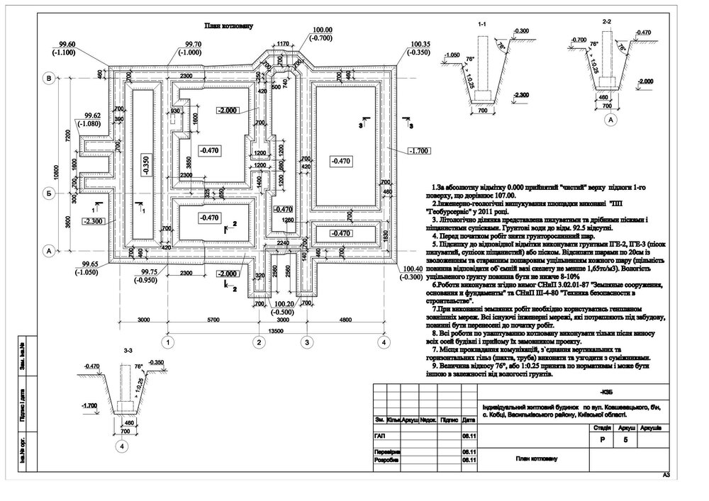
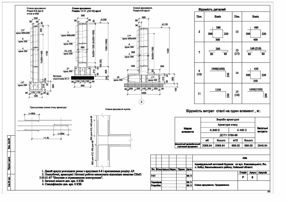
Господа строители,

 

можете прикинуть стоимость такого фундамента?

все данные в аттаче.

 

Можно грубо, не вдаваясь в подробности.

 

если нужна дополнительная информация, пишите.

 

и хотелось бы услышать мнение конструкторов.

Что вы думаете по такому фундаменту, не слишком ли много арматуры и прочего?

691642835__.thumb.jpg.1ffc7d4d9f25ff23487023d44efa2626.jpg

637761302__.thumb.jpg.d756b9cca3403eb0568095ebae2344e2.jpg

52385356__.thumb.jpg.032c06a565d7b906cbd29c12aba0497e.jpg

444758056__.thumb.jpg.64d8fdd4b34fbfb9857e503c41751eb3.jpg

1118696640__..thumb.jpg.d8f2cf8236c448a0a2a69dab44f828c1.jpg

642924297__.thumb.jpg.6c0fe96a42d09f0d010369ac570c024f.jpg

2013619865__.thumb.jpg.7f8296816c13d2ea0484dcebea61eb66.jpg

Посилання на коментар
Поділитися на інших сайтах

Господа строители,

 

можете прикинуть стоимость такого фундамента?

все данные в аттаче.

 

Можно грубо, не вдаваясь в подробности.

 

если нужна дополнительная информация, пишите.

 

и хотелось бы услышать мнение конструкторов.

Что вы думаете по такому фундаменту, не слишком ли много арматуры и прочего?

Не знаю, что у Вас с гидрогеологией, но судя по глубине заложения - можно делать полноценный подвальный этаж: вынуть оставшийся грунт в пятне застройки + залить плиту пола = полноценный этаж в 130 квм :pardon:

Посилання на коментар
Поділитися на інших сайтах

Не знаю, что у Вас с гидрогеологией, но судя по глубине заложения - можно делать полноценный подвальный этаж: вынуть оставшийся грунт в пятне застройки + залить плиту пола = полноценный этаж в 130 квм :pardon:

 

у меня просто уклон.

подвал - не хочу

Посилання на коментар
Поділитися на інших сайтах

Створіть акаунт або увійдіть у нього для коментування

Ви маєте бути користувачем, щоб залишити коментар

Створити акаунт

Зареєструйтеся для отримання акаунта. Це просто!

Зареєструвати акаунт

Увійти

Вже зареєстровані? Увійдіть тут.

Увійти зараз
×
×
  • Створити...