ПЛАСТИК Опубліковано: 19 вересня 2011 Поділитись Опубліковано: 19 вересня 2011 Подскажите пожалуста как лучше проармировать газоблок под окном в еркере? Ложить арматуру под всем окном с запусками на 50 см или как то иначе? Спасибо Посилання на коментар Поділитися на інших сайтах More sharing options...
Gitan Опубліковано: 19 вересня 2011 Поділитись Опубліковано: 19 вересня 2011 Аэрок рекомендует 900мм spb.aeroc.ru/project/wall/ Посилання на коментар Поділитися на інших сайтах More sharing options...
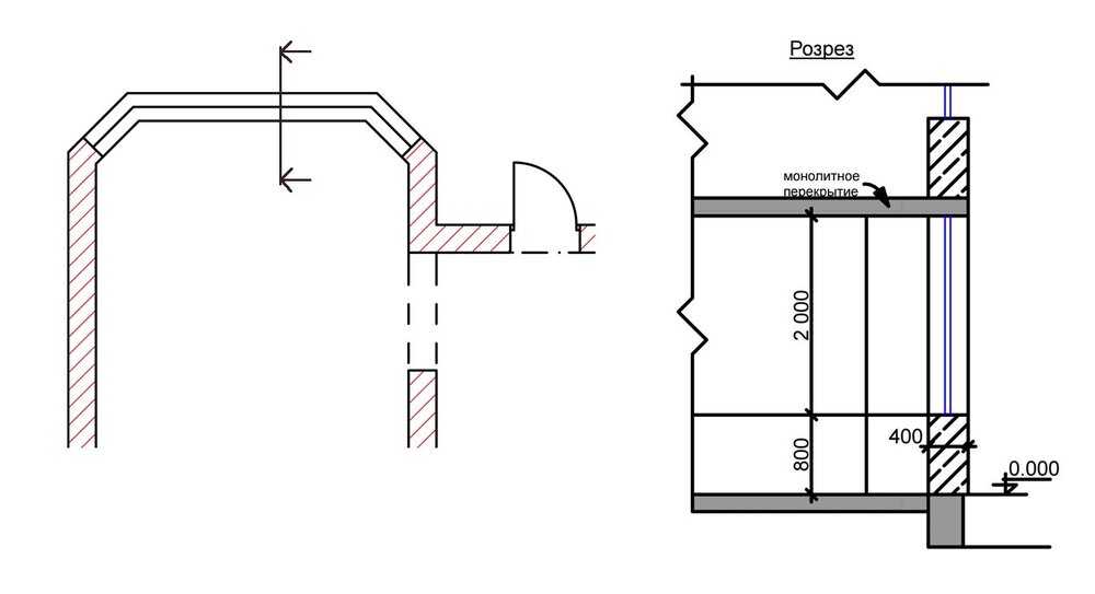
ПЛАСТИК Опубліковано: 19 вересня 2011 Автор Поділитись Опубліковано: 19 вересня 2011 Ознакомился с рекомендациями, однако в примере над окном лежит перемычка, которая передает собственую нагрузку и вышележащих блков на участки стены возле окна. В моем примере с верху перемычки не будет. Окно будет до низа монолитного перекрытия(разрез), тоесть нагрузки будут только от самих блоков так же как в обычном участке стены, отсюда и сомнения как лучше сделать. Никто не сталкивался с таким вариантом на практике? Посилання на коментар Поділитися на інших сайтах More sharing options...
Winder Опубліковано: 19 вересня 2011 Поділитись Опубліковано: 19 вересня 2011 Хотите по 40см арматуры сэкономить? 1 Посилання на коментар Поділитися на інших сайтах More sharing options...
ПЛАСТИК Опубліковано: 19 вересня 2011 Автор Поділитись Опубліковано: 19 вересня 2011 Хотите по 40см арматуры сэкономить? Да нехочу я сэкономить. Иначе вопрос звучал бы: можно ли сэкономить? Про выпуски в 50 см встречал информацию. 90 запустить тоже не проблема. Хочеться понимать нужна ли арматура в самом эркере, и если да то какую она выполняет роль, ведь выше ряда подоконника вобще больше ничего опираться не будет. Может правильнее только в углах "еркерного" окна проармировать по краям..может и нет. Посилання на коментар Поділитися на інших сайтах More sharing options...
Winder Опубліковано: 19 вересня 2011 Поділитись Опубліковано: 19 вересня 2011 На блоки под окном давит вес только окна, а на блоки слева и справа от проёма, давит вес вешележащих блоков, вес перекрытия, то, что на этом перекрытии находится, стена выше перекрытия и т.д. Поэтому в нижних углах проёмов разные напряжения в кладке, а арматура усиливает эти места. Посилання на коментар Поділитися на інших сайтах More sharing options...
ПЛАСТИК Опубліковано: 19 вересня 2011 Автор Поділитись Опубліковано: 19 вересня 2011 На блоки под окном давит вес только окна, а на блоки слева и справа от проёма, давит вес вешележащих блоков, вес перекрытия, то, что на этом перекрытии находится, стена выше перекрытия и т.д. Поэтому в нижних углах проёмов разные напряжения в кладке, а арматура усиливает эти места. Если я правильно понял, то такого армирования будет достаточно? От угла по 90 см в каждую сторону по 2 прута Ф8 Посилання на коментар Поділитися на інших сайтах More sharing options...
ПЛАСТИК Опубліковано: 21 вересня 2011 Автор Поділитись Опубліковано: 21 вересня 2011 Армировать уже надо Посилання на коментар Поділитися на інших сайтах More sharing options...
Winder Опубліковано: 21 вересня 2011 Поділитись Опубліковано: 21 вересня 2011 Если я правильно понял, то такого армирования будет достаточно? От угла по 90 см в каждую сторону по 2 прута Ф8 Ну Вы бы ссылку выше внимательней посмотрели! Там же ясно видно, что под окнами разрыва в арматуре нет. Посилання на коментар Поділитися на інших сайтах More sharing options...
Рекомендовані повідомлення
Створіть акаунт або увійдіть у нього для коментування
Ви маєте бути користувачем, щоб залишити коментар
Створити акаунт
Зареєструйтеся для отримання акаунта. Це просто!
Зареєструвати акаунтУвійти
Вже зареєстровані? Увійдіть тут.
Увійти зараз