N.Lux Опубліковано: 25 жовтня 2011 Автор Поділитись Опубліковано: 25 жовтня 2011 так намного лучше.Теперь если кухню поменять местами с гостиной.котельную оттуда убрать на место кабинета (правильно здесь говорят.если конечно кабинет не священная корова.ведь чем то все равно придется жертвовать) то получается большая кухня.гостиная 24м и самое главное котельная на месте , что исключает лишние затраты и дает более быструю доставку горячей воды на точки.В наше время когда цена на энергоносители заоблачная это важно.Попробуйте так .если конечно смиритесь с потерей кабинета.зато в котельную запихаете все о чем я вам писал.А большая котельная в будущем даст вам возможность более спокойной жизни.поверьте моему личному опыту (т.е.набитым шишкам) удачи. да.насчет прихожей вы совершенно правы.там нормально станет шкаф-купе.да и второй сан узел это разумно.он лишним не бывает+ всунете туда стиралку. Санузел или Гардеропная доплительо для зимней одежды и прочего, в общем мжно варианты продумать. Я ещё изменения внёс, "Священные Коровы" останутся))) может так оно должно быть?)) Ещё можно по ширен дома ужаться на 1-ин метр без осбых потерь, если уменьшить по 30 см в каждом ряду помещений !!! www.stroimdom.com.ua/forum/attachment.php?attachmentid=141067&stc=1&d=1319534665 Посилання на коментар Поділитися на інших сайтах More sharing options...
ionico Опубліковано: 25 жовтня 2011 Поділитись Опубліковано: 25 жовтня 2011 В последнем варианте кухня в глубине дома. Я думаю, что это не очень хорошо, ведь существует зонирование дома. Жилую зону стараются разместить в глубине дома. А хозяйственную (в т. ч. кухню) - ближе ко входу. Ведь плохо тащить продукты через весь дом, чтобы доставить их в кухню. К тому же в предпоследнем варианте кухня смежна с котельной, а это явный плюс. Кабинет также в более лучшем местоложении - в глубине дома. Когда два с/у в доме - также лучше. Кстати, гардеробную, которая рядом с прихожей, можно разделить на две гардеробных: одна для спальни, другая для прихожей. Думаю, что места для шкафов в них хватит. Окно в ней вовсе не обязательно - оно блокирует возможность установки шкафа возле стены где окно. Так что предпоследний вариант явно лучше. 1 Посилання на коментар Поділитися на інших сайтах More sharing options...
N.Lux Опубліковано: 25 жовтня 2011 Автор Поділитись Опубліковано: 25 жовтня 2011 В последнем варианте кухня в глубине дома. Я думаю, что это не очень хорошо, ведь существует зонирование дома. Жилую зону стараются разместить в глубине дома. А хозяйственную (в т. ч. кухню) - ближе ко входу. Ведь плохо тащить продукты через весь дом, чтобы доставить их в кухню. К тому же в предпоследнем варианте кухня смежна с котельной, а это явный плюс. Кабинет также в более лучшем местоложении - в глубине дома. Когда два с/у в доме - также лучше. Кстати, гардеробную, которая рядом с прихожей, можно разделить на две гардеробных: одна для спальни, другая для прихожей. Думаю, что места для шкафов в них хватит. Окно в ней вовсе не обязательно - оно блокирует возможность установки шкафа возле стены где окно. Так что предпоследний вариант явно лучше. Спасибо, эти варианты взаимо заменяемы, тут нужно взвешивать и принимать решение, что предпочтительнее носить продукты через весь дом, или выход из кухни на террасу(всё из-за террасы планируется и привязывается к кухне по этой причине)! Я имел в виду два разных варианта "коробок", -те что в миниатюрах: www.stroimdom.com.ua/forum/attachment.php?attachmentid=141106&stc=1&d=1319542350 www.stroimdom.com.ua/forum/attachment.php?attachmentid=141107&stc=1&d=1319542363 Посилання на коментар Поділитися на інших сайтах More sharing options...
ionico Опубліковано: 25 жовтня 2011 Поділитись Опубліковано: 25 жовтня 2011 Понятно Тогда в этом случае появляются вопросы: как здание посажено на участок и где находится проезжая часть? Это я к тому, что входы выполнены с разных сторон. В варианте, где вы обозначили бассейн и крытую террасу логично предположить, что проезжая часть параллельна той стороне, которая имеет длину 11500. В другом же варианте не понятно где проезжая часть. Если с той же стороны, то две спальни выходят на улицу, а не в глубину участка - плохо. Если проезжая часть со стороны, которая имеет длину 11 м, то правильно ли ориентирована терраса? А насчёт "коробок" здания - думаю, что они мало отличаются друг от друга и обе одинаково хороши. В 1 варианте явно лучше смотрится камин между гостиной и кухней. В общем, надо на участок посмотреть. Посилання на коментар Поділитися на інших сайтах More sharing options...
N.Lux Опубліковано: 25 жовтня 2011 Автор Поділитись Опубліковано: 25 жовтня 2011 Понятно Тогда в этом случае появляются вопросы: как здание посажено на участок и где находится проезжая часть? Это я к тому, что входы выполнены с разных сторон. В варианте, где вы обозначили бассейн и крытую террасу логично предположить, что проезжая часть параллельна той стороне, которая имеет длину 11500. В другом же варианте не понятно где проезжая часть. Если с той же стороны, то две спальни выходят на улицу, а не в глубину участка - плохо. Если проезжая часть со стороны, которая имеет длину 11 м, то правильно ли ориентирована терраса? А насчёт "коробок" здания - думаю, что они мало отличаются друг от друга и обе одинаково хороши. В 1 варианте явно лучше смотрится камин между гостиной и кухней. В общем, надо на участок посмотреть. Участок 20х60м с востока на запад, оба варианта рассматриваются со стороны "дороги" -начало участка. До дома в обеих вариантах будет гдето 8-10 метров. В этой части будет двор, площадка для въезда авто, навес или гараж ( вероятнее всего по правую сторону). Улица тихая, грунтовая, по этому надеемся что спальни сильно не пострадают от "гостей")) Посилання на коментар Поділитися на інших сайтах More sharing options...
wironna Опубліковано: 26 жовтня 2011 Поділитись Опубліковано: 26 жовтня 2011 Не могу сказать, что понравились варианты. И в первом варианте попробуйте расставить мебель в гостиной, - мне кажется, что будет не очень удобно. Попробуйте отложить на время эти проекты и поработать над новым, - вернуться никогда не поздно, а вдруг нарисуется что-то более интересное. 2 Посилання на коментар Поділитися на інших сайтах More sharing options...
N.Lux Опубліковано: 26 жовтня 2011 Автор Поділитись Опубліковано: 26 жовтня 2011 Не могу сказать, что понравились варианты. И в первом варианте попробуйте расставить мебель в гостиной, - мне кажется, что будет не очень удобно. Попробуйте отложить на время эти проекты и поработать над новым, - вернуться никогда не поздно, а вдруг нарисуется что-то более интересное. Вот вы представьте, придумываешь разные варианты, что-то пытаешся начертить, потом пересмотрев сотни готовых проектов, рождается в голове что-то кажущееся как минимум гениальным, совершенство идеи воплощается в нарисованный Ген -План -(от слова ГЕНИАЛЬНЫЙ)..., и вдруг появляется первая критика, сравнимая с предательством, потом вторая как нож)))) В итоге ты начинаешь включать мозг, понимаешь что требуется от этого дома, и планировки, какая задача ставится в конкретных условиях.. Миришся с фактом фиаско, и начинаешь придумывать что-то другое. Потом это что-то кажется, что выполняет все поставленные условия и задачи...Но всё равно что-то не то)) В общем тяжко это всё, но если обращаться к спецам, то они потом всё равно нарисуют то, что я им буду навязывать))))) Вот Задача то)))) Посилання на коментар Поділитися на інших сайтах More sharing options...
Федорович Опубліковано: 26 жовтня 2011 Поділитись Опубліковано: 26 жовтня 2011 Нет,Вы конечно можете получить идеальный дом в Вашем понимании (то есть под себя) Но тогда Вы должны четко понимать что придется менять размеры дома.может быть участка,естественно размеры вложенных средств и трудозатрат.если помните известную история про скорняка и шкуру.Так вот в вашем случае главное что бы не получилось семь шапок.А в общем удачи Вам в Строительстве вашего дома. 1 Посилання на коментар Поділитися на інших сайтах More sharing options...
ionico Опубліковано: 26 жовтня 2011 Поділитись Опубліковано: 26 жовтня 2011 Вот вы представьте, придумываешь разные варианты, что-то пытаешся начертить, потом пересмотрев сотни готовых проектов, рождается в голове что-то кажущееся как минимум гениальным, совершенство идеи воплощается в нарисованный Ген -План -(от слова ГЕНИАЛЬНЫЙ)..., и вдруг появляется первая критика, сравнимая с предательством, потом вторая как нож)))) В итоге ты начинаешь включать мозг, понимаешь что требуется от этого дома, и планировки, какая задача ставится в конкретных условиях.. Миришся с фактом фиаско, и начинаешь придумывать что-то другое. Потом это что-то кажется, что выполняет все поставленные условия и задачи...Но всё равно что-то не то)) В общем тяжко это всё, но если обращаться к спецам, то они потом всё равно нарисуют то, что я им буду навязывать))))) Вот Задача то)))) Главное - чтобы вы сами чётко представляли и понимали, что именно желаете построить Ориентация участка у вас хорошая, удобная. Смотрите вложение. Бассейн у вас правильно расположен - он будет затенять северную сторону участка. Но вот 2 спальни имеют окна, которые выходят на север. Они не будут иметь инсоляцию. Я бы советовал попробовать изменить положение гостиной и кухни со спальнями. При этом сохранить положение бассейна и террасы. Посилання на коментар Поділитися на інших сайтах More sharing options...
wironna Опубліковано: 27 жовтня 2011 Поділитись Опубліковано: 27 жовтня 2011 Вот вы представьте, придумываешь разные варианты, что-то пытаешся начертить, потом пересмотрев сотни готовых проектов, рождается в голове что-то кажущееся как минимум гениальным, совершенство идеи воплощается в нарисованный Ген -План -(от слова ГЕНИАЛЬНЫЙ)..., и вдруг появляется первая критика, сравнимая с предательством, потом вторая как нож)))) В итоге ты начинаешь включать мозг, понимаешь что требуется от этого дома, и планировки, какая задача ставится в конкретных условиях.. Миришся с фактом фиаско, и начинаешь придумывать что-то другое. Потом это что-то кажется, что выполняет все поставленные условия и задачи...Но всё равно что-то не то)) В общем тяжко это всё, но если обращаться к спецам, то они потом всё равно нарисуют то, что я им буду навязывать))))) Вот Задача то)))) Я понимаю, что это непросто. Вы на планировке указывайте, пожалуйста, юг-север, потому что сложно ориентироваться. До меня наконец-то дошло, что, к примеру, на первом проекте в Вашей теме, и далее, гостиная и кухня расположены на северной стороне. Если это так, то мне кажется, что проект должен быть в зеркальном отражении: кухня хорошо, если восток, юго-восток, юго-запад; гостиная - юг, юго-запад; терраса - запад, северо-запад. Посилання на коментар Поділитися на інших сайтах More sharing options...
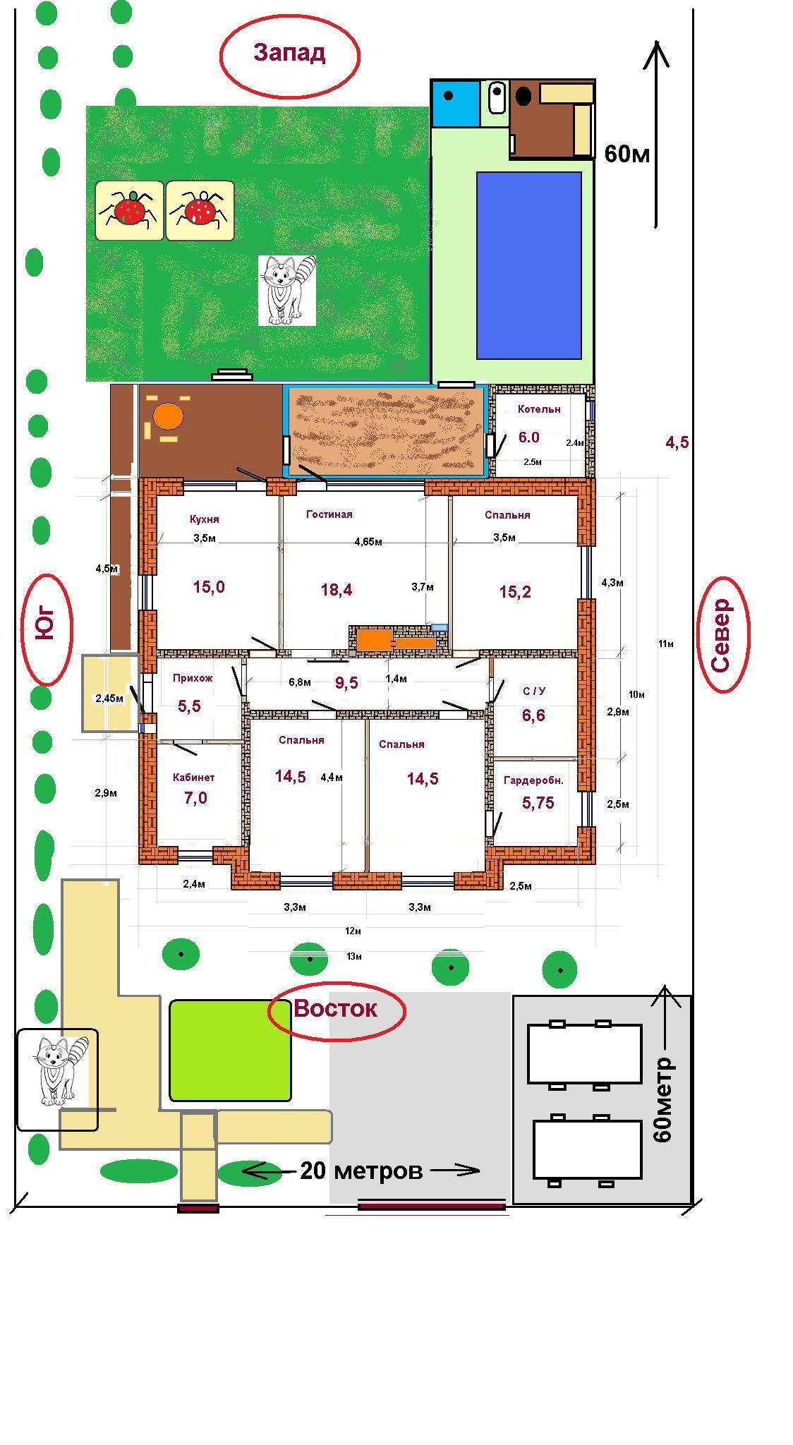
N.Lux Опубліковано: 27 жовтня 2011 Автор Поділитись Опубліковано: 27 жовтня 2011 Главное - чтобы вы сами чётко представляли и понимали, что именно желаете построить Ориентация участка у вас хорошая, удобная. Смотрите вложение. Бассейн у вас правильно расположен - он будет затенять северную сторону участка. Но вот 2 спальни имеют окна, которые выходят на север. Они не будут иметь инсоляцию. Я бы советовал попробовать изменить положение гостиной и кухни со спальнями. При этом сохранить положение бассейна и террасы. Ну для начала хорошо бы Юг и Север поменять местами, :wink: А то без "пузыря" не разобраться, и так полная голова строй материалов, простенков в перемешку с несущими стенами)))) www.stroimdom.com.ua/forum/attachment.php?attachmentid=141625&stc=1&d=1319724600 Посилання на коментар Поділитися на інших сайтах More sharing options...
N.Lux Опубліковано: 27 жовтня 2011 Автор Поділитись Опубліковано: 27 жовтня 2011 Я понимаю, что это непросто. Вы на планировке указывайте, пожалуйста, юг-север, потому что сложно ориентироваться. До меня наконец-то дошло, что, к примеру, на первом проекте в Вашей теме, и далее, гостиная и кухня расположены на северной стороне. Если это так, то мне кажется, что проект должен быть в зеркальном отражении: кухня хорошо, если восток, юго-восток, юго-запад; гостиная - юг, юго-запад; терраса - запад, северо-запад. . Но вот 2 спальни имеют окна, которые выходят на север. Они не будут иметь инсоляцию. Я бы советовал попробовать изменить положение гостиной и кухни со спальнями. ( с учетом того, что в том месте где у Вас Юг, у ionico подрозумивается Север-смотрите его вложение;) ) -Интересный диалог получается)) А как же Инсоляция? Как бы вас тут принудить к выяснению отношний по этому вопросу? Посилання на коментар Поділитися на інших сайтах More sharing options...
wironna Опубліковано: 27 жовтня 2011 Поділитись Опубліковано: 27 жовтня 2011 А Вы попробуйте поработать, к примеру, вот с этим проектом( фото ниже). Если его повернуть на 90 градусов, затем дневную зону (кухня-гостиная) тоже повернуть так , чтобы кухня оказалась на западе. а гостиная к востоку, вместо кухни сделать кабинет, а вместо столовой - кухню - столовую с выходом на запад, на терассу. И гардероб можно, как здесь, во входом из коридора, а можно сделать со входом из спальни. Я не могу сказать, что вариант будет очень удачным, - для этого нужно все начертить и хорошо посмотреть. Посмотрите. Может быть, и еще какие-то есть варианты планировок в теме одноэтажников, которые можно было бы посмотреть, ссылка на этот проект на 1-ой странице темы, пост 2. Посилання на коментар Поділитися на інших сайтах More sharing options...
wironna Опубліковано: 27 жовтня 2011 Поділитись Опубліковано: 27 жовтня 2011 (змінено) К предыдущему комментарию. Кухню можно увеличить засчет гостиной, - немного сдвинется комната-кабинет в сторону гостиной, и окна немного подвигать в связи с этим. Гардероб, конечно, здесь лучше было бы оставить со входом из коридора, как в проекте, но если уж очень хочется... На 90 градусов повернула планировку: Змінено 27 жовтня 2011 користувачем wironna 1 Посилання на коментар Поділитися на інших сайтах More sharing options...
ionico Опубліковано: 27 жовтня 2011 Поділитись Опубліковано: 27 жовтня 2011 Да, позор на мою седую голову Перепутал я в попыхах... 2 Посилання на коментар Поділитися на інших сайтах More sharing options...
N.Lux Опубліковано: 27 жовтня 2011 Автор Поділитись Опубліковано: 27 жовтня 2011 К предыдущему комментарию. Кухню можно увеличить засчет гостиной, - немного сдвинется комната-кабинет в сторону гостиной, и окна немного подвигать в связи с этим. Гардероб, конечно, здесь лучше было бы оставить со входом из коридора, как в проекте, но если уж очень хочется... На 90 градусов повернула планировку: Спасибо!!! Чтоб дальш не путать, остановился на этом варианте(миниатюра) www.stroimdom.com.ua/forum/attachment.php?attachmentid=141732&stc=1&d=1319751552 Задача: выход на террасу из кухни и гостиной. Терраса из гостиной будет полностью остеклена, т.е. тёплой, из кухни открытой. к тёплой террасе будт пристроен бассеин. Вот этот вариант буду "крутить" -Достоинство: кухня и гостиная на своём месте, у ванной есть окно, в спальне гардероб... т.е. всё что планировалось в условии выполнено. -Недостатки: Проблема в котельной, немогу её воткнуть в коробку, не хочется терять Кабинет. Коробка какая-то чересчур коробковая) Начинаю задумываться, что будет не очень дорого её где нибудь поломать выступами, где ?- ума пока не приложу... , а может и фасад улучшить за счёт этого... В коридоре темно,но дверь в гостиную будет ну очень большой, широченной аж до самого потолка (такой вот широкой))) и почти всегда открыта. Посилання на коментар Поділитися на інших сайтах More sharing options...
N.Lux Опубліковано: 28 жовтня 2011 Автор Поділитись Опубліковано: 28 жовтня 2011 (змінено) . Коробка какая-то чересчур коробковая) Начинаю задумываться, что будет не очень дорого её где нибудь поломать выступами, где ?- ума пока не приложу... , а может и фасад улучшить за счёт этого... -Таки приложил)) Ломанул фасад, увеличил спальни, и расширил кАЛИдор -Наверное ещё добавлю 0,5 метра на ширину дома, -а то геометрия скрепит,-двери в притык становятся, будет не 13 а 13,5 по наружным стенам www.stroimdom.com.ua/forum/attachment.php?attachmentid=141759&stc=1&d=1319782684 Змінено 28 жовтня 2011 користувачем N.Lux Посилання на коментар Поділитися на інших сайтах More sharing options...
N.Lux Опубліковано: 28 жовтня 2011 Автор Поділитись Опубліковано: 28 жовтня 2011 (змінено) Вид Фасада примерно такой получится, только дизайн, как вам??))), и крыша без скворечников наверное, разве что со стороны котельной один для чердака, и окно наверное не помешает, значит два будет! www.stroimdom.com.ua/forum/attachment.php?attachmentid=141839&stc=1&d=1319804606 Крыша: www.stroimdom.com.ua/forum/attachment.php?attachmentid=141897&stc=1&d=1319814632 Змінено 28 жовтня 2011 користувачем N.Lux Посилання на коментар Поділитися на інших сайтах More sharing options...
ionico Опубліковано: 28 жовтня 2011 Поділитись Опубліковано: 28 жовтня 2011 Вид Фасада примерно такой получится, только дизайн, как вам??))), и крыша без скворечников наверное, разве что со стороны котельной один для чердака, и окно наверное не помешает, значит два будет! www.stroimdom.com.ua/forum/attachment.php?attachmentid=141839&stc=1&d=1319804606 [ATTACH]141839[/ATTACH] Крыша: www.stroimdom.com.ua/forum/attachment.php?attachmentid=141897&stc=1&d=1319814632 [ATTACH]141897[/ATTACH] Это вы сами делали? Со "скворечниками" красивее, чем без них, думаю. Фасады классные. Хорошо, что коробка теперь не такая коробчатая 2 Посилання на коментар Поділитися на інших сайтах More sharing options...
N.Lux Опубліковано: 28 жовтня 2011 Автор Поділитись Опубліковано: 28 жовтня 2011 Это вы сами делали? Со "скворечниками" красивее, чем без них, думаю. Фасады классные. Хорошо, что коробка теперь не такая коробчатая Ну, если честно, -Котов не я рисовал Визуал: -Чуть поиздевался над Муратором кажется)))) Посилання на коментар Поділитися на інших сайтах More sharing options...
ionico Опубліковано: 28 жовтня 2011 Поділитись Опубліковано: 28 жовтня 2011 Насчёт несущих стен - думаю, что единственной несущей стеной внутри дома будет стена, которая принадлежит кухне, гостиной, спальне. Плиты перекрытия будут опираться на неё и на продольные наружные несущие стены. Толстые стены, которые вы сделали по контуру спален - думаю, их можно сделать тонкими - несущими не будут. Получается, что самая длинная плита перекрытия - ~5,8 метра - думаю, что это может быть приемлемо. Посилання на коментар Поділитися на інших сайтах More sharing options...
N.Lux Опубліковано: 28 жовтня 2011 Автор Поділитись Опубліковано: 28 жовтня 2011 Насчёт несущих стен - думаю, что единственной несущей стеной внутри дома будет стена, которая принадлежит кухне, гостиной, спальне. Плиты перекрытия будут опираться на неё и на продольные наружные несущие стены. Толстые стены, которые вы сделали по контуру спален - думаю, их можно сделать тонкими - несущими не будут. Получается, что самая длинная плита перекрытия - ~5,8 метра - думаю, что это может быть приемлемо. -Деревянные балки хотел ложить, а они имеют ограничение по длинне, и как мне говорили должны опираться на стены, и крыша имеет свои опоры на несущие стены...Нужно будет к крышникам поприставать))) Посилання на коментар Поділитися на інших сайтах More sharing options...
ionico Опубліковано: 28 жовтня 2011 Поділитись Опубліковано: 28 жовтня 2011 Я думал, что у вас плиты перекрытия. Деревянные - да, должны быть короче Посилання на коментар Поділитися на інших сайтах More sharing options...
ionico Опубліковано: 29 жовтня 2011 Поділитись Опубліковано: 29 жовтня 2011 Хотя... насчёт деревянных балок, может я и погорячился. Бывают и длинные балки, но их высота может стать недопустимой. Было бы хорошо, если бы конструктор подключился. Насчёт крыши - смотрите вложение. Красным цветом обозначен контур кровли. Конечно, желательно, чтобы под коньком кровли была несущая стена. В вашем случае её сдвинуть под конёк не проблема (оранжевые стрелки на изображении). Но, например, если разместить несущую стену невозможно, то есть и другие выходы. Например, стойки, которые образуют конёк, могут опираться на балки. Так что, как ещё один выход в данной ситуации - положить балки под стойками (синие линии на изображении). В точках опоры балок, скорее всего, будут колонны. Как следствие - нужно корректировать положение дверных проёмов. Думаю, что сдвинуть стену - более чистое решение проблемы. 2 Посилання на коментар Поділитися на інших сайтах More sharing options...
N.Lux Опубліковано: 29 жовтня 2011 Автор Поділитись Опубліковано: 29 жовтня 2011 Хотя... насчёт деревянных балок, может я и погорячился. Бывают и длинные балки, но их высота может стать недопустимой. Было бы хорошо, если бы конструктор подключился. Насчёт крыши - смотрите вложение. Красным цветом обозначен контур кровли. Конечно, желательно, чтобы под коньком кровли была несущая стена. В вашем случае её сдвинуть под конёк не проблема (оранжевые стрелки на изображении). Но, например, если разместить несущую стену невозможно, то есть и другие выходы. Например, стойки, которые образуют конёк, могут опираться на балки. Так что, как ещё один выход в данной ситуации - положить балки под стойками (синие линии на изображении). В точках опоры балок, скорее всего, будут колонны. Как следствие - нужно корректировать положение дверных проёмов. Думаю, что сдвинуть стену - более чистое решение проблемы. Класс) А я всё думал, ну как её нарисовать то, чтоб всем понятно было))) Спасибо !!! сейчас покажу что мне пришло на ум на счёт стен и балок)) Посилання на коментар Поділитися на інших сайтах More sharing options...
Рекомендовані повідомлення
Створіть акаунт або увійдіть у нього для коментування
Ви маєте бути користувачем, щоб залишити коментар
Створити акаунт
Зареєструйтеся для отримання акаунта. Це просто!
Зареєструвати акаунтУвійти
Вже зареєстровані? Увійдіть тут.
Увійти зараз