vale3 Опубліковано: 25 лютого 2012 Поділитись Опубліковано: 25 лютого 2012 Мечта о доме появилась спонтанно с приходом кризиса. Еще до кризиса был уверен что цены на землю и квартиры неадекватны и постоянный их взлет когда-то обломает и без того их слабые крылья. Слабые потому что покупательная способность не подкреплена реальными денежными резервами, мне бы этого не знать видя как люди получавшие тысячу, полторы долларов влезали в кредитное ярмо на ипотеку. Это и произошло в 2008 году. И это было предсказуемо. В экономике взлеты и падения чередуют друг друга. Ну да ладно это лишь лирика. Участок стали присматривать зимой 2010 года когда продавцы поняли что чуда не будет и пора брать то что дают, а не то что хочется. Выбор участка - отдельная тема. Пересмотрели много участком но все не в глаз, а в бровь. Странные фасады, мутные схемы, отсутствие акта, "перспективные поля" без намека на ближайшее будущее. Цены в 2010 тоже были очень странными. Кто сколько хотел за то и продавал, конечно ниже чем до кризиса, но все же цены были еще все еще завышены. К 2011 ситуация все же несколько изменилась и появились больше сговорчивых продавцов. Видимо далось выжидание нескольких лет не приносящих никаких результатов. Направление выбрали сразу - Броварское. Участок приобрели в конце лета 2011. Сразу получили отметку в акте держкомзему. Помог нотариус у которого оформляли сделку. Участок купили по мутной схеме перевода из ОСГ под застройку с залогом 50% от полной стоимости. На перевод у хозяев участка не было денег так как строили дом. Не советую никому повторять подобную схему покупки. Посилання на коментар Поділитися на інших сайтах More sharing options...
vale3 Опубліковано: 25 лютого 2012 Автор Поділитись Опубліковано: 25 лютого 2012 Проект дома нашли в студии Z500 но адаптация его до нужных нам параметров удваивала цену вдвое. Поэтому обратились к архитектору. И подогнали дом под нужные нам размеры. проект стоил нам больших денег 9500 грн у фирмы с лицензией. Это очень дорого. Факт. Но так как в процессе меняли многие детали планировки цена по факту была такой хотя первоначально была 8000 грн. Перед покупкой проекта сделали геология и геодезию. И сразу пошли получать стройпаспорт. После его получения быстро перед морозами залили фундамент. А после этого в Гаске зарегистрировали повидомлення в суровые морозы без очередей. Прикрепляю эскизы нашего дома. Сейчас на участке каша из снега и грязи поэтому продолжение будет после того как сойдет белый пушистик. Фундамент с работой стоил 41 тыс. После заливки понял что можно было бы еще сэкономить 4700 грн если бы под террассу и крыльцо залил столбчатый фундамент. Посилання на коментар Поділитися на інших сайтах More sharing options...
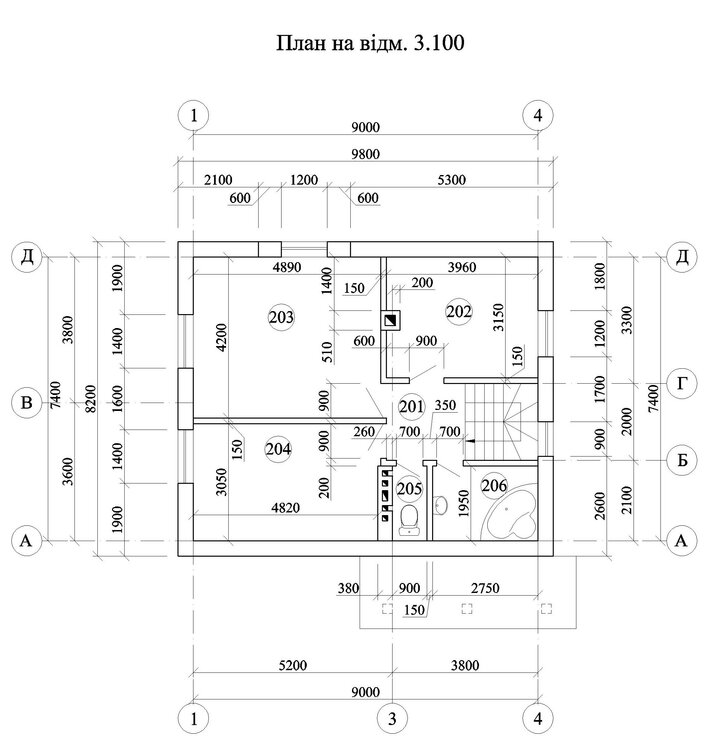
ionico Опубліковано: 25 лютого 2012 Поділитись Опубліковано: 25 лютого 2012 Можно планы глянуть? Какая общая площадь дома? Посилання на коментар Поділитися на інших сайтах More sharing options...
ksenik Опубліковано: 25 лютого 2012 Поділитись Опубліковано: 25 лютого 2012 Очень симпатичный домик! А где именно Вы в Броварском р-не? ( Упс, увидела в названии темы))) Тоже очень хочется взглянуть на планы и размеры. Какой размер участка? 1 Посилання на коментар Поділитися на інших сайтах More sharing options...
vale3 Опубліковано: 26 лютого 2012 Автор Поділитись Опубліковано: 26 лютого 2012 Очень симпатичный домик! А где именно Вы в Броварском р-не? ( Упс, увидела в названии темы))) Тоже очень хочется взглянуть на планы и размеры. Какой размер участка? Участок 17 соток. Зазимье Посилання на коментар Поділитися на інших сайтах More sharing options...
vale3 Опубліковано: 26 лютого 2012 Автор Поділитись Опубліковано: 26 лютого 2012 (змінено) Можно планы глянуть? Какая общая площадь дома? Площадь дома 117 квадратов Планы прикрепляю Когда-то, еще до покупки участка создал тему на этои форуме "можно ли построить дом за 30 тыс. у.е" Да можно но это будет дом без отделки то есть "коробка" В доме максимально предусмотрели наличия больших комнат "под 20 квадратов". В польских проектах преобладают комнаты до 11 кв. м, а также особенность низкая массандра. В нашем проекте стенка массандры 1.80 высотой Побывав в домах с низкой массандрой был неприятно удивлен сдавленностью помещения. Также вместе с проектом предварительно просчитанна смета под ключ. Так как имеем подобные схемы снизили обман со стороны строителей и завышенные обьемы строительства. Каждый этап имеет предварительную стоимость. И пока все идет по плану. Это к вопросу о том что имеемую сумму нужно умножать на двое как говорят многие застройщики. Главное не отходить от проекта и все расходы будут в разумных пределах с отклонением до 10-15%. В проекте предусмотрены материалы европейских производителей. Если брать что то отечественное то сумму можно уменьшать. Но это касается лишь отделочных работ и внутренней отделки Поэтому ставлю себе реальную задачу - даешь дом с отделкой по цене 1-комнатной квартиры в Киеве. Змінено 26 лютого 2012 користувачем vale3 Посилання на коментар Поділитися на інших сайтах More sharing options...
MLNK Опубліковано: 26 лютого 2012 Поділитись Опубліковано: 26 лютого 2012 Фундамент с работой стоил 41 тыс. Просьба, укажите объём земляных работ, объём бетона, кол-во арматуры. Или смету на 41т. Спасибо. Или в личку. Добавлено через 7 минут После заливки понял что можно было бы еще сэкономить 4700 грн если бы под террассу и крыльцо залил столбчатый фундамент. Цоколь утеплять планируете ? Террасса и крыльцо заливались одновременно с лентой ? Без деформационного и теплового разделителя ? Добавлено через 1 час 7 минут ...Планы прикрепляю... Не вижу вентиляции сан. узлов с первого этажа. ? Какова система отопления дома ? Газ ? Посилання на коментар Поділитися на інших сайтах More sharing options...
master_yan Опубліковано: 26 лютого 2012 Поділитись Опубліковано: 26 лютого 2012 Приветствую уже земляка Давно ждал появления твоей ветки! Я так понимаю находимся с тобой на одинаковом этапе - фундамент Как только потеплеет - сразу в бой ;) Мой совет, пока не начал коробку дома - сделай проект вентиляции (может даже с рекуператором) и отопления. Потом сбережешь время, нервы и деньги на долбеже стен и перекрытий. А вообще - глаза боятся, а руки делают! Еще раз удачи Посилання на коментар Поділитися на інших сайтах More sharing options...
пух Опубліковано: 26 лютого 2012 Поділитись Опубліковано: 26 лютого 2012 Подскажите,1-го марта получаем Акт на землю,тоже Зазимья.Дальше куда бежать,с чего начинать стройку будущего дома,хотелось бы,что б было все законно (без дальнейшнего узаканивания "самостроя") Посилання на коментар Поділитися на інших сайтах More sharing options...
master_yan Опубліковано: 26 лютого 2012 Поділитись Опубліковано: 26 лютого 2012 А дельше делаете стройпаспорт и регистрируете уведомление о начале работ! Сначала путь в Броварскую рай архитектуру на Металургов... А потом в Киев на Кривоноса. 2 Посилання на коментар Поділитися на інших сайтах More sharing options...
vale3 Опубліковано: 26 лютого 2012 Автор Поділитись Опубліковано: 26 лютого 2012 Приветствую уже земляка Давно ждал появления твоей ветки! Я так понимаю находимся с тобой на одинаковом этапе - фундамент Как только потеплеет - сразу в бой ;) Мой совет, пока не начал коробку дома - сделай проект вентиляции (может даже с рекуператором) и отопления. Потом сбережешь время, нервы и деньги на долбеже стен и перекрытий. А вообще - глаза боятся, а руки делают! Еще раз удачи Как раз на этапе отопления. проект вентиляции есть. сан узлы тоже предусмотрена через стены наружу все есть в проекте Посилання на коментар Поділитися на інших сайтах More sharing options...
VasylOk Опубліковано: 26 лютого 2012 Поділитись Опубліковано: 26 лютого 2012 Привет, землякам! Тоже с нетерпением ждал появления твоего отчета по строительству. Пока нахожусь в глубоких раздумиях начинать или не начинать стройку весной. Надеюсь твой пример придаст мне больше уверенности и решитильности. Нутром чувствую потребности и возможности у нас где то похожие. Так что удачи и терпения! Посилання на коментар Поділитися на інших сайтах More sharing options...
master_yan Опубліковано: 26 лютого 2012 Поділитись Опубліковано: 26 лютого 2012 Как раз на этапе отопления. проект вентиляции есть. сан узлы тоже предусмотрена через стены наружу все есть в проекте Дважды подумай перед тем как делать такое. Опыт сей зимы показал (на доме родителей) что гемороя потом не оберешься.... Возле вентканала в 20 мороза образуется такие снежные налепи на стенах, шо мама не горюй, особенно если весь пар из помещения ветер гонит на стену. И еще, заметил в проекте камин, не забудь про приточный канал для него, желательно снизу. Посилання на коментар Поділитися на інших сайтах More sharing options...
Катерина Ш Опубліковано: 26 лютого 2012 Поділитись Опубліковано: 26 лютого 2012 Дважды подумай перед тем как делать такое. Опыт сей зимы показал (на доме родителей) что гемороя потом не оберешься.... Возле вентканала в 20 мороза образуется такие снежные налепи на стенах, шо мама не горюй, особенно если весь пар из помещения ветер гонит на стену. Но вентиляцию делать обязательно нужно, просто желательно вентканалы утеплить снаружи.... Посилання на коментар Поділитися на інших сайтах More sharing options...
master_yan Опубліковано: 26 лютого 2012 Поділитись Опубліковано: 26 лютого 2012 Но вентиляцию делать обязательно нужно, просто желательно вентканалы утеплить снаружи.... Конечно нужно! Только вентиляцию выводить на крышу. Вентиляция в стене ( без дополнительного оборудования) - достаточно большой геморой холодной зимой. Посилання на коментар Поділитися на інших сайтах More sharing options...
Катерина Ш Опубліковано: 26 лютого 2012 Поділитись Опубліковано: 26 лютого 2012 Конечно нужно! Только вентиляцию выводить на крышу. Вентиляция в стене ( без дополнительного оборудования) - достаточно большой геморой холодной зимой. Разъясните Ваш пост. Что значит вентиляция в стене - она не выводиться на крышу??? Посилання на коментар Поділитися на інших сайтах More sharing options...
vale3 Опубліковано: 27 лютого 2012 Автор Поділитись Опубліковано: 27 лютого 2012 Разъясните Ваш пост. Что значит вентиляция в стене - она не выводиться на крышу??? Вентиляция в стене это значит выводится через боковую стену металлическая труба горизонтально которая за стеной дома меняет положение на вертикальное (вверх) Посилання на коментар Поділитися на інших сайтах More sharing options...
Катерина Ш Опубліковано: 27 лютого 2012 Поділитись Опубліковано: 27 лютого 2012 Вентиляция в стене это значит выводится через боковую стену металлическая труба горизонтально которая за стеной дома меняет положение на вертикальное (вверх) Тогда подерживаю предыдущего оратора - не делайте так. Делайте нормальные вентиляционные каналы в стене, объединяя их в один короб, который желательно утеплить снаружи. Посилання на коментар Поділитися на інших сайтах More sharing options...
vale3 Опубліковано: 27 лютого 2012 Автор Поділитись Опубліковано: 27 лютого 2012 Отдельно хочется поднять тему о строителях. Я честно никогда не впадал так в ступор как в вопросе о постройке дома. Вы конечно извините но 99% наемных бригад как бы это сказать "умственноотсталые". Действия неподдающиеся логике на лицо. Если не говоришь не делают, проекты читать не умеют, а довод один "мы всегда так стоим". Я в шоке. Бригаду после заливки фундамента меняю. Пока ищу действительно адекватных людей. Посилання на коментар Поділитися на інших сайтах More sharing options...
Альбинос Опубліковано: 27 лютого 2012 Поділитись Опубліковано: 27 лютого 2012 Отдельно хочется поднять тему о строителях. Я честно никогда не впадал так в ступор как в вопросе о постройке дома. Вы конечно извините но 99% наемных бригад как бы это сказать "умственноотсталые". Действия неподдающиеся логике на лицо. Если не говоришь не делают, проекты читать не умеют, а довод один "мы всегда так стоим". Я в шоке. Бригаду после заливки фундамента меняю. Пока ищу действительно адекватных людей. удачи Вам в стройке и поисках строителей... подпишусь на темку, ибо местность и планировка дома как сам хочу... Посилання на коментар Поділитися на інших сайтах More sharing options...
dimmon Опубліковано: 27 лютого 2012 Поділитись Опубліковано: 27 лютого 2012 Аккуратный домик, внешне супер и планировка хороша )) правильное название темы ) ничего лишнего, подписываюсь Посилання на коментар Поділитися на інших сайтах More sharing options...
vale3 Опубліковано: 28 лютого 2012 Автор Поділитись Опубліковано: 28 лютого 2012 (змінено) По поводу вентиляции посмотрев свои планы понял что у меня 5 вентканалов 1 - кухня 2 - котел газовый 3 - санузел первого этажа 4,5 -санузел 2го этажа Хотел спросить. а если заложить в вентканалы гильзы канализационные и через них осуществить вентиляцию возможно ли??? А если нельзя то оставить вентканалы просто с кирпича или внутри заложить гильзы??? Змінено 28 лютого 2012 користувачем vale3 Посилання на коментар Поділитися на інших сайтах More sharing options...
Катерина Ш Опубліковано: 28 лютого 2012 Поділитись Опубліковано: 28 лютого 2012 Хотел спросить. а если заложить в вентканалы гильзы канализационные и через них осуществить вентиляцию возможно ли??? Думаю, не стоит. Они хоть и выполнены из оцинкованного железа, но назначение у них другое.... Посилання на коментар Поділитися на інших сайтах More sharing options...
Владимир В. Опубліковано: 28 лютого 2012 Поділитись Опубліковано: 28 лютого 2012 а если заложить в вентканалы гильзы канализационные и через них осуществить вентиляцию возможно ли??? Трубы или гильзы ? Т.к. газовщики требуют сечение вент. канала не менее 2,2 дцм/2... Посилання на коментар Поділитися на інших сайтах More sharing options...
vale3 Опубліковано: 15 травня 2012 Автор Поділитись Опубліковано: 15 травня 2012 На данный момент постройка находится в такой стадии Кладут газоблок очень медленно так как придерживаемся технологии шов не больше 3 мм, а также армируем каждый 4й ряд Посилання на коментар Поділитися на інших сайтах More sharing options...
Рекомендовані повідомлення
Створіть акаунт або увійдіть у нього для коментування
Ви маєте бути користувачем, щоб залишити коментар
Створити акаунт
Зареєструйтеся для отримання акаунта. Це просто!
Зареєструвати акаунтУвійти
Вже зареєстровані? Увійдіть тут.
Увійти зараз