olimpiya Опубліковано: 25 травня 2012 Поділитись Опубліковано: 25 травня 2012 вроде хорошо. вот только ванна 1.5.на 1.5 хорошая стоит ох как дорого. да и подумайте, так ли часто вы ванну принимаете. А еще столько воды нужно нагреть, потом слить ее. 1 Посилання на коментар Поділитися на інших сайтах More sharing options...
Julla Опубліковано: 25 травня 2012 Поділитись Опубліковано: 25 травня 2012 Супруга предложила совмещенный с/у. А газовую плиту перенести нет возможности там подвод газа и вытяжные трубы, вобщем вот такой вариант Совмещённый СУ - некамильфо, Зачем нужна стенка возле холодильника? Какую функцию выполняет? Только проходу мешает Если даже совмещать СУ, тогда есть место для ст.машины в ванной. Большая ванная - не есть гуд. Ваш септик выдержит такое количество воды? Возможно стОит обойтись душем? 1 Посилання на коментар Поділитися на інших сайтах More sharing options...
Александрсергеич Опубліковано: 25 травня 2012 Автор Поділитись Опубліковано: 25 травня 2012 стенка возле холодильника отделяет зону кухни хотя бы визуально, поеду сегодня разлинею мелом пол и посмотрю что получится, а в понедельник отпишусь Посилання на коментар Поділитися на інших сайтах More sharing options...
Julla Опубліковано: 25 травня 2012 Поділитись Опубліковано: 25 травня 2012 (змінено) Так хоть укоротите её! Она ведь будет мешать ходить, когда за столом едоки А потом увидите, что за холодильником торчит 50 см стенки... А так - ровный пол, ровный потолок, нераздробленное пространство... Меньше денег, меньше трудозатрат. Впрочем, чего эт я Вас уговариваю :D Думаю, Вы выберете оптимальный вариант. Главное, Вы поняли, поверили, что всё может получиться! Желаю успеха! И обязательно отпишитесь, на чём порешили Змінено 25 травня 2012 користувачем Julla Посилання на коментар Поділитися на інших сайтах More sharing options...
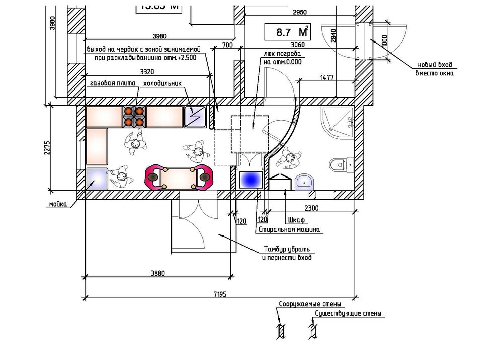
Александрсергеич Опубліковано: 28 травня 2012 Автор Поділитись Опубліковано: 28 травня 2012 Вариант (ниже) принят как рабочий супругой!!! Прорисовал на полу мелом, вроде ниче. Посилання на коментар Поділитися на інших сайтах More sharing options...
S-STUDIO Опубліковано: 28 травня 2012 Поділитись Опубліковано: 28 травня 2012 Вариант (ниже) принят как рабочий супругой!!! Прорисовал на полу мелом, вроде ниче. Санузел: На радиусную стену ляжет только мозаика(очень небюджетно: и материал, и цена укладки) Посилання на коментар Поділитися на інших сайтах More sharing options...
Julla Опубліковано: 28 травня 2012 Поділитись Опубліковано: 28 травня 2012 Вариант (ниже) принят как рабочий супругой!!! Прорисовал на полу мелом, вроде ниче. Нормально! Только махонький нюанс с унитазом - размещать его (в данном варианте) напротив входа, по центру как-то ... некавайно, нефеншуйно, некамильфо. ИМХО :D Попробуйте подвигать немного санприборы Мож всё-таки внесёте стиралку в ванную? Так и просится! И место есть Полукруглую стену можно не только замозаичить, но и выложить не очень широкой, длинной плиткой. Укладывать её вертикально. У Вас радиус скругления достаточно большой, поэтому (если сильно не заморачиваться) вполне может подойти такой вариант 1 Посилання на коментар Поділитися на інших сайтах More sharing options...
VictorUA Опубліковано: 29 травня 2012 Поділитись Опубліковано: 29 травня 2012 можно свои пять копеек? Мой подход кардинально отличается от всех предложенных: с большой комнаты сделать проем (можно дверь) в кухню. Санузел отделить от кухни ровной стеной так, что бы люки в подвал и чердак оставались в кухне. Возможно придется сместить дверь в коридор, которая превратится в дверь санузла. Посилання на коментар Поділитися на інших сайтах More sharing options...
Александрсергеич Опубліковано: 29 травня 2012 Автор Поділитись Опубліковано: 29 травня 2012 можно свои пять копеек? Мой подход кардинально отличается от всех предложенных: с большой комнаты сделать проем (можно дверь) в кухню. Санузел отделить от кухни ровной стеной так, что бы люки в подвал и чердак оставались в кухне. Возможно придется сместить дверь в коридор, которая превратится в дверь санузла. Не получается двигать двери т.к дом деревянный и обложен кирпичем, а только пристройка кирпичная Посилання на коментар Поділитися на інших сайтах More sharing options...
lud_mila Опубліковано: 29 травня 2012 Поділитись Опубліковано: 29 травня 2012 отодвинуть мойку правее см на 40 появится место для сушки и тогда у вас будет чистая рабочая зона между плитой и мойкой. туалет перенести на место шкафа, но развернуть задом к стенке со стиралкой. умывальник и шкафич перенести на стенку напротив двери, там может и стиралка уместиться. а вместо стиралки сделать кладовую. желаю удачи! 1 Посилання на коментар Поділитися на інших сайтах More sharing options...
Julla Опубліковано: 29 травня 2012 Поділитись Опубліковано: 29 травня 2012 Александрсергеич А где у Вас септик? Я у себя ставлю унитаз ближе всего к септику. Тогда вода с душа, рукомойника, стиралки будет промывать трубу ИМХО Посилання на коментар Поділитися на інших сайтах More sharing options...
Александрсергеич Опубліковано: 30 травня 2012 Автор Поділитись Опубліковано: 30 травня 2012 Нету септика пока есть сливная яма на 3,5 м3 , это отдельная тема потому как дом пока используется как дача.Пока все хочется видеть примерно так: Посилання на коментар Поділитися на інших сайтах More sharing options...
Julla Опубліковано: 30 травня 2012 Поділитись Опубліковано: 30 травня 2012 Ну так это ж совсем другое дело! Зачем Вам эта "кладовка"? Сделайте бОльше кухню! Подвиньте стол к окну, и "рабочая зона" будет свободней! "Кладовку " можно организовать под стенкой под лестницей. ИМХО Желаю успеха! 1 Посилання на коментар Поділитися на інших сайтах More sharing options...
Александрсергеич Опубліковано: 30 травня 2012 Автор Поділитись Опубліковано: 30 травня 2012 под лестницу ничего не получится, лестница раскладная вмонтирована в люк , я показал зону, которую она занимает при раскладывании, но в принципе кладовку можно организовать в комнате, где будет новый вход. Посилання на коментар Поділитися на інших сайтах More sharing options...
Julla Опубліковано: 30 травня 2012 Поділитись Опубліковано: 30 травня 2012 Как вариант: Если вместо т.н. "кладовки" поставить холодильник (дверцей ко входу), тогда кухня будет совершенно просторной. Фактически Вам надо достроить одну полукруглую стенку с одной дверью (куда уж бюджетнее?! ;)) А под лестницей может поместиться неглубокий (до начала подвала) не до потолка (если смотреть сбоку на выдвинутую лестницу - сколько позволяет высота). Етот шкаф (закрытый или открытые полки) можно использовать для чего угодно - запасы круп, банки с вареньем, "винный шкаф" и т.д. А может это будет горка для "красивой", "парадной" посуды за стеклянными дверцами?... Эх! Да у Вас есть где разгуляться фантазии! :D А говорите "Помещение маловато! Не тратьте, куме, сили! Спускайтеся на дно!" 1 Посилання на коментар Поділитися на інших сайтах More sharing options...
Julla Опубліковано: 30 травня 2012 Поділитись Опубліковано: 30 травня 2012 Да просто стописятмиллионов вариантов! Посилання на коментар Поділитися на інших сайтах More sharing options...
Julla Опубліковано: 30 травня 2012 Поділитись Опубліковано: 30 травня 2012 Я ещё не надоела? :D Сама заморачиваюсь сейчас подобными вопросами... Тырнет - страшная штука! Натягала себе кучу картинок-идей для реализации у себя на даче. Вот, например, такие Вместо стеклянной стенки можно выстроить простенок из гипса. Или, как во втором случае - две шторки. Тоже симпотно получается Поддон не хочу - на даче он достаточно быстро пачкается и влом мыть;) Посилання на коментар Поділитися на інших сайтах More sharing options...
Александрсергеич Опубліковано: 31 травня 2012 Автор Поділитись Опубліковано: 31 травня 2012 знакомый делал простенок только из кирпича, штукатурил до полукруглой формы торец и все это в мелкую плитку, но простенок только 1м, а выше стекло, очень красиво и практично Посилання на коментар Поділитися на інших сайтах More sharing options...
Рекомендовані повідомлення
Створіть акаунт або увійдіть у нього для коментування
Ви маєте бути користувачем, щоб залишити коментар
Створити акаунт
Зареєструйтеся для отримання акаунта. Це просто!
Зареєструвати акаунтУвійти
Вже зареєстровані? Увійдіть тут.
Увійти зараз