Fedas Опубліковано: 17 серпня 2012 Поділитись Опубліковано: 17 серпня 2012 Добрый день. Есть отлитая из бетона лестница. Естественно не идеально. Мастера говорят, что нужно выравнивать перед тем как обшивать. Например фанерой на дюбеля. Только после этого можно клеить ступени. Но это еще пол беды. Пугает озвученная стоимость. Поэтому оцениваю что можно сделать самому... Есть вариант обшить ламинатом. У квик степа даже есть спец. лестничные профиля. Делал кто-то таким образом? Далее перила. По дизайну хотим перила из стекла. Опять же в инете нашел вариант крепления стекла прямо на бок лестничного марша. А другой вариант - это металлические стойки. Стекло как я понимаю делается по эскизу заказчика - с этим проблем не будет. А как все-таки лучше крепить? Проще/дешевле/надежнее. P.S. Фото лестницы смогу добавить вечером. Посилання на коментар Поділитися на інших сайтах More sharing options...
Fedas Опубліковано: 17 серпня 2012 Автор Поділитись Опубліковано: 17 серпня 2012 обещанные фото Посилання на коментар Поділитися на інших сайтах More sharing options...
Торопов александр Опубліковано: 17 серпня 2012 Поділитись Опубліковано: 17 серпня 2012 Точно надо делать самому. Или получится, тогда молодец, или не получится, тогда сумма не покажется большой. Посилання на коментар Поділитися на інших сайтах More sharing options...
dvatek Опубліковано: 18 серпня 2012 Поділитись Опубліковано: 18 серпня 2012 Большая вероятность попасть в халепу(сделай сам-учёба на своих ошибках). Раздайте работы разным изготовителям(мухи отдельно, котлеты отдельно). Комлексное решение (стекло, метал, дерево) от одного подрядчика как правило выйдет дороже. Вам останется только режесировать процессом, а не приобретать рабочие специальности. P.S. фанера на бетон и только потом деревянную ступень,-это правильно, только так и необходимо делать. Посилання на коментар Поділитися на інших сайтах More sharing options...
krokygory Опубліковано: 19 серпня 2012 Поділитись Опубліковано: 19 серпня 2012 выравнивать болгаркой и ремонтной смесью. паскудить все дюбелями не стоит. по вопросу креплений стекла к бетону обратитесь к изделиям dorma. по прикреплению вообще- к hilti. обратите особое внимание на расстояние от точки крепления к краям основания и на рычаг, который получится на ограждении. Посилання на коментар Поділитися на інших сайтах More sharing options...
Fedas Опубліковано: 19 серпня 2012 Автор Поділитись Опубліковано: 19 серпня 2012 Да, скорее всего делать все самому - это я погорячился. просто мне сначала одни деревянщики насчитали 36 тыс. только за обшивку ступеней (с плинтусом у стенки). стеклянные перила + еще 9 тыс. И выравнивание фанерой 5 тыс. Я от стоимости лестницы в 50 тыс. мягко говоря офигел и решил пойти кардинально в другом направлении. Но теперь нашел более адекватные цены и стало легче. Как тут правильно заметили - лучше стекло отдельно, дерево отдельно. Выравнивание можно как отдельно, так и в комплексе. Стекло хочу крепить без стоек, как на этой фотке, только с поручнями. (ссылка на изображение устарела) Добавлено через 4 минуты выравнивать болгаркой и ремонтной смесью. паскудить все дюбелями не стоит. Не понимаю почему паскудить? На сколько я понимаю, с фанерой и дюбелями надежнее. Болгаркой как минимум пыльней. Еще думаю нужен ли плинтус у стенки... Посилання на коментар Поділитися на інших сайтах More sharing options...
krokygory Опубліковано: 20 серпня 2012 Поділитись Опубліковано: 20 серпня 2012 на фото металлическая лестница обшитая шпонированными панелями. сомневаюсь что на вашей лестнице можно расположить манеты таким же образом. Посилання на коментар Поділитися на інших сайтах More sharing options...
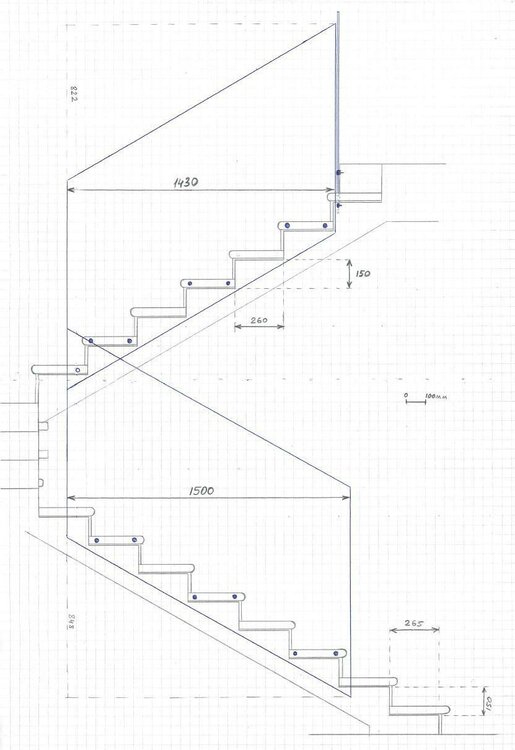
Fedas Опубліковано: 24 вересня 2012 Автор Поділитись Опубліковано: 24 вересня 2012 Увидев в инете способ крепления стеклянного поручня в торец ступеней тоже захотел себе такой вариант. Потому как ширина бетонного основания очень узкая и ее необходимо максимально увеличить. Выкладываю фото больше для того, чтобы давать потенциальным реализаторам ссылку на эту тему, ну и для критики тоже Даже набросал чертежик: Посилання на коментар Поділитися на інших сайтах More sharing options...
Fedas Опубліковано: 24 вересня 2012 Автор Поділитись Опубліковано: 24 вересня 2012 я так понимаю, такой поручень реально прикрепить к 40мм ступени? Посилання на коментар Поділитися на інших сайтах More sharing options...
Fedas Опубліковано: 26 вересня 2012 Автор Поділитись Опубліковано: 26 вересня 2012 Вариант со стеклами в одной плоскости. При этом можно сверьху сделать выносные поручни. Посилання на коментар Поділитися на інших сайтах More sharing options...
Рекомендовані повідомлення
Створіть акаунт або увійдіть у нього для коментування
Ви маєте бути користувачем, щоб залишити коментар
Створити акаунт
Зареєструйтеся для отримання акаунта. Це просто!
Зареєструвати акаунтУвійти
Вже зареєстровані? Увійдіть тут.
Увійти зараз