LyudMil Опубліковано: 20 серпня 2012 Поділитись Опубліковано: 20 серпня 2012 Нужны люди для монтажа кровли в селе Зазимье, около 200 м2. Композитная черепица Gerard Shake. Есть проект кровли. Жду ваших развернутых предложений в личку. "Прорабов" посредников которые приезжают только за деньгами и людей не умеющих читать проект просьба не беспокоить. Посилання на коментар Поділитися на інших сайтах More sharing options...
LyudMil Опубліковано: 21 серпня 2012 Автор Поділитись Опубліковано: 21 серпня 2012 По ходу тему просмотрело 26 "прорабов" - посредников Предложение актуально. Посилання на коментар Поділитися на інших сайтах More sharing options...
staford Опубліковано: 23 серпня 2012 Поділитись Опубліковано: 23 серпня 2012 Нужны люди для монтажа кровли в селе Зазимье, около 200 м2. Композитная черепица Gerard Shake. Есть проект кровли. Жду ваших развернутых предложений в личку. "Прорабов" посредников которые приезжают только за деньгами и людей не умеющих читать проект просьба не беспокоить. планы фасадов и последнего этажа не помешали бы Посилання на коментар Поділитися на інших сайтах More sharing options...
Cтроитель Киев Опубліковано: 23 серпня 2012 Поділитись Опубліковано: 23 серпня 2012 эту черепицу щас монтируем в г.Ирпень сам обитаю в с. Погребы пишите. звоните. смонтируем и поможем с хорошей скидкой на материалы... Посилання на коментар Поділитися на інших сайтах More sharing options...
vfrcbv-02 Опубліковано: 23 серпня 2012 Поділитись Опубліковано: 23 серпня 2012 желаете бригаду без инструмента и каторая не дает гарантий на работу так Вы не по адресу юность или обойный, а если хотите по иксперементировать так жд вокзал цены наши не космические, а рекомендаций у каждого форумчанина с десяток наберется 1 Посилання на коментар Поділитися на інших сайтах More sharing options...
LyudMil Опубліковано: 24 серпня 2012 Автор Поділитись Опубліковано: 24 серпня 2012 желаете бригаду без инструмента и каторая не дает гарантий на работу так Вы не по адресу юность или обойный, а если хотите по иксперементировать так жд вокзал цены наши не космические, О чем речь? Прораб посредник? Посилання на коментар Поділитися на інших сайтах More sharing options...
DALI Опубліковано: 27 серпня 2012 Поділитись Опубліковано: 27 серпня 2012 Проект не жизнеспособен. Готовьтесь к сюрпризам и паузам в процессе. Добавлено через 1 минуту Торцевые свесы - висят в воздухе. Обрешёткой такие свесы выполнить КАЧЕСТВЕННО не вариант. 2 Посилання на коментар Поділитися на інших сайтах More sharing options...
Shadow Lord Опубліковано: 31 серпня 2012 Поділитись Опубліковано: 31 серпня 2012 По ходу желающие сделать кровлю черными воронами кружат вокруг. Все, независимо от того профессионалы они или "ото мыколи шыфер ложылы и вам зробымо" называют одну цену 200 грн м2. Видимо где-то в инете прочитали или Пэтро з сусиднього сэла казав что это столько стоит. Даже не вникают в нюансы что и как и что нужно а что не нужно. Повальная безграмотность и отсутствие умения работать с клиентами. Хоть бы ролики посмотрели по монтажу композитной черепицы чтоли, книжки почитали.. Всем только 200 грн м2 надо. 2 Посилання на коментар Поділитися на інших сайтах More sharing options...
Shadow Lord Опубліковано: 3 вересня 2012 Поділитись Опубліковано: 3 вересня 2012 с феншуем и всеми кренделями Это о чем? Цена без водосточки и подшивки свесов. Посилання на коментар Поділитися на інших сайтах More sharing options...
masterelit Опубліковано: 3 вересня 2012 Поділитись Опубліковано: 3 вересня 2012 По ходу желающие сделать кровлю черными воронами кружат вокруг Смысл распылятся в холостую, если ТС с первых слов с пафосом "заряжает", что хочет сам не знает чего? "Рукастые" люди работают, а не фигнёй на форумах занимаются - именно для этого и существуют "прорабы-посредники"! Или он думает, что работяги на коньке с ноутами сидят и ждут пока ему крышу надо будет сделать? А вообщем, крыша - как крыша, с кучей ошибок в проекте от архитекторов-художников, собственно, как и в 75% случаев. Неудобная, в плане работ, но особо-то и сложного ничего нет. К чему разглагольствования по поводу 200 грн? 2 Посилання на коментар Поділитися на інших сайтах More sharing options...
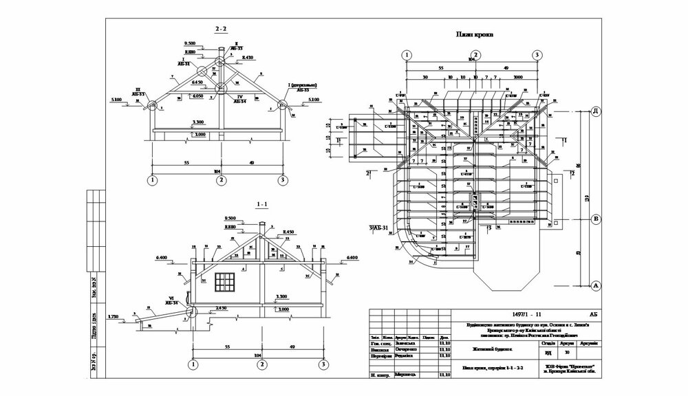
Shadow Lord Опубліковано: 4 вересня 2012 Поділитись Опубліковано: 4 вересня 2012 что хочет сам не знает чего? Как это не знает чего? Что хочет ТС наглядно предоставлено на картинках, не? Рукастые" люди работают, а не фигнёй на форумах занимаются Ну че, я нашол одного толкового мастера который работает на обьекте а не просто приезжает за деньгами, правда не в инете. Но дороговат. К чему разглагольствования по поводу 200 грн? К тому что никто особо не вникает в детали и цену называет от балды, потому что в Мыкола робыв за 200. И никто не вникает например что леса уже стоят и не нужно день два убивать на их монтаж что тоже стоит денег. Шо с лесами шо без - 200 грн... Тьху... Посилання на коментар Поділитися на інших сайтах More sharing options...
OlegArh Опубліковано: 4 вересня 2012 Поділитись Опубліковано: 4 вересня 2012 я нашол одного толкового мастера Но дороговат. уверен, что в зиму пойдете без крыши... ибо страсть к халяве неистребима 4 Посилання на коментар Поділитися на інших сайтах More sharing options...
biz-kiev Опубліковано: 5 вересня 2012 Поділитись Опубліковано: 5 вересня 2012 О чем речь? Прораб посредник? просто хочется матюкнуться.. для тех, для кого прораб-посредник, следует = заказчик-лох :D зачем всех в одну бочку совать? вы себе плохо представляете что такое кровля... после лет 5ти будете жалеть что не было грамотного прораба под рукой 3 Посилання на коментар Поділитися на інших сайтах More sharing options...
LyudMil Опубліковано: 6 вересня 2012 Автор Поділитись Опубліковано: 6 вересня 2012 Бригада найдена Тему можно закрыть Посилання на коментар Поділитися на інших сайтах More sharing options...
Рекомендовані повідомлення