Alex1 Опубліковано: 16 листопада 2012 Автор Поділитись Опубліковано: 16 листопада 2012 я предпочитаю ставить термостат с регулировкой 50-300 градусов...Датсчик прислоняю к дымоходу....Насос начинает работать при нагреве дымохода и выключается при остывании ниже 100 градусов Да, на дымоход логично, но у меня контроллер будет управлять насосом. А если подключить по такой схеме, также ж будет работать? Или есть какие-то нюансы? Спасибо. Посилання на коментар Поділитися на інших сайтах More sharing options...
Сергей 31 Опубліковано: 16 листопада 2012 Поділитись Опубліковано: 16 листопада 2012 но у меня контроллер будет управлять насосом. Это ошибка. Т.Т. не шутка и в данной ситуации чем проще тем надежней. Посилання на коментар Поділитися на інших сайтах More sharing options...
Alex1 Опубліковано: 16 листопада 2012 Автор Поділитись Опубліковано: 16 листопада 2012 Это ошибка. Т.Т. не шутка и в данной ситуации чем проще тем надежней. Контроллер не надежный??. Завтра хочу монтировать систему- а еще не определился Как такая схема подключения? Чего-то там не хватает, мне кажется. Или первая правильнее? Спасибо. Посилання на коментар Поділитися на інших сайтах More sharing options...
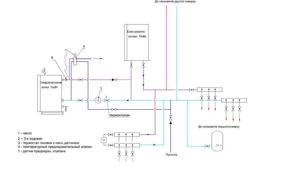
Alex1 Опубліковано: 16 листопада 2012 Автор Поділитись Опубліковано: 16 листопада 2012 да, очень похоже, только у меня нет контура ТП, соотв. нет трехходовика, а так аналогично, ТТ -> насос на подаче , параллель с ЭК, контур первого этажа, контур второго этажп, обратка. Опишите подробней, пожалуйста- как работает система. Затопили ТТ котел - он прогрелся до 55 градусов, открылся термоклапан, и пошел обогрев, ЕК тогда отключается? Или ЕК нужно нагреть обратку ддо 55 градусов? Посилання на коментар Поділитися на інших сайтах More sharing options...
Сергей 31 Опубліковано: 16 листопада 2012 Поділитись Опубліковано: 16 листопада 2012 Контроллер не надежный??. Не так: релюха надежней. Схему гляну вечером, пора на работу, Т.Т. зовут. 1 Посилання на коментар Поділитися на інших сайтах More sharing options...
Телесистемы Опубліковано: 16 листопада 2012 Поділитись Опубліковано: 16 листопада 2012 Опишите подробней, пожалуйста- как работает система. Затопили ТТ котел - он прогрелся до 55 градусов, открылся термоклапан, и пошел обогрев, ЕК тогда отключается? Или ЕК нужно нагреть обратку ддо 55 градусов? ТТ котел с микроконтроллером, запрограммирован на включение циркуляции при 34С и выше. ЭК с регулятором выключения в зав-сти от t носителя, и к нему так же подключен термостат-программатор. ЭК включается по программатору, когда t падает ниже +20С второй вариант - сделать включение ЭК по падение температуры носителя. 1 Посилання на коментар Поділитися на інших сайтах More sharing options...
Рекомендовані повідомлення
Створіть акаунт або увійдіть у нього для коментування
Ви маєте бути користувачем, щоб залишити коментар
Створити акаунт
Зареєструйтеся для отримання акаунта. Це просто!
Зареєструвати акаунтУвійти
Вже зареєстровані? Увійдіть тут.
Увійти зараз