boris239 Опубліковано: 29 червня 2013 Поділитись Опубліковано: 29 червня 2013 Вы забыли добавить, что не только снаружи, а и внутри тоже 5 см. пенопласта. Да, правильно говорит Андрей Кн, что такие стены внутри дома нынче штукатурят. И даже есть противопожарные нормы, что толщина штукатурки должна быть не менее 5 см. по таким стенам. И как она ещё будет держаться на пенопласте, эта штукатурка? Клеить гипсокартон по таким стенам не надёжно, по-этому только на профилях. o kakih 5 sm vu govorite, kak po vashemy, chto eto, tot zhe gk. s penoplastom, est penoplast s ogney*nrop*um gk. i pochemy ne nadezhno kleit na stenu oblitsovanue penoplastom? esli vas interessyet kak shtykatyrit po penoplasty, tak eto proshche prostogo, na stenu polnostjy nakleivaetsja serpjanka, est spetsialnaja 1m shirinu, i ponej shtykatyritsja! vot i vse! Добавлено через 11 минут Посилання на коментар Поділитися на інших сайтах More sharing options...
Гочик Опубліковано: 29 червня 2013 Поділитись Опубліковано: 29 червня 2013 esli vas interessyet kak shtykatyrit po penoplasty, tak eto proshche prostogo, na stenu polnostjy nakleivaetsja serpjanka, est spetsialnaja 1m shirinu, i ponej shtykatyritsja! vot i vse! Всуну 5 копійок, бо про штукатурку таки щось знаю.;) Який резултат від серпянки (мабуть краще сітки) наклеєної на пінопласт? Чим її клеїти? Посилання на коментар Поділитися на інших сайтах More sharing options...
boris239 Опубліковано: 29 червня 2013 Поділитись Опубліковано: 29 червня 2013 ja ne znajy tochno kak y vas chto nazuvaetsja, ja imel vvidy setky! ne pomnjy tochno kak nazuvaetsja smes, chto to navrode tserezita, mozhet i tsrezit, najdy napishy tochno! Добавлено через 9 минут Добавлено через 8 минут isolation.comprendrechoisir.com/videos/voir/128436/isoler-au-polystyrene-enduire-2-2 Добавлено через 3 минуты weber.therm motex collé Посилання на коментар Поділитися на інших сайтах More sharing options...
Олег747 Опубліковано: 29 червня 2013 Автор Поділитись Опубліковано: 29 червня 2013 Стены, покрытые пенопластом, штукатурят. Это уже было сказано. Клеить гипсокартон на пенопласт не надёжно. Посилання на коментар Поділитися на інших сайтах More sharing options...
andrej.kn Опубліковано: 29 червня 2013 Поділитись Опубліковано: 29 червня 2013 Двохрівневий!? чи може з подвійним плитуванням ГК (2 слоя ГК) Ну это совсем хорошо. Как для себя ! Посилання на коментар Поділитися на інших сайтах More sharing options...
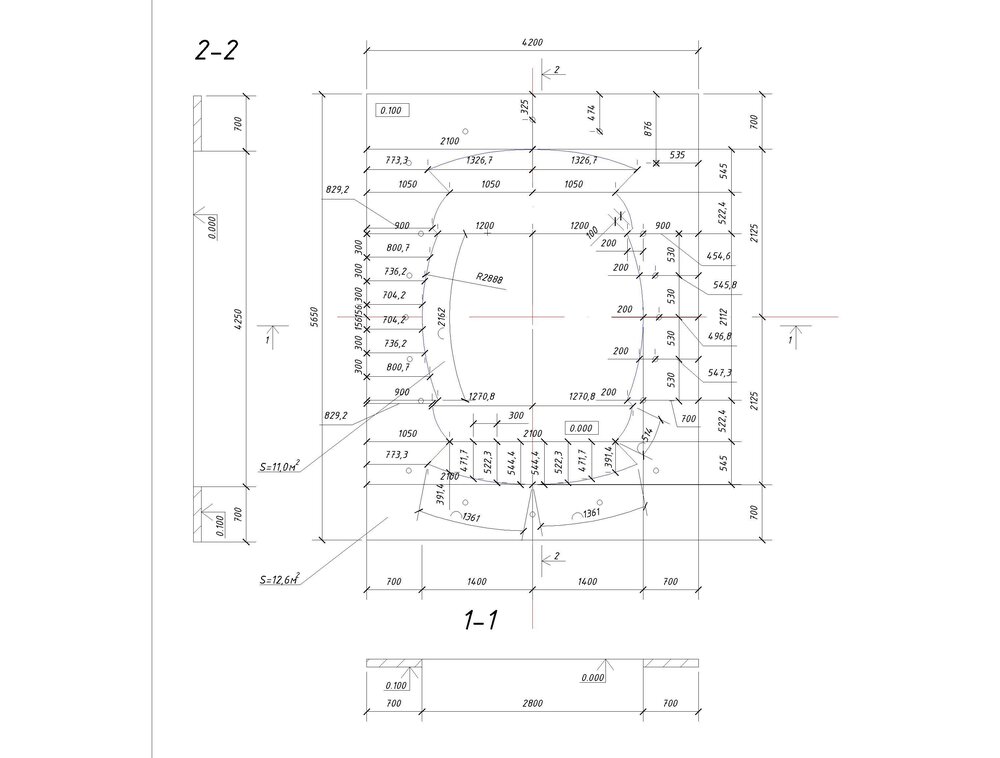
АннаТ Опубліковано: 29 червня 2013 Поділитись Опубліковано: 29 червня 2013 Посмотрите пожалуйста мой чертежг/к потолка. Чего не хватает? Что лишнее? Прошу указать на ошибки? Правильный ли отступ от основного потолка. Спасибо Посилання на коментар Поділитися на інших сайтах More sharing options...
Олег747 Опубліковано: 29 червня 2013 Автор Поділитись Опубліковано: 29 червня 2013 Посмотрите пожалуйста мой чертежг/к потолка. Чего не хватает? Что лишнее? Прошу указать на ошибки? Правильный ли отступ от основного потолка. Спасибо Отступ определяется исходя из размера цоколя с патроном применяемой лампы в помещении, соотв. Отступа 10 см. достаточно для галогенных лампочек и светильников типа R 60. если же применяются светильники типа R80, с длиной светильника 12 см, то соответственно отступ надо увеличивать до 14 см. На чертеже должны быть стрелочки, 8шт. ( а у Вас только одна - R2888 ) размеров радиусов закруглений и указаны точки начала радиуса и их привязка относительно центра комнаты. И стрелочку радиуса обозначают именно стрелочкой!! Посмотрите черчение 10 класс, там подробнее. Чертёж достаточный, но очень слабенький технически, надо улучшать. 1 Посилання на коментар Поділитися на інших сайтах More sharing options...
АннаТ Опубліковано: 29 червня 2013 Поділитись Опубліковано: 29 червня 2013 Отступ определяется исходя из размера цоколя с патроном применяемой лампы в помещении, соотв. Отступа 10 см. достаточно для галогенных лампочек и светильников типа R 60. если же применяются светильники типа R80, с длиной светильника 12 см, то соответственно отступ надо увеличивать до 14 см. На чертеже должны быть стрелочки, 8шт. ( а у Вас только одна - R2888 ) размеров радиусов закруглений и указаны точки начала радиуса и их привязка относительно центра комнаты. И стрелочку радиуса обозначают именно стрелочкой!! Посмотрите черчение 10 класс, там подробнее. Чертёж достаточный, но очень слабенький технически, надо улучшать. Спасибо. За радиус и стрелочки знаю, просто не обратила внимание когда ставила размер.) Радиус показывать все восемь закруглений? Или можно 4 там все симметрично. Что еще можно исправить? Посилання на коментар Поділитися на інших сайтах More sharing options...
Олег747 Опубліковано: 29 червня 2013 Автор Поділитись Опубліковано: 29 червня 2013 Спасибо. За радиус и стрелочки знаю, просто не обратила внимание когда ставила размер.) Радиус показывать все восемь закруглений? Или можно 4 там все симметрично. Что еще можно исправить? Только 4-е нельзя, если не хочется все 8-мь рисовать, дак и половину фигуры тогда не рисуйте, она ведь тоже симметричная. Будет эдакая половина чертежа. Умора. Вы перерисуйте нормально, и поставьте все 8 стрелочек и с привязками начала радиуса. И половина размеров на нынешнем чертеже сами отпадут, увидите. 1 Посилання на коментар Поділитися на інших сайтах More sharing options...
Олег747 Опубліковано: 30 червня 2013 Автор Поділитись Опубліковано: 30 червня 2013 Вот хорошие саморезы. Кто встретит в магазине, или где там, можете брать. Правда, они редко встречаются. Хорошего вокруг нас с каждым годом становится всё меньше и меньше. Посилання на коментар Поділитися на інших сайтах More sharing options...
vitol Опубліковано: 4 липня 2013 Поділитись Опубліковано: 4 липня 2013 Подскажите пож., можно ли гипсокартон наклеить на стену лёжа (рёбра горизонтально, ширина-1,5м)? Хочу начать сверху, не сползёт ли лист (клей перлфикс, клею к стиродуру), дюбелями крепить сразу после наклеивания? Посилання на коментар Поділитися на інших сайтах More sharing options...
Олег747 Опубліковано: 4 липня 2013 Автор Поділитись Опубліковано: 4 липня 2013 Подскажите пож., можно ли гипсокартон наклеить на стену лёжа (рёбра горизонтально, ширина-1,5м)? Хочу начать сверху, не сползёт ли лист (клей перлфикс, клею к стиродуру), дюбелями крепить сразу после наклеивания? Что мешает начать клеить снизу? Сверху скорее всего сползёт, Клейте снизу (начинать с нижнего ряда), поперёк клеить можно, но не технологично, дюбелить через 2 часа после приклеивания, а лучше на след.день! Посилання на коментар Поділитися на інших сайтах More sharing options...
OuldMan Опубліковано: 7 липня 2013 Поділитись Опубліковано: 7 липня 2013 Скажите, пожалуйста, нужно ли заделывать (шпатлевать) швы между листами ГК, если на ГК будет клеиться плитка (санузел, ГК влагостойкий)? Спасибо. Посилання на коментар Поділитися на інших сайтах More sharing options...
Олег747 Опубліковано: 7 липня 2013 Автор Поділитись Опубліковано: 7 липня 2013 Скажите, пожалуйста, нужно ли заделывать (шпатлевать) швы между листами ГК, если на ГК будет клеиться плитка (санузел, ГК влагостойкий)? Спасибо.Вы опытный форумчанин и не сталкивались раньше с таким вопросом? Нет, швы заделывать (шпатлевать) не нужно. 1 Посилання на коментар Поділитися на інших сайтах More sharing options...
Дантист Опубліковано: 7 липня 2013 Поділитись Опубліковано: 7 липня 2013 делаю ремонт сам,люблю капашиться..помогите,может где на просторах инета есть подробные рекомендации как делать короба потолочные из гк с последующей установкой натяжеого потолка,арки интересны... спасибо Посилання на коментар Поділитися на інших сайтах More sharing options...
an30 Опубліковано: 8 липня 2013 Поділитись Опубліковано: 8 липня 2013 делаю ремонт сам,люблю капашиться..помогите,может где на просторах инета есть подробные рекомендации как делать короба потолочные из гк с последующей установкой натяжеого потолка,арки интересны... спасибо Присоединяюсь к вопросу. Посилання на коментар Поділитися на інших сайтах More sharing options...
Олег747 Опубліковано: 8 липня 2013 Автор Поділитись Опубліковано: 8 липня 2013 В Инете есть подробные рекомендации по монтажу короба и арок. Я их не ищу и не читаю за ненадобностью. Вы, если пожелаете, их найдёте точно с таким же успехом, как и я. Сложного тут нет ничего. Есть окошко поисковика, пишется там искомое словосочетание, например, монтаж короба гипсокартонного и читаем. Подскажу одно, то, что можете не найти, это то, что монтажники натяжного потолка крепят свой пластиковый уголок по полке гипсокартонного короба, и зная уровень будущего натяжного потолка надо за гипсокартонной полкой обязательно заранее заложить закладную - профиль СД-60 с креплением его к полке. Тогда пластиковый уголок будет прикреплён не просто к гипсокартону, а и к металлу за гипсокартоном, что будет очень надёжно для потолка. Посилання на коментар Поділитися на інших сайтах More sharing options...
boris239 Опубліковано: 8 липня 2013 Поділитись Опубліковано: 8 липня 2013 Скажите, пожалуйста, нужно ли заделывать (шпатлевать) швы между листами ГК, если на ГК будет клеиться плитка (санузел, ГК влагостойкий)? Спасибо. обязательно, клеится бумага и один слой шпаклевки, как вы говорите на сдир! 1 Посилання на коментар Поділитися на інших сайтах More sharing options...
Олег747 Опубліковано: 9 липня 2013 Автор Поділитись Опубліковано: 9 липня 2013 К шпатлёвке плохо клеится плитка, не шпатлюйте швы. Посилання на коментар Поділитися на інших сайтах More sharing options...
OuldMan Опубліковано: 9 липня 2013 Поділитись Опубліковано: 9 липня 2013 К шпатлёвке плохо клеится плитка, не шпатлюйте швы. А грунтовка не исправляет ситуацию? Посилання на коментар Поділитися на інших сайтах More sharing options...
Юрий 30 Опубліковано: 9 липня 2013 Поділитись Опубліковано: 9 липня 2013 протяните швы клеем и не парьтесь 1 Посилання на коментар Поділитися на інших сайтах More sharing options...
boris239 Опубліковано: 9 липня 2013 Поділитись Опубліковано: 9 липня 2013 К шпатлёвке плохо клеится плитка, не шпатлюйте швы. плохому танцору, сами знаете, что мешает!если вы такой мастер, ответьте на вопрос, зачем шпаклюются швы? Посилання на коментар Поділитися на інших сайтах More sharing options...
Олег747 Опубліковано: 10 липня 2013 Автор Поділитись Опубліковано: 10 липня 2013 А грунтовка не исправляет ситуацию?Исправляет. Но сами подумайте, зачем на швы гипсокартона наносить не надёжную основу - мел, а потом исправлять это покрыванием грунтовкой??? Уточняю ещё раз - перед укладкой плитки на гипсокартонные стены швы между листами гипсокартона заделывать не надо ничем! Посилання на коментар Поділитися на інших сайтах More sharing options...
gothic3men Опубліковано: 10 липня 2013 Поділитись Опубліковано: 10 липня 2013 Зашиваємо ГК потолок. Профіля через 40см. Будинок мансардного типу. На потолок всетаки брати стіновий ГК 12,5мм (смущає що влист на 6 кг важчий)) чи звичайний 9,5мм (як парять продавці в магазині)? Дякую Посилання на коментар Поділитися на інших сайтах More sharing options...
Олег747 Опубліковано: 10 липня 2013 Автор Поділитись Опубліковано: 10 липня 2013 Зашиваємо ГК потолок. Профіля через 40см. Будинок мансардного типу. На потолок всетаки брати стіновий ГК 12,5мм (смущає що влист на 6 кг важчий)) чи звичайний 9,5мм (як парять продавці в магазині)? Дякую Якщо вибирати між цими двома пунктами, то Ви правильно розмишляете, так що Беріть 12,5 мм., він надійнішій при усіляких (раптова велика волога в приміщенні, невеликі огріхи при влаштуванні каркасу) деформаціях себе веде!! Посилання на коментар Поділитися на інших сайтах More sharing options...
Рекомендовані повідомлення
Створіть акаунт або увійдіть у нього для коментування
Ви маєте бути користувачем, щоб залишити коментар
Створити акаунт
Зареєструйтеся для отримання акаунта. Це просто!
Зареєструвати акаунтУвійти
Вже зареєстровані? Увійдіть тут.
Увійти зараз