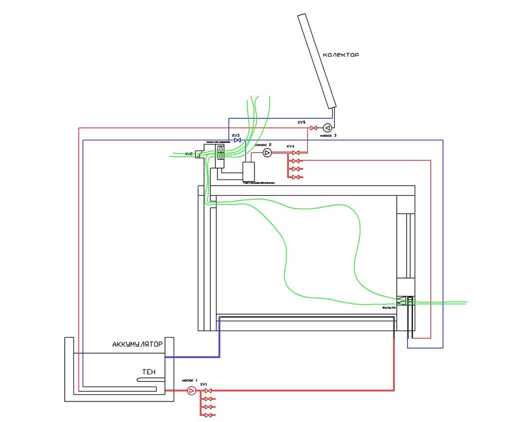
olkogr Опубліковано: 31 березня 2009 Поділитись Опубліковано: 31 березня 2009 Долго думая и читая разные форумы , втом числе и этот, дошел до такой системы отпопления и кондиционирования дома. Как видно на рисунке все строится на базе кондиционера (только внешнего блока с водяным теплобменником), теплого пола, аккумулятора, нескольких насосов и воздушных теплообменников. Система будет работать в двух режимах летнем и зимовым. В летнем режиме насос1 отключается, клпан XV1 (и все други на гребенке ) закрывается.Также закрывается клапан XV3, XV4 препядствуя прохождению воды от теплообменника кондиционера к аккумулятору. Кондей переходит в режим охлаждения. Входной воздух проходит через таплообменник в стене и охлаждается до комфортной температуры (3град меньше комнатного). Внешний блок кондея ставится в кожух так чтоб входной воздух можно было подавать через рукава, часть воздуха приходит с вытяжки всего дома (думаю кроме кухни) а часть подмешивается внешнего (пропорцию нужно будет подобрать в процесе настройки клапаном XV2). Таким образом у нас получается рекуперация в которой холодный воздух отдаст свой холод внешнему блоку кондея. В наших широтах летом солнечные колектора работают достаточно эфективно потому для снабжения дома горячей водой (она будет нагреватся проходя через змеевик в аккумуляторе) летом будет работать солнечный колектор. Дублировать его будет электрический ТЕН в аккумуляторе. Зимой система перестраивается - солнечный колектор отключается (оставливается насос3 и закрыватеся клапан XV5), открываются клапаны гребенок XV1 и XV4, кондиционер переключается в режим обогрева, таким образом он будет греть воду в аккумуляторе, также подогревать входящий воздух. Из аккумулятора теплая вода будет использоватся для прогрева теплых полов и снабжения теплой водой дома. В такой системе нет длинных входных воздуховодов, значит их будет легче обслуживать и чистить. Рекуперация проиходит за счет саого кондиционера, тоесть экономия. Входные фильтры и теплообменники можно использовать фирмы ВЕНТС, перепад давления для их работы (при размере 400х200) всего 50Па, потому вентилятора кондея хватает с головой. Регулировать вентиляцию помещения можно поставив регулируемые заслонки на решетки вытяжек в каждой комнате. Ну и конечно в конечном щете нуно все это дело автоматизировать, с етим проблем нету так как занимаюсь автоматизациями по работе, думаю все это заваять на сименсе s-200. Посилання на коментар Поділитися на інших сайтах More sharing options...
olkogr Опубліковано: 3 січня 2010 Автор Поділитись Опубліковано: 3 січня 2010 Народ, что ни у кого никаких идей и вопросов??? Уже проверил этой зимой систему вентиляции, с подачей воздуха снизу, под окном, воздух идет с температурой гдето на5-7 градусв ниже внутреней температуры. Возуд постоянно меняется, пересали проникать запахи из кухни и ванны в комнату. Вот проверить работу наружного блока кондея на выхлопе из системы вентиляции пока не получится, буду проверять уже на стройке. Посилання на коментар Поділитися на інших сайтах More sharing options...
Maestro Kiev Опубліковано: 9 січня 2010 Поділитись Опубліковано: 9 січня 2010 Много из нарисованного непонятно. Советовал бы расписать по контурам, а то венегрет. Но и из того, что я понял система не рабочая по нескольким параметрам. Входной воздух проходит через таплообменник в стене и охлаждается до комфортной температуры (3град меньше комнатного). - считайте по температурам указанным в СНиПе, - большого размера воздуховод необходим, т.к. расход воздуха равен расходу воздуха кондиционера, а у внутреннего блока кондиционера сравнительно большой расход, - стена это не воздуховод (подумайте что будет в стене при -22С воздуха внутри и +20С в помещении), компенсацию на нагрев брать из помещения системой отопления нецелесообразно, - при расчетных зимнего периода так много воздуха не прогреется, я про Ваши на 3град. выше. Внешний блок кондея ставится в кожух так чтоб входной воздух можно было подавать через рукава, часть воздуха приходит с вытяжки всего дома (думаю кроме кухни) а часть подмешивается внешнегоНе хватит давления вентилятора кондиционера на такие чудеса. В наших широтах летом солнечные колектора работают достаточно эфективно потому для снабжения дома горячей водой (она будет нагреватся проходя через змеевик в аккумуляторе) летом будет работать солнечный колектор. Ну если Вы все нацепили на кондер, то можно было уже и ГВС прицепить) С воздуха можно ведь и для ГВС брать тепло, но это отдельная тема. Зимой система перестраивается - солнечный колектор отключается (оставливается насос3 и закрыватеся клапан XV5), открываются клапаны гребенок XV1 и XV4, кондиционер переключается в режим обогрева, таким образом он будет греть воду в аккумуляторе, также подогревать входящий воздух. С чего Вы решили что на все это мощности хватит, особенно на нагрев наружного воздуха. Или решили собрать свой кондиционер? Входные фильтры и теплообменники можно использовать фирмы ВЕНТС, перепад давления для их работы (при размере 400х200) всего 50Па, потому вентилятора кондея хватает с головой.У Вентса короткие фильтры (малая площадь фильтрации) и 50Па это когда он чистый, при засорении потери растут в разы, значит расход воздуха падает. У карманного фильтра потери меньше, но и это Вас не спасет. Вентилятор кондея осевой, а не центробежный - мало давления. Регулировать вентиляцию помещения можно поставив регулируемые заслонки на решетки вытяжек в каждой комнате. Зажав в одном месте воздуху необходимо пойти в другое, а это уже увеличение скорости и потерь соответственно. Потому способ регулирования расхода по помещениям клапанами сложный. Ну и конечно в конечном щете нуно все это дело автоматизировать, с етим проблем нету так как занимаюсь автоматизациями по работе, думаю все это заваять на сименсе s-200.Далеко не самый дешевый вариант. Не думайте что все это соединив оно будет работать, а если хотите создать систему, то необходимо начинать с мощностей, потом уже теплообменников, компрессора, вентиляторов и т.д. и т.п. Разбейте все хотя бы на контура и каждый просчитайте независимо. Посилання на коментар Поділитися на інших сайтах More sharing options...
olkogr Опубліковано: 15 січня 2010 Автор Поділитись Опубліковано: 15 січня 2010 Давайте начнем с малого. Например расмотрим комнату с кондиционером. Внутрений блок выкачивает тепло из комнаты нагревая тем самым теплообменник внешнего блока. Внешний блок прокачивает через себя внешний воздух из большой температурой (иначе зачем тогда охлаждать комнату) нагревает его до еще большей. Все знаю чем меняша разница внутреней температуры и внешней тем эфективней кондей. Теперь возьмем вентиляцию в этой же самой комнате, например нам нужно подать 150м3/час воздуха. Этим же мы сильно нагружаем кондей, так как приносим внешний теплій воздух в комнату. Моя идея взять воздух который уходит из комнаты и подать его на внешний блок кондея, конечно его полностью не хватит, но подмешав его к воздуху который проходит через внешний блок мы получим рекуперацию для вентиляции, пртиом без реуператора. Посилання на коментар Поділитися на інших сайтах More sharing options...
snickers Опубліковано: 15 січня 2010 Поділитись Опубліковано: 15 січня 2010 Все знаю чем меняша разница внутреней температуры и внешней тем эфективней кондей. Это не совсем справедливо. Смотря, что Вы понимаете под словом "эффективность"? Если абсолютное потребление электричества, то вобщем, да. Если потребление килоВатта электричества на килоВатт холодопроизводительности, то это справедливо в полной мере только для инверторных моделей. Вы пытаетесь изобрести велосипед. Как только Вы начнете воплощать ее в жизнь, столкнетесь к множеством конструктивных проблем (конденсат, обмерзание, шум, фильтры, производительность по воздуху, автоматика и т.п.) и цена получится такой же, как и у рекуператора заводского изготовления, если не дороже. Посилання на коментар Поділитися на інших сайтах More sharing options...
Maestro Kiev Опубліковано: 15 січня 2010 Поділитись Опубліковано: 15 січня 2010 Ага, тоже хотел про велосипед написать. Есть модели кондеров канальные, если грубо, то можно навесить секцию нагрева и будет Вам приточная вентиляция круглогодично. Но такая система справедлива при 10-20% притока наружного и то это "кулибинщина". Посилання на коментар Поділитися на інших сайтах More sharing options...
sergdanko Опубліковано: 15 січня 2010 Поділитись Опубліковано: 15 січня 2010 Давайте начнем с малого. Например расмотрим комнату с кондиционером. Внутрений блок выкачивает тепло из комнаты нагревая тем самым теплообменник внешнего блока. Внешний блок прокачивает через себя внешний воздух из большой температурой (иначе зачем тогда охлаждать комнату) нагревает его до еще большей. Все знаю чем меняша разница внутреней температуры и внешней тем эфективней кондей. Теперь возьмем вентиляцию в этой же самой комнате, например нам нужно подать 150м3/час воздуха. Этим же мы сильно нагружаем кондей, так как приносим внешний теплій воздух в комнату. Моя идея взять воздух который уходит из комнаты и подать его на внешний блок кондея, конечно его полностью не хватит, но подмешав его к воздуху который проходит через внешний блок мы получим рекуперацию для вентиляции, пртиом без реуператора. Велосипед этот сложный:D, и Вам наверное сюда www.evs.com.ua/klimat_ind.htm, но цена однако... Посилання на коментар Поділитися на інших сайтах More sharing options...
Rebe Опубліковано: 16 січня 2010 Поділитись Опубліковано: 16 січня 2010 А что скажет шановне панство по поводу такого рекуператора по входу? www.ventsamara.ru/catalog/prom_i_kom_vent/prit_ustanovka_VUT_mini/ Посилання на коментар Поділитися на інших сайтах More sharing options...
AmateurFF Опубліковано: 16 січня 2010 Поділитись Опубліковано: 16 січня 2010 А что скажет шановне панство по поводу такого рекуператора по входу? www.ventsamara.ru/catalog/prom_i_kom_vent/prit_ustanovka_VUT_mini/ Дороговато, 6 708 грн, хотелось бы дешевле. Посилання на коментар Поділитися на інших сайтах More sharing options...
olkogr Опубліковано: 16 січня 2010 Автор Поділитись Опубліковано: 16 січня 2010 Это не совсем справедливо. """Смотря, что Вы понимаете под словом "эффективность"? Если абсолютное потребление электричества, то вобщем, да. Если потребление килоВатта электричества на килоВатт холодопроизводительности, то это справедливо в полной мере только для инверторных моделей.""" А что еще ктото покупает неинверторные кондеи??? Кроме того даже для неинвертора ефективность и соответсвенно потребление электричества уменяшатся чем меньше разница температур. Не понимаю в чем проблема направить воздух из вытяжных каналов на внешний блок кондиционера, когда 100% знаем что холодный воздух из комнаты всегда улучшит работу кондея. И получим рекуперацию без рекуператора, тоесть экономия на лицо. Тоже самое будет и при работе кондея на обогрев. Например если на улице -10 а в комнате 24, то даже если смешать 1/4, получим гдто 3-4 градуса воздуха который пойдет на внешний теплообменник, это намног оувеличит эфективность любого кондиционера. А по поводу кулибинщины и прочего, а что здесь плохого, все системы которые сейчас мы имеем прошли такие этапы, и если даже мы не сделаем рекуперацию на уровне 90%, а всего на 60 это оч хорошо так как это бесплатно, притом что мы никак не ухудшаем режимы работы оборудования, а даже улучшаем. И еще по поводу рекуператоров промышленных, они мне не оч подходят так как у меня нет каналов на приток, у меня только вытяжные, а приток будет в каждой комнате через стену свой. Посилання на коментар Поділитися на інших сайтах More sharing options...
snickers Опубліковано: 16 січня 2010 Поділитись Опубліковано: 16 січня 2010 Такое впечатление, что Вы разговариваете сами с собой ... Что Вы будете делать вот с этим: ... множеством конструктивных проблем (конденсат, обмерзание, шум, фильтры, производительность по воздуху, автоматика и т.п.) и цена получится такой же, как и у рекуператора заводского изготовления, если не дороже. Вы рассчитали, сколько воздуха нужно прокачать через теплообменник наружного блока, чтобы он обеспечил расчетную производительность? Подмес наружного и внутреннего - как будет выглядеть эта конструкция в реальности? Ее сложность и реализуемость? Да прошли, десятки лет назад. За это время обкаталось множество тех. решений, набита куча шишек, решено много проблем, выявленных в процессе длительной реальной эксплуатации. У Вас есть желание устроить из своего дома испытательный стенд? Пожалуйста. Я всего лишь хочу попытаться обрисовать круг проблем, с которыми Вы столкнетесь, и их масштаб. Бесплатность это миф. Можно сравнить кондиционер с камином. Ну что сложного? Квадратная коробка с трубой сверху. Сотни лет люди их строят и все равно постоянно грабли какие-то. Кондиционер аналогично, при всей своей внешней простоте, является очень сложной, точно рассчитанной конструкцией. Посилання на коментар Поділитися на інших сайтах More sharing options...
olkogr Опубліковано: 17 січня 2010 Автор Поділитись Опубліковано: 17 січня 2010 (змінено) А в чем проблема, где конденсация где нужны фильтры??? Мы рассматриваем пока что только подачу воздуха из вытяжки на внешний блок кондея. Реализовать это оч просто, деалем кожух на внешний блок, по воздуховоду подводим воздух из вытяжки, внешний воздух просто через задвижку, регулируем задвижкой смешание и соотношение, все проблемы на этом кончены. В итоге имеем рекуперацию тепла или холода из комнаты. Здесь я пока не рассматриваю обогрев или охлаждение притока, об это будем говорить потом. Поток воздуха через внешний блок не нужно расчитывать он есть в папорте, например для 10кВт еондея он макс 3000 м3/ч, но он включает такую скорость только когда максимальная разница температур, в нормальном режиме он крутит 1000. На меньших кондеях это число намного меньше, у моего домашнего макс 1200, но даже не видел чтоб он на максимуме вращался. Пока я хочу услышать почему такая консрукция не будет работать. По поводу из дома испытательный стенд, вытяжка у меня все равно будет, обогрев и охлаждения притока тоже, теплые полы тоже, то есть это стандартные конструкции, уже рассчитаны. Как и чем все это дело греть и охлаждать, пока не определился, хочу за щет кондея полупром, который сразу греет или охлаждает теплоноситель, а потом уже его пользовать для всех остальных систем. Если не выйдет, то сделаю просто докуплю котел, буду им греть, а кондей будет работать штатно только на охлаждение летом. Тоеть я лишних денег не трачу, разве что время, но пока будет стройка отделка и прочее его мне хватит. А миф ли бесплатность или нет это уже вопрос совсем другой, жили же люди и вообще без денег, топили дровами которые сами выростили, все дело что людям дан разум и нужно им пользоватся, можно конечно нанять фирму они вам все сделают за бешаные бабки, а можно и самому пошаманить, поверте не боги горшки лепят. Я вообщето электронщик, занимаюсь автоматизациями, многое кже сделал сам, хотя лет 6 назад даже не знал что такое степ7 и прочее, а сейчас ко мне звонят многие и консультируются, хотя я негде даже на программирование не учился. Змінено 17 січня 2010 користувачем olkogr Посилання на коментар Поділитися на інших сайтах More sharing options...
Maestro Kiev Опубліковано: 18 січня 2010 Поділитись Опубліковано: 18 січня 2010 (змінено) А что скажет шановне панство по поводу такого рекуператора по входу? www.ventsamara.ru/catalog/prom_i_kom_vent/prit_ustanovka_VUT_mini/ Все хорошо в концепции (с 80х очень широко применимы в ЕС), но минусом является то, что вентиляторы уже встроены, т.е. типовые и подойти 1 к 1 на объект вероятности мало. Одно из важных условий работы и КПД по паспорту, это приток=вытяжке (П=В) по воздуху. Что часто редко встретишь П=В по результату, т.к. различные трассировки воздуховодов и т.д. А расход воздуха увязан с давлением вентилятора - больше потери давления, меньше воздуха. Это установки "купил-поставил", но можно выполнить наборную установку - выйдет дешевле, но больше места будет занимать. Хотя при этом возможно установить именно те вентиляторы (или несколько) что необходимы для данного объекта. В любом случае не советую покупать "от балды", например только по расходу воздуха. Это не та техника, что можно выбрать в Эпицентре или инет-магазине. Необходима строгая увязка с мощностями, конкретными трассировками воздуховодов, точнее их потерями давления. А я рад, что уже появляются пользователи думающие головой, как olkogr. Сам ношусь с этой идеей десятилетие - отобрать тепло от вытяжного воздуха, которое вылетает в трубу. Ведь реальные затраты на "обогрев", это затраты на вентиляцию, которые больше затрат на компенсацию теплопотерь. При этом затраты на приток в типовых проектах зданий вообще не учтены, т.е. дышать зимой не предусмотрено! olkogr такие устройства существуют и за ними большая перспектива, после долгих поисков реализации такой простой идеи, я впервые встретил в 1998г у британского производителя, на сегодня производителей добавилось. Я пытался показать перспективы таких установок в ветке "Кондиционер без наружного блока", пытаясь указать, что в плюсах помимо высокого КПД при круглогодичной работе еще и отсутствие наружного блока, но потребители этого не поняли. Тепловой СОР таких установок производители указывают около 4,5-5,4 (1кВт эл-ва = 5,4кВт тепла), что реально подтвердить не могут. Я запрашивал откуда 5,4 взялось в каталоге, если затраты эл-ва не совпадают, но ответить производитель ничего, кроме как делите при проектировании мощности на 2 не смог... Потому в планах было выполнить свою такую установку, но сейчас реали рынка, находящего в стогнации, не позволяют конкретно сосредоточиться на таком проекте. Готовая такая установка стоит от 4000евро, если есть желающие выполнить по такой концепции рекуператор, то я готов технически помочь, т.к. сам заинтересован глубоко изучить результаты эксплуатации. На данный момент уже произвожу вентиляторы, фильтры, клапана, глушители, изолированные корпуса, системы автоматики и приточные камеры. Так что "засунуть" компрессор в корпус и обвязать вентдевайсами не есть проблема, а его можно выполнить выносным или вообще установку наборной, что должно выйти дешевле. Кстати простая наборная приточная установка (бюджетный вариант) с секцией фреонового охлаждения от канального кондиционера (без утилизации вытяжки) стоит дороже 4000евро, а функций еще меньше, чем этот приточно-вытяжной девайс с рекупераций тепла. Змінено 18 січня 2010 користувачем Maestro Kiev Посилання на коментар Поділитися на інших сайтах More sharing options...
olkogr Опубліковано: 18 січня 2010 Автор Поділитись Опубліковано: 18 січня 2010 Вот, значит такое уже делают и я не изобретаю велосипед, это супер. Я просто не хочу все обединять в один блок, хочу просто отобрать тепло (или холод летом) от вытяжного воздуха, а потом ипользовать его уже для обогрева или охлаждения приточки. Тоесть у меня будет внешний блок кондея потом теплоноситель, потом уже радиаторы в приточке. Так я избавляюсь от приточных каналов, фильтры мне так как дом загородный особые не нужны, разве что мелкая сетка от насекомых. Но вот вопрос как урегулировать всю систему, ставить вентилятор в каждую приточку я не хочу, так как вентиляторы всетаки шумные, я хотел поставить один вытяжной который бдет тянуть из всех обедененных вытяжек, и подавать этот воздух на внешний блок кондея. у такой схемы как я понял есть минус в том что во всем доме будет небольшой вакуум. Удастся ли мне задвижками в каждой комнате на вытяжках урегулировать всю систему???? Или всеже пиридется ставить приточные вентиляторы и регулировать ими???? Почему не хочу приточных каналов спросите, по нескольким причинам, если делать то придется оч хорошо фильтровать воздух чтоб каналы не сорились, если что выйдет из строя вентиляции не будет вообще, чистка этих каналов тоже дело еще то, размещение, у меня в стенах и на вытяжки не так много места, а приток точно не поместится, тогда нужно делать подвесные потолки которые я просто ненавижу. Потому решил делать приток в каждой комнате свой, а рекуперацию делать на общей вытяжке. Главная загвоздка наверно что всетаки радиатор внешнего блока кондея не оч эфективен для такой системы, он сделан большой площади но маленькой толщины, и наверно не сможет хорошо отобрать тепло от выходящего воздуха из вытяжки. Но сделать холодильную установку самому мне наверно не под силу, я думал покупать мицубиси электрик полупром мистер слим, только внешний блок, ставить плату управления, а фреон в теплобменник, в котором он отдаст энергию теплоносителю, а уже им холодить или греть. Посилання на коментар Поділитися на інших сайтах More sharing options...
snickers Опубліковано: 18 січня 2010 Поділитись Опубліковано: 18 січня 2010 я думал покупать мицубиси электрик полупром мистер слим, только внешний блок, ставить плату управления, а фреон в теплобменник, в котором он отдаст энергию теплоносителю, а уже им холодить или греть. Это уже будет чиллер, воздух-вода. Посилання на коментар Поділитися на інших сайтах More sharing options...
olkogr Опубліковано: 18 січня 2010 Автор Поділитись Опубліковано: 18 січня 2010 Это уже будет чиллер, воздух-вода. нуда, так и хотел заделать, просто нашел только этот кондей в котором есть возможность работы без внутренего блока, сейчас вот расчитываю теплообменник трубчатый (просто удлиняю фреоновую магистраль делаю типа кожухотрубного ). Покупать сразу чиллер оч дорого, не нашел по нормальным ценам за все ломят огромные деньги, а кондей много дешевле, притом проверенная серия, оч хорошо работает, и в инструкции даже описан режим работы с теплообменником. Посилання на коментар Поділитися на інших сайтах More sharing options...
snickers Опубліковано: 18 січня 2010 Поділитись Опубліковано: 18 січня 2010 Можете выложить этот кусок инструкции, где описано про теплообменник? Посилання на коментар Поділитися на інших сайтах More sharing options...
sergdanko Опубліковано: 19 січня 2010 Поділитись Опубліковано: 19 січня 2010 нуда, так и хотел заделать, просто нашел только этот кондей в котором есть возможность работы без внутренего блока, сейчас вот расчитываю теплообменник трубчатый (просто удлиняю фреоновую магистраль делаю типа кожухотрубного ). Покупать сразу чиллер оч дорого, не нашел по нормальным ценам за все ломят огромные деньги, а кондей много дешевле, притом проверенная серия, оч хорошо работает, и в инструкции даже описан режим работы с теплообменником. Там еще применяется пластинчатый теплообменник со своей обвязкой и "дешево", ну не получается. И стоимость только наружного блока для "средне-нормальной" (не 20м2) площади не одна тыща у.е.;) (ссылка устарела) Ваша идея это утопия, есть очень много неувязок, раньше их почти все перечисляли, но что-то Я въехать не могу в мысль: если в зимний период в помещении +22, а на улице -22;), то как от компрессорного блока будет выделятся тепло (он насколько мне известно холодом дует), когда внутренний работает в режиме heat. Да есть ТН, но есть и эксплуатационные нагрузки и режим эксплуатации про которые на форуме не одна ветка. Посилання на коментар Поділитися на інших сайтах More sharing options...
snickers Опубліковано: 19 січня 2010 Поділитись Опубліковано: 19 січня 2010 но что-то Я въехать не могу в мысль: если в зимний период в помещении +22, а на улице -22;), то как от компрессорного блока будет выделятся тепло (он насколько мне известно холодом дует), когда внутренний работает в режиме heat. Да есть ТН, но есть и эксплуатационные нагрузки и режим эксплуатации про которые на форуме не одна ветка. Идея, насколько я понял, состоит в том, что мы хотим подать на обдув внешнего блока не уличный воздух (-22), а вытяжку из вентшахты (воздух из помещения), который имеет почти комнатную температуру. И внешний блок у нас начинает работать на обогрев в условиях Т, наружная = +20 (а не -22) и эффективность его резко растет. То, что нарисовано на стр.154 Вы имеете ввиду под "описанием работы с теплообменником"? Посилання на коментар Поділитися на інших сайтах More sharing options...
sergdanko Опубліковано: 19 січня 2010 Поділитись Опубліковано: 19 січня 2010 Идея, насколько я понял, состоит в том, что мы хотим подать на обдув внешнего блока не уличный воздух (-22), а вытяжку из вентшахты (воздух из помещения), который имеет почти комнатную температуру. И внешний блок у нас начинает работать на обогрев в условиях Т, наружная = +20 (а не -22) и эффективность его резко растет. То, что нарисовано на стр.154 Вы имеете ввиду под "описанием работы с теплообменником"? А нафига, простите, при +20гр ещё и греть приточный воздух. Я понимаю три сезона: 1.лето +35гр (тут наружный блок выдавать должен более 45гр и попробуй его охладить обраткой с вентшахты:D, у н.б. объём от 3000куб/ч, ну да ладно; 2.межсезонье, надо ещё думать,а стоит ли эксплуатировать компрессор у него ж есть потребляемая мощность?, он кушать хочет иль нет?; 3.Зима -22гр(хотя Я прекрасно понимаю, что максимум три дня в году может быть эта температура, да и СНиП писался ещё в прошлом веке, а на это столетие ещё и ссылок не "бачыв"),а при работе вентилятора наружного блока (если он крутиться) идет холодный воздух, а не теплый и что тут греть? Посилання на коментар Поділитися на інших сайтах More sharing options...
snickers Опубліковано: 19 січня 2010 Поділитись Опубліковано: 19 січня 2010 Вы все пишите задом наоборот ... Никто не собирается греть приточный воздух. Собираются внешний блок кондиционера греть вытяжным воздухом. А летом охлаждать внешний блок кондиционера вытяжным воздухом. Посилання на коментар Поділитися на інших сайтах More sharing options...
sergdanko Опубліковано: 19 січня 2010 Поділитись Опубліковано: 19 січня 2010 Всё это уже реализовано русскими, в Харькове есть представительство, цена безумная. Но вещь что надо. Ссылку Я давал, читайте. www.stroimdom.com.ua/forum/member.php?u=6306 давал картинки. А охлождать комперессорный блок летом зачем, у нас как в Африке +45? Лишних тепловых ватт получить, затратив при этом те же ваты при использовании вентилятора, ну а если самотёком, ну разве что повесить наружный блок над вент.шахтой. Посилання на коментар Поділитися на інших сайтах More sharing options...
snickers Опубліковано: 19 січня 2010 Поділитись Опубліковано: 19 січня 2010 ... цена безумная... Лишних тепловых ватт получить, затратив при этом те же ваты при использовании вентилятора, ну а если самотёком, ну разве что повесить наружный блок над вент.шахтой. Ну так я написал человеку тоже самое еще в сообщении N5, а он не верит... Посилання на коментар Поділитися на інших сайтах More sharing options...
olkogr Опубліковано: 19 січня 2010 Автор Поділитись Опубліковано: 19 січня 2010 Это уже будет чиллер, воздух-вода. Можете выложить этот кусок инструкции, где описано про теплообменник? Вот страница и сервисного мануала. Посилання на коментар Поділитися на інших сайтах More sharing options...
olkogr Опубліковано: 19 січня 2010 Автор Поділитись Опубліковано: 19 січня 2010 Всё это уже реализовано русскими, в Харькове есть представительство, цена безумная. Но вещь что надо. Ссылку Я давал, читайте. www.stroimdom.com.ua/forum/member.php?u=6306 давал картинки. А охлождать комперессорный блок летом зачем, у нас как в Африке +45? Лишних тепловых ватт получить, затратив при этом те же ваты при использовании вентилятора, ну а если самотёком, ну разве что повесить наружный блок над вент.шахтой. Вентилятора не нужно, вентилятор наружного блока сам создаст нужное разрежение. А разница при охлажлении если подавать на внешний блок температуру 30 град и 20 очень большая, посмотрите на графики в мануалах. У меня наружный блок будет на крыше, и все вентканалы будут идти на него. Рекуперация на то и рекуперация чтоб забрать то что мы затратили, Вот у нас на заводк в одном из цехов поставили рекуператор, так кондей за прошлое лето взял на 30проц меньше электроэнергии, про зиму вообще молчу разница в 3 раза. Посилання на коментар Поділитися на інших сайтах More sharing options...
Рекомендовані повідомлення
Створіть акаунт або увійдіть у нього для коментування
Ви маєте бути користувачем, щоб залишити коментар
Створити акаунт
Зареєструйтеся для отримання акаунта. Це просто!
Зареєструвати акаунтУвійти
Вже зареєстровані? Увійдіть тут.
Увійти зараз