naupv Опубліковано: 15 травня 2014 Поділитись Опубліковано: 15 травня 2014 то зачем тогда человеку еще и бойлер? Чтобы можно было смонтировать рециркуляцию, при открытии одновременно нескольких точек, не было перепада в "струе", запас горячей воды (типа кружку помыл, котел не включился) Добавлено через 1 минуту двухконтурный котел 30кВт должен решить вашу задачу а 35 кВт еще лучше:D. Можно ездить на Запорожце и на Мерседесе, и то и другое машина. Посилання на коментар Поділитися на інших сайтах More sharing options...
Labush Опубліковано: 15 травня 2014 Поділитись Опубліковано: 15 травня 2014 naupv, несомненно и запорожец машина . Выбор оборудования во многом зависит от бюджетов заказчика. Как говорится: еду как умею, живу как могу! Посилання на коментар Поділитися на інших сайтах More sharing options...
Tiurin Опубліковано: 15 травня 2014 Поділитись Опубліковано: 15 травня 2014 Чтобы можно было смонтировать рециркуляцию, при открытии одновременно нескольких точек, не было перепада в "струе", запас горячей воды (типа кружку помыл, котел не включился) А, теперь понятно. Тобишь, бойлер в данном случае работает на дополнительный комфорт. Можно ездить на Запорожце и на Мерседесе, и то и другое машина. Абы всем на Мерседесы хватало ;) Посилання на коментар Поділитися на інших сайтах More sharing options...
FOX.kissfm Опубліковано: 16 травня 2014 Поділитись Опубліковано: 16 травня 2014 Зачем вам делать систему без приоритета?Без приоритета имеет смысл когда идёт постоянный водоразбор по ГВС. подскажите, я правильно понимаю... приоритет ГВС - это теплоноситель через трехходовой клапан разруливается на бойлер или гребенку отопления. А без приоритета - реализуется подключением бойлера к общей гребенке? Посилання на коментар Поділитися на інших сайтах More sharing options...
Interso Опубліковано: 16 травня 2014 Поділитись Опубліковано: 16 травня 2014 подскажите, я правильно понимаю... приоритет ГВС - это теплоноситель через трехходовой клапан разруливается на бойлер или гребенку отопления. А без приоритета - реализуется подключением бойлера к общей гребенке? Нет. Понятие приоритет ГВС-это говорит о том, если нада греть воду ГВС или отапливать дом, то в первую очередь котелок греет ГВС и только после нагрева переходит в режим отопления. Без приоритета-если котелок работает в отопительный сезон то он греет одновременно и ГВС и отопление.В таком построении логики управления вам потребуется котелок на порядок выше по мощности,если в первом случае с приоритетом к примеру- вам нужен котелок на 24кВт, то во втором случае без приоритета вам может быть потребуется котелок в 40-50кВт.Это цыфры условные для того чтобы понять разницу. Посилання на коментар Поділитися на інших сайтах More sharing options...
FOX.kissfm Опубліковано: 16 травня 2014 Поділитись Опубліковано: 16 травня 2014 Нет. Понятие приоритет ГВС-это говорит о том, если нада греть воду ГВС или отапливать дом, то в первую очередь котелок греет ГВС и только после нагрева переходит в режим отопления. Без приоритета-если котелок работает в отопительный сезон то он греет одновременно и ГВС и отопление.В таком построении логики управления вам потребуется котелок на порядок выше по мощности,если в первом случае с приоритетом к примеру- вам нужен котелок на 24кВт, то во втором случае без приоритета вам может быть потребуется котелок в 40-50кВт.Это цыфры условные для того чтобы понять разницу. не, это понятно. Я говорил о реализации. Например GB 162 до 60кВт идут с развязкой через трехходовик внутри котла и имеют сразу 4 выхода - два на бойлер, два на отопление. Вот если все так и подключить, то бойлер будет работать в приоритете. А получается если заглушить эту внутреннюю развязку на бойлер, а пустить только два выхода на гребенку отопления, а с общей гребенки уже запитать бойлер, то эта реализация уже без приоритета? Или даже на общей гребенки можно как то сделать приоритет? По датчику какому то... или еще что то ? Посилання на коментар Поділитися на інших сайтах More sharing options...
Interso Опубліковано: 16 травня 2014 Поділитись Опубліковано: 16 травня 2014 А получается если заглушить эту внутреннюю развязку на бойлер, а пустить только два выхода на гребенку отопления, а с общей гребенки уже запитать бойлер, то эта реализация уже без приоритета? Ну так просто не получится,для нагрева бойлера нада высокая температура,тоисть когда бойлер нада нагреть датчик должен дать команду котлу чтобы поднять температуру теплоносителя котла на максимум.Дальше нада сделать так чтобы комнатный термостат не влиял на нагрев бойлера а сам нагрев бойлера не влиял на нагрев дома. По любому вам без двухходовых клапанов не обойтись. В чём смысл этой затеи без приоритета? Посилання на коментар Поділитися на інших сайтах More sharing options...
FOX.kissfm Опубліковано: 16 травня 2014 Поділитись Опубліковано: 16 травня 2014 Ну так просто не получится,для нагрева бойлера нада высокая температура,тоисть когда бойлер нада нагреть датчик должен дать команду котлу чтобы поднять температуру теплоносителя котла на максимум.Дальше нада сделать так чтобы комнатный термостат не влиял на нагрев бойлера а сам нагрев бойлера не влиял на нагрев дома. По любому вам без двухходовых клапанов не обойтись. В чём смысл этой затеи без приоритета? Мысль была избавиться от трехходового клапана в схеме, как ненадежного элемента. Но походу невозможно?! (( Посилання на коментар Поділитися на інших сайтах More sharing options...
Interso Опубліковано: 16 травня 2014 Поділитись Опубліковано: 16 травня 2014 Мысль была избавиться от трехходового клапана в схеме, как ненадежного элемента. Но походу невозможно?! (( Схема без приоритета намного сложнее,так как температура на отопление и на нагрев бойлера разная и для этого нада эти контура разделять,на бойлер прямой контур с двухходовым клапаном,на отопление контур с смесительным узлом. 1 Посилання на коментар Поділитися на інших сайтах More sharing options...
Labush Опубліковано: 16 травня 2014 Поділитись Опубліковано: 16 травня 2014 FOX.kissfm,можно по простому: сперва подача отопительного контура из котла заводится на теплообменник бойлера, затем уже подается в систему отопления. Достоинства-выбросили ненадежные элементы(трехходовой и датчики), недостатки: отсутствует раздельное регулирование т-рами бойлера и системы отопления. Посилання на коментар Поділитися на інших сайтах More sharing options...
Interso Опубліковано: 16 травня 2014 Поділитись Опубліковано: 16 травня 2014 FOX.kissfm,можно по простому: сперва подача отопительного контура из котла заводится на теплообменник бойлера, затем уже подается в систему отопления. Достоинства-выбросили ненадежные элементы(трехходовой и датчики), недостатки: отсутствует раздельное регулирование т-рами бойлера и системы отопления. А летом как быть,в ручную отключать систему отопления.,ну а если будет стоять погодозависимая автоматика что тогда делать? Да ничего страшного в трёхходовиках нет,выходит из строя всё что попало и трёхходовик далеко не из первых узлов который подвержен частым поломкам. Посилання на коментар Поділитися на інших сайтах More sharing options...
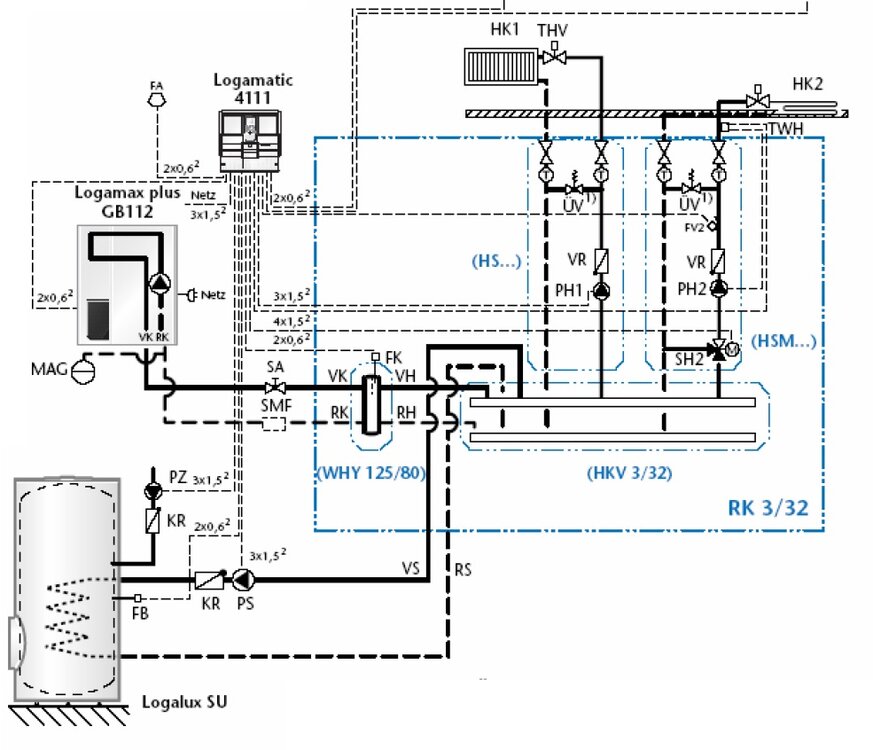
FOX.kissfm Опубліковано: 16 травня 2014 Поділитись Опубліковано: 16 травня 2014 Схема без приоритета намного сложнее,так как температура на отопление и на нагрев бойлера разная и для этого нада эти контура разделять,на бойлер прямой контур с двухходовым клапаном,на отопление контур с смесительным узлом. тогда не могу понять эту схему? Тут есть приоритет или нет? Или как котел догадывается что надо бОльшую температуру теплообменник бойлера гнать? Посилання на коментар Поділитися на інших сайтах More sharing options...
Interso Опубліковано: 16 травня 2014 Поділитись Опубліковано: 16 травня 2014 тогда не могу понять эту схему? Тут есть приоритет или нет? Или как котел догадывается что надо бОльшую температуру теплообменник бойлера гнать? По всей видимости есть приоритет по ГВС,если бы на схеме был смеситель и на радиаторный контур тогда могло бы быть и без приоритета,хотя с автоматикой логоматик я незнаком,может там есть настройки работы без приоритета,нада читать мануал. Судя по схеме логика такова-если требуется нагреть бойлер,датчик бойлера даёт команду на логоматик а тот в свою очередь подымает температуру в котелке и включает насос бойлера,в тоже время он даёт на отключение насоса радиаторного контура,ну а контур ТП с помощью трёхходового регулирует нужную температуру. Честно говоря я здесь на форуме не встречал ни одной схемы и даже обсуждения этого вопроса без приоритета,за всю свою практику я только один раз делал котельную с полным комфортом,тоисть без приоритета ГВС, на базе двух котлов Виссманн по 72кВт и бойлером на1000л. Посилання на коментар Поділитися на інших сайтах More sharing options...
FOX.kissfm Опубліковано: 16 травня 2014 Поділитись Опубліковано: 16 травня 2014 По всей видимости есть приоритет по ГВС,если бы на схеме был смеситель и на радиаторный контур тогда могло бы быть и без приоритета,хотя с автоматикой логоматик я незнаком,может там есть настройки работы без приоритета,нада читать мануал. Судя по схеме логика такова-если требуется нагреть бойлер,датчик бойлера даёт команду на логоматик а тот в свою очередь подымает температуру в котелке и включает насос бойлера,в тоже время он даёт на отключение насоса радиаторного контура,ну а контур ТП с помощью трёхходового регулирует нужную температуру. Честно говоря я здесь на форуме не встречал ни одной схемы и даже обсуждения этого вопроса без приоритета,за всю свою практику я только один раз делал котельную с полным комфортом,тоисть без приоритета ГВС, на базе двух котлов Виссманн по 72кВт и бойлером на1000л. Мне как раз нужен приоритет по ГВС, как более экономный варинат, но при этом хочет отойти от двухходового клапана. А RC 35 автоматика, может в такой схеме реализовать приоритет ГВС с помощью манипуляций насосами? Посилання на коментар Поділитися на інших сайтах More sharing options...
Сергей 31 Опубліковано: 16 травня 2014 Поділитись Опубліковано: 16 травня 2014 тогда не могу понять эту схему? Тут есть приоритет или нет? На схеме Будерус 112. он продается с трехходовиком для ГВС и бойлер подключается прямо к котлу. Посилання на коментар Поділитися на інших сайтах More sharing options...
Interso Опубліковано: 16 травня 2014 Поділитись Опубліковано: 16 травня 2014 Мне как раз нужен приоритет по ГВС, как более экономный варинат, но при этом хочет отойти от двухходового клапана. А RC 35 автоматика, может в такой схеме реализовать приоритет ГВС с помощью манипуляций насосами? Ну если у вас в котелке есть трёхходовой для бойлера то вся программа зашита в котелке и он будет работать с приоритетом и RC35 будет управлять котелком,ну а для того чтобы управлять насосами вам нужна другая автоматика. 1 Посилання на коментар Поділитися на інших сайтах More sharing options...
FOX.kissfm Опубліковано: 16 травня 2014 Поділитись Опубліковано: 16 травня 2014 На схеме Будерус 112. он продается с трехходовиком для ГВС и бойлер подключается прямо к котлу. а что можете сказать по указаной схеме? если нет трехходовика, то насосами приоритет достигается? Посилання на коментар Поділитися на інших сайтах More sharing options...
Сергей 31 Опубліковано: 16 травня 2014 Поділитись Опубліковано: 16 травня 2014 а что можете сказать по указаной схеме? если нет трехходовика, то насосами приоритет достигается? Достигается, только нужно будет городить автоматику которая уже есть в этом котле. 1 Посилання на коментар Поділитися на інших сайтах More sharing options...
FOX.kissfm Опубліковано: 16 травня 2014 Поділитись Опубліковано: 16 травня 2014 Достигается, только нужно будет городить автоматику которая уже есть в этом котле. RC 35 позволяет это? Посилання на коментар Поділитися на інших сайтах More sharing options...
Сергей 31 Опубліковано: 16 травня 2014 Поділитись Опубліковано: 16 травня 2014 RC 35 позволяет это? Именно он и позволяет. 1 Посилання на коментар Поділитися на інших сайтах More sharing options...
Рекомендовані повідомлення
Створіть акаунт або увійдіть у нього для коментування
Ви маєте бути користувачем, щоб залишити коментар
Створити акаунт
Зареєструйтеся для отримання акаунта. Це просто!
Зареєструвати акаунтУвійти
Вже зареєстровані? Увійдіть тут.
Увійти зараз