miccca Опубліковано: 29 жовтня 2014 Поділитись Опубліковано: 29 жовтня 2014 ребята посоветуйте!. Заказываю кухню. вдоль стены идет газовая труба, на высоте 80 см от пола, расстояние от стены она занимает 6см. Проблема в том, что не влезет посудомоечная машина, т.е. она упрется задней стенкой, при стандартной столешнице в 60см. Мебельщики предлагают широкую столешницу делать....а это удорожание и не экономия места. дело в том, что газ трубу для плиты ставили когда пола ещё не было, подсыпка+ стяжка + плитка. идеально нельзя было рассчитать. Я говорил с газовиками, они могут её перенести в плотную к стене, штробить нельзя (все равно получается что торчит на 3 см). Также могут сдвинуть ниже-выше. Как с этим поступить и обыграть? Хотелось бы трубу спрятать и не дай бог поднимать вдоль кухонного фартука так, то чтобы она будет видна по всей кухне. Хочу обычную полноценную посудомойку, компакт не хочу. Посоветуйте. Посилання на коментар Поділитися на інших сайтах More sharing options...
karapuz74 Опубліковано: 29 жовтня 2014 Поділитись Опубліковано: 29 жовтня 2014 а куда эта труба идет? Если к печке, то почему бы ее не заменить на гибкую? Посилання на коментар Поділитися на інших сайтах More sharing options...
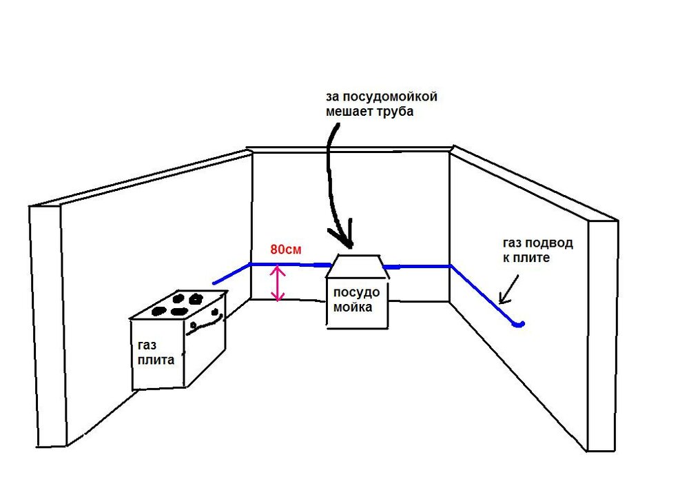
miccca Опубліковано: 29 жовтня 2014 Автор Поділитись Опубліковано: 29 жовтня 2014 все это примерно выглядит так. Кухня по всем 3-м стенкам, П-образная. заменить на гибкий можно не более 2-м метров, у меня от плиты до посудомойки уже 3 метра Посилання на коментар Поділитися на інших сайтах More sharing options...
glumanes Опубліковано: 29 жовтня 2014 Поділитись Опубліковано: 29 жовтня 2014 все это примерно выглядит так. Кухня по всем 3-м стенкам, П-образная. заменить на гибкий можно не более 2-м метров, у меня от плиты до посудомойки уже 3 метра А вы не можете плиту переставить ближе ко входу трубы в дом? Посилання на коментар Поділитися на інших сайтах More sharing options...
miccca Опубліковано: 29 жовтня 2014 Автор Поділитись Опубліковано: 29 жовтня 2014 к сожалению нет. прям над входом трубы в дом висит котёл. А там где плита уже установлена система вентиляции для вытяжки. Плюс по документам должна быть там. получается трогать нельзя... Посилання на коментар Поділитися на інших сайтах More sharing options...
glumanes Опубліковано: 29 жовтня 2014 Поділитись Опубліковано: 29 жовтня 2014 Тогда трубу нужно пускать не выше 100 мм от пола, а лучше посмотреть на модель посудомойки, тогда можно будет сказать точно.... Посилання на коментар Поділитися на інших сайтах More sharing options...
DimaF Опубліковано: 29 жовтня 2014 Поділитись Опубліковано: 29 жовтня 2014 а лучше посмотреть на модель посудомойки, тогда можно будет сказать точно.... А че на нее смотреть, у них глубина и высота одинаковая, разная только ширина. Посилання на коментар Поділитися на інших сайтах More sharing options...
Soyka Опубліковано: 29 жовтня 2014 Поділитись Опубліковано: 29 жовтня 2014 А че на нее смотреть, у них глубина и высота одинаковая, разная только ширина. Внизу у посудомоек есть заступ вовнутрь. Может не у всех, но у моей есть. А вообще ставьте посудомойку в любом месте 1 Посилання на коментар Поділитися на інших сайтах More sharing options...
OlaR Опубліковано: 29 жовтня 2014 Поділитись Опубліковано: 29 жовтня 2014 Я говорил с газовиками, они могут её перенести в плотную к стене, штробить нельзя (все равно получается что торчит на 3 см). Также могут сдвинуть ниже-выше. По-моему у посудомойки сзади есть отступ от стены около 5 см (у меня плинтус и верхний край идет вплотную к стене) для прохода шлангов подачи/слива. Сходите в магазин и посмотрите на понравившиеся модели - вполне возможно, что проблемы не будет, если прижать трубу к стене и скорректировать по высоте - чтоб шлангам не мешала. Посилання на коментар Поділитися на інших сайтах More sharing options...
ViktorBucha Опубліковано: 29 жовтня 2014 Поділитись Опубліковано: 29 жовтня 2014 По-моему у посудомойки сзади есть отступ от стены около 5 см (у меня плинтус и верхний край идет вплотную к стене) для прохода шлангов подачи/слива. Сходите в магазин и посмотрите на понравившиеся модели - вполне возможно, что проблемы не будет, если прижать трубу к стене и скорректировать по высоте - чтоб шлангам не мешала. да, именно там внизу в этом выступе у всех посудомоек вход воды и выход на канализацию. А если опустите на самый пол вплотную к стене - всё станет. только никто ее так не приварит. Посилання на коментар Поділитися на інших сайтах More sharing options...
miccca Опубліковано: 29 жовтня 2014 Автор Поділитись Опубліковано: 29 жовтня 2014 в магазин ходил, у всех снизу есть углубленное место для шлангов, но опять же, газовики не разрешат переделывать мне так трубу (поворачивать вниз, потом опять вверх). не могу понять: при столешнице в 60см, задняя стенка посудомойки на сколько не доходит до стены? Кто может померить у себя? Посилання на коментар Поділитися на інших сайтах More sharing options...
glumanes Опубліковано: 29 жовтня 2014 Поділитись Опубліковано: 29 жовтня 2014 в магазин ходил, у всех снизу есть углубленное место для шлангов, но опять же, газовики не разрешат переделывать мне так трубу (поворачивать вниз, потом опять вверх). не могу понять: при столешнице в 60см, задняя стенка посудомойки на сколько не доходит до стены? Кто может померить у себя? Что там мерять, вот например установочные размеры, еще учтите нависание столешни и толщину фасада.... Посилання на коментар Поділитися на інших сайтах More sharing options...
OlaR Опубліковано: 29 жовтня 2014 Поділитись Опубліковано: 29 жовтня 2014 в магазин ходил, у всех снизу есть углубленное место для шлангов, Пришла домой и посмотрела. У моей Сandy углубление сверху до низу 3 см + дополнительное углубление в самом низу. Посудомойка не должна прижиматься задней стенкой к стене. Возможно для встраиваемых верхней крышки нет - сходите с рулеткой в магазин - вполне возможно, что станет посудомойка. 1 Посилання на коментар Поділитися на інших сайтах More sharing options...
miccca Опубліковано: 30 жовтня 2014 Автор Поділитись Опубліковано: 30 жовтня 2014 Что там мерять, вот например установочные размеры, еще учтите нависание столешни и толщину фасада.... из рисунка получается зазор 5мм? Посилання на коментар Поділитися на інших сайтах More sharing options...
bcmebli Опубліковано: 30 жовтня 2014 Поділитись Опубліковано: 30 жовтня 2014 ребята посоветуйте!. Заказываю кухню. вдоль стены идет газовая труба, на высоте 80 см от пола, расстояние от стены она занимает 6см. Проблема в том, что не влезет посудомоечная машина, т.е. она упрется задней стенкой, при стандартной столешнице в 60см. Мебельщики предлагают широкую столешницу делать....а это удорожание и не экономия места. дело в том, что газ трубу для плиты ставили когда пола ещё не было, подсыпка+ стяжка + плитка. идеально нельзя было рассчитать. Я говорил с газовиками, они могут её перенести в плотную к стене, штробить нельзя (все равно получается что торчит на 3 см). Также могут сдвинуть ниже-выше. Как с этим поступить и обыграть? Хотелось бы трубу спрятать и не дай бог поднимать вдоль кухонного фартука так, то чтобы она будет видна по всей кухне. Хочу обычную полноценную посудомойку, компакт не хочу. Посоветуйте. Покупать столешницу не 600 мм, а 900 мм потом обрезать Посилання на коментар Поділитися на інших сайтах More sharing options...
miccca Опубліковано: 30 жовтня 2014 Автор Поділитись Опубліковано: 30 жовтня 2014 bcmebli, я б этом знаю, и писал, что это удорожание, кусок выкидывается, а за него придется платить. Столешница длинная. Посилання на коментар Поділитися на інших сайтах More sharing options...
DimaF Опубліковано: 30 жовтня 2014 Поділитись Опубліковано: 30 жовтня 2014 Внизу у посудомоек есть заступ вовнутрь. Может не у всех, но у моей есть. У всех практически есть, но как правильно автор заметил - газовики не дадут гнуть трубу в поросячий хвост)) Либо брать более широкую столешницу, либо ставить посудомойку в другое место. Посилання на коментар Поділитися на інших сайтах More sharing options...
miccca Опубліковано: 30 жовтня 2014 Автор Поділитись Опубліковано: 30 жовтня 2014 если в другое место(что не очень хочется), то до канализационной трубы метра 3. Делал отдельный выход 50-й трубы. Как в посудомойке надо уклон делать? или там насосом как в стиралке сливается? Посилання на коментар Поділитися на інших сайтах More sharing options...
OlaR Опубліковано: 30 жовтня 2014 Поділитись Опубліковано: 30 жовтня 2014 если в другое место(что не очень хочется), то до канализационной трубы метра 3. Делал отдельный выход 50-й трубы. Как в посудомойке надо уклон делать? или там насосом как в стиралке сливается? Насос как в стиралке. Можно еще только над посудомойкой врезать более широкую столешницу. Посилання на коментар Поділитися на інших сайтах More sharing options...
karapuz74 Опубліковано: 30 жовтня 2014 Поділитись Опубліковано: 30 жовтня 2014 заменить на гибкий можно не более 2-м метров Ладно, а если заменить кусок трубы, который идет именно за посудомойкой, на гибкий? Там не более пару метров будет, учитывание даже свисание его Посилання на коментар Поділитися на інших сайтах More sharing options...
designmebel Опубліковано: 30 жовтня 2014 Поділитись Опубліковано: 30 жовтня 2014 Гибкий шланг специальный газовый, может быть до 5 м. Такое в практике было. Вам к газовщикам - и это оптимальное решение вопроса (часть можно оставить в металле), не забудьте доступ к вентилю газовому оставить. Посилання на коментар Поділитися на інших сайтах More sharing options...
Borisg Опубліковано: 3 листопада 2014 Поділитись Опубліковано: 3 листопада 2014 А как насчет поднять трубу над посудомойкой ? Высота ПММ обычно 820 мм., трубу располагаем на высоте 830мм., она займет высоту до 855-860 мм. и имеем на выходе рабочую поверхность на высоте 900 мм.(+/-) . Посилання на коментар Поділитися на інших сайтах More sharing options...
miccca Опубліковано: 15 грудня 2014 Автор Поділитись Опубліковано: 15 грудня 2014 в общем нашёл другое место куда поставить, не трогая газовую трубу. Теперь другой момент: на каком уровне установить канализационную трубу 50мм и подвод воды? штробить не хочется. Я так понимаю единственный вариант по низу кухни, т.е. от пола до шкафчиков, какая высота там? Посилання на коментар Поділитися на інших сайтах More sharing options...
DimaF Опубліковано: 15 грудня 2014 Поділитись Опубліковано: 15 грудня 2014 на каком уровне установить канализационную трубу 50мм и подвод воды? Подвод воды без разницы, там гибкий шлан вроде (не помню, надо глянуть). Слив идет насосом, так что тоже без разницы, главное чтобы сама труба имела хотя бы минимальный улон в сторону стояка, чтобы пустая оставалсь. Посилання на коментар Поділитися на інших сайтах More sharing options...
miccca Опубліковано: 15 грудня 2014 Автор Поділитись Опубліковано: 15 грудня 2014 я имел ввиду как поставить трубу канализационную вдоль стены (я это метра 2) так чтоб она не мешала нижним шкафчикам кухни Посилання на коментар Поділитися на інших сайтах More sharing options...
Рекомендовані повідомлення
Створіть акаунт або увійдіть у нього для коментування
Ви маєте бути користувачем, щоб залишити коментар
Створити акаунт
Зареєструйтеся для отримання акаунта. Це просто!
Зареєструвати акаунтУвійти
Вже зареєстровані? Увійдіть тут.
Увійти зараз